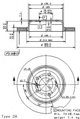
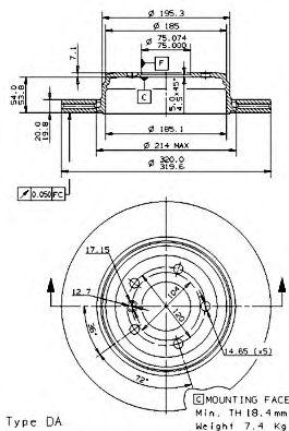
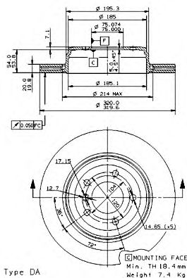
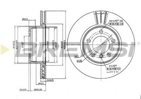
Тормозной диск
Высота [мм] : 63
Диаметр [мм] : 320
Диаметр центрирования [мм] : 75
Количество отверстий : 5
Минимальная толщина [мм] : 18,4
Сторона установки : Задний мост
Тип тормозного диска : вентилируемый
Толщина тормозного диска (мм) : 20
Показать больше свойств
Показать еще цены (1 )
Скрыть
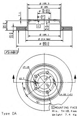
Тормозной диск
Высота [мм] : 63
Диаметр [мм] : 320
Диаметр фаски 2 [мм] : 120
Диаметр центрирования [мм] : 75
Количество отверстий : 5
Минимальная толщина [мм] : 18,4
Поверхность : лакированный
Размер резьбы : 14,6
Тип тормозного диска : вентилируемый
Толщина тормозного диска (мм) : 20
Цвет : черный
Показать больше свойств
Тормозной диск
Высота [мм] : 61,2
Диаметр [мм] : 320
Диаметр центрирования [мм] : 75
для артикула № : B2016V
Количество отверстий : 5
Минимальная толщина [мм] : 18,4
Тип тормозного диска : с внутренней вентиляцией
Толщина тормозного диска (мм) : 20
Показать больше свойств
Тормозной диск
Диаметр [мм] : 310
Диаметр фаски 2 [мм] : 79
Количество отверстий : 5
Сторона установки : Передний мост
Тип тормозного диска : вентилируемый
Толщина тормозного диска (мм) : 24
Показать больше свойств
Тормозной диск
Высота [мм] : 77,1
Диаметр фаски 2 [мм] : 120
Диаметр центрирования [мм] : 79
Количество отверстий : 5
Минимальная толщина [мм] : 22,4
Наружный диаметр [мм] : 310
Поверхность : с покрытием
Сторона установки : Передний мост
Тип тормозного диска : с внутренней вентиляцией
Толщина тормозного диска (мм) : 24
Число отверстий : 1
Показать больше свойств
Тормозной диск
Диаметр [мм] : 324
Диаметр фаски 2 [мм] : 79
Диаметр центрирования [мм] : 79
Количество отверстий : 5
Минимальная толщина [мм] : 27
проверочное значение : K.B.A.: 61209
Сторона установки : Передний мост
Тип тормозного диска : вентилируемый
Толщина тормозного диска (мм) : 30
Показать больше свойств
Показать еще цены (1 )
Скрыть
Тормозной диск
Высота [мм] : 77,1
Диаметр [мм] : 310
Диаметр фаски 2 [мм] : 120
Диаметр центрирования [мм] : 79
Количество отверстий : 5
Минимальная толщина [мм] : 22,4
Поверхность : лакированный
Размер резьбы : 14,6
Тип тормозного диска : вентилируемый
Толщина тормозного диска (мм) : 24
Цвет : черный
Показать больше свойств
Тормозной диск
Высота [мм] : 77,1
Диаметр [мм] : 310
Диаметр центрирования [мм] : 79
для артикула № : B2010V
Количество отверстий : 5
Минимальная толщина [мм] : 22,4
Тип тормозного диска : с внутренней вентиляцией
Толщина тормозного диска (мм) : 24
Показать больше свойств
Тормозной диск
Высота [мм] : 77
Диаметр [мм] : 309,8
Диаметр фаски 2 [мм] : 79
Количество отверстий : 5
Минимальная толщина [мм] : 22,4
Поверхность : лакированный
Сторона установки : Передний мост
Тип тормозного диска : вентилируемый
Толщина тормозного диска (мм) : 24
Показать больше свойств
Тормозной диск
Вес [кг] : 7,330
Диаметр фаски 2 [мм] : 120
Минимальная толщина [мм] : 18,4
Наружный диаметр [мм] : 320
необходимое количество : 2
Сторона установки : Задний мост
Тип тормозного диска : с внутренней вентиляцией
Толщина тормозного диска (мм) : 20
Число отверстий в диске колеса : 5
Показать больше свойств
Тормозной диск
Высота [мм] : 77
Диаметр [мм] : 324
Диаметр центрирования [мм] : 79
для артикула № : B2037V
Количество отверстий : 5
Минимальная толщина [мм] : 28,4
Тип тормозного диска : с внутренней вентиляцией
Толщина тормозного диска (мм) : 30
Показать больше свойств
Тормозной диск
Вес [кг] : 8,163
Наружный диаметр [мм] : 310
необходимое количество : 2
Сторона установки : Передний мост
Тип тормозного диска : с внутренней вентиляцией
Толщина тормозного диска (мм) : 24
Число отверстий в диске колеса : 5
Показать больше свойств
Тормозной диск
Ø отверстия болт крепления колеса [мм] : 14,5
Высота [мм] : 77
Диаметр фаски 2 [мм] : 120
Диаметр центрирования [мм] : 79
Количество отверстий : 5
Минимальная толщина [мм] : 22
Наружный диаметр [мм] : 310
Сторона установки : Передний мост
Тип тормозного диска : вентилируемый
Толщина тормозного диска (мм) : 24
Показать больше свойств
Тормозной диск
Вес [кг] : 8,71
Высота [мм] : 77,1
Диаметр [мм] : 309,8
Диаметр ступицы колеса [мм] : 79
Количество отверстий : 5
Минимальная толщина [мм] : 22,4
Тип тормозного диска : с внутренней вентиляцией
Толщина тормозного диска (мм) : 24
Показать больше свойств
Показать еще цены (3 )
Скрыть
Тормозной диск
Диаметр [мм] : 310
Диаметр ступицы колеса [мм] : 79
Количество отверстий : 5
Минимальная толщина [мм] : 22,4
Обработка : Высокоуглеродистый
Поверхность : лакированный
Тип тормозного диска : с внутренней вентиляцией
Толщина тормозного диска (мм) : 24
Показать больше свойств
Тормозной диск
Диаметр [мм] : 320
Диаметр ступицы колеса [мм] : 75
Количество отверстий : 5
Минимальная толщина [мм] : 18,4
Обработка : Высокоуглеродистый
Поверхность : лакированный
Тип тормозного диска : с внутренней вентиляцией
Толщина тормозного диска (мм) : 20
Показать больше свойств
Показать еще цены (1 )
Скрыть
Тормозной диск
Ø отверстия ступицы [мм] : 79
Ø фаски 1 [мм] : 120
Вес [кг] : 8,22
Высота [мм] : 77,1
Минимальная толщина [мм] : 22,4
Наружный диаметр [мм] : 310
Обработка : Высокоуглеродистый
Поверхность : с покрытием
Расположение/число отверстий : 6/5
Тип тормозного диска : с внутренней вентиляцией
Толщина [мм] : 24
Показать больше свойств
Тормозной диск
Ø отверстия ступицы [мм] : 75
Ø фаски 1 [мм] : 120
Вес [кг] : 7,38
Высота [мм] : 63,2
Минимальная толщина [мм] : 18,4
Наружный диаметр [мм] : 320
Обработка : Высокоуглеродистый
Поверхность : с покрытием
Расположение/число отверстий : 6/5
Тип тормозного диска : с внешней вентиляцией
Толщина [мм] : 20
Показать больше свойств
Показать еще цены (1 )
Скрыть
Тормозной диск
Вес [кг] : 10
Высота [мм] : 77,2
Высота упаковки [см] : 11
Диаметр [мм] : 324
Диаметр фаски 2 [мм] : 120
Диаметр центрирования [мм] : 79
Длина упаковки [см] : 36,5
Дополнительный артикул / дополнительная информация 2 : без ступицы
Минимальная толщина [мм] : 28,4
Номер технической информации : 98200 1226 0 1 PRO
Обработка : Высокоуглеродистый
Поверхность : с покрытием
Расположение/число отверстий : 05/06
Тип тормозного диска : с внутренней вентиляцией
Толщина тормозного диска (мм) : 30
Ширина упаковки [см] : 35
Показать больше свойств
Тормозной диск
Диаметр [мм] : 345
Диаметр ступицы колеса [мм] : 75
Дополнительный артикул / дополнительная информация 2 : с винтами
Количество отверстий : 5
Минимальная толщина [мм] : 22,4
Обработка : Высокоуглеродистый
Поверхность : лакированный
Тип тормозного диска : с внутренней вентиляцией
Толщина тормозного диска (мм) : 24
Показать больше свойств
Показать еще цены (1 )
Скрыть
Тормозной диск
Ø отверстия ступицы [мм] : 79
Ø фаски 1 [мм] : 120
Вес [кг] : 10,02
Высота [мм] : 77,15
Минимальная толщина [мм] : 28,4
Наружный диаметр [мм] : 324
Обработка : Высокоуглеродистый
Поверхность : с покрытием
Расположение/число отверстий : 6/5
Тип тормозного диска : с внутренней вентиляцией
Толщина [мм] : 30
Показать больше свойств
Тормозной диск
Высота [мм] : 61
Диаметр [мм] : 320
Диаметр центрирования [мм] : 75
для артикула № : 09.9425.11
Дополнительный артикул / дополнительная информация 2 : с винтами
Количество отверстий : 5
Минимальная толщина [мм] : 18,4
Момент затяжки [Нм] : 120
Обработка : Высокоуглеродистый
Поверхность : с покрытием
Тип тормозного диска : с внутренней вентиляцией
Толщина тормозного диска (мм) : 20
Показать больше свойств
Тормозной диск
Высота [мм] : 63
Диаметр [мм] : 320
Диаметр фаски 2 [мм] : 120
Диаметр центрирования [мм] : 75
Количество отверстий : 5
Минимальная толщина [мм] : 18,4
Поверхность : лакированный
Размер резьбы : 14,6
Тип тормозного диска : вентилируемый
Толщина тормозного диска (мм) : 20
Цвет : черный
Показать больше свойств
Тормозной диск
Внутренний диаметр : 185
Высота [мм] : 63,2
Диаметр [мм] : 320
Диаметр отверстия [мм] : 14,5
Диаметр фаски 2 [мм] : 120
Диаметр центрирования [мм] : 75
Дополнительный артикул / дополнительная информация 2 : с винтами
Количество отверстий : 5
Минимальная толщина [мм] : 18,4
Обработка : Высокоуглеродистый
Поверхность : с покрытием
Тип тормозного диска : вентилируемый
Толщина тормозного диска (мм) : 20
Показать больше свойств
Тормозной диск
Высота [мм] : 77
Диаметр [мм] : 324
Диаметр центрирования [мм] : 79
для артикула № : 09.9172.11
Дополнительный артикул / дополнительная информация 2 : с винтами
Количество отверстий : 5
Минимальная толщина [мм] : 28,4
Момент затяжки [Нм] : 120
Обработка : Высокоуглеродистый
Поверхность : с покрытием
Тип тормозного диска : с внутренней вентиляцией
Толщина тормозного диска (мм) : 30
Показать больше свойств
Тормозной диск
Вес [кг] : 10,46
Наружный диаметр [мм] : 324
необходимое количество : 2
Сторона установки : Передний мост
Тип тормозного диска : с внутренней вентиляцией
Толщина тормозного диска (мм) : 30
Число отверстий в диске колеса : 5
Показать больше свойств
Тормозной диск
Внутренний диаметр : 161
Высота [мм] : 77
Диаметр [мм] : 310
Диаметр отверстия [мм] : 14,5
Диаметр фаски 2 [мм] : 120
Диаметр центрирования [мм] : 79
Дополнительный артикул / дополнительная информация 2 : с винтами
Количество отверстий : 5
Минимальная толщина [мм] : 22,4
Обработка : Высокоуглеродистый
Поверхность : с покрытием
Тип тормозного диска : вентилируемый
Толщина тормозного диска (мм) : 24
Показать больше свойств
Тормозной диск
Высота [мм] : 77
Диаметр [мм] : 324
Диаметр фаски 2 [мм] : 120
Диаметр центрирования [мм] : 79
Количество отверстий : 5
Минимальная толщина [мм] : 28,4
Обработка : Высокоуглеродистый
Поверхность : лакированный
Размер резьбы : 14,5
Тип тормозного диска : вентилируемый
Толщина тормозного диска (мм) : 30
Цвет : черный
Показать больше свойств
Тормозной диск
Вес [кг] : 8,51
Высота [мм] : 77
Высота упаковки [см] : 17,5
Диаметр [мм] : 310
Диаметр фаски 2 [мм] : 120
Диаметр центрирования [мм] : 79
Длина упаковки [см] : 35
Дополнительный артикул / дополнительная информация 2 : без ступицы
Минимальная толщина [мм] : 22,4
Номер технической информации : 98200 1225 0 1 PRO
Обработка : Высокоуглеродистый
Поверхность : с покрытием
Расположение/число отверстий : 05/06
Тип тормозного диска : с внутренней вентиляцией
Толщина тормозного диска (мм) : 24
Ширина упаковки [см] : 33,5
Показать больше свойств
Тормозной диск
Внутренний диаметр : 161
Высота [мм] : 77
Диаметр [мм] : 310
Диаметр отверстия [мм] : 14,5
Диаметр фаски 2 [мм] : 120
Диаметр центрирования [мм] : 79
Дополнительный артикул / дополнительная информация 2 : с винтами
Количество отверстий : 5
Минимальная толщина [мм] : 21,6
Обработка : Высокоуглеродистый
Поверхность : с покрытием
Тип тормозного диска : вентилируемый
Толщина тормозного диска (мм) : 24
Показать больше свойств
Тормозной диск
Вес [кг] : 15,11
Высота [мм] : 61
Диаметр [мм] : 320
Диаметр фаски 2 [мм] : 0
Диаметр центрирования [мм] : 75
Дополнительный артикул / дополнительная информация 2 : с винтами
Количественная единица : комплект
Количество отверстий : 5
Минимальная толщина [мм] : 18,4
Момент затяжки [Нм] : 100
Поверхность : с покрытием
Сторона установки : Задний мост
Тип тормозного диска : вентилируемый
Толщина тормозного диска (мм) : 20
Показать больше свойств
Тормозной диск
Ø отверстия ступицы [мм] : 75
Ø фаски 1 [мм] : 120
Вес [кг] : 7,38
Высота [мм] : 63,2
Минимальная толщина [мм] : 18,4
Наружный диаметр [мм] : 320
Номер ABE : KBA 60872
Обработка : Высокоуглеродистый
Поверхность : с покрытием
Расположение/число отверстий : 6/5
Тип тормозного диска : с отверстиями
Толщина [мм] : 20
Показать больше свойств
Тормозной диск
Ø отверстия ступицы [мм] : 79
Ø фаски 1 [мм] : 120
Вес [кг] : 10,02
Высота [мм] : 77,15
Минимальная толщина [мм] : 28,4
Наружный диаметр [мм] : 324
Номер ABE : KBA 60872
Обработка : Высокоуглеродистый
Поверхность : с покрытием
Расположение/число отверстий : 6/5
Тип тормозного диска : с отверстиями
Толщина [мм] : 30
Показать больше свойств
Тормозной диск
Ø отверстия ступицы [мм] : 79
Ø фаски 1 [мм] : 120
Вес [кг] : 8,22
Высота [мм] : 77,1
Минимальная толщина [мм] : 22,4
Наружный диаметр [мм] : 310
Номер ABE : KBA 60872
Обработка : Высокоуглеродистый
Поверхность : с покрытием
Расположение/число отверстий : 6/5
Тип тормозного диска : с отверстиями
Толщина [мм] : 24
Показать больше свойств
Тормозной диск
Высота [мм] : 77
Диаметр [мм] : 310
Диаметр фаски 2 [мм] : 120
Количественная единица : штука
Количество отверстий : 5
Сторона установки : Передний мост
Тип тормозного диска : вентилируемый
Толщина тормозного диска (мм) : 24
Показать больше свойств
Запросить цену
Тормозной диск
Ø отверстия ступицы [мм] : 79
Высота [мм] : 77
Диаметр фаски 2 [мм] : 120
Наружный диаметр [мм] : 310
Поверхность : с покрытием
Сторона установки : Передний мост
Тип тормозного диска : вентилируемый
Толщина тормозного диска (мм) : 24
Число отверстий в диске колеса : 5
Показать больше свойств
Запросить цену
Тормозной диск
Высота [мм] : 77,1
Диаметр [мм] : 324
Диаметр центрирования [мм] : 79
Количество отверстий : 5
Минимальная толщина [мм] : 28,4
Поверхность : лакированный
Тип тормозного диска : вентилируемый
Толщина тормозного диска (мм) : 29,8
Показать больше свойств
Запросить цену
Тормозной диск
Высота [мм] : 63
Диаметр [мм] : 320
Диаметр центрирования [мм] : 75
Количество отверстий : 5
Минимальная толщина [мм] : 18,4
Поверхность : лакированный
Тип тормозного диска : вентилируемый
Толщина тормозного диска (мм) : 20
Показать больше свойств
Запросить цену
Тормозной диск
Высота [мм] : 77,1
Диаметр [мм] : 309,8
Диаметр центрирования [мм] : 79
Количество отверстий : 5
Минимальная толщина [мм] : 22,4
Поверхность : лакированный
Тип тормозного диска : вентилируемый
Толщина тормозного диска (мм) : 24
Показать больше свойств
Запросить цену
Тормозной диск
Вес [кг] : 10,4
Высота [мм] : 77,2
Диаметр [мм] : 324
Диаметр центрирования [мм] : 79
Количество отверстий : 5
Минимальная толщина [мм] : 27
проверочное значение : K.B.A.: 61209
Сторона установки : Передний мост
Тип тормозного диска : вентилируемый
Толщина тормозного диска (мм) : 30
Показать больше свойств
Запросить цену
Тормозной диск
Вес [кг] : 10,4
Высота [мм] : 77,9
Диаметр [мм] : 324
Диаметр центрирования [мм] : 79
Минимальная толщина [мм] : 28,4
Поверхность : с покрытием
Тип тормозного диска : вентилируемый
Толщина тормозного диска (мм) : 30
Число отверстий в диске колеса : 5
Показать больше свойств
Запросить цену
Тормозной диск
Ø отверстия ступицы [мм] : 75
Высота 1 [мм] : 61
Высота 2 [мм] : 63
Диаметр ступицы [мм] : 185
Диаметр фаски 2 [мм] : 120
Наружный диаметр [мм] : 320
Поверхность : с покрытием
Сторона установки : Задний мост
Тип тормозного диска : вентилируемый
Толщина тормозного диска (мм) : 20
Число отверстий в диске колеса : 5
Показать больше свойств
Запросить цену
Тормозной диск
Высота [мм] : 63,2
Диаметр [мм] : 320
Диаметр фаски 2 [мм] : 120
Количественная единица : комплект
Количество отверстий : 5
Сторона установки : Задний мост
Тип тормозного диска : вентилируемый
Толщина тормозного диска (мм) : 20
Показать больше свойств
Запросить цену
Тормозной диск
Версия : COATED
Вес [кг] : 8,12
Высота [мм] : 77,1
Диаметр [мм] : 310
Диаметр центрирования [мм] : 79
для артикула № : 89011662 Bolt
Минимальная толщина [мм] : 22,4
Сторона установки : Передний мост
Тип тормозного диска : вентилируемый
Толщина тормозного диска (мм) : 24
Число отверстий в диске колеса : 5
Показать больше свойств
Запросить цену
Тормозной диск
Версия : COATED
Вес [кг] : 7,38
Высота [мм] : 63,3
Диаметр [мм] : 320
Диаметр центрирования [мм] : 74,5
Минимальная толщина [мм] : 18,4
Сторона установки : Задний мост
Тип тормозного диска : вентилируемый
Толщина тормозного диска (мм) : 20
Число отверстий в диске колеса : 5
Показать больше свойств
Запросить цену
Тормозной диск
Вес [кг] : 7,44
Высота [мм] : 63
Диаметр [мм] : 320
Диаметр центрирования [мм] : 75
Количество отверстий : 5
Минимальная толщина [мм] : 18,4
проверочное значение : K.B.A.: 61209
Сторона установки : Задний мост
Тип тормозного диска : вентилируемый
Толщина тормозного диска (мм) : 20
Показать больше свойств
Запросить цену
Тормозной диск
Версия : COATED
Вес [кг] : 10,4
Высота [мм] : 77,9
Диаметр [мм] : 324
Диаметр центрирования [мм] : 79
для артикула № : 89011662 Bolt
Минимальная толщина [мм] : 28,4
Сторона установки : Передний мост
Тип тормозного диска : вентилируемый
Толщина тормозного диска (мм) : 30
Число отверстий в диске колеса : 5
Показать больше свойств
Запросить цену
Тормозной диск
Высота [мм] : 63,2
Диаметр [мм] : 320
Диаметр фаски 2 [мм] : 120
Количественная единица : штука
Количество отверстий : 5
Сторона установки : Задний мост
Тип тормозного диска : вентилируемый
Толщина тормозного диска (мм) : 20
Показать больше свойств
Запросить цену
Тормозной диск
Вес [кг] : 8,18
Высота [мм] : 77,1
Диаметр [мм] : 309,8
Диаметр центрирования [мм] : 79
Количество отверстий : 5
Минимальная толщина [мм] : 22,4
проверочное значение : K.B.A.: 61209
Сторона установки : Передний мост
Тип тормозного диска : вентилируемый
Толщина тормозного диска (мм) : 24
Показать больше свойств
Запросить цену
Тормозной диск
Высота [мм] : 77
Диаметр [мм] : 324
Диаметр фаски 2 [мм] : 120
Количественная единица : комплект
Количество отверстий : 5
Сторона установки : Передний мост
Тип тормозного диска : вентилируемый
Толщина тормозного диска (мм) : 30
Показать больше свойств
Запросить цену
Тормозной диск
Высота [мм] : 77
Диаметр [мм] : 324
Диаметр фаски 2 [мм] : 120
Количественная единица : штука
Количество отверстий : 5
Сторона установки : Передний мост
Тип тормозного диска : вентилируемый
Толщина тормозного диска (мм) : 30
Показать больше свойств
Запросить цену
Тормозной диск
Высота [мм] : 77
Диаметр [мм] : 310
Диаметр фаски 2 [мм] : 120
Количественная единица : комплект
Количество отверстий : 5
Сторона установки : Передний мост
Тип тормозного диска : вентилируемый
Толщина тормозного диска (мм) : 24
Показать больше свойств
Запросить цену
Тормозной диск
Внутренний диаметр : 165
Высота [мм] : 77
Диаметр [мм] : 324
Диаметр отверстия [мм] : 14,5
Диаметр фаски 2 [мм] : 120
Диаметр центрирования [мм] : 79
Количество отверстий : 5
Минимальная толщина [мм] : 28,4
Обработка : Высокоуглеродистый
Тип тормозного диска : вентилируемый
Толщина тормозного диска (мм) : 30
Показать больше свойств
Запросить цену
Тормозной диск
Вес [кг] : 7,38
Высота [мм] : 63,3
Диаметр [мм] : 320
Диаметр центрирования [мм] : 74,5
Минимальная толщина [мм] : 18,4
Поверхность : с покрытием
Тип тормозного диска : вентилируемый
Толщина тормозного диска (мм) : 20
Число отверстий в диске колеса : 5
Показать больше свойств
Запросить цену
Тормозной диск
Диаметр [мм] : 324
Расположение/число отверстий : 6/5
Сторона установки : Передний мост
Тип тормозного диска : вентилируемый
Толщина тормозного диска (мм) : 30
Показать больше свойств
Запросить цену
Тормозной диск
Высота [мм] : 63
Диаметр [мм] : 320
Диаметр фаски 2 [мм] : 120
Диаметр центрирования [мм] : 75
Количество отверстий : 5
Минимальная толщина [мм] : 18,4
Поверхность : лакированный
Размер резьбы : 14,6
Тип тормозного диска : вентилируемый
Толщина тормозного диска (мм) : 20
Цвет : черный
Показать больше свойств
Запросить цену
Тормозной диск
Высота [мм] : 77,1
Диаметр [мм] : 310
Диаметр фаски 2 [мм] : 120
Диаметр центрирования [мм] : 79
Количество отверстий : 5
Минимальная толщина [мм] : 22,4
Обработка : Высокоуглеродистый
Поверхность : лакированный
Размер резьбы : 14,6
Тип тормозного диска : вентилируемый
Толщина тормозного диска (мм) : 24
Цвет : черный
Показать больше свойств
Запросить цену
Тормозной диск
Высота [мм] : 77
Диаметр [мм] : 324
Диаметр фаски 2 [мм] : 120
Диаметр центрирования [мм] : 79
Количество отверстий : 5
Минимальная толщина [мм] : 28,4
Размер резьбы : 14,5
Тип тормозного диска : с отверстиями
Толщина тормозного диска (мм) : 30
Показать больше свойств
Запросить цену
Тормозной диск
Диаметр [мм] : 320
Расположение/число отверстий : 6/5
Сторона установки : Задний мост
Тип тормозного диска : с внешней вентиляцией
Толщина тормозного диска (мм) : 20
Показать больше свойств
Запросить цену
Тормозной диск
Диаметр [мм] : 320
Расположение/число отверстий : 6/5
Сторона установки : Задний мост
Тип тормозного диска : с внешней вентиляцией
Толщина тормозного диска (мм) : 20
Показать больше свойств
Запросить цену
Тормозной диск
Диаметр [мм] : 310
Расположение/число отверстий : 6/5
Сторона установки : Передний мост
Тип тормозного диска : вентилируемый
Толщина тормозного диска (мм) : 24
Показать больше свойств
Запросить цену
Тормозной диск
Диаметр [мм] : 310
Расположение/число отверстий : 6/5
Сторона установки : Передний мост
Тип тормозного диска : вентилируемый
Толщина тормозного диска (мм) : 24
Показать больше свойств
Запросить цену
Тормозной диск
Высота [мм] : 61
Диаметр центрирования [мм] : 75
Количество крепежных отверстий : 1
Минимальная толщина [мм] : 18,4
Наружный диаметр [мм] : 320
Тип тормозного диска : вентилируемый
Толщина тормозного диска (мм) : 20
Число отверстий в диске колеса : 5
Показать больше свойств
Запросить цену
Тормозной диск
Высота [мм] : 77
Диаметр [мм] : 324
Диаметр центрирования [мм] : 79
для артикула № : 24885 E
Дополнительный артикул / дополнительная информация 2 : с винтами
Количество отверстий : 5
Минимальная толщина [мм] : 28,4
Момент затяжки [Нм] : 120
Обработка : Высокоуглеродистый
Тип тормозного диска : с внутренней вентиляцией
Толщина тормозного диска (мм) : 30
Показать больше свойств
Запросить цену
Тормозной диск
Высота [мм] : 77
Диаметр центрирования [мм] : 79
Количество крепежных отверстий : 1
Минимальная толщина [мм] : 28,4
Наружный диаметр [мм] : 324
Тип тормозного диска : вентилируемый
Толщина тормозного диска (мм) : 30
Число отверстий в диске колеса : 5
Показать больше свойств
Запросить цену
Тормозной диск
Высота [мм] : 77
Диаметр центрирования [мм] : 79
Количество крепежных отверстий : 1
Минимальная толщина [мм] : 22,4
Наружный диаметр [мм] : 310
Тип тормозного диска : вентилируемый
Толщина тормозного диска (мм) : 24
Число отверстий в диске колеса : 5
Показать больше свойств
Запросить цену
Тормозной диск
Вес [кг] : 7,83
Высота [мм] : 63,2
Диаметр [мм] : 320
Диаметр центрирования [мм] : 75
для артикула № : 142.1067
Количество отверстий : 5
Минимальная толщина [мм] : 18,4
Тип тормозного диска : с внутренней вентиляцией
Толщина тормозного диска (мм) : 20
Показать больше свойств
Запросить цену
Тормозной диск
Вес [кг] : 8,42
Высота [мм] : 77,2
Диаметр [мм] : 310
Диаметр центрирования [мм] : 79
для артикула № : 142.1066
Количество отверстий : 5
Минимальная толщина [мм] : 22,4
Тип тормозного диска : с внутренней вентиляцией
Толщина тормозного диска (мм) : 24
Показать больше свойств
Запросить цену
Тормозной диск
Вес [кг] : 10,36
Высота [мм] : 77
Диаметр [мм] : 324
Диаметр центрирования [мм] : 79
для артикула № : 142.1065
Количество отверстий : 5
Минимальная толщина [мм] : 28,4
Тип тормозного диска : с внутренней вентиляцией
Толщина тормозного диска (мм) : 30
Показать больше свойств
Запросить цену
Тормозной диск
Вес [кг] : 15,11
Высота [мм] : 61
Диаметр [мм] : 320
Диаметр центрирования [мм] : 75
Дополнительный артикул / дополнительная информация 2 : с винтами
Количество отверстий : 5
Минимальная толщина [мм] : 18,4
Сторона установки : Задний мост
Тип тормозного диска : вентилируемый
Толщина тормозного диска (мм) : 20
Показать больше свойств
Запросить цену
Тормозной диск
Вес [кг] : 21,11
Высота [мм] : 77
Диаметр [мм] : 324
Диаметр центрирования [мм] : 79
Дополнительный артикул / дополнительная информация 2 : с винтами
Количество отверстий : 5
Минимальная толщина [мм] : 28,4
Сторона установки : Передний мост
Тип тормозного диска : вентилируемый
Толщина тормозного диска (мм) : 30
Показать больше свойств
Запросить цену
Тормозной диск
Вес [кг] : 16,91
Высота [мм] : 77
Диаметр [мм] : 310
Диаметр центрирования [мм] : 79
Дополнительный артикул / дополнительная информация 2 : с винтами
Количество отверстий : 5
Минимальная толщина [мм] : 22,4
Сторона установки : Передний мост
Тип тормозного диска : вентилируемый
Толщина тормозного диска (мм) : 24
Показать больше свойств
Запросить цену
Тормозной диск
Высота [мм] : 77
Диаметр [мм] : 324
Диаметр фаски 2 [мм] : 120
Диаметр центрирования [мм] : 79
Количество отверстий : 5
Минимальная толщина [мм] : 28,4
Обработка : Высокоуглеродистый
Поверхность : лакированный
Размер резьбы : 14,5
Тип тормозного диска : вентилируемый
Толщина тормозного диска (мм) : 30
Цвет : черный
Показать больше свойств
Запросить цену
Тормозной диск
Высота [мм] : 77
Диаметр [мм] : 324
Диаметр центрирования [мм] : 79
для артикула № : 24885 V
Дополнительный артикул / дополнительная информация 2 : с винтами
Количество отверстий : 5
Минимальная толщина [мм] : 28,4
Момент затяжки [Нм] : 120
Обработка : Высокоуглеродистый
Поверхность : с покрытием
Тип тормозного диска : с внутренней вентиляцией
Толщина тормозного диска (мм) : 30
Показать больше свойств
Запросить цену
Тормозной диск
Вес [кг] : 8,12
Высота [мм] : 77,1
Диаметр [мм] : 310
Диаметр центрирования [мм] : 79
Минимальная толщина [мм] : 22,4
Поверхность : с покрытием
Тип тормозного диска : вентилируемый
Толщина тормозного диска (мм) : 24
Число отверстий в диске колеса : 5
Показать больше свойств
Запросить цену
Тормозной диск
Высота [мм] : 77
Диаметр [мм] : 324
Диаметр центрирования [мм] : 79
для артикула № : BS 8487
Дополнительный артикул / дополнительная информация 2 : с винтами
Количество отверстий : 5
Минимальная толщина [мм] : 28,4
Момент затяжки [Нм] : 120
Обработка : Высокоуглеродистый
Тип тормозного диска : с внутренней вентиляцией
Толщина тормозного диска (мм) : 30
Показать больше свойств
Запросить цену
Тормозной диск
Вес [кг] : 10,4
Высота [мм] : 77,9
Диаметр [мм] : 324
Диаметр центрирования [мм] : 79
для артикула № : 89011662 Bolt
Минимальная толщина [мм] : 28,4
Тип тормозного диска : вентилируемый
Толщина тормозного диска (мм) : 30
Число отверстий в диске колеса : 5
Показать больше свойств
Запросить цену
Тормозной диск
Вес [кг] : 7,38
Высота [мм] : 63,3
Диаметр [мм] : 320
Диаметр центрирования [мм] : 74,5
Минимальная толщина [мм] : 18,4
Тип тормозного диска : вентилируемый
Толщина тормозного диска (мм) : 20
Число отверстий в диске колеса : 5
Показать больше свойств
Запросить цену
Тормозной диск
Вес [кг] : 8,12
Высота [мм] : 77,1
Диаметр [мм] : 310
Диаметр центрирования [мм] : 79
для артикула № : 89011662 Bolt
Минимальная толщина [мм] : 22,4
Тип тормозного диска : вентилируемый
Толщина тормозного диска (мм) : 24
Число отверстий в диске колеса : 5
Показать больше свойств
Запросить цену
Тормозной диск
Высота [мм] : 61
Диаметр [мм] : 320
Диаметр центрирования [мм] : 75
для артикула № : BV 8545
Дополнительный артикул / дополнительная информация 2 : с винтами
Количество отверстий : 5
Минимальная толщина [мм] : 18,4
Момент затяжки [Нм] : 120
Обработка : Высокоуглеродистый
Поверхность : с покрытием
Тип тормозного диска : с внутренней вентиляцией
Толщина тормозного диска (мм) : 20
Показать больше свойств
Запросить цену
Тормозной диск
Высота [мм] : 77
Диаметр [мм] : 310
Диаметр центрирования [мм] : 79
для артикула № : BV 8490
Дополнительный артикул / дополнительная информация 2 : с винтами
Количество отверстий : 5
Минимальная толщина [мм] : 22,4
Момент затяжки [Нм] : 120
Обработка : Высокоуглеродистый
Поверхность : с покрытием
Тип тормозного диска : с внутренней вентиляцией
Толщина тормозного диска (мм) : 24
Показать больше свойств
Запросить цену
Тормозной диск
Высота [мм] : 77
Диаметр [мм] : 324
Диаметр центрирования [мм] : 79
для артикула № : BV 8487
Дополнительный артикул / дополнительная информация 2 : с винтами
Количество отверстий : 5
Минимальная толщина [мм] : 28,4
Момент затяжки [Нм] : 120
Обработка : Высокоуглеродистый
Поверхность : с покрытием
Тип тормозного диска : с внутренней вентиляцией
Толщина тормозного диска (мм) : 30
Показать больше свойств
Запросить цену
Тормозной диск
Высота [мм] : 61
Диаметр [мм] : 320
Диаметр центрирования [мм] : 75
для артикула № : BS 8545
Дополнительный артикул / дополнительная информация 2 : с винтами
Количество отверстий : 5
Минимальная толщина [мм] : 18,4
Момент затяжки [Нм] : 120
Обработка : Высокоуглеродистый
Тип тормозного диска : с внутренней вентиляцией
Толщина тормозного диска (мм) : 20
Показать больше свойств
Запросить цену
Тормозной диск
Высота [мм] : 77
Диаметр [мм] : 310
Диаметр центрирования [мм] : 79
для артикула № : BS 8490
Дополнительный артикул / дополнительная информация 2 : с винтами
Количество отверстий : 5
Минимальная толщина [мм] : 22,4
Момент затяжки [Нм] : 120
Обработка : Высокоуглеродистый
Тип тормозного диска : с внутренней вентиляцией
Толщина тормозного диска (мм) : 24
Показать больше свойств
Запросить цену
Тормозной диск
Вес [кг] : 10,4
Высота [мм] : 77,2
Диаметр [мм] : 324
Диаметр центрирования [мм] : 79
Количество отверстий : 5
Минимальная толщина [мм] : 27
проверочное значение : K.B.A.: 61209
Сторона установки : Передний мост
Тип тормозного диска : вентилируемый
Толщина тормозного диска (мм) : 30
Показать больше свойств
Запросить цену
Тормозной диск
Высота [мм] : 77
Диаметр [мм] : 310
Диаметр центрирования [мм] : 79
для артикула № : 24888 E
Дополнительный артикул / дополнительная информация 2 : с винтами
Количество отверстий : 5
Минимальная толщина [мм] : 22,4
Момент затяжки [Нм] : 120
Обработка : Высокоуглеродистый
Тип тормозного диска : с внутренней вентиляцией
Толщина тормозного диска (мм) : 24
Показать больше свойств
Запросить цену
Тормозной диск
Вес [кг] : 7,44
Высота [мм] : 63
Диаметр [мм] : 320
Диаметр центрирования [мм] : 75
Количество отверстий : 5
Минимальная толщина [мм] : 18,4
проверочное значение : K.B.A.: 61209
Сторона установки : Задний мост
Тип тормозного диска : вентилируемый
Толщина тормозного диска (мм) : 20
Показать больше свойств
Запросить цену
Тормозной диск
Вес [кг] : 8,18
Высота [мм] : 77,1
Диаметр [мм] : 309,8
Диаметр центрирования [мм] : 79
Количество отверстий : 5
Минимальная толщина [мм] : 22,4
проверочное значение : K.B.A.: 61209
Сторона установки : Передний мост
Тип тормозного диска : вентилируемый
Толщина тормозного диска (мм) : 24
Показать больше свойств
Запросить цену
Тормозной диск
Высота [мм] : 61
Диаметр [мм] : 320
Диаметр центрирования [мм] : 75
для артикула № : X 24926
Дополнительный артикул / дополнительная информация 2 : с винтами
Количество отверстий : 5
Минимальная толщина [мм] : 18,4
Момент затяжки [Нм] : 120
Обработка : Высокоуглеродистый
Поверхность : с покрытием
Тип тормозного диска : с внутренней вентиляцией
Толщина тормозного диска (мм) : 20
Показать больше свойств
Запросить цену
Тормозной диск
Высота [мм] : 77
Диаметр [мм] : 310
Диаметр центрирования [мм] : 79
для артикула № : X 24888
Дополнительный артикул / дополнительная информация 2 : с винтами
Количество отверстий : 5
Минимальная толщина [мм] : 22,4
Момент затяжки [Нм] : 120
Обработка : Высокоуглеродистый
Поверхность : с покрытием
Тип тормозного диска : с внутренней вентиляцией
Толщина тормозного диска (мм) : 24
Показать больше свойств
Запросить цену
Тормозной диск
Высота [мм] : 61
Диаметр [мм] : 320
Диаметр центрирования [мм] : 75
для артикула № : 24926 X
Дополнительный артикул / дополнительная информация 2 : с винтами
Количество отверстий : 5
Минимальная толщина [мм] : 18,6
Момент затяжки [Нм] : 120
Обработка : Высокоуглеродистый
Поверхность : с покрытием
Тип тормозного диска : с отверстиями/с внутр. вентиляцией
Толщина тормозного диска (мм) : 20
Показать больше свойств
Запросить цену
Тормозной диск
Высота [мм] : 61
Диаметр [мм] : 320
Диаметр центрирования [мм] : 75
для артикула № : 24926 V
Дополнительный артикул / дополнительная информация 2 : с винтами
Количество отверстий : 5
Минимальная толщина [мм] : 18,4
Момент затяжки [Нм] : 120
Обработка : Высокоуглеродистый
Поверхность : с покрытием
Тип тормозного диска : с внутренней вентиляцией
Толщина тормозного диска (мм) : 20
Показать больше свойств
Запросить цену
Тормозной диск
Высота [мм] : 61
Диаметр [мм] : 320
Диаметр центрирования [мм] : 75
для артикула № : 24926
Дополнительный артикул / дополнительная информация 2 : с винтами
Количество отверстий : 5
Минимальная толщина [мм] : 18,4
Момент затяжки [Нм] : 120
Обработка : Высокоуглеродистый
Тип тормозного диска : с внутренней вентиляцией
Толщина тормозного диска (мм) : 20
Показать больше свойств
Запросить цену
Тормозной диск
Высота [мм] : 77
Диаметр [мм] : 310
Диаметр центрирования [мм] : 79
для артикула № : 24888 V
Дополнительный артикул / дополнительная информация 2 : с винтами
Количество отверстий : 5
Минимальная толщина [мм] : 22,4
Момент затяжки [Нм] : 120
Обработка : Высокоуглеродистый
Поверхность : с покрытием
Тип тормозного диска : с внутренней вентиляцией
Толщина тормозного диска (мм) : 24
Показать больше свойств
Запросить цену
Тормозной диск
Высота [мм] : 77,1
Диаметр [мм] : 310
Диаметр фаски 2 [мм] : 120
Диаметр центрирования [мм] : 79
Количество отверстий : 5
Минимальная толщина [мм] : 22,4
Размер резьбы : 14,6
Тип тормозного диска : вентилируемый
Толщина тормозного диска (мм) : 24
Показать больше свойств
Запросить цену
Тормозной диск
Высота [мм] : 61
Диаметр [мм] : 320
Диаметр центрирования [мм] : 75
для артикула № : 628.1843
Дополнительный артикул / дополнительная информация 2 : с винтами
Количество отверстий : 5
Минимальная толщина [мм] : 18,4
Обработка : Высокоуглеродистый
Тип тормозного диска : с внутренней вентиляцией
Толщина тормозного диска (мм) : 20
Показать больше свойств
Запросить цену
Тормозной диск
Высота [мм] : 77
Диаметр [мм] : 324
Диаметр фаски 2 [мм] : 120
Диаметр центрирования [мм] : 79
Количество отверстий : 5
Минимальная толщина [мм] : 28,4
Размер резьбы : 14,5
Тип тормозного диска : вентилируемый
Толщина тормозного диска (мм) : 30
Показать больше свойств
Запросить цену
Тормозной диск
Диаметр [мм] : 310
Диаметр фаски 2 [мм] : 79
Дополнительный артикул / дополнительная информация 2 : с винтами
Количество отверстий : 5
Сторона установки : Передний мост
Тип тормозного диска : вентилируемый
Толщина тормозного диска (мм) : 24
Показать больше свойств
Запросить цену
Тормозной диск
Высота [мм] : 77,1
Диаметр [мм] : 310
Диаметр фаски 2 [мм] : 120
Диаметр центрирования [мм] : 79
Количество отверстий : 5
Минимальная толщина [мм] : 22,4
Размер резьбы : 14,6
Тип тормозного диска : с внутренней вентиляцией
Толщина тормозного диска (мм) : 24
Показать больше свойств
Запросить цену
Тормозной диск
Высота [мм] : 77
Диаметр [мм] : 324
Диаметр центрирования [мм] : 79
Количество отверстий : 5
Минимальная толщина [мм] : 28,4
Тип тормозного диска : с внутренней вентиляцией
Толщина тормозного диска (мм) : 30
Показать больше свойств
Запросить цену
Тормозной диск
Высота [мм] : 61,2
Диаметр [мм] : 320
Диаметр центрирования [мм] : 75
Количество отверстий : 5
Минимальная толщина [мм] : 18,4
Тип тормозного диска : с внутренней вентиляцией
Толщина тормозного диска (мм) : 20
Показать больше свойств
Запросить цену
Тормозной диск
Высота [мм] : 77,1
Диаметр [мм] : 310
Диаметр центрирования [мм] : 79
Количество отверстий : 5
Минимальная толщина [мм] : 22,4
Тип тормозного диска : с внутренней вентиляцией
Толщина тормозного диска (мм) : 24
Показать больше свойств
Запросить цену
Тормозной диск
Диаметр [мм] : 310
Количество отверстий : 5
Минимальная толщина [мм] : 22,4
Момент затяжки [Нм] : 12
Сторона установки : Передний мост
Тип тормозного диска : вентилируемый
Толщина тормозного диска (мм) : 24
Показать больше свойств
Запросить цену
Тормозной диск
Диаметр [мм] : 324
Диаметр фаски 2 [мм] : 79
Дополнительный артикул / дополнительная информация 2 : с винтами
Количество отверстий : 5
Сторона установки : Передний мост
Тип тормозного диска : вентилируемый
Толщина тормозного диска (мм) : 30
Показать больше свойств
Запросить цену
Тормозной диск
Диаметр [мм] : 320
Диаметр фаски 2 [мм] : 75
Дополнительный артикул / дополнительная информация 2 : с винтами
Количество отверстий : 5
Сторона установки : Задний мост
Тип тормозного диска : вентилируемый
Толщина тормозного диска (мм) : 20
Показать больше свойств
Запросить цену
Тормозной диск
Высота [мм] : 77
Диаметр [мм] : 324
Диаметр фаски 2 [мм] : 120
Диаметр центрирования [мм] : 79
Количество отверстий : 5
Минимальная толщина [мм] : 28,4
Размер резьбы : 14,5
Тип тормозного диска : с внутренней вентиляцией
Толщина тормозного диска (мм) : 30
Показать больше свойств
Запросить цену
Тормозной диск
Высота [мм] : 77,1
Диаметр [мм] : 324
Диаметр фаски 2 [мм] : 120
Диаметр центрирования [мм] : 79
Количество отверстий : 6
Минимальная толщина [мм] : 28,4
Сторона установки : Передний мост
Тип тормозного диска : с внутренней вентиляцией
Толщина тормозного диска (мм) : 29,8
Показать больше свойств
Запросить цену
Тормозной диск
Высота [мм] : 77,1
Диаметр [мм] : 309,8
Диаметр фаски 2 [мм] : 120
Диаметр центрирования [мм] : 79
Количество отверстий : 6
Минимальная толщина [мм] : 22,4
Сторона установки : Передний мост
Тип тормозного диска : с внутренней вентиляцией
Толщина тормозного диска (мм) : 24
Показать больше свойств
Запросить цену
Тормозной диск
Вес [кг] : 10,4
Высота [мм] : 77,9
Диаметр [мм] : 324
Диаметр центрирования [мм] : 79
для артикула № : 89011662 Bolt
Минимальная толщина [мм] : 28,4
Тип тормозного диска : вентилируемый
Толщина тормозного диска (мм) : 30
Число отверстий в диске колеса : 5
Показать больше свойств
Запросить цену
Тормозной диск
Вес [кг] : 7,38
Высота [мм] : 63,3
Диаметр [мм] : 320
Диаметр центрирования [мм] : 74,5
Минимальная толщина [мм] : 18,4
Тип тормозного диска : вентилируемый
Толщина тормозного диска (мм) : 20
Число отверстий в диске колеса : 5
Показать больше свойств
Запросить цену
Тормозной диск
Вес [кг] : 8,12
Высота [мм] : 77,1
Диаметр [мм] : 310
Диаметр центрирования [мм] : 79
для артикула № : 89011662 Bolt
Минимальная толщина [мм] : 22,4
Тип тормозного диска : вентилируемый
Толщина тормозного диска (мм) : 24
Число отверстий в диске колеса : 5
Показать больше свойств
Запросить цену
Тормозной диск
Высота [мм] : 77
Диаметр [мм] : 310
Количество отверстий : 5
Сторона установки : Передний мост
Тип тормозного диска : вентилируемый
Толщина тормозного диска (мм) : 24
Показать больше свойств
Запросить цену
Тормозной диск
Внутренний диаметр : 164
Высота [мм] : 77,1
Диаметр [мм] : 324
Диаметр фаски 2 [мм] : 120
Диаметр центрирования [мм] : 79
Количество отверстий : 5
Минимальная толщина [мм] : 28,4
Обработка : Высокоуглеродистый
Размер резьбы : 14,70
Тип тормозного диска : с отверстиями
Толщина тормозного диска (мм) : 29,8
Показать больше свойств
Запросить цену
Тормозной диск
Высота [мм] : 63
Диаметр [мм] : 320
Диаметр фаски 2 [мм] : 120
Диаметр центрирования [мм] : 75
Количество отверстий : 5
Минимальная толщина [мм] : 18,4
Размер резьбы : 14,6
Тип тормозного диска : с внутренней вентиляцией
Толщина тормозного диска (мм) : 20
Показать больше свойств
Запросить цену
Тормозной диск
Вес [кг] : 8,05
Высота [мм] : 77,1
Диаметр [мм] : 310
Диаметр фаски 2 [мм] : 120
Диаметр центрирования [мм] : 79
Количество отверстий : 5
Минимальная толщина [мм] : 22,4
Сторона установки : Передний мост
Тип тормозного диска : вентилируемый
Толщина тормозного диска (мм) : 24
Показать больше свойств
Запросить цену
Тормозной диск
Внутренний диаметр : 164,9
Высота [мм] : 77,1
Диаметр [мм] : 324
Диаметр фаски 2 [мм] : 120
Диаметр центрирования [мм] : 79
Количество отверстий : 5
Минимальная толщина [мм] : 28,4
Размер резьбы : 14,70
Тип тормозного диска : с внутренней вентиляцией
Толщина тормозного диска (мм) : 29,8
Показать больше свойств
Запросить цену
Тормозной диск
Внутренний диаметр : 185
Высота [мм] : 63,2
Диаметр [мм] : 320
Диаметр отверстия [мм] : 14,5
Диаметр фаски 2 [мм] : 120
Диаметр центрирования [мм] : 75
Количество отверстий : 5
Минимальная толщина [мм] : 18,4
Сторона установки : Задний мост
Тип тормозного диска : вентилируемый
Толщина тормозного диска (мм) : 20
Показать больше свойств
Запросить цену
Тормозной диск
Высота [мм] : 77
Диаметр [мм] : 310
Диаметр ступицы колеса [мм] : 79
Диаметр фаски 2 [мм] : 120
Исполнение моста : Front
Минимальная толщина [мм] : 22,4
Номер технической информации : 78RBD16402
Расположение/число отверстий : 5
Тип тормоза : Дисковой механизм
Тип тормозного диска : вентилируемый
Толщина [мм] : 24
Показать больше свойств
Запросить цену
Тормозной диск
Глубина [мм] : 63,2
Диаметр [мм] : 320
Диаметр центрирования [мм] : 75,04
Количество отверстий : 5
Минимальная толщина [мм] : 18,4
Тип сборки : закреплено болтами / шурупами
Тип тормозного диска : вентилируемый
Толщина тормозного диска (мм) : 20
Показать больше свойств
Запросить цену
Тормозной диск
Глубина [мм] : 77
Диаметр [мм] : 310
Диаметр центрирования [мм] : 79,04
Количество отверстий : 5
Минимальная толщина [мм] : 22,4
Тип сборки : закреплено болтами / шурупами
Тип тормозного диска : вентилируемый
Толщина тормозного диска (мм) : 24
Показать больше свойств
Запросить цену
Тормозной диск
Вес [кг] : 10,5
Высота [мм] : 77,2
Диаметр отверстия [мм] : 14,7
Диаметр фаски 2 [мм] : 120
Диаметр центрирования [мм] : 79
Количество крепежных отверстий : 5
Количество отверстий : 5
Минимальная толщина [мм] : 28
Наружный диаметр [мм] : 324
Тип тормозного диска : вентилируемый
Толщина тормозного диска (мм) : 30
Показать больше свойств
Запросить цену
Тормозной диск
Вес [кг] : 8,5
Высота [мм] : 77,1
Диаметр отверстия [мм] : 14,7
Диаметр фаски 2 [мм] : 120
Диаметр центрирования [мм] : 79
Количество крепежных отверстий : 5
Количество отверстий : 5
Минимальная толщина [мм] : 22,4
Наружный диаметр [мм] : 310
Тип тормозного диска : вентилируемый
Толщина тормозного диска (мм) : 24
Показать больше свойств
Запросить цену
Тормозной диск
Вес [кг] : 7,92
Высота [мм] : 63,5
Диаметр отверстия [мм] : 14,7
Диаметр фаски 2 [мм] : 120
Диаметр центрирования [мм] : 75
Количество крепежных отверстий : 5
Количество отверстий : 5
Минимальная толщина [мм] : 18,4
Наружный диаметр [мм] : 320
Тип тормозного диска : вентилируемый
Толщина тормозного диска (мм) : 20
Показать больше свойств
Запросить цену
Тормозной диск
Внутренний диаметр : 185
Высота [мм] : 63,2
Диаметр [мм] : 320
Диаметр отверстия [мм] : 14,5
Диаметр фаски 2 [мм] : 120
Диаметр центрирования [мм] : 75
Количество отверстий : 5
Минимальная толщина [мм] : 18,4
Сторона установки : Задний мост
Тип тормозного диска : вентилируемый
Толщина тормозного диска (мм) : 20
Показать больше свойств
Запросить цену
Тормозной диск
Вес [кг] : 9,68
Высота [мм] : 77
Диаметр [мм] : 324
Диаметр фаски 2 [мм] : 120
Диаметр центрирования [мм] : 79,1
Количество отверстий : 5
Минимальная толщина [мм] : 28,4
Размер резьбы : 14,5
Сторона установки : Передний мост
Тип тормозного диска : вентилируемый
Толщина тормозного диска (мм) : 29,7
Показать больше свойств
Запросить цену
Тормозной диск
Внутренний диаметр : 185
Высота [мм] : 63,2
Диаметр [мм] : 320
Диаметр отверстия [мм] : 14,5
Диаметр фаски 2 [мм] : 120
Диаметр центрирования [мм] : 75
Количество отверстий : 5
Минимальная толщина [мм] : 18,4
Сторона установки : Задний мост
Тип тормозного диска : вентилируемый
Толщина тормозного диска (мм) : 20
Показать больше свойств
Запросить цену
Тормозной диск
Высота [мм] : 77,1
Диаметр [мм] : 310
Диаметр фаски 2 [мм] : 120
Диаметр центрирования [мм] : 79
Количество отверстий : 5
Минимальная толщина [мм] : 22,4
Размер резьбы : 14,6
Сторона установки : Передний мост
Тип тормозного диска : вентилируемый
Толщина тормозного диска (мм) : 24
Цвет : черный
Показать больше свойств
Запросить цену
Тормозной диск
Высота [мм] : 77,1
Диаметр [мм] : 310
Диаметр фаски 2 [мм] : 120
Диаметр центрирования [мм] : 79
Количество отверстий : 5
Минимальная толщина [мм] : 22,4
Размер резьбы : 14,6
Сторона установки : Передний мост
Тип тормозного диска : вентилируемый
Толщина тормозного диска (мм) : 24
Цвет : черный
Показать больше свойств
Запросить цену
Тормозной диск
Высота [мм] : 77,1
Диаметр [мм] : 310
Диаметр фаски 2 [мм] : 120
Диаметр центрирования [мм] : 79
Количество отверстий : 5
Минимальная толщина [мм] : 22,4
Размер резьбы : 14,6
Сторона установки : Передний мост
Тип тормозного диска : вентилируемый
Толщина тормозного диска (мм) : 24
Цвет : черный
Показать больше свойств
Запросить цену
Тормозной диск
Внутренний диаметр : 165
Высота [мм] : 77
Диаметр [мм] : 324
Диаметр отверстия [мм] : 14,5
Диаметр фаски 2 [мм] : 120
Диаметр центрирования [мм] : 79
Количество отверстий : 5
Минимальная толщина [мм] : 28,4
Сторона установки : Передний мост
Тип тормозного диска : вентилируемый
Толщина тормозного диска (мм) : 30
Показать больше свойств
Запросить цену
Тормозной диск
Внутренний диаметр : 165
Высота [мм] : 77
Диаметр [мм] : 324
Диаметр отверстия [мм] : 14,5
Диаметр фаски 2 [мм] : 120
Диаметр центрирования [мм] : 79
Количество отверстий : 5
Минимальная толщина [мм] : 28,4
Сторона установки : Передний мост
Тип тормозного диска : вентилируемый
Толщина тормозного диска (мм) : 30
Показать больше свойств
Запросить цену
Тормозной диск
Внутренний диаметр : 165
Высота [мм] : 77
Диаметр [мм] : 324
Диаметр отверстия [мм] : 14,5
Диаметр фаски 2 [мм] : 120
Диаметр центрирования [мм] : 79
Количество отверстий : 5
Минимальная толщина [мм] : 28,4
Сторона установки : Передний мост
Тип тормозного диска : вентилируемый
Толщина тормозного диска (мм) : 30
Показать больше свойств
Запросить цену
Тормозной диск
Внутренний диаметр : 164
Высота [мм] : 77,1
Диаметр [мм] : 324
Диаметр фаски 2 [мм] : 120
Диаметр центрирования [мм] : 79
Количество отверстий : 5
Минимальная толщина [мм] : 28,4
Обработка : Высокоуглеродистый
Размер резьбы : 14,70
Тип тормозного диска : с внутренней вентиляцией
Толщина тормозного диска (мм) : 29,8
Показать больше свойств
Запросить цену
Тормозной диск
Внутренний диаметр : 185,1
Высота [мм] : 61
Диаметр [мм] : 320
Диаметр фаски 2 [мм] : 120
Диаметр центрирования [мм] : 75
Количество отверстий : 5
Минимальная толщина [мм] : 18,4
Размер резьбы : 14,60
Тип тормозного диска : с отверстиями
Толщина тормозного диска (мм) : 20
Показать больше свойств
Запросить цену
Тормозной диск
Высота [мм] : 63
Диаметр [мм] : 320
Диаметр фаски 2 [мм] : 120
Диаметр центрирования [мм] : 75
Количество отверстий : 5
Минимальная толщина [мм] : 18,4
Размер резьбы : 14,6
Тип тормозного диска : вентилируемый
Толщина тормозного диска (мм) : 20
Показать больше свойств
Запросить цену
Тормозной диск
Диаметр [мм] : 310
Диаметр центрирования [мм] : 79
для тормозного диска толщиной [мм] : 24
Минимальная толщина [мм] : 22,4
Общая высота [мм] : 77,1
Расположение/число отверстий : 5H
Тип тормозного диска : вентилируемый
Показать больше свойств
Запросить цену
Тормозной диск
Высота [мм] : 77
Диаметр [мм] : 310
Диаметр центрирования [мм] : 79
Дополнительный артикул / дополнительная информация 2 : с винтами
Количество отверстий : 5
Материал : бумага
Минимальная толщина [мм] : 22,4
Тип тормозного диска : с внутренней вентиляцией
Толщина тормозного диска (мм) : 24
Показать больше свойств
Запросить цену
Тормозной диск
Высота [мм] : 61
Диаметр [мм] : 320
Диаметр центрирования [мм] : 75
Дополнительный артикул / дополнительная информация 2 : с винтами
Количество отверстий : 5
Минимальная толщина [мм] : 18,4
Обработка : Высокоуглеродистый
Тип тормозного диска : вентилируемый
Толщина [мм] : 20
Толщина тормозного диска (мм) : 20
Показать больше свойств
Запросить цену
Тормозной диск
Высота [мм] : 77
Диаметр [мм] : 324
Диаметр фаски 2 [мм] : 120
Диаметр центрирования [мм] : 79
Количество отверстий : 5
Минимальная толщина [мм] : 28,4
Размер резьбы : 14,5
Тип тормозного диска : вентилируемый
Толщина тормозного диска (мм) : 30
Показать больше свойств
Запросить цену
Тормозной диск
Высота [мм] : 77,1
Диаметр [мм] : 310
Диаметр фаски 2 [мм] : 120
Диаметр центрирования [мм] : 79
Количество отверстий : 5
Минимальная толщина [мм] : 22,4
Размер резьбы : 14,6
Тип тормозного диска : вентилируемый
Толщина тормозного диска (мм) : 24
Показать больше свойств
Запросить цену
Тормозной диск
Диаметр [мм] : 324
Диаметр центрирования [мм] : 79
для тормозного диска толщиной [мм] : 30
Минимальная толщина [мм] : 28,4
Общая высота [мм] : 77,1
Расположение/число отверстий : 5H
Тип тормозного диска : вентилируемый
Показать больше свойств
Запросить цену
Тормозной диск
Диаметр [мм] : 320
Диаметр центрирования [мм] : 75
для тормозного диска толщиной [мм] : 20
Минимальная толщина [мм] : 18,4
Общая высота [мм] : 63,5
Расположение/число отверстий : 5H
Тип тормозного диска : вентилируемый
Показать больше свойств
Запросить цену
Тормозной диск
Высота [мм] : 77
Диаметр [мм] : 310
Диаметр центрирования [мм] : 79
для артикула № : 628.1866
Дополнительный артикул / дополнительная информация 2 : с винтами
Количество отверстий : 5
Минимальная толщина [мм] : 22,4
Обработка : Высокоуглеродистый
Тип тормозного диска : с внутренней вентиляцией
Толщина тормозного диска (мм) : 24
Показать больше свойств
Запросить цену
Тормозной диск
Диаметр [мм] : 324
Количество отверстий : 5
Номер продукции : 6042760
Тип тормозного диска : вентилируемый
Показать больше свойств
Запросить цену
Тормозной диск
для оригинального номера : 34 11 6 864 059
Сторона установки : Передний мост
Тип тормозного диска : вентилируемый
Запросить цену
Тормозной диск
Высота [мм] : 77
Диаметр [мм] : 324
Диаметр центрирования [мм] : 79
для артикула № : 628.1813
Дополнительный артикул / дополнительная информация 2 : с винтами
Количество отверстий : 5
Минимальная толщина [мм] : 28,4
Обработка : Высокоуглеродистый
Тип тормозного диска : с внутренней вентиляцией
Толщина тормозного диска (мм) : 30
Показать больше свойств
Запросить цену
Тормозной диск
Высота [мм] : 77,2
Диаметр фаски 2 [мм] : 120
Диаметр центрирования [мм] : 79
Количество отверстий : 5
Минимальная толщина [мм] : 28,4
Наружный диаметр [мм] : 324
Поверхность : с покрытием
Сторона установки : Передний мост
Тип тормозного диска : с внутренней вентиляцией
Толщина тормозного диска (мм) : 30
Число отверстий : 1
Показать больше свойств
Запросить цену
Тормозной диск
Высота [мм] : 77,1
Диаметр [мм] : 310
Диаметр ступицы колеса [мм] : 79
Минимальная толщина [мм] : 22,4
Обработка : Высокоуглеродистый
Тип тормозного диска : с внутренней вентиляцией
Толщина тормозного диска (мм) : 24
Число отверстий в диске колеса : 5
Показать больше свойств
Запросить цену
Тормозной диск
Высота [мм] : 63
Диаметр [мм] : 320
Диаметр ступицы колеса [мм] : 75
Минимальная толщина [мм] : 18,4
Обработка : Высокоуглеродистый
Поверхность : с покрытием
Тип тормозного диска : с внутренней вентиляцией
Толщина тормозного диска (мм) : 20
Цвет : черный
Число отверстий в диске колеса : 5
Показать больше свойств
Запросить цену
Тормозной диск
Высота [мм] : 77
Диаметр фаски 2 [мм] : 120
Диаметр центрирования [мм] : 79
Количество отверстий : 5
Минимальная толщина [мм] : 28,4
Наружный диаметр [мм] : 324
Сторона установки : Передний мост
Тип тормозного диска : вентилируемый
Толщина тормозного диска (мм) : 30
Показать больше свойств
Запросить цену
Тормозной диск
Внутренний диаметр : 161
Высота [мм] : 77
Диаметр фаски 2 [мм] : 120
Диаметр центрирования [мм] : 79
Количество отверстий : 5
Минимальная толщина [мм] : 22
Наружный диаметр [мм] : 310
Сторона установки : Передний мост
Тип тормозного диска : вентилируемый
Толщина тормозного диска (мм) : 24
Показать больше свойств
Запросить цену
Тормозной диск
Высота [мм] : 77
Диаметр [мм] : 324
Диаметр центрирования [мм] : 79
Дополнительный артикул / дополнительная информация 2 : с винтами
Количество отверстий : 5
Материал : бумага
Минимальная толщина [мм] : 28,4
Тип тормозного диска : с внутренней вентиляцией
Толщина тормозного диска (мм) : 30
Показать больше свойств
Запросить цену
Тормозной диск
Высота [мм] : 77
Диаметр [мм] : 324
Диаметр фаски 2 [мм] : 120
Диаметр центрирования [мм] : 79
Количество отверстий : 5
Минимальная толщина [мм] : 28,4
Поверхность : лакированный
Размер резьбы : 14,5
Тип тормозного диска : вентилируемый
Толщина тормозного диска (мм) : 30
Цвет : черный
Показать больше свойств
Запросить цену
Тормозной диск
Внутренний диаметр : 185,1
Высота [мм] : 61
Диаметр [мм] : 320
Диаметр фаски 2 [мм] : 120
Диаметр центрирования [мм] : 75
Количество отверстий : 5
Минимальная толщина [мм] : 18,4
Размер резьбы : 14,60
Тип тормозного диска : с внутренней вентиляцией
Толщина тормозного диска (мм) : 20
Показать больше свойств
Запросить цену
Тормозной диск
Высота [мм] : 77
Диаметр [мм] : 310
Диаметр центрирования [мм] : 79
для артикула № : 09.9173.11
Дополнительный артикул / дополнительная информация 2 : с винтами
Количество отверстий : 5
Минимальная толщина [мм] : 22,4
Момент затяжки [Нм] : 120
Обработка : Высокоуглеродистый
Поверхность : с покрытием
Тип тормозного диска : с внутренней вентиляцией
Толщина тормозного диска (мм) : 24
Показать больше свойств
Запросить цену
Тормозной диск
Внутренний диаметр : 161
Высота [мм] : 77
Диаметр [мм] : 310
Диаметр фаски 2 [мм] : 120
Диаметр центрирования [мм] : 79
Количество отверстий : 5
Минимальная толщина [мм] : 22,4
Размер резьбы : 14,50
Тип тормозного диска : с отверстиями
Толщина тормозного диска (мм) : 24
Показать больше свойств
Запросить цену
Тормозной диск
Внутренний диаметр : 161
Высота [мм] : 77
Диаметр [мм] : 310
Диаметр фаски 2 [мм] : 120
Диаметр центрирования [мм] : 79
Количество отверстий : 5
Минимальная толщина [мм] : 22,4
Размер резьбы : 14,50
Тип тормозного диска : с внутренней вентиляцией
Толщина тормозного диска (мм) : 24
Показать больше свойств
Запросить цену
Тормозной диск
Высота [мм] : 77
Диаметр [мм] : 324
Диаметр центрирования [мм] : 79
для артикула № : 09.9172.11
Дополнительный артикул / дополнительная информация 2 : с винтами
Количество отверстий : 5
Минимальная толщина [мм] : 28,4
Момент затяжки [Нм] : 120
Обработка : Высокоуглеродистый
Поверхность : с покрытием
Тип тормозного диска : с внутренней вентиляцией
Толщина тормозного диска (мм) : 30
Показать больше свойств
Запросить цену
Тормозной диск
Внутренний диаметр : 165
Высота [мм] : 77
Диаметр [мм] : 324
Диаметр отверстия [мм] : 14,5
Диаметр фаски 2 [мм] : 120
Диаметр центрирования [мм] : 79
для артикула № : PB 20344
Количество отверстий : 5
Минимальная толщина [мм] : 28,4
Сторона установки : Передний мост
Тип тормозного диска : вентилируемый
Толщина тормозного диска (мм) : 30
Показать больше свойств
Запросить цену
Тормозной диск
Высота [мм] : 61
Диаметр [мм] : 320
Диаметр центрирования [мм] : 75
для артикула № : 09.9425.11
Дополнительный артикул / дополнительная информация 2 : с винтами
Количество отверстий : 5
Минимальная толщина [мм] : 18,4
Момент затяжки [Нм] : 120
Обработка : Высокоуглеродистый
Поверхность : с покрытием
Тип тормозного диска : с внутренней вентиляцией
Толщина тормозного диска (мм) : 20
Показать больше свойств
Запросить цену
Тормозной диск
Внутренний диаметр : 185
Высота [мм] : 63,2
Диаметр [мм] : 320
Диаметр отверстия [мм] : 14,5
Диаметр фаски 2 [мм] : 120
Диаметр центрирования [мм] : 75
для артикула № : PB 20216
Количество отверстий : 5
Минимальная толщина [мм] : 18,4
Сторона установки : Задний мост
Тип тормозного диска : вентилируемый
Толщина тормозного диска (мм) : 20
Показать больше свойств
Запросить цену
Тормозной диск
Высота [мм] : 77
Диаметр [мм] : 310
Диаметр центрирования [мм] : 79
для артикула № : PB 20212
Количество отверстий : 5
Минимальная толщина [мм] : 22,4
Сторона установки : Передний мост
Тип тормозного диска : с внутренней вентиляцией
Толщина тормозного диска (мм) : 24
Показать больше свойств
Запросить цену
Тормозной диск
Вес [кг] : 8,51
Высота [мм] : 77
Диаметр [мм] : 310
Диаметр фаски 2 [мм] : 120
Диаметр центрирования [мм] : 79
Дополнительный артикул / дополнительная информация 2 : без ступицы
Минимальная толщина [мм] : 22,4
Номер технической информации : 54225
Расположение/число отверстий : 05/06
Тип тормозного диска : с внутренней вентиляцией
Толщина тормозного диска (мм) : 24
Показать больше свойств
Запросить цену
Тормозной диск
Вес [кг] : 7,55
Высота [мм] : 63
Диаметр [мм] : 320
Диаметр фаски 2 [мм] : 120
Диаметр центрирования [мм] : 75
Дополнительный артикул / дополнительная информация 2 : без ступицы
Количество болтов : 1
Минимальная толщина [мм] : 18,4
Номер технической информации : 54227PRO_HC_NA
Обработка : Высокоуглеродистый
Поверхность : с покрытием
Расположение/число отверстий : 05/06
Тип тормозного диска : с внешней вентиляцией
Толщина тормозного диска (мм) : 20
Цвет : серебряный
Показать больше свойств
Запросить цену
Тормозной диск
Вес [кг] : 7,55
Высота [мм] : 63
Диаметр [мм] : 320
Диаметр фаски 2 [мм] : 120
Диаметр центрирования [мм] : 75
Дополнительный артикул / дополнительная информация 2 : без ступицы
Минимальная толщина [мм] : 18,4
Номер технической информации : 54227PRO
Поверхность : с покрытием
Расположение/число отверстий : 05/06
Тип тормозного диска : с внешней вентиляцией
Толщина тормозного диска (мм) : 20
Показать больше свойств
Запросить цену
Тормозной диск
Вес [кг] : 10
Высота [мм] : 77,2
Диаметр [мм] : 324
Диаметр фаски 2 [мм] : 120
Диаметр центрирования [мм] : 79
Дополнительный артикул / дополнительная информация 2 : без ступицы
Количество болтов : 1
Минимальная толщина [мм] : 28,4
Номер технической информации : 54226PRO_HC_NA
Обработка : Высокоуглеродистый
Поверхность : с покрытием
Расположение/число отверстий : 05/06
Тип тормозного диска : с внутренней вентиляцией
Толщина тормозного диска (мм) : 30
Цвет : серебряный
Показать больше свойств
Запросить цену
Тормозной диск
Вес [кг] : 10
Высота [мм] : 77,2
Диаметр [мм] : 324
Диаметр фаски 2 [мм] : 120
Диаметр центрирования [мм] : 79
Дополнительный артикул / дополнительная информация 2 : без ступицы
Минимальная толщина [мм] : 28,4
Номер технической информации : 54226PRO
Поверхность : с покрытием
Расположение/число отверстий : 05/06
Тип тормозного диска : с внутренней вентиляцией
Толщина тормозного диска (мм) : 30
Показать больше свойств
Запросить цену
Тормозной диск
Вес [кг] : 10
Высота [мм] : 77,2
Диаметр [мм] : 324
Диаметр фаски 2 [мм] : 120
Диаметр центрирования [мм] : 79
Дополнительный артикул / дополнительная информация 2 : без ступицы
Минимальная толщина [мм] : 28,4
Номер технической информации : 54226
Расположение/число отверстий : 05/06
Тип тормозного диска : с внутренней вентиляцией
Толщина тормозного диска (мм) : 30
Показать больше свойств
Запросить цену
Тормозной диск
Вес [кг] : 8,51
Высота [мм] : 77
Диаметр [мм] : 310
Диаметр фаски 2 [мм] : 120
Диаметр центрирования [мм] : 79
Дополнительный артикул / дополнительная информация 2 : без ступицы
Количество болтов : 1
Минимальная толщина [мм] : 22,4
Номер технической информации : 54225PRO_HC_NA
Обработка : Высокоуглеродистый
Поверхность : с покрытием
Расположение/число отверстий : 05/06
Тип тормозного диска : с внутренней вентиляцией
Толщина тормозного диска (мм) : 24
Цвет : серебряный
Показать больше свойств
Запросить цену
Тормозной диск
Вес [кг] : 8,51
Высота [мм] : 77
Диаметр [мм] : 310
Диаметр фаски 2 [мм] : 120
Диаметр центрирования [мм] : 79
Дополнительный артикул / дополнительная информация 2 : без ступицы
Минимальная толщина [мм] : 22,4
Номер технической информации : 54225PRO
Поверхность : с покрытием
Расположение/число отверстий : 05/06
Тип тормозного диска : с внутренней вентиляцией
Толщина тормозного диска (мм) : 24
Показать больше свойств
Запросить цену
Тормозной диск
Диаметр [мм] : 320
для оригинального номера : 34 21 6 753 215
Количество отверстий : 5
Сторона установки : Задний мост
Тип тормозного диска : с внутренней вентиляцией
Толщина тормозного диска (мм) : 20
Показать больше свойств
Запросить цену
Тормозной диск
Вес [кг] : 8.600
Высота [мм] : 77
Диаметр [мм] : 310
Диаметр ступицы колеса [мм] : 79
Диаметр фаски 2 [мм] : 120
Исполнение моста : Front
Минимальная толщина [мм] : 22,4
Номер технической информации : 78BD6402-1
Расположение/число отверстий : 5
Тип тормоза : Дисковой механизм
Тип тормозного диска : вентилируемый
Толщина [мм] : 24
Показать больше свойств
Запросить цену
Тормозной диск
Вес [кг] : 7,79
Высота [мм] : 61,2
Диаметр [мм] : 320
Диаметр ступицы 1 [мм] : 75
Минимальная толщина [мм] : 18
Тип тормозного диска : вентилируемый
Толщина тормозного диска (мм) : 20
Число отверстий в диске колеса : 5
Показать больше свойств
Запросить цену
Тормозной диск
Высота [мм] : 77
Диаметр центрирования [мм] : 79
Количество крепежных отверстий : 1
Минимальная толщина [мм] : 22,4
Наружный диаметр [мм] : 310
Сторона установки : Передний мост
Тип тормозного диска : вентилируемый
Толщина тормозного диска (мм) : 24
Число отверстий в диске колеса : 5
Показать больше свойств
Запросить цену
Тормозной диск
Запросить цену
Тормозной диск
Диаметр [мм] : 320
Диаметр ступицы колеса [мм] : 75
Минимальная толщина [мм] : 18,4
Поверхность : лакированный
Толщина тормозного диска (мм) : 20
Показать больше свойств
Запросить цену
Тормозной диск
Диаметр [мм] : 309,8
Диаметр ступицы колеса [мм] : 79
Минимальная толщина [мм] : 22,4
Поверхность : лакированный
Толщина тормозного диска (мм) : 24
Показать больше свойств
Запросить цену
Тормозной диск
Диаметр [мм] : 324
Диаметр ступицы колеса [мм] : 79
Количество отверстий : 5
Минимальная толщина [мм] : 28,4
Обработка : Высокоуглеродистый
Поверхность : лакированный
Тип тормозного диска : с внутренней вентиляцией
Толщина тормозного диска (мм) : 30
Показать больше свойств
Запросить цену
Тормозной диск
Высота [мм] : 61
Диаметр центрирования [мм] : 75
Количество крепежных отверстий : 1
Минимальная толщина [мм] : 18,4
Наружный диаметр [мм] : 320
Сторона установки : Задний мост
Тип тормозного диска : вентилируемый
Толщина тормозного диска (мм) : 20
Число отверстий в диске колеса : 5
Показать больше свойств
Запросить цену
Тормозной диск
Высота [мм] : 77
Диаметр центрирования [мм] : 79
Количество крепежных отверстий : 1
Минимальная толщина [мм] : 28,4
Наружный диаметр [мм] : 324
Сторона установки : Передний мост
Тип тормозного диска : вентилируемый
Толщина тормозного диска (мм) : 30
Число отверстий в диске колеса : 5
Показать больше свойств
Запросить цену
Тормозной диск
Вес [кг] : 7,55
Высота [мм] : 63
Диаметр [мм] : 320
Диаметр фаски 2 [мм] : 120
Диаметр центрирования [мм] : 75
Дополнительный артикул / дополнительная информация 2 : без ступицы
Минимальная толщина [мм] : 18,4
Поверхность : с покрытием
Расположение/число отверстий : 05/06
Тип тормозного диска : с внешней вентиляцией
Толщина тормозного диска (мм) : 20
Показать больше свойств
Запросить цену
Тормозной диск
Вес [кг] : 10
Высота [мм] : 77,2
Высота упаковки [см] : 11
Диаметр [мм] : 324
Диаметр фаски 2 [мм] : 120
Диаметр центрирования [мм] : 79
Длина упаковки [см] : 36,5
Дополнительный артикул / дополнительная информация 2 : без ступицы
Минимальная толщина [мм] : 28,4
Номер технической информации : 98200 1226 0 1 PRO
Поверхность : с покрытием
Расположение/число отверстий : 05/06
Тип тормозного диска : с внутренней вентиляцией
Толщина тормозного диска (мм) : 30
Ширина упаковки [см] : 35
Показать больше свойств
Запросить цену
Тормозной диск
Вес [кг] : 10
Высота [мм] : 77,2
Диаметр [мм] : 324
Диаметр фаски 2 [мм] : 120
Диаметр центрирования [мм] : 79
Дополнительный артикул / дополнительная информация 2 : без ступицы
Минимальная толщина [мм] : 28,4
Поверхность : с покрытием
Расположение/число отверстий : 05/06
Тип тормозного диска : с внутренней вентиляцией
Толщина тормозного диска (мм) : 30
Показать больше свойств
Запросить цену
Тормозной диск
Вес [кг] : 8,51
Высота [мм] : 77
Диаметр [мм] : 310
Диаметр фаски 2 [мм] : 120
Диаметр центрирования [мм] : 79
Дополнительный артикул / дополнительная информация 2 : без ступицы
Минимальная толщина [мм] : 22,4
Поверхность : с покрытием
Расположение/число отверстий : 05/06
Тип тормозного диска : с внутренней вентиляцией
Толщина тормозного диска (мм) : 24
Показать больше свойств
Запросить цену
Тормозной диск
Внутренний диаметр : 165
Высота [мм] : 77
Диаметр [мм] : 324
Диаметр отверстия [мм] : 14,5
Диаметр фаски 2 [мм] : 120
Диаметр центрирования [мм] : 79
Дополнительный артикул / дополнительная информация 2 : с винтами
Количество отверстий : 5
Минимальная толщина [мм] : 27,6
Обработка : Высокоуглеродистый
Поверхность : с покрытием
Тип тормозного диска : вентилируемый
Толщина тормозного диска (мм) : 30
Показать больше свойств
Запросить цену
Тормозной диск
Внутренний диаметр : 185
Высота [мм] : 63,2
Диаметр [мм] : 320
Диаметр отверстия [мм] : 14,5
Диаметр фаски 2 [мм] : 120
Диаметр центрирования [мм] : 75
Дополнительный артикул / дополнительная информация 2 : с винтами
Количество отверстий : 5
Минимальная толщина [мм] : 18,4
Обработка : Высокоуглеродистый
Поверхность : с покрытием
Тип тормозного диска : вентилируемый
Толщина тормозного диска (мм) : 20
Показать больше свойств
Запросить цену
Тормозной диск
Внутренний диаметр : 165
Высота [мм] : 77
Диаметр [мм] : 324
Диаметр отверстия [мм] : 14,5
Диаметр фаски 2 [мм] : 120
Диаметр центрирования [мм] : 79
Дополнительный артикул / дополнительная информация 2 : с винтами
Количество отверстий : 5
Минимальная толщина [мм] : 28,4
Обработка : Высокоуглеродистый
Поверхность : с покрытием
Тип тормозного диска : вентилируемый
Толщина тормозного диска (мм) : 30
Показать больше свойств
Запросить цену
Тормозной диск
Вес [кг] : 7,55
Высота [мм] : 63
Диаметр [мм] : 320
Диаметр фаски 2 [мм] : 120
Диаметр центрирования [мм] : 75
Дополнительный артикул / дополнительная информация 2 : без ступицы
Количество болтов : 1
Минимальная толщина [мм] : 18,4
Номер технической информации : 54227PRO_HC_NA
Обработка : Высокоуглеродистый
Поверхность : с покрытием
Расположение/число отверстий : 05/06
Тип тормозного диска : с внешней вентиляцией
Толщина тормозного диска (мм) : 20
Цвет : серебряный
Показать больше свойств
Запросить цену
Тормозной диск
Вес [кг] : 8,51
Высота [мм] : 77
Высота упаковки [см] : 17,5
Диаметр [мм] : 310
Диаметр фаски 2 [мм] : 120
Диаметр центрирования [мм] : 79
Длина упаковки [см] : 35
Дополнительный артикул / дополнительная информация 2 : без ступицы
Минимальная толщина [мм] : 22,4
Номер технической информации : 98200 1225 0 1 PRO
Поверхность : с покрытием
Расположение/число отверстий : 05/06
Тип тормозного диска : с внутренней вентиляцией
Толщина тормозного диска (мм) : 24
Ширина упаковки [см] : 33,5
Показать больше свойств
Запросить цену
Тормозной диск
Вес [кг] : 7,55
Высота [мм] : 63
Высота упаковки [см] : 14
Диаметр [мм] : 320
Диаметр фаски 2 [мм] : 120
Диаметр центрирования [мм] : 75
Длина упаковки [см] : 36,5
Дополнительный артикул / дополнительная информация 2 : без ступицы
Минимальная толщина [мм] : 18,4
Номер технической информации : 98200 1227 0 1 PRO
Поверхность : с покрытием
Расположение/число отверстий : 05/06
Тип тормозного диска : с внешней вентиляцией
Толщина тормозного диска (мм) : 20
Ширина упаковки [см] : 35
Показать больше свойств
Запросить цену
Тормозной диск
Вес [кг] : 10
Высота [мм] : 77,2
Диаметр [мм] : 324
Диаметр фаски 2 [мм] : 120
Диаметр центрирования [мм] : 79
Дополнительный артикул / дополнительная информация 2 : без ступицы
Количество болтов : 1
Минимальная толщина [мм] : 28,4
Номер технической информации : 54226PRO_HC_NA
Обработка : Высокоуглеродистый
Поверхность : с покрытием
Расположение/число отверстий : 05/06
Тип тормозного диска : с внутренней вентиляцией
Толщина тормозного диска (мм) : 30
Цвет : серебряный
Показать больше свойств
Запросить цену
Тормозной диск
Высота [мм] : 77,1
Диаметр [мм] : 310
Диаметр фаски 2 [мм] : 120
Диаметр центрирования [мм] : 79
Количество отверстий : 5
Минимальная толщина [мм] : 22,4
Поверхность : с покрытием
Тип тормозного диска : с внутренней вентиляцией
Толщина тормозного диска (мм) : 24
Показать больше свойств
Запросить цену
Тормозной диск
Диаметр [мм] : 320
Диаметр фаски 2 [мм] : 120
Количество отверстий : 5
Минимальная толщина [мм] : 18,4
Обработка : легированный/высокоуглеродистый
Поверхность : с покрытием
Тип тормозного диска : с внутренней вентиляцией
Толщина тормозного диска (мм) : 20
Показать больше свойств
Запросить цену
Тормозной диск
Высота [мм] : 63,3
Диаметр [мм] : 320
Диаметр фаски 2 [мм] : 120
Диаметр центрирования [мм] : 74,5
Количество отверстий : 5
Минимальная толщина [мм] : 18,4
Поверхность : с покрытием
Тип тормозного диска : с внутренней вентиляцией
Толщина тормозного диска (мм) : 20
Показать больше свойств
Запросить цену
Тормозной диск
Диаметр [мм] : 324
Диаметр фаски 2 [мм] : 120
Количество отверстий : 5
Минимальная толщина [мм] : 28
Обработка : легированный/высокоуглеродистый
Поверхность : с покрытием
Тип тормозного диска : с внутренней вентиляцией
Толщина тормозного диска (мм) : 30
Показать больше свойств
Запросить цену
Тормозной диск
Высота [мм] : 77,9
Диаметр [мм] : 324
Диаметр фаски 2 [мм] : 120
Диаметр центрирования [мм] : 79
Количество отверстий : 5
Минимальная толщина [мм] : 28,4
Поверхность : с покрытием
Тип тормозного диска : с внутренней вентиляцией
Толщина тормозного диска (мм) : 30
Показать больше свойств
Запросить цену
Тормозной диск
Высота [мм] : 77,9
Диаметр [мм] : 324
Диаметр фаски 2 [мм] : 120
Диаметр центрирования [мм] : 79
Количество отверстий : 5
Минимальная толщина [мм] : 28,4
Тип тормозного диска : с внутренней вентиляцией
Толщина тормозного диска (мм) : 30
Показать больше свойств
Запросить цену
Тормозной диск
Диаметр [мм] : 310
Диаметр фаски 2 [мм] : 120
Количество отверстий : 5
Минимальная толщина [мм] : 22
Обработка : легированный/высокоуглеродистый
Поверхность : с покрытием
Тип тормозного диска : с внутренней вентиляцией
Толщина тормозного диска (мм) : 24
Показать больше свойств
Запросить цену
Тормозной диск
Высота [мм] : 77,1
Диаметр [мм] : 310
Диаметр фаски 2 [мм] : 120
Диаметр центрирования [мм] : 79
Количество отверстий : 5
Минимальная толщина [мм] : 22,4
Тип тормозного диска : с внутренней вентиляцией
Толщина тормозного диска (мм) : 24
Показать больше свойств
Запросить цену
Тормозной диск
Вес [кг] : 7,55
Высота [мм] : 63
Высота упаковки [см] : 14
Диаметр [мм] : 320
Диаметр фаски 2 [мм] : 120
Диаметр центрирования [мм] : 75
Длина упаковки [см] : 36,5
Дополнительный артикул / дополнительная информация 2 : без ступицы
Минимальная толщина [мм] : 18,4
Номер технической информации : 98200 1227 0 1 PRO
Обработка : Высокоуглеродистый
Поверхность : с покрытием
Расположение/число отверстий : 05/06
Тип тормозного диска : с внешней вентиляцией
Толщина тормозного диска (мм) : 20
Ширина упаковки [см] : 35
Показать больше свойств
Запросить цену
Тормозной диск
Версия : JC
Высота [мм] : 77,2
Диаметр [мм] : 324
Диаметр центрирования [мм] : 79
Количество отверстий : 5
Минимальная толщина [мм] : 28,4
Поверхность : с покрытием
Сторона установки : Передний мост
Тип тормозного диска : вентилируемый
Толщина тормозного диска (мм) : 29,8
Показать больше свойств
Запросить цену
Тормозной диск
Высота [мм] : 77,1
Диаметр [мм] : 324
Диаметр центрирования [мм] : 79
Количество отверстий : 5
Минимальная толщина [мм] : 28,4
Сторона установки : Передний мост
Тип тормозного диска : вентилируемый
Толщина тормозного диска (мм) : 29,8
Показать больше свойств
Запросить цену
Тормозной диск
Версия : JC
Высота [мм] : 77,1
Диаметр [мм] : 310
Диаметр центрирования [мм] : 79
Количество отверстий : 5
Минимальная толщина [мм] : 22,4
Поверхность : с покрытием
Сторона установки : Передний мост
Тип тормозного диска : вентилируемый
Толщина тормозного диска (мм) : 24
Показать больше свойств
Запросить цену
Тормозной диск
Высота [мм] : 77,1
Диаметр [мм] : 310
Диаметр центрирования [мм] : 79
Количество отверстий : 5
Минимальная толщина [мм] : 22,4
Сторона установки : Передний мост
Тип тормозного диска : вентилируемый
Толщина тормозного диска (мм) : 24
Показать больше свойств
Запросить цену
Тормозной диск
Версия : JC
Высота [мм] : 63,2
Диаметр [мм] : 320
Диаметр центрирования [мм] : 75
Количество отверстий : 5
Минимальная толщина [мм] : 18,4
Поверхность : с покрытием
Сторона установки : Задний мост
Тип тормозного диска : вентилируемый
Толщина тормозного диска (мм) : 20
Показать больше свойств
Запросить цену
Тормозной диск
Высота [мм] : 63,2
Диаметр [мм] : 320
Диаметр центрирования [мм] : 75
Количество отверстий : 5
Минимальная толщина [мм] : 18,4
Сторона установки : Задний мост
Тип тормозного диска : вентилируемый
Толщина тормозного диска (мм) : 20
Показать больше свойств
Запросить цену
Тормозной диск
Вес [кг] : 7,55
Высота [мм] : 63
Диаметр [мм] : 320
Диаметр фаски 2 [мм] : 120
Диаметр центрирования [мм] : 75
Дополнительный артикул / дополнительная информация 2 : без ступицы
Минимальная толщина [мм] : 18,4
Номер технической информации : 54227PRO
Поверхность : с покрытием
Расположение/число отверстий : 05/06
Тип тормозного диска : с внешней вентиляцией
Толщина тормозного диска (мм) : 20
Показать больше свойств
Запросить цену
Тормозной диск
Вес [кг] : 10
Высота [мм] : 77,2
Диаметр [мм] : 324
Диаметр фаски 2 [мм] : 120
Диаметр центрирования [мм] : 79
Дополнительный артикул / дополнительная информация 2 : без ступицы
Минимальная толщина [мм] : 28,4
Номер технической информации : 54226PRO
Поверхность : с покрытием
Расположение/число отверстий : 05/06
Тип тормозного диска : с внутренней вентиляцией
Толщина тормозного диска (мм) : 30
Показать больше свойств
Запросить цену
Тормозной диск
Вес [кг] : 16,91
Высота [мм] : 77
Диаметр [мм] : 310
Диаметр фаски 2 [мм] : 0
Диаметр центрирования [мм] : 79
Дополнительный артикул / дополнительная информация 2 : с винтами
Количественная единица : комплект
Количество отверстий : 5
Минимальная толщина [мм] : 22,4
Момент затяжки [Нм] : 100
Поверхность : с покрытием
Сторона установки : Передний мост
Тип тормозного диска : вентилируемый
Толщина тормозного диска (мм) : 24
Показать больше свойств
Запросить цену
Тормозной диск
Вес [кг] : 10,36
Высота [мм] : 77
Диаметр [мм] : 324
Диаметр центрирования [мм] : 79
для артикула № : HPD 1065
Количество отверстий : 5
Минимальная толщина [мм] : 28,4
Тип тормозного диска : с внутренней вентиляцией
Толщина тормозного диска (мм) : 30
Показать больше свойств
Запросить цену
Тормозной диск
Высота [мм] : 63
Диаметр [мм] : 320
Диаметр фаски 2 [мм] : 75
Количество отверстий : 5
Минимальная толщина [мм] : 18,4
Поверхность : лакированный
Сторона установки : Задний мост
Тип тормозного диска : вентилируемый
Толщина тормозного диска (мм) : 20
Показать больше свойств
Запросить цену
Тормозной диск
Вес [кг] : 7,55
Высота [мм] : 61
Диаметр [мм] : 320
Диаметр центрирования [мм] : 75
Дополнительный артикул / дополнительная информация 2 : с винтами
Количество отверстий : 5
Минимальная толщина [мм] : 18,4
Сторона установки : Задний мост
Тип тормозного диска : вентилируемый
Толщина тормозного диска (мм) : 20
Показать больше свойств
Запросить цену
Тормозной диск
Вес [кг] : 10,05
Высота [мм] : 77
Диаметр [мм] : 324
Диаметр центрирования [мм] : 79
Дополнительный артикул / дополнительная информация 2 : с винтами
Количество отверстий : 5
Минимальная толщина [мм] : 28,4
Сторона установки : Передний мост
Тип тормозного диска : вентилируемый
Толщина тормозного диска (мм) : 30
Показать больше свойств
Запросить цену
Тормозной диск
Высота [мм] : 77
Диаметр [мм] : 310
Диаметр центрирования [мм] : 79
Количество отверстий : 5
Номер продукции : 6042750
Тип тормозного диска : вентилируемый
Толщина тормозного диска (мм) : 24
Показать больше свойств
Запросить цену
Тормозной диск
Вес [кг] : 7,83
Высота [мм] : 63,2
Диаметр [мм] : 320
Диаметр центрирования [мм] : 75
для артикула № : HPD 1067
Количество отверстий : 5
Минимальная толщина [мм] : 18,4
Тип тормозного диска : с внутренней вентиляцией
Толщина тормозного диска (мм) : 20
Показать больше свойств
Запросить цену
Тормозной диск
Вес [кг] : 8,42
Высота [мм] : 77,2
Диаметр [мм] : 310
Диаметр центрирования [мм] : 79
для артикула № : HPD 1066
Количество отверстий : 5
Минимальная толщина [мм] : 22,4
Тип тормозного диска : с внутренней вентиляцией
Толщина тормозного диска (мм) : 24
Показать больше свойств
Запросить цену
Тормозной диск
Высота [мм] : 63
Диаметр [мм] : 320
Диаметр фаски 2 [мм] : 75
Количество отверстий : 5
Тип тормозного диска : вентилируемый
Толщина тормозного диска (мм) : 20
Показать больше свойств
Запросить цену
Тормозной диск
Диаметр [мм] : 320
Диаметр фаски 2 [мм] : 75
Количественная единица : комплект
Количество отверстий : 5
Сторона установки : Передний мост
Тип тормозного диска : с внутренней вентиляцией
Толщина тормозного диска (мм) : 20
Показать больше свойств
Запросить цену
Тормозной диск
Высота [мм] : 77,1
Диаметр [мм] : 309,8
Диаметр фаски 2 [мм] : 79
Количество отверстий : 5
Тип тормозного диска : вентилируемый
Толщина тормозного диска (мм) : 24
Показать больше свойств
Запросить цену
Тормозной диск
Высота [мм] : 77,1
Диаметр [мм] : 324
Диаметр фаски 2 [мм] : 79
Количество отверстий : 5
Тип тормозного диска : вентилируемый
Толщина тормозного диска (мм) : 29,8
Показать больше свойств
Запросить цену
Тормозной диск
Высота [мм] : 61
Диаметр [мм] : 320
Диаметр центрирования [мм] : 75
Качество : Kreuzschliff
Количество отверстий : 5
Сторона установки : Задний мост
Тип тормозного диска : вентилируемый
Толщина [мм] : 20
Показать больше свойств
Запросить цену
Тормозной диск
Высота [мм] : 77,1
Диаметр [мм] : 310
Диаметр фаски 2 [мм] : 120
Диаметр центрирования [мм] : 79
Количество отверстий : 5
Минимальная толщина [мм] : 22,4
Размер резьбы : 14,6
Тип тормозного диска : вентилируемый
Толщина тормозного диска (мм) : 24
Показать больше свойств
Запросить цену
Тормозной диск
Высота [мм] : 77
Диаметр [мм] : 324
Диаметр фаски 2 [мм] : 120
Диаметр центрирования [мм] : 79
Количество отверстий : 5
Минимальная толщина [мм] : 28,4
Размер резьбы : 14,5
Тип тормозного диска : вентилируемый
Толщина тормозного диска (мм) : 30
Показать больше свойств
Запросить цену
Тормозной диск
Внутренний диаметр : 161
Высота [мм] : 77,1
Диаметр [мм] : 310
Диаметр отверстия [мм] : 14,5
Диаметр фаски 2 [мм] : 120
Диаметр центрирования [мм] : 79
Количество отверстий : 5
Минимальная толщина [мм] : 22,4
Обработка : Высокоуглеродистый
Тип тормозного диска : вентилируемый
Толщина тормозного диска (мм) : 24
Показать больше свойств
Запросить цену
Тормозной диск
Диаметр [мм] : 320
Диаметр фаски 2 [мм] : 75
Количественная единица : штука
Количество отверстий : 5
Сторона установки : Передний мост
Тип тормозного диска : с внутренней вентиляцией
Толщина тормозного диска (мм) : 20
Показать больше свойств
Запросить цену
Тормозной диск
Высота [мм] : 77
Диаметр [мм] : 309,8
Диаметр фаски 2 [мм] : 79
Количество отверстий : 5
Минимальная толщина [мм] : 22,4
Поверхность : лакированный
Сторона установки : Передний мост
Тип тормозного диска : вентилируемый
Толщина тормозного диска (мм) : 24
Показать больше свойств
Запросить цену
Тормозной диск
Вес [кг] : 10
Высота [мм] : 77,2
Диаметр [мм] : 324
Диаметр фаски 2 [мм] : 120
Диаметр центрирования [мм] : 79
Дополнительный артикул / дополнительная информация 2 : без ступицы
Минимальная толщина [мм] : 28,4
Номер технической информации : 54226
Расположение/число отверстий : 05/06
Тип тормозного диска : с внутренней вентиляцией
Толщина тормозного диска (мм) : 30
Показать больше свойств
Запросить цену
Тормозной диск
Сторона установки : Задний мост
Запросить цену
Тормозной диск
Вес [кг] : 8,51
Высота [мм] : 77
Диаметр [мм] : 310
Диаметр фаски 2 [мм] : 120
Диаметр центрирования [мм] : 79
Дополнительный артикул / дополнительная информация 2 : без ступицы
Количество болтов : 1
Минимальная толщина [мм] : 22,4
Номер технической информации : 54225PRO_HC_NA
Обработка : Высокоуглеродистый
Поверхность : с покрытием
Расположение/число отверстий : 05/06
Тип тормозного диска : с внутренней вентиляцией
Толщина тормозного диска (мм) : 24
Цвет : серебряный
Показать больше свойств
Запросить цену
Тормозной диск
Вес [кг] : 8,51
Высота [мм] : 77
Диаметр [мм] : 310
Диаметр фаски 2 [мм] : 120
Диаметр центрирования [мм] : 79
Дополнительный артикул / дополнительная информация 2 : без ступицы
Минимальная толщина [мм] : 22,4
Номер технической информации : 54225PRO
Поверхность : с покрытием
Расположение/число отверстий : 05/06
Тип тормозного диска : с внутренней вентиляцией
Толщина тормозного диска (мм) : 24
Показать больше свойств
Запросить цену
Тормозной диск
Вес [кг] : 8,51
Высота [мм] : 77
Диаметр [мм] : 310
Диаметр фаски 2 [мм] : 120
Диаметр центрирования [мм] : 79
Дополнительный артикул / дополнительная информация 2 : без ступицы
Минимальная толщина [мм] : 22,4
Номер технической информации : 54225
Расположение/число отверстий : 05/06
Тип тормозного диска : с внутренней вентиляцией
Толщина тормозного диска (мм) : 24
Показать больше свойств
Запросить цену
Тормозной диск
Высота [мм] : 61,2
Диаметр [мм] : 320
Диаметр ступицы 1 [мм] : 75
Минимальная толщина [мм] : 18
ограничение производителя : BREMBO
Сторона установки : Задний мост
Тип тормозного диска : вентилируемый
Толщина тормозного диска (мм) : 20
Число отверстий в диске колеса : 5
Показать больше свойств
Запросить цену
Тормозной диск
Высота [мм] : 77,1
Диаметр [мм] : 310
Диаметр ступицы 1 [мм] : 79
Минимальная толщина [мм] : 22
ограничение производителя : BREMBO
Сторона установки : Передний мост
Тип тормозного диска : вентилируемый
Толщина тормозного диска (мм) : 23,9
Число отверстий в диске колеса : 5
Показать больше свойств
Запросить цену
Тормозной диск
Высота [мм] : 77
Диаметр [мм] : 324
Диаметр ступицы 1 [мм] : 79
Минимальная толщина [мм] : 27
ограничение производителя : BREMBO
Сторона установки : Передний мост
Тип тормозного диска : вентилируемый
Толщина тормозного диска (мм) : 30
Число отверстий в диске колеса : 5
Показать больше свойств
Запросить цену
Тормозной диск
Высота [мм] : 61
Диаметр [мм] : 320
Диаметр центрирования [мм] : 75
Дополнительный артикул / дополнительная информация 2 : с винтами
Количество отверстий : 5
Материал : бумага
Минимальная толщина [мм] : 18,4
Тип тормозного диска : с внутренней вентиляцией
Толщина тормозного диска (мм) : 20
Показать больше свойств
Запросить цену
Тормозной диск
Высота [мм] : 63
Диаметр [мм] : 320
Диаметр фаски 2 [мм] : 75
Количество отверстий : 5
Минимальная толщина [мм] : 18,4
Поверхность : лакированный
Сторона установки : Задний мост
Тип тормозного диска : вентилируемый
Толщина тормозного диска (мм) : 20
Показать больше свойств
Запросить цену
Тормозной диск
Внутренний диаметр : 185
Высота [мм] : 63,2
Диаметр [мм] : 320
Диаметр отверстия [мм] : 14,5
Диаметр фаски 2 [мм] : 120
Диаметр центрирования [мм] : 75
Количество отверстий : 5
Минимальная толщина [мм] : 18,4
Сторона установки : Задний мост
Тип тормозного диска : вентилируемый
Толщина тормозного диска (мм) : 20
Показать больше свойств
Запросить цену
Тормозной диск
Высота [мм] : 77,1
Диаметр [мм] : 310
Диаметр фаски 2 [мм] : 120
Диаметр центрирования [мм] : 79
Количество отверстий : 5
Минимальная толщина [мм] : 22,4
Размер резьбы : 14,6
Сторона установки : Передний мост
Тип тормозного диска : вентилируемый
Толщина тормозного диска (мм) : 24
Цвет : черный
Показать больше свойств
Запросить цену
Тормозной диск
Внутренний диаметр : 165
Высота [мм] : 77
Диаметр [мм] : 324
Диаметр отверстия [мм] : 14,5
Диаметр фаски 2 [мм] : 120
Диаметр центрирования [мм] : 79
Количество отверстий : 5
Минимальная толщина [мм] : 28,4
Сторона установки : Передний мост
Тип тормозного диска : вентилируемый
Толщина тормозного диска (мм) : 30
Показать больше свойств
Запросить цену
Тормозной диск
Диаметр [мм] : 310
Диаметр фаски 2 [мм] : 79
Количество отверстий : 5
Поверхность : с покрытием
Сторона установки : Передний мост
Тип тормозного диска : с внутренней вентиляцией
Толщина тормозного диска (мм) : 24
Показать больше свойств
Запросить цену
Тормозной диск
Высота [мм] : 77,1
Диаметр [мм] : 310
Диаметр центрирования [мм] : 79
Количество отверстий 1 : 5
Количество отверстий 2 : 1
Минимальная толщина [мм] : 22,4
Сторона установки : Передний мост
Тип тормозного диска : вентилируемый
Толщина тормозного диска (мм) : 24
Показать больше свойств
Запросить цену
Тормозной диск
Высота [мм] : 63
Диаметр [мм] : 320
Диаметр центрирования [мм] : 75
Количество отверстий 1 : 5
Количество отверстий 2 : 1
Минимальная толщина [мм] : 18,4
Сторона установки : Задний мост
Тип тормозного диска : вентилируемый
Толщина тормозного диска (мм) : 20
Показать больше свойств
Запросить цену
Тормозной диск
Вес [кг] : 16,91
Высота [мм] : 77
Диаметр [мм] : 310
Диаметр центрирования [мм] : 79
Дополнительный артикул / дополнительная информация 2 : с винтами
Количество отверстий : 5
Минимальная толщина [мм] : 22,4
Сторона установки : Передний мост
Тип тормозного диска : вентилируемый
Толщина тормозного диска (мм) : 24
Показать больше свойств
Запросить цену
Тормозной диск
Вес [кг] : 8,46
Высота [мм] : 77
Диаметр [мм] : 310
Диаметр центрирования [мм] : 79
Дополнительный артикул / дополнительная информация 2 : с винтами
Количественная единица : штука
Количество отверстий : 5
Минимальная толщина [мм] : 22,4
Поверхность : с покрытием
Сторона установки : Передний мост
Тип тормозного диска : вентилируемый
Толщина тормозного диска (мм) : 24
Показать больше свойств
Запросить цену
Тормозной диск
Вес [кг] : 7,64
Высота [мм] : 61,2
Диаметр [мм] : 320
Диаметр ступицы 1 [мм] : 75
Диаметр фаски 2 [мм] : 120
Минимальная толщина [мм] : 18
Тип тормозного диска : вентилируемый
Толщина тормозного диска (мм) : 20
Число отверстий в диске колеса : 5
Показать больше свойств
Запросить цену
Тормозной диск
Высота [мм] : 77,1
Диаметр [мм] : 324
Диаметр центрирования [мм] : 79
Минимальная толщина [мм] : 28,4
Расположение/число отверстий : 5/6
Сторона установки : Передний мост
Тип тормозного диска : вентилируемый
Толщина тормозного диска (мм) : 30
Показать больше свойств
Запросить цену
Тормозной диск
Ø отверстия болт крепления колеса [мм] : 14,5
Высота [мм] : 61,2
Диаметр фаски 2 [мм] : 120
Диаметр центрирования [мм] : 75
Дополнительный артикул / дополнительная информация 2 : с винтами
Количество отверстий : 5
Минимальная толщина [мм] : 18,4
Наружный диаметр [мм] : 320
Поверхность : покрытый УФ-лаком
Сторона установки : Задний мост
Тип тормозного диска : вентилируемый
Толщина тормозного диска (мм) : 20
Показать больше свойств
Запросить цену
Тормозной диск
Ø отверстия болт крепления колеса [мм] : 14,5
Высота [мм] : 61,2
Диаметр фаски 2 [мм] : 120
Диаметр центрирования [мм] : 75
Количество отверстий : 5
Минимальная толщина [мм] : 18,4
Наружный диаметр [мм] : 320
Сторона установки : Задний мост
Тип тормозного диска : вентилируемый
Толщина тормозного диска (мм) : 20
Показать больше свойств
Запросить цену
Тормозной диск
Ø отверстия болт крепления колеса [мм] : 14,5
Высота [мм] : 77
Диаметр фаски 2 [мм] : 120
Диаметр центрирования [мм] : 79
Дополнительный артикул / дополнительная информация 2 : с винтами
Количество отверстий : 5
Минимальная толщина [мм] : 22
Наружный диаметр [мм] : 310
Поверхность : покрытый УФ-лаком
Сторона установки : Передний мост
Тип тормозного диска : вентилируемый
Толщина тормозного диска (мм) : 24
Показать больше свойств
Запросить цену
Тормозной диск
Ø отверстия болт крепления колеса [мм] : 14,5
Высота [мм] : 77
Диаметр фаски 2 [мм] : 120
Диаметр центрирования [мм] : 79
Дополнительный артикул / дополнительная информация 2 : с винтами
Количество отверстий : 5
Минимальная толщина [мм] : 28,4
Наружный диаметр [мм] : 324
Поверхность : покрытый УФ-лаком
Сторона установки : Передний мост
Тип тормозного диска : вентилируемый
Толщина тормозного диска (мм) : 30
Показать больше свойств
Запросить цену
Тормозной диск
Ø отверстия болт крепления колеса [мм] : 14,5
Высота [мм] : 77
Диаметр фаски 2 [мм] : 120
Диаметр центрирования [мм] : 79
Количество отверстий : 5
Минимальная толщина [мм] : 28,4
Наружный диаметр [мм] : 324
Сторона установки : Передний мост
Тип тормозного диска : вентилируемый
Толщина тормозного диска (мм) : 30
Показать больше свойств
Запросить цену
Тормозной диск
Высота [мм] : 77
Диаметр [мм] : 324
Диаметр центрирования [мм] : 79
Минимальная толщина [мм] : 28,4
Поверхность : с покрытием
Расположение/число отверстий : 5/6
Сторона установки : Передний мост
Тип тормозного диска : вентилируемый
Толщина тормозного диска (мм) : 30
Показать больше свойств
Запросить цену
Тормозной диск
Высота [мм] : 61
Диаметр [мм] : 320
Диаметр центрирования [мм] : 75
Минимальная толщина [мм] : 18,4
Поверхность : с покрытием
Расположение/число отверстий : 5/6
Сторона установки : Задний мост
Тип тормозного диска : вентилируемый
Толщина тормозного диска (мм) : 20
Показать больше свойств
Запросить цену
Тормозной диск
Вес [кг] : 10,46
Наружный диаметр [мм] : 324
необходимое количество : 2
Сторона установки : Передний мост
Тип тормозного диска : с внутренней вентиляцией
Толщина тормозного диска (мм) : 30
Число отверстий в диске колеса : 5
Показать больше свойств
Запросить цену
Тормозной диск
Высота [мм] : 63
Диаметр [мм] : 320
Диаметр центрирования [мм] : 75
Минимальная толщина [мм] : 18,4
Расположение/число отверстий : 5/6
Сторона установки : Задний мост
Тип тормозного диска : вентилируемый
Толщина тормозного диска (мм) : 20
Показать больше свойств
Запросить цену
Тормозной диск
Высота [мм] : 77
Диаметр [мм] : 310
Диаметр центрирования [мм] : 79
Минимальная толщина [мм] : 22,4
Поверхность : с покрытием
Расположение/число отверстий : 5/6
Сторона установки : Передний мост
Тип тормозного диска : вентилируемый
Толщина тормозного диска (мм) : 24
Показать больше свойств
Запросить цену
Тормозной диск
Высота [мм] : 77
Диаметр [мм] : 310
Диаметр центрирования [мм] : 79
Минимальная толщина [мм] : 22,4
Расположение/число отверстий : 5/6
Сторона установки : Передний мост
Тип тормозного диска : вентилируемый
Толщина тормозного диска (мм) : 24
Показать больше свойств
Запросить цену
Тормозной диск
Вес [кг] : 7,38
Высота [мм] : 63,3
Диаметр [мм] : 320
Диаметр центрирования [мм] : 74,5
Минимальная толщина [мм] : 18,4
Поверхность : с покрытием
Тип тормозного диска : вентилируемый
Толщина тормозного диска (мм) : 20
Число отверстий в диске колеса : 5
Показать больше свойств
Запросить цену
Тормозной диск
Вес [кг] : 8,12
Высота [мм] : 77,1
Диаметр [мм] : 310
Диаметр центрирования [мм] : 79
Минимальная толщина [мм] : 22,4
Поверхность : с покрытием
Тип тормозного диска : вентилируемый
Толщина тормозного диска (мм) : 24
Число отверстий в диске колеса : 5
Показать больше свойств
Запросить цену
Тормозной диск
Вес [кг] : 10,4
Высота [мм] : 77,9
Диаметр [мм] : 324
Диаметр центрирования [мм] : 79
для артикула № : 89011662 Bolt
Минимальная толщина [мм] : 28,4
Тип тормозного диска : вентилируемый
Толщина тормозного диска (мм) : 30
Число отверстий в диске колеса : 5
Показать больше свойств
Запросить цену
Тормозной диск
Вес [кг] : 8,163
Наружный диаметр [мм] : 310
необходимое количество : 2
Сторона установки : Передний мост
Тип тормозного диска : с внутренней вентиляцией
Толщина тормозного диска (мм) : 24
Число отверстий в диске колеса : 5
Показать больше свойств
Запросить цену
Тормозной диск
Вес [кг] : 7,44
Высота [мм] : 63
Диаметр [мм] : 320
Диаметр центрирования [мм] : 75
Количество отверстий : 5
Минимальная толщина [мм] : 18,4
проверочное значение : K.B.A.: 61209
Сторона установки : Задний мост
Тип тормозного диска : вентилируемый
Толщина тормозного диска (мм) : 20
Показать больше свойств
Запросить цену
Тормозной диск
Вес [кг] : 8,12
Высота [мм] : 77,1
Диаметр [мм] : 310
Диаметр центрирования [мм] : 79
для артикула № : 89011662 Bolt
Минимальная толщина [мм] : 22,4
Тип тормозного диска : вентилируемый
Толщина тормозного диска (мм) : 24
Число отверстий в диске колеса : 5
Показать больше свойств
Запросить цену
Тормозной диск
Внутренний диаметр : 185
Высота [мм] : 86,1
Диаметр [мм] : 320
Диаметр отверстия [мм] : 14,5
Диаметр фаски 2 [мм] : 120
Диаметр центрирования [мм] : 75
Количество отверстий : 5
Минимальная толщина [мм] : 18,4
Тип тормозного диска : вентилируемый
Толщина тормозного диска (мм) : 20
Показать больше свойств
Запросить цену
Тормозной диск
Вес [кг] : 10,75
Высота [мм] : 77
Диаметр [мм] : 324
Диаметр ступицы 1 [мм] : 79
Минимальная толщина [мм] : 27
Тип тормозного диска : вентилируемый
Толщина тормозного диска (мм) : 30
Число отверстий в диске колеса : 5
Показать больше свойств
Запросить цену
Тормозной диск
Вес [кг] : 8,58
Высота [мм] : 77,1
Диаметр [мм] : 310
Диаметр ступицы 1 [мм] : 79
Минимальная толщина [мм] : 22
Тип тормозного диска : вентилируемый
Толщина тормозного диска (мм) : 23,9
Число отверстий в диске колеса : 5
Показать больше свойств
Запросить цену
Тормозной диск
Вес [кг] : 8,23
Высота [мм] : 77,1
Диаметр [мм] : 310
Диаметр ступицы 1 [мм] : 79
Минимальная толщина [мм] : 22
Тип тормозного диска : вентилируемый
Толщина тормозного диска (мм) : 23,9
Число отверстий в диске колеса : 5
Показать больше свойств
Запросить цену
Тормозной диск
Сторона установки : Задний мост
Запросить цену
Тормозной диск
Внутренний диаметр : 161
Высота [мм] : 77
Диаметр [мм] : 310
Диаметр отверстия [мм] : 14,5
Диаметр фаски 2 [мм] : 120
Диаметр центрирования [мм] : 79
Количество отверстий : 5
Минимальная толщина [мм] : 22,4
Сторона установки : Передний мост
Толщина тормозного диска (мм) : 24
Показать больше свойств
Запросить цену
Тормозной диск
Высота [мм] : 63,2
Диаметр [мм] : 345
Диаметр ступицы 1 [мм] : 75
Минимальная толщина [мм] : 22,4
Сторона установки : Задний мост
Тип тормозного диска : вентилируемый
Толщина тормозного диска (мм) : 24
Число отверстий в диске колеса : 5
Показать больше свойств
Запросить цену
Тормозной диск
Ø отверстия 1 [мм] : 14,65
Ø отверстия 2 [мм] : 12,7
Внутренний диаметр : 185
Высота [мм] : 63,2
Диаметр [мм] : 320
Диаметр отверстия [мм] : 14,5
Диаметр фаски 2 [мм] : 120
Диаметр центрирования [мм] : 75
Количество отверстий : 5
Минимальная толщина [мм] : 18,4
Обработка : Высокоуглеродистый
Поверхность : с покрытием
Сторона установки : Задний мост
Тип тормозного диска : вентилируемый
Толщина тормозного диска (мм) : 20
Число отверстий в диске колеса : 5
Показать больше свойств
Запросить цену
Тормозной диск
Вес [кг] : 10,4
Высота [мм] : 77,2
Диаметр [мм] : 324
Диаметр центрирования [мм] : 79
Количество отверстий : 5
Минимальная толщина [мм] : 27
проверочное значение : K.B.A.: 61209
Сторона установки : Передний мост
Тип тормозного диска : вентилируемый
Толщина тормозного диска (мм) : 30
Показать больше свойств
Запросить цену
Тормозной диск
Ø отверстия 1 [мм] : 14,65
Ø отверстия 2 [мм] : 12,7
Внутренний диаметр : 161
Высота [мм] : 77
Диаметр [мм] : 310
Диаметр отверстия [мм] : 14,5
Диаметр фаски 2 [мм] : 120
Диаметр центрирования [мм] : 79
Количество отверстий : 5
Минимальная толщина [мм] : 22,4
Обработка : Высокоуглеродистый
Поверхность : с покрытием
Сторона установки : Передний мост
Тип тормозного диска : вентилируемый
Толщина тормозного диска (мм) : 24
Число отверстий в диске колеса : 5
Показать больше свойств
Запросить цену
Тормозной диск
Ø отверстия 1 [мм] : 14,65
Ø отверстия 2 [мм] : 12,7
Внутренний диаметр : 165
Высота [мм] : 77
Диаметр [мм] : 324
Диаметр отверстия [мм] : 14,5
Диаметр фаски 2 [мм] : 120
Диаметр центрирования [мм] : 79
Количество отверстий : 5
Минимальная толщина [мм] : 28,4
Обработка : Высокоуглеродистый
Поверхность : с покрытием
Сторона установки : Передний мост
Тип тормозного диска : вентилируемый
Толщина тормозного диска (мм) : 30
Число отверстий в диске колеса : 5
Показать больше свойств
Запросить цену
Тормозной диск
Внутренний диаметр : 185
Высота [мм] : 63,2
Диаметр [мм] : 320
Диаметр отверстия [мм] : 14,5
Диаметр фаски 2 [мм] : 120
Диаметр центрирования [мм] : 75
Количество отверстий : 5
Минимальная толщина [мм] : 18,4
Обработка : Высокоуглеродистый
Тип тормозного диска : вентилируемый
Толщина тормозного диска (мм) : 20
Показать больше свойств
Запросить цену
Тормозной диск
Вес [кг] : 15.460
Высота [мм] : 61
Диаметр [мм] : 320
Диаметр ступицы колеса [мм] : 75
Диаметр фаски 2 [мм] : 120
Исполнение моста : Rear
Минимальная толщина [мм] : 18,4
Номер технической информации : 78BD3215-2
Расположение/число отверстий : 5
Тип тормоза : Дисковой механизм
Тип тормозного диска : вентилируемый
Толщина [мм] : 20
Показать больше свойств
Запросить цену
Тормозной диск
Вес [кг] : 10,4
Высота [мм] : 77,2
Диаметр [мм] : 324
Диаметр центрирования [мм] : 79
Количество отверстий : 5
Минимальная толщина [мм] : 27
проверочное значение : K.B.A.: 61209
Сторона установки : Передний мост
Тип тормозного диска : вентилируемый
Толщина тормозного диска (мм) : 30
Показать больше свойств
Запросить цену
Тормозной диск
Вес [кг] : 8,18
Высота [мм] : 77,1
Диаметр [мм] : 309,8
Диаметр центрирования [мм] : 79
Количество отверстий : 5
Минимальная толщина [мм] : 22,4
проверочное значение : K.B.A.: 61209
Сторона установки : Передний мост
Тип тормозного диска : вентилируемый
Толщина тормозного диска (мм) : 24
Показать больше свойств
Запросить цену
Тормозной диск
Вес [кг] : 7,38
Высота [мм] : 63,3
Диаметр [мм] : 320
Диаметр центрирования [мм] : 74,5
Минимальная толщина [мм] : 18,4
Тип тормозного диска : вентилируемый
Толщина тормозного диска (мм) : 20
Число отверстий в диске колеса : 5
Показать больше свойств
Запросить цену
Тормозной диск
Диаметр [мм] : 324
Количество отверстий : 5
Минимальная толщина [мм] : 28,4
Поверхность : с покрытием
Тип тормозного диска : вентилируемый
Толщина тормозного диска (мм) : 30
Показать больше свойств
Запросить цену
Тормозной диск
Вес [кг] : 21,11
Высота [мм] : 77
Диаметр [мм] : 324
Диаметр центрирования [мм] : 79
Дополнительный артикул / дополнительная информация 2 : с винтами
Количество отверстий : 5
Минимальная толщина [мм] : 28,4
Сторона установки : Передний мост
Тип тормозного диска : вентилируемый
Толщина тормозного диска (мм) : 30
Показать больше свойств
Запросить цену
Тормозной диск
Высота [мм] : 77
Диаметр [мм] : 310
Диаметр центрирования [мм] : 79
для артикула № : 09.9173.75
Дополнительный артикул / дополнительная информация 2 : с винтами
Количество отверстий : 5
Минимальная толщина [мм] : 22,4
Момент затяжки [Нм] : 120
Обработка : Высокоуглеродистый
Поверхность : с покрытием
Тип тормозного диска : с внутренней вентиляцией
Толщина тормозного диска (мм) : 24
Показать больше свойств
Запросить цену
Тормозной диск
Глубина [мм] : 77
Диаметр [мм] : 310
Диаметр центрирования [мм] : 79,04
Количество отверстий : 5
Минимальная толщина [мм] : 22,4
Тип сборки : закреплено болтами / шурупами
Тип тормозного диска : вентилируемый
Толщина тормозного диска (мм) : 24
Показать больше свойств
Запросить цену
Тормозной диск
Вес [кг] : 7,55
Высота [мм] : 63
Диаметр [мм] : 320
Диаметр фаски 2 [мм] : 120
Диаметр центрирования [мм] : 75
Дополнительный артикул / дополнительная информация 2 : без ступицы
Минимальная толщина [мм] : 18,4
Расположение/число отверстий : 05/06
Тип тормозного диска : с внешней вентиляцией
Толщина тормозного диска (мм) : 20
Показать больше свойств
Запросить цену
Тормозной диск
Вес [кг] : 10
Высота [мм] : 77,2
Диаметр [мм] : 324
Диаметр фаски 2 [мм] : 120
Диаметр центрирования [мм] : 79
Дополнительный артикул / дополнительная информация 2 : без ступицы
Минимальная толщина [мм] : 28,4
Расположение/число отверстий : 05/06
Тип тормозного диска : с внутренней вентиляцией
Толщина тормозного диска (мм) : 30
Показать больше свойств
Запросить цену
Тормозной диск
Вес [кг] : 8,51
Высота [мм] : 77
Диаметр [мм] : 310
Диаметр фаски 2 [мм] : 120
Диаметр центрирования [мм] : 79
Дополнительный артикул / дополнительная информация 2 : без ступицы
Минимальная толщина [мм] : 22,4
Расположение/число отверстий : 05/06
Тип тормозного диска : с внутренней вентиляцией
Толщина тормозного диска (мм) : 24
Показать больше свойств
Запросить цену
Тормозной диск
Высота [мм] : 61
Диаметр [мм] : 320
Диаметр центрирования [мм] : 75
для артикула № : 09.9425.75
Дополнительный артикул / дополнительная информация 2 : с винтами
Количество отверстий : 5
Минимальная толщина [мм] : 18,4
Момент затяжки [Нм] : 120
Обработка : Высокоуглеродистый
Поверхность : с покрытием
Тип тормозного диска : с внутренней вентиляцией
Толщина тормозного диска (мм) : 20
Показать больше свойств
Запросить цену
Тормозной диск
Высота [мм] : 61
Диаметр [мм] : 320
Диаметр центрирования [мм] : 75
для артикула № : 09.9425.1X
Дополнительный артикул / дополнительная информация 2 : с винтами
Количество отверстий : 5
Минимальная толщина [мм] : 18,6
Момент затяжки [Нм] : 120
Обработка : Высокоуглеродистый
Поверхность : с покрытием
Тип тормозного диска : с отверстиями/с внутр. вентиляцией
Толщина тормозного диска (мм) : 20
Показать больше свойств
Запросить цену
Тормозной диск
Высота [мм] : 77
Диаметр [мм] : 310
Диаметр центрирования [мм] : 79
для артикула № : 09.9173.14
Дополнительный артикул / дополнительная информация 2 : с винтами
Количество отверстий : 5
Минимальная толщина [мм] : 22,4
Момент затяжки [Нм] : 120
Обработка : Высокоуглеродистый
Тип тормозного диска : с внутренней вентиляцией
Толщина тормозного диска (мм) : 24
Показать больше свойств
Запросить цену
Тормозной диск
вариант оснащения : mit Korrosionsschutz
Высота [мм] : 77
Диаметр [мм] : 324
Диаметр центрирования [мм] : 79
Дополнительный артикул / дополнительная информация 2 : С комлектом установочных винтов
Количество отверстий : 5
Минимальная толщина [мм] : 28,4
Момент затяжки [Нм] : 120
Обработка : Высокоуглеродистый
Тип тормозного диска : с внутренней вентиляцией
Толщина тормозного диска (мм) : 30
Показать больше свойств
Запросить цену
Тормозной диск
Высота [мм] : 77
Диаметр [мм] : 310
Диаметр центрирования [мм] : 79
для артикула № : 09.9173.11
Дополнительный артикул / дополнительная информация 2 : с винтами
Количество отверстий : 5
Минимальная толщина [мм] : 22,4
Момент затяжки [Нм] : 120
Обработка : Высокоуглеродистый
Поверхность : с покрытием
Тип тормозного диска : с внутренней вентиляцией
Толщина тормозного диска (мм) : 24
Показать больше свойств
Запросить цену
Тормозной диск
Высота [мм] : 77
Диаметр [мм] : 324
Диаметр центрирования [мм] : 79
для артикула № : 09.9172.14
Дополнительный артикул / дополнительная информация 2 : с винтами
Количество отверстий : 5
Минимальная толщина [мм] : 28,4
Момент затяжки [Нм] : 120
Обработка : Высокоуглеродистый
Тип тормозного диска : с внутренней вентиляцией
Толщина тормозного диска (мм) : 30
Показать больше свойств
Запросить цену
Тормозной диск
Вес [кг] : 7,56
Высота [мм] : 61
Диаметр [мм] : 320
Диаметр центрирования [мм] : 75
Дополнительный артикул / дополнительная информация 2 : с винтами
Количественная единица : штука
Количество отверстий : 5
Минимальная толщина [мм] : 18,4
Поверхность : с покрытием
Сторона установки : Задний мост
Тип тормозного диска : вентилируемый
Толщина тормозного диска (мм) : 20
Показать больше свойств
Запросить цену
Тормозной диск
Вес [кг] : 15,11
Высота [мм] : 61
Диаметр [мм] : 320
Диаметр центрирования [мм] : 75
Дополнительный артикул / дополнительная информация 2 : с винтами
Количество отверстий : 5
Минимальная толщина [мм] : 18,4
Сторона установки : Задний мост
Тип тормозного диска : вентилируемый
Толщина тормозного диска (мм) : 20
Показать больше свойств
Запросить цену
Тормозной диск
Вес [кг] : 10,56
Высота [мм] : 77
Диаметр [мм] : 324
Диаметр центрирования [мм] : 79
Дополнительный артикул / дополнительная информация 2 : с винтами
Количественная единица : штука
Количество отверстий : 5
Минимальная толщина [мм] : 28,4
Поверхность : с покрытием
Сторона установки : Передний мост
Тип тормозного диска : вентилируемый
Толщина тормозного диска (мм) : 30
Показать больше свойств
Запросить цену
Тормозной диск
Вес [кг] : 21,11
Высота [мм] : 77
Диаметр [мм] : 324
Диаметр фаски 2 [мм] : 0
Диаметр центрирования [мм] : 79
Дополнительный артикул / дополнительная информация 2 : с винтами
Количественная единица : комплект
Количество отверстий : 5
Минимальная толщина [мм] : 28,4
Момент затяжки [Нм] : 100
Поверхность : с покрытием
Сторона установки : Передний мост
Тип тормозного диска : вентилируемый
Толщина тормозного диска (мм) : 30
Показать больше свойств
Запросить цену
Тормозной диск
Глубина [мм] : 63,2
Диаметр [мм] : 320
Диаметр центрирования [мм] : 75,04
Количество отверстий : 5
Минимальная толщина [мм] : 18,4
Тип сборки : закреплено болтами / шурупами
Тип тормозного диска : вентилируемый
Толщина тормозного диска (мм) : 20
Показать больше свойств
Запросить цену
Тормозной диск
вариант оснащения : mit Korrosionsschutz
Высота [мм] : 77
Диаметр [мм] : 310
Диаметр центрирования [мм] : 79
Дополнительный артикул / дополнительная информация 2 : С комлектом установочных винтов
Количество отверстий : 5
Минимальная толщина [мм] : 22,4
Момент затяжки [Нм] : 79
Обработка : Высокоуглеродистый
Тип тормозного диска : с внутренней вентиляцией
Толщина тормозного диска (мм) : 24
Показать больше свойств
Запросить цену
Тормозной диск
Высота [мм] : 77,9
Диаметр [мм] : 324
Диаметр центрирования [мм] : 79
Количество отверстий : 5
Минимальная толщина [мм] : 28,4
Тип тормозного диска : вентилируемый
Толщина тормозного диска (мм) : 30
Показать больше свойств
Запросить цену
Тормозной диск
Высота [мм] : 77
Диаметр [мм] : 324
Диаметр фаски 2 [мм] : 79
Количество отверстий : 5
Минимальная толщина [мм] : 28,4
Момент затяжки [Нм] : 120
Толщина тормозного диска (мм) : 30
Показать больше свойств
Запросить цену
Тормозной диск
Диаметр [мм] : 320
Количество отверстий : 5
Минимальная толщина [мм] : 18,4
Поверхность : с покрытием
Тип тормозного диска : вентилируемый
Толщина тормозного диска (мм) : 20
Показать больше свойств
Запросить цену
Тормозной диск
Высота [мм] : 63,3
Диаметр [мм] : 320
Диаметр центрирования [мм] : 74,5
Количество отверстий : 5
Минимальная толщина [мм] : 18,4
Тип тормозного диска : вентилируемый
Толщина тормозного диска (мм) : 20
Показать больше свойств
Запросить цену
Тормозной диск
Диаметр [мм] : 310
Количество отверстий : 5
Минимальная толщина [мм] : 22,4
Поверхность : с покрытием
Тип тормозного диска : вентилируемый
Толщина тормозного диска (мм) : 24
Показать больше свойств
Запросить цену
Тормозной диск
Высота [мм] : 77
Диаметр [мм] : 310
Диаметр центрирования [мм] : 79
Количество отверстий : 5
Минимальная толщина [мм] : 22,4
Тип тормозного диска : вентилируемый
Толщина тормозного диска (мм) : 24
Показать больше свойств
Запросить цену
Тормозной диск
Вес [кг] : 7,330
Диаметр фаски 2 [мм] : 120
Минимальная толщина [мм] : 18,4
Наружный диаметр [мм] : 320
необходимое количество : 2
Сторона установки : Задний мост
Тип тормозного диска : с внутренней вентиляцией
Толщина тормозного диска (мм) : 20
Число отверстий в диске колеса : 5
Показать больше свойств
Запросить цену
Тормозной диск
Высота [мм] : 77
Диаметр [мм] : 310
Диаметр фаски 2 [мм] : 79
Количество отверстий : 5
Минимальная толщина [мм] : 22,4
Момент затяжки [Нм] : 120
Толщина тормозного диска (мм) : 24
Показать больше свойств
Запросить цену
Тормозной диск
Высота [мм] : 61
Диаметр [мм] : 320
Диаметр фаски 2 [мм] : 75
Количество отверстий : 5
Минимальная толщина [мм] : 18,4
Момент затяжки [Нм] : 120
Обработка : Высокоуглеродистый
Толщина тормозного диска (мм) : 20
Показать больше свойств
Запросить цену
Тормозной диск
вариант оснащения : mit Korrosionsschutz
Высота [мм] : 61
Диаметр [мм] : 320
Диаметр центрирования [мм] : 75
Дополнительный артикул / дополнительная информация 2 : С комлектом установочных винтов
Количество отверстий : 5
Минимальная толщина [мм] : 18,4
Момент затяжки [Нм] : 120
Обработка : Высокоуглеродистый
Тип тормозного диска : с внутренней вентиляцией
Толщина тормозного диска (мм) : 20
Показать больше свойств
Запросить цену
Тормозной диск
Высота [мм] : 77
Диаметр [мм] : 310
Диаметр фаски 2 [мм] : 79
Количество отверстий : 5
Минимальная толщина [мм] : 22,4
Момент затяжки [Нм] : 120
Обработка : Высокоуглеродистый
Поверхность : с покрытием
Толщина тормозного диска (мм) : 24
Показать больше свойств
Запросить цену
Тормозной диск
Высота [мм] : 77
Диаметр [мм] : 310
Диаметр фаски 2 [мм] : 79
Количество отверстий : 5
Минимальная толщина [мм] : 22,4
Момент затяжки [Нм] : 120
Обработка : Высокоуглеродистый
Толщина тормозного диска (мм) : 24
Показать больше свойств
Запросить цену
Тормозной диск
Высота [мм] : 77
Диаметр [мм] : 324
Диаметр фаски 2 [мм] : 79
Количество отверстий : 5
Минимальная толщина [мм] : 28,4
Момент затяжки [Нм] : 120
Обработка : Высокоуглеродистый
Толщина тормозного диска (мм) : 30
Показать больше свойств
Запросить цену
Тормозной диск
вариант оснащения : beschichtet
Высота [мм] : 76,9
Диаметр [мм] : 309,7
Диаметр центрирования [мм] : 79
Дополнительный артикул / дополнительная информация 2 : С комлектом установочных винтов
Количество отверстий : 5
Минимальная толщина [мм] : 22,4
Момент затяжки [Нм] : 79
Обработка : Высокоуглеродистый
Тип тормозного диска : с внутренней вентиляцией
Толщина тормозного диска (мм) : 24
Показать больше свойств
Запросить цену
Тормозной диск
вариант оснащения : beschichtet
Высота [мм] : 63,1
Диаметр [мм] : 319,8
Диаметр центрирования [мм] : 75
Дополнительный артикул / дополнительная информация 2 : С комлектом установочных винтов
Количество отверстий : 5
Минимальная толщина [мм] : 18,4
Момент затяжки [Нм] : 120
Обработка : Высокоуглеродистый
Тип тормозного диска : с внутренней вентиляцией
Толщина тормозного диска (мм) : 19,9
Показать больше свойств
Запросить цену
Тормозной диск
вариант оснащения : beschichtet
Высота [мм] : 77,2
Диаметр [мм] : 323,8
Диаметр центрирования [мм] : 79
Дополнительный артикул / дополнительная информация 2 : С комлектом установочных винтов
Количество отверстий : 5
Минимальная толщина [мм] : 28,4
Момент затяжки [Нм] : 120
Обработка : Высокоуглеродистый
Тип тормозного диска : с внутренней вентиляцией
Толщина тормозного диска (мм) : 30
Показать больше свойств
Запросить цену
Тормозной диск
Высота [мм] : 61
Диаметр [мм] : 320
Диаметр ступицы колеса [мм] : 75
Диаметр фаски 2 [мм] : 120
Исполнение моста : Rear
Минимальная толщина [мм] : 18,4
Номер технической информации : 78RBD23215
Расположение/число отверстий : 5
Тип тормоза : Дисковой механизм
Тип тормозного диска : вентилируемый
Толщина [мм] : 20
Показать больше свойств
Запросить цену