Внешнее зацепление со стороны колеса : 28Внутренне зубчатое соединение со стороны колеса : 32Диаметр прокладки [мм] : 64Длина [мм] : 149Число зубцов кольца ABS : 50
Показать больше свойств
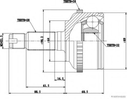
Внешнее зацепление со стороны колеса : 28Внутренне зубчатое соединение со стороны колеса : 32Диаметр прокладки [мм] : 64Длина 1 [мм] : 88,5Наружная резьба [мм] : 24 X 1,5Общая длина [мм] : 149Число зубцов кольца ABS : 50
Показать больше свойств
Внешнее зацепление со стороны колеса : 28Внутренне зубчатое соединение со стороны колеса : 32Диаметр прокладки [мм] : 64Сторона установки : со стороны колесаТип соединения / сочленения : Шарнир равных угловых скоростей
Показать больше свойств
Внешнее зацепление со стороны колеса : 28Внутренне зубчатое соединение со стороны колеса : 32Диаметр прокладки [мм] : 64Длина [мм] : 149,5Сторона установки : со стороны колесаЧисло зубцов кольца ABS : 50
Показать больше свойств
Внешнее зацепление со стороны колеса : 28Внутренне зубчатое соединение со стороны колеса : 32Диаметр прокладки [мм] : 64Длина 1 [мм] : 89Длина 2 [мм] : 60Длина [мм] : 149Сторона установки : со стороны колесаЧисло зубцов кольца ABS : 50
Показать больше свойств
Внешнее зацепление со стороны колеса : 28Внутренне зубчатое соединение со стороны колеса : 32Диаметр прокладки [мм] : 64Материал : резинамеханически обработанный : с нарезкой / выемкой во внутренней частиНаружный диаметр [мм] : 98Число зубцов кольца ABS : 50
Показать больше свойств
Вес [кг] : 2,596Внешнее зацепление со стороны колеса : 28Внутренне зубчатое соединение со стороны колеса : 32Диаметр прокладки [мм] : 64необходимое количество : 1Сторона установки : со стороны колеса
Показать больше свойств
Внешнее зацепление со стороны колеса : 28Внутренне зубчатое соединение со стороны колеса : 32Диаметр прокладки [мм] : 64Диаметр шарнира [мм] : 98Число зубцов кольца ABS : 50
Показать больше свойств
Внешнее зацепление со стороны колеса : 28Внутренне зубчатое соединение со стороны колеса : 32Сторона установки : со стороны колесаТормозная динамика / динамика движения : для автомобилей с ABSЧисло зубцов кольца ABS : 50
Показать больше свойств
Вес [кг] : 2,596Внешнее зацепление со стороны колеса : 28Внутренне зубчатое соединение со стороны колеса : 32Диаметр прокладки [мм] : 64необходимое количество : 1Сторона установки : со стороны колеса
Показать больше свойств
Внешнее зацепление со стороны колеса : 28Внутренне зубчатое соединение со стороны колеса : 32Диаметр прокладки [мм] : 64Длина [мм] : 149Число зубцов кольца ABS : 50
Показать больше свойств
Внешнее зацепление со стороны колеса : 28Внутренне зубчатое соединение со стороны колеса : 32Диаметр прокладки [мм] : 64Длина [мм] : 150,5Сторона установки : со стороны колесаЧисло зубцов кольца ABS : 50
Показать больше свойств
Внешнее зацепление со стороны колеса : 28Внутренне зубчатое соединение со стороны колеса : 32Диаметр прокладки [мм] : 64Длина 2 [мм] : 60,2Наружный диаметр [мм] : 89Сторона установки : со стороны колесаЧисло зубцов кольца ABS : 50
Показать больше свойств
Внешнее зацепление со стороны колеса : 28Внутренне зубчатое соединение со стороны колеса : 32Диаметр прокладки [мм] : 64Наружный диаметр [мм] : 98Тип соединения / сочленения : Шарнир равных угловых скоростейЧисло зубцов кольца ABS : 50
Показать больше свойств
Внешнее зацепление со стороны колеса : 28Внутренне зубчатое соединение со стороны колеса : 32Диаметр прокладки [мм] : 64Сторона установки : со стороны колесаЧисло зубцов кольца ABS : 50
Показать больше свойств
Внешнее зацепление со стороны колеса : 28Внутренне зубчатое соединение со стороны колеса : 32Диаметр прокладки [мм] : 64Наружный диаметр [мм] : 98Сторона установки : со стороны колесаТип соединения / сочленения : Шарнир равных угловых скоростейЧисло зубцов кольца ABS : 50
Показать больше свойств
Внешнее зацепление со стороны колеса : 28Внутренне зубчатое соединение со стороны колеса : 32Диаметр прокладки [мм] : 64Общая длина [мм] : 150,5Число зубцов кольца ABS : 50
Показать больше свойств
Внешнее зацепление со стороны колеса : 28Внутренне зубчатое соединение со стороны колеса : 32Диаметр прокладки [мм] : 64Общая длина [мм] : 150,5Сторона установки : со стороны колесаЧисло зубцов кольца ABS : 50
Показать больше свойств
Вес [кг] : 2,596Внешнее зацепление со стороны колеса : 28Внутренне зубчатое соединение со стороны колеса : 32Диаметр прокладки [мм] : 64необходимое количество : 1Сторона установки : со стороны колеса
Показать больше свойств
Внешнее зацепление со стороны колеса : 28Внутренне зубчатое соединение со стороны колеса : 32Диаметр прокладки [мм] : 64Длина 1 [мм] : 88,5Наружная резьба [мм] : 24 X 1,5Общая длина [мм] : 149Число зубцов кольца ABS : 50
Показать больше свойств
Внешнее зацепление со стороны колеса : 28Внутренне зубчатое соединение со стороны колеса : 32Диаметр прокладки [мм] : 64Общая длина [мм] : 150,5Число зубцов кольца ABS : 50
Показать больше свойств
Внешнее зацепление со стороны колеса : 28Внутренне зубчатое соединение со стороны колеса : 32Диаметр прокладки [мм] : 64Длина 1 [мм] : 88,5Наружная резьба [мм] : 24 X 1,5Общая длина [мм] : 149Число зубцов кольца ABS : 50
Показать больше свойств
Внешнее зацепление со стороны колеса : 28Внутренне зубчатое соединение со стороны колеса : 32Диаметр прокладки [мм] : 64Длина [мм] : 149Число зубцов кольца ABS : 50
Показать больше свойств
Внешнее зацепление со стороны колеса : 28Внутренне зубчатое соединение со стороны колеса : 32Диаметр [мм] : 97Диаметр прокладки [мм] : 64Кольцо-ABS, диам. [мм] : 72Общая высота [мм] : 146Число зубцов кольца ABS : 50
Показать больше свойств
Внешнее зацепление со стороны колеса : 28Внутренне зубчатое соединение со стороны колеса : 32Диаметр прокладки [мм] : 64механически обработанный : с нарезкой / выемкой во внутренней частиЧисло зубцов кольца ABS : 50
Показать больше свойств
Внешнее зацепление со стороны колеса : 28Внутренне зубчатое соединение со стороны колеса : 32Диаметр прокладки [мм] : 60механически обработанный : с нарезкой / выемкой во внутренней частиЧисло зубцов кольца ABS : 50
Показать больше свойств
Вес [кг] : 2,685Внешнее зацепление со стороны колеса : 28Внутренне зубчатое соединение со стороны колеса : 32Диаметр прокладки [мм] : 64Количество : 7Сторона установки : со стороны колесаЧисло зубцов кольца ABS : 50
Показать больше свойств
Внешнее зацепление со стороны колеса : 28Внутренне зубчатое соединение со стороны колеса : 32Диаметр прокладки [мм] : 64Длина [мм] : 150,5Сторона установки : со стороны колесаЧисло зубцов кольца ABS : 50
Показать больше свойств
Внешнее зацепление со стороны колеса : 28Внутренне зубчатое соединение со стороны колеса : 32Диаметр прокладки [мм] : 64Материал : резинамеханически обработанный : с нарезкой / выемкой во внутренней частиНаружный диаметр [мм] : 98Число зубцов кольца ABS : 50
Показать больше свойств
Внешнее зацепление со стороны колеса : 28Внутренне зубчатое соединение со стороны колеса : 32Диаметр прокладки [мм] : 64для артикула № : GHO5510KНаружный диаметр [мм] : 98Сторона установки : со стороны колесаЧисло зубцов кольца ABS : 50
Показать больше свойств
Внешнее зацепление со стороны колеса : 28Внутренне зубчатое соединение со стороны колеса : 32Диаметр прокладки [мм] : 64Общая длина [мм] : 149Число зубцов кольца ABS : 50
Показать больше свойств
Внешнее зацепление со стороны колеса : 28Внутренне зубчатое соединение со стороны колеса : 32Диаметр [мм] : 93Диаметр прокладки [мм] : 64Длина [мм] : 149,7Оснащение / оборудование : для автомобилей с четырьмя управляемыми колесамиРазмер резьбы : M24Сторона установки : со стороны колесаЧисло зубцов кольца ABS : 50
Показать больше свойств
Внешнее зацепление со стороны колеса : 28Внутренне зубчатое соединение со стороны колеса : 32Диаметр прокладки [мм] : 64Длина [мм] : 149Число зубцов кольца ABS : 50
Показать больше свойств
Внешнее зацепление со стороны колеса : 28Внутренне зубчатое соединение со стороны колеса : 32Диаметр прокладки [мм] : 64для артикула № : KHO551Наружный диаметр [мм] : 98Число зубцов кольца ABS : 50
Показать больше свойств
Внешнее зацепление со стороны колеса : 28Внутренне зубчатое соединение со стороны колеса : 32Диаметр прокладки [мм] : 64механически обработанный : с нарезкой / выемкой во внутренней частиНаружный диаметр [мм] : 98Число зубцов кольца ABS : 50
Показать больше свойств
Внешнее зацепление со стороны колеса : 28Внутренне зубчатое соединение со стороны колеса : 32Диаметр прокладки [мм] : 64Длина [мм] : 150,5Сторона установки : со стороны колесаЧисло зубцов кольца ABS : 50
Показать больше свойств
Внешнее зацепление со стороны колеса : 28Внутренне зубчатое соединение со стороны колеса : 32Диаметр прокладки [мм] : 64Наружный диаметр [мм] : 98Тип соединения / сочленения : Шарнир равных угловых скоростейЧисло зубцов кольца ABS : 50
Показать больше свойств
Внешнее зацепление со стороны колеса : 28Внутренне зубчатое соединение со стороны колеса : 32Диаметр прокладки [мм] : 64Наружный диаметр [мм] : 98Тип соединения / сочленения : Шарнир равных угловых скоростейЧисло зубцов кольца ABS : 50
Показать больше свойств
Внешнее зацепление со стороны колеса : 28Внутренне зубчатое соединение со стороны колеса : 32Диаметр прокладки [мм] : 64Число зубцов кольца ABS : 50
Показать больше свойств
Внешнее зацепление со стороны колеса : 28Внутренне зубчатое соединение со стороны колеса : 32Диаметр прокладки [мм] : 64Наружный диаметр [мм] : 89Приводной вал : с кольцом ABSСторона установки : со стороны колесаТип соединения / сочленения : Шарнир равных угловых скоростейЧисло зубцов кольца ABS : 50
Показать больше свойств
Внешнее зацепление со стороны колеса : 28Внутренне зубчатое соединение со стороны колеса : 32Диаметр прокладки [мм] : 64Число зубцов кольца ABS : 50
Показать больше свойств
Внешнее зацепление со стороны колеса : 25Внутренне зубчатое соединение со стороны колеса : 30Диаметр прокладки [мм] : 60Размер резьбы : M22Сторона установки : со стороны колесаЧисло зубцов кольца ABS : 50
Показать больше свойств
Внешнее зацепление со стороны колеса : 28Внутренне зубчатое соединение со стороны колеса : 32Диаметр [мм] : 86Диаметр прокладки [мм] : 64Длина [мм] : 145,2Размер резьбы : M24Сторона установки : со стороны колесаЧисло зубцов кольца ABS : 50
Показать больше свойств
Внешнее зацепление со стороны колеса : 28Внутренне зубчатое соединение со стороны колеса : 32Диаметр прокладки [мм] : 64Сторона установки : со стороны колесаЧисло зубцов кольца ABS : 50
Показать больше свойств
Внешнее зацепление со стороны колеса : 28Внутренне зубчатое соединение со стороны колеса : 32Диаметр прокладки [мм] : 64Длина [мм] : 150,5Сторона установки : со стороны колесаЧисло зубцов кольца ABS : 50
Показать больше свойств
Внешнее зацепление со стороны колеса : 28Внутренне зубчатое соединение со стороны колеса : 32Сторона установки : со стороны колесаЧисло зубцов кольца ABS : 50
Показать больше свойств
Внешнее зацепление со стороны колеса : 28Внутренне зубчатое соединение со стороны колеса : 32Диаметр прокладки [мм] : 64Диаметр шарнира [мм] : 89Длина [мм] : 149Кольцо-ABS, диам. [мм] : 98механически обработанный : без нарезки / выемки во внутренней частиРазмер резьбы : M24x1.5Сторона установки : со стороны колесаТип соединения / сочленения : Шарнир равных угловых скоростейЧисло зубцов кольца ABS : 50
Показать больше свойств
Внешнее зацепление со стороны колеса : 28Внутренне зубчатое соединение со стороны колеса : 32Диаметр прокладки [мм] : 64Число зубцов кольца ABS : 50
Показать больше свойств
Ø фланца [мм] : 64Внешнее зацепление со стороны колеса : 28Внутренне зубчатое соединение со стороны колеса : 32Кольцо-ABS, диам. [мм] : 98,2механически обработанный : с пазом во внутренней детали (внутри)Число зубцов кольца ABS : 50
Показать больше свойств
Внешнее зацепление со стороны колеса : 28Внутренне зубчатое соединение со стороны колеса : 32Диаметр прокладки [мм] : 64Диаметр шарнира [мм] : 89Длина [мм] : 149Кольцо-ABS, диам. [мм] : 98механически обработанный : без нарезки / выемки во внутренней частиРазмер резьбы : M24x1.5Сторона установки : со стороны колесаТип соединения / сочленения : Шарнир равных угловых скоростейЧисло зубцов кольца ABS : 50
Показать больше свойств
Внешнее зацепление со стороны колеса : 28Внутренне зубчатое соединение со стороны колеса : 32Диаметр 1 [мм] : 64Наружный диаметр [мм] : 98Сторона установки : со стороны колесаТип соединения / сочленения : Шарнир равных угловых скоростейЧисло зубцов кольца ABS : 50
Показать больше свойств
Вес [кг] : 2,7874Внешнее зацепление со стороны колеса : 28Внутренне зубчатое соединение со стороны колеса : 32Диаметр прокладки [мм] : 64Длина [мм] : 149Число зубцов кольца ABS : 50
Показать больше свойств
Вес [кг] : 2,9644Внешнее зацепление со стороны колеса : 28Внутренне зубчатое соединение со стороны колеса : 32Диаметр прокладки [мм] : 64Длина [мм] : 150,5Сторона установки : со стороны колесаЧисло зубцов кольца ABS : 50
Показать больше свойств
Внешнее зацепление со стороны колеса : 28Внутренне зубчатое соединение со стороны колеса : 32Диаметр прокладки [мм] : 64Наружный диаметр [мм] : 98Сторона установки : со стороны колесаТип соединения / сочленения : Шарнир "Трипод"Тормозная динамика / динамика движения : для автомобилей с ABSЧисло зубцов кольца ABS : 50
Показать больше свойств
Внешнее зацепление со стороны колеса : 28Внутренне зубчатое соединение со стороны колеса : 32Диаметр прокладки [мм] : 64Сторона установки : со стороны колесаЧисло зубцов кольца ABS : 50
Показать больше свойств
Внешнее зацепление со стороны колеса : 28Внутренне зубчатое соединение со стороны колеса : 32Диаметр прокладки [мм] : 64Длина [мм] : 149Число зубцов кольца ABS : 50
Показать больше свойств
Внешнее зацепление со стороны колеса : 28Внутренне зубчатое соединение со стороны колеса : 32Диаметр прокладки [мм] : 64Общая длина [мм] : 150,5Число зубцов кольца ABS : 50
Показать больше свойств