| 
				
									
							 | 
			
				
				
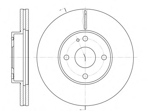
				Тормозной диск
				
				 
												Высота [мм] : 45
													Диаметр [мм] : 257
													Диаметр отверстия [мм] : 13
													Диаметр фаски 2 [мм] : 100
													Диаметр центрирования [мм] : 55
													Количество отверстий : 4
													Минимальная толщина [мм] : 20
													Сторона установки : Передний мост
													Тип тормозного диска : вентилируемый
													Толщина тормозного диска (мм) : 22
													 Показать больше свойств
										 					
			 | 
			
				
				
							
			 |  
		  
				  
			| 
				
									
							 | 
			
				
				
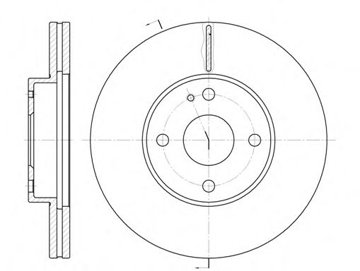
				Тормозной диск
				
				 
												Высота [мм] : 47
													Диаметр [мм] : 258
													Диаметр фаски 2 [мм] : 100
													Диаметр центрирования [мм] : 55
													Количество отверстий : 4
													Минимальная толщина [мм] : 22
													Размер резьбы : 12,9
													Тип тормозного диска : вентилируемый
													Толщина тормозного диска (мм) : 23
													 Показать больше свойств
										 					
			 | 
			
				
				
							
			 |  
		  
				  
			| 
				
									
							 | 
			
				
				
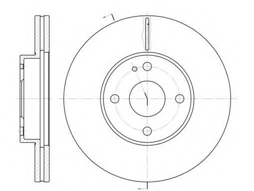
				Тормозной диск
				
				 
												Высота [мм] : 45
													Диаметр [мм] : 257
													Диаметр фаски 2 [мм] : 100
													Диаметр центрирования [мм] : 55
													Количество отверстий : 4
													Минимальная толщина [мм] : 20
													Поверхность : лакированный
													Размер резьбы : 13
													Тип тормозного диска : вентилируемый
													Толщина тормозного диска (мм) : 22
													Цвет : черный
													 Показать больше свойств
										 					
			 | 
			
				
				
							
			 |  
		  
				  
			| 
				
									
							 | 
			
				
				
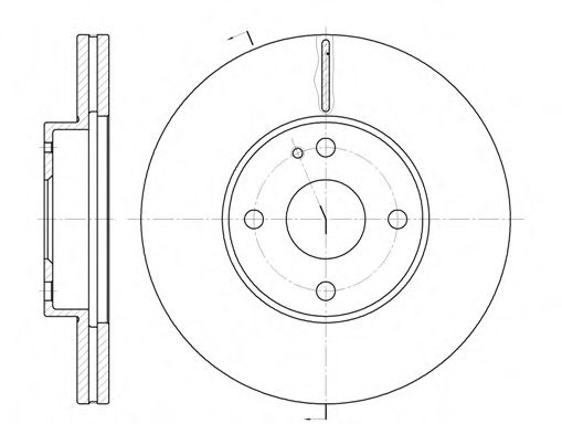
				Тормозной диск
				
				 
												Высота [мм] : 47
													Диаметр [мм] : 258
													Диаметр центрирования [мм] : 55
													для артикула № : M5840V
													Количество отверстий : 4
													Минимальная толщина [мм] : 22
													Тип тормозного диска : с внутренней вентиляцией
													Толщина тормозного диска (мм) : 24
													 Показать больше свойств
										 					
			 | 
			
				
				
							
			 |  
		  
				  
			| 
				
									
							 | 
			
				
				
				Тормозной диск
				
				 
												Высота [мм] : 47
													Диаметр фаски 2 [мм] : 100
													Диаметр центрирования [мм] : 55
													Количество отверстий : 4
													Минимальная толщина [мм] : 22
													Наружный диаметр [мм] : 257
													Сторона установки : Передний мост
													Тип тормозного диска : с внутренней вентиляцией
													Толщина тормозного диска (мм) : 24
													Число отверстий : 1
													 Показать больше свойств
										 					
			 | 
			
				
				
							
			 |  
		  
				  
			| 
				
									
							 | 
			
				
				
				Тормозной диск
				
				 
												Вес [кг] : 5,3
													Диаметр фаски 2 [мм] : 100
													Диаметр центрирования [мм] : 55
													Количество крепежных отверстий : 1
													Минимальная толщина [мм] : 20
													Наружный диаметр [мм] : 257
													необходимое количество : 1
													Сторона установки : Передний мост
													Тип тормозного диска : с внутренней вентиляцией
													Толщина [мм] : 45
													Толщина тормозного диска (мм) : 22
													Число отверстий в диске колеса : 4
													 Показать больше свойств
										 					
			 | 
			
				
				
							
			 |  
		  
				  
			| 
				
									
							 | 
			
				
				
				Тормозной диск
				
				 
												Высота [мм] : 45
													Диаметр [мм] : 257
													Диаметр центрирования [мм] : 55
													для артикула № : 19-3256
													Количество отверстий : 4
													Минимальная толщина [мм] : 20
													Тип тормозного диска : вентилируемый
													Толщина тормозного диска (мм) : 22
													 Показать больше свойств
										 					
			 | 
			
								 
										
			 |  
		  
				  
			| 
				
									
							 | 
			
				
				
				Тормозной диск
				
				 
												Высота [мм] : 45
													Диаметр [мм] : 257
													Диаметр центрирования [мм] : 55
													Минимальная толщина [мм] : 20
													Поверхность : с покрытием
													Тип тормозного диска : вентилируемый
													Толщина тормозного диска (мм) : 22
													Число отверстий в диске колеса : 4
													 Показать больше свойств
										 					
			 | 
			
								 
										
			 |  
		  
				  
			| 
				
									
							 | 
			
				
				
				Тормозной диск
				
				 
												Вес [кг] : 2,93
													Высота [мм] : 35,2
													Диаметр [мм] : 250,8
													Диаметр центрирования [мм] : 72
													Минимальная толщина [мм] : 8
													Поверхность : с покрытием
													Тип тормозного диска : полный
													Толщина тормозного диска (мм) : 9
													Число отверстий в диске колеса : 5
													 Показать больше свойств
										 					
			 | 
			
								 
										
			 |  
		  
				  
			| 
				
									
							 | 
			
				
				
				Тормозной диск
				
				 
												Вес [кг] : 4,4
													Высота [мм] : 45
													Диаметр [мм] : 235
													Диаметр центрирования [мм] : 55
													Количество отверстий : 4
													Минимальная толщина [мм] : 20
													проверочное значение : K.B.A.: 61209
													Сторона установки : Передний мост
													Тип тормозного диска : вентилируемый
													Толщина тормозного диска (мм) : 22
													 Показать больше свойств
										 					
			 | 
			
								 
										
			 |  
		  
				  
			| 
				
									
							 | 
			
				
				
				Тормозной диск
				
				 
												Высота [мм] : 45
													Диаметр [мм] : 257
													Диаметр фаски 2 [мм] : 100
													Диаметр центрирования [мм] : 55
													Количество отверстий : 4
													Минимальная толщина [мм] : 20
													Размер резьбы : 13
													Тип тормозного диска : вентилируемый
													Толщина тормозного диска (мм) : 22
													 Показать больше свойств
										 					
			 | 
			
								 
										
			 |  
		  
				  
			| 
				
									
							 | 
			
				
				
				Тормозной диск
				
				 
												Вес [кг] : 5,36
													Высота [мм] : 45
													Диаметр [мм] : 257
													Диаметр центрирования [мм] : 55
													Количество отверстий : 4
													Минимальная толщина [мм] : 20
													проверочное значение : K.B.A.: 61209
													Сторона установки : Передний мост
													Тип тормозного диска : вентилируемый
													Толщина тормозного диска (мм) : 22
													 Показать больше свойств
										 					
			 | 
			
								 
										
			 |  
		  
				  
			| 
				
									
							 | 
			
				
				
				Тормозной диск
				
				 
												Вес [кг] : 5,36
													Высота [мм] : 45
													Диаметр [мм] : 257
													Диаметр центрирования [мм] : 55
													Минимальная толщина [мм] : 20
													Тип тормозного диска : вентилируемый
													Толщина тормозного диска (мм) : 22
													Число отверстий в диске колеса : 4
													 Показать больше свойств
										 					
			 | 
			
								 
										
			 |  
		  
				  
			| 
				
									
							 | 
			
				
				
				Тормозной диск
				
				 
												Высота [мм] : 34,5
													Диаметр [мм] : 251
													Диаметр фаски 2 [мм] : 114,3
													Диаметр центрирования [мм] : 72
													Количество отверстий : 5
													Минимальная толщина [мм] : 8
													Размер резьбы : 13,0
													Тип тормозного диска : полный
													Толщина тормозного диска (мм) : 9
													 Показать больше свойств
										 					
			 | 
			
								 
										
			 |  
		  
				  
			| 
				
									
							 | 
			
				
				
				Тормозной диск
				
				 
												Высота [мм] : 47
													Диаметр [мм] : 258
													Диаметр фаски 2 [мм] : 100
													Диаметр центрирования [мм] : 55
													Количество отверстий : 4
													Минимальная толщина [мм] : 22
													Размер резьбы : 12,9
													Тип тормозного диска : вентилируемый
													Толщина тормозного диска (мм) : 23
													 Показать больше свойств
										 					
			 | 
			
								 
										
			 |  
		  
				  
			| 
				
									
							 | 
			
				
				
				Тормозной диск
				
				 
												Диаметр [мм] : 257
													Диаметр ступицы колеса [мм] : 55
													Минимальная толщина [мм] : 20
													Тип тормозного диска : с внутренней вентиляцией
													Толщина тормозного диска (мм) : 22
													Число отверстий : 4
													 Показать больше свойств
										 					
			 | 
			
								 
										
			 |  
		  
				  
			| 
				
									
							 | 
			
				
				
				Тормозной диск
				
				 
												Высота [мм] : 45
													Диаметр [мм] : 257
													Диаметр ступицы колеса [мм] : 55
													Минимальная толщина [мм] : 20
													Обработка : Высокоуглеродистый
													Тип тормозного диска : с внутренней вентиляцией
													Толщина тормозного диска (мм) : 22
													Число отверстий в диске колеса : 4
													 Показать больше свойств
										 					
			 | 
			
								 
										
			 |  
		  
				  
			| 
				
									
							 | 
			
				
				
				Тормозной диск
				
				 
												Высота [мм] : 45
													Диаметр фаски 2 [мм] : 100
													Диаметр центрирования [мм] : 55
													Количество отверстий : 4
													Минимальная толщина [мм] : 20
													Наружный диаметр [мм] : 257
													Сторона установки : Передний мост
													Тип тормозного диска : с внутренней вентиляцией
													Толщина тормозного диска (мм) : 22
													Число отверстий : 1
													 Показать больше свойств
										 					
			 | 
			
								 
										
			 |  
		  
				  
			| 
				
									
							 | 
			
				
				
				Тормозной диск
				
				 
												Внутренний диаметр : 55
													Высота [мм] : 45
													Количество крепежных отверстий : 1
													Количество отверстий : 4
													Наружный диаметр [мм] : 257
													Сторона установки : Передний мост
													Толщина тормозного диска (мм) : 22
													 Показать больше свойств
										 					
			 | 
			
								 
										
			 |  
		  
				  
			| 
				
									
							 | 
			
				
				
				Тормозной диск
				
				 
												Вес [кг] : 5,3
													Количество крепежных отверстий : 4
													Минимальная толщина [мм] : 20
													Наружный диаметр [мм] : 255
													необходимое количество : 1
													Сторона установки : Передний мост
													Тип тормозного диска : с внутренней вентиляцией
													Толщина [мм] : 45
													Толщина тормозного диска (мм) : 22
													Число отверстий в диске колеса : 1
													 Показать больше свойств
										 					
			 | 
			
								 
										
			 |  
		  
				  
			| 
				
									
							 | 
			
				
				
				Тормозной диск
				
				 
												Вес [кг] : 2,93
													Высота [мм] : 35,2
													Диаметр [мм] : 250,8
													Диаметр центрирования [мм] : 72
													Минимальная толщина [мм] : 8
													Тип тормозного диска : полный
													Толщина тормозного диска (мм) : 9
													Число отверстий в диске колеса : 5
													 Показать больше свойств
										 					
			 | 
			
								 
										
			 |  
		  
				  
			| 
				
									
							 | 
			
				
				
				Тормозной диск
				
				 
												Высота [мм] : 45
													Диаметр [мм] : 257
													Диаметр центрирования [мм] : 55
													для артикула № : BS 8212
													Количество отверстий : 4
													Минимальная толщина [мм] : 20
													Момент затяжки [Нм] : 103
													Тип тормозного диска : с внутренней вентиляцией
													Толщина тормозного диска (мм) : 22
													 Показать больше свойств
										 					
			 | 
			
								 
										
			 |  
		  
				  
			| 
				
									
							 | 
			
				
				
				Тормозной диск
				
				 
												Высота [мм] : 35
													Диаметр [мм] : 251
													Диаметр фаски 2 [мм] : 72
													Количество отверстий : 5
													Минимальная толщина [мм] : 8
													Сторона установки : Задний мост
													Тип тормозного диска : полный
													Толщина тормозного диска (мм) : 9
													 Показать больше свойств
										 					
			 | 
			
								 
										
			 |  
		  
				  
			| 
				
									
							 | 
			
				
				
				Тормозной диск
				
				 
												Высота [мм] : 34,9
													Диаметр [мм] : 250,4
													Диаметр фаски 2 [мм] : 72
													Минимальная толщина [мм] : 8
													Сторона установки : Задний мост
													Тип тормозного диска : полный
													Толщина тормозного диска (мм) : 9
													Число отверстий : 5
													 Показать больше свойств
										 					
			 | 
			
								 
										
			 |  
		  
				  
			| 
				
									
							 | 
			
				
				
				Тормозной диск
				
				 
												Вес [кг] : 3,1
													Высота [мм] : 34,5
													Диаметр [мм] : 250
													Диаметр ступицы 1 [мм] : 72
													Минимальная толщина [мм] : 8
													Тип тормозного диска : полный
													Толщина тормозного диска (мм) : 9
													Число отверстий в диске колеса : 5
													 Показать больше свойств
										 					
			 | 
			
								 
										
			 |  
		  
				  
			| 
				
									
							 | 
			
				
				
				Тормозной диск
				
				 
												Вес [кг] : 11,04
													Высота [мм] : 45
													Диаметр [мм] : 257
													Диаметр центрирования [мм] : 55
													Количество отверстий : 4
													Минимальная толщина [мм] : 20
													Сторона установки : Передний мост
													Тип тормозного диска : вентилируемый
													Толщина тормозного диска (мм) : 22
													 Показать больше свойств
										 					
			 | 
			
								 
										
			 |  
		  
				  
			| 
				
									
							 | 
			
				
				
				Тормозной диск
				
				 
												Вес [кг] : 5,39
													Высота [мм] : 45
													Диаметр [мм] : 257
													Диаметр центрирования [мм] : 55
													для артикула № : 142.860
													Количество отверстий : 4
													Минимальная толщина [мм] : 20
													Тип тормозного диска : с внутренней вентиляцией
													Толщина тормозного диска (мм) : 22
													 Показать больше свойств
										 					
			 | 
			
								 
										
			 |  
		  
				  
			| 
				
									
							 | 
			
				
				
				Тормозной диск
				
				 
												Высота [мм] : 45
													Диаметр [мм] : 257
													Диаметр ступицы [мм] : 135
													Диаметр фаски 2 [мм] : 100
													Диаметр центрирования [мм] : 55
													Количество отверстий : 4
													Минимальная толщина [мм] : 20
													Тип тормозного диска : с внутренней вентиляцией
													Толщина тормозного диска (мм) : 22
													 Показать больше свойств
										 					
			 | 
			
								 
										
			 |  
		  
				  
			| 
				
									
							 | 
			
				
				
				Тормозной диск
				
				 
												Высота [мм] : 34,5
													Диаметр [мм] : 251
													Диаметр ступицы [мм] : 154
													Диаметр фаски 2 [мм] : 114,3
													Диаметр центрирования [мм] : 72
													Количество отверстий : 5
													Минимальная толщина [мм] : 8
													Тип тормозного диска : полный
													Толщина тормозного диска (мм) : 9
													 Показать больше свойств
										 					
			 | 
			
								 
										
			 |  
		  
				  
			| 
				
									
							 | 
			
				
				
				Тормозной диск
				
				 
												Высота [мм] : 45
													Диаметр центрирования [мм] : 55
													Количество крепежных отверстий : 1
													Минимальная толщина [мм] : 20
													Наружный диаметр [мм] : 256
													Тип тормозного диска : вентилируемый
													Толщина тормозного диска (мм) : 22
													Число отверстий в диске колеса : 4
													 Показать больше свойств
										 					
			 | 
			
								 
										
			 |  
		  
				  
			| 
				
									
							 | 
			
				
				
				Тормозной диск
				
				 
												Высота [мм] : 45,4
													Диаметр [мм] : 256,8
													Диаметр фаски 2 [мм] : 55
													Минимальная толщина [мм] : 20
													Сторона установки : Передний мост
													Тип тормозного диска : вентилируемый
													Толщина тормозного диска (мм) : 22
													Число отверстий : 4
													 Показать больше свойств
										 					
			 | 
			
								 
										
			 |  
		  
				  
			| 
				
									
							 | 
			
				
				
				Тормозной диск
				
				 
												Диаметр [мм] : 257
													Расположение/число отверстий : 5/4
													Сторона установки : Передний мост
													Тип тормозного диска : вентилируемый
													Толщина тормозного диска (мм) : 22
													 Показать больше свойств
										 					
			 | 
			
								 
										
			 |  
		  
				  
			| 
				
									
							 | 
			
				
				
				Тормозной диск
				
				 
												Вес [кг] : 5,36
													Высота [мм] : 45
													Диаметр [мм] : 257
													Диаметр центрирования [мм] : 55
													Количество отверстий : 4
													Минимальная толщина [мм] : 20
													проверочное значение : K.B.A.: 61209
													Сторона установки : Передний мост
													Тип тормозного диска : вентилируемый
													Толщина тормозного диска (мм) : 22
													 Показать больше свойств
										 					
			 | 
			
								 
										
			 |  
		  
				  
			| 
				
									
							 | 
			
				
				
				Тормозной диск
				
				 
												Высота [мм] : 45
													Диаметр [мм] : 257
													Диаметр центрирования [мм] : 55
													Количество отверстий 1 : 4
													Количество отверстий 2 : 1
													Минимальная толщина [мм] : 20
													Сторона установки : Передний мост
													Тип тормозного диска : вентилируемый
													Толщина тормозного диска (мм) : 22
													 Показать больше свойств
										 					
			 | 
			
								 
										
			 |  
		  
				  
			| 
				
									
							 | 
			
				
				
				Тормозной диск
				
				 
												Высота [мм] : 34,5
													Диаметр [мм] : 251
													Диаметр центрирования [мм] : 72
													Количество отверстий 1 : 5
													Количество отверстий 2 : 1
													Минимальная толщина [мм] : 8
													Сторона установки : Задний мост
													Тип тормозного диска : полный
													Толщина тормозного диска (мм) : 9
													 Показать больше свойств
										 					
			 | 
			
								 
										
			 |  
		  
				  
			| 
				
									
							 | 
			
				
				
				Тормозной диск
				
				 
												Высота [мм] : 47
													Диаметр [мм] : 258
													Диаметр ступицы [мм] : 135
													Диаметр точек крепления [мм] : 100
													Диаметр фаски 2 [мм] : 13
													Диаметр центрирования [мм] : 55
													Количество отверстий 1 : 4
													Количество отверстий 2 : 1
													Сторона установки : Передний мост
													Тип тормозного диска : вентилируемый
													Толщина тормозного диска (мм) : 24
													 Показать больше свойств
										 					
			 | 
			
								 
										
			 |  
		  
				  
			| 
				
									
							 | 
			
				
				
				Тормозной диск
				
				 
												Высота [мм] : 45
													Диаметр [мм] : 257
													Диаметр фаски 2 [мм] : 100
													Диаметр центрирования [мм] : 55
													Количество отверстий : 4
													Минимальная толщина [мм] : 20
													Поверхность : лакированный
													Размер резьбы : 13
													Тип тормозного диска : вентилируемый
													Толщина тормозного диска (мм) : 22
													Цвет : черный
													 Показать больше свойств
										 					
			 | 
			
								 
										
			 |  
		  
				  
			| 
				
									
							 | 
			
				
				
				Тормозной диск
				
				 
												Высота [мм] : 47
													Диаметр [мм] : 258
													Диаметр фаски 2 [мм] : 100
													Диаметр центрирования [мм] : 55
													Количество отверстий : 4
													Минимальная толщина [мм] : 22
													Поверхность : лакированный
													Размер резьбы : 12,9
													Тип тормозного диска : вентилируемый
													Толщина тормозного диска (мм) : 23
													Цвет : черный
													 Показать больше свойств
										 					
			 | 
			
								 
										
			 |  
		  
				  
			| 
				
									
							 | 
			
				
				
				Тормозной диск
				
				 
												Высота [мм] : 34,5
													Диаметр [мм] : 251
													Диаметр фаски 2 [мм] : 114,3
													Диаметр центрирования [мм] : 72
													Количество отверстий : 5
													Минимальная толщина [мм] : 8
													Поверхность : лакированный
													Размер резьбы : 13,0
													Тип тормозного диска : полный
													Толщина тормозного диска (мм) : 9
													Цвет : черный
													 Показать больше свойств
										 					
			 | 
			
								 
										
			 |  
		  
				  
			| 
				
									
							 | 
			
				
				
				Тормозной диск
				
				 
												Высота [мм] : 45
													Диаметр [мм] : 257
													Диаметр центрирования [мм] : 55
													для артикула № : 24613 E
													Количество отверстий : 4
													Минимальная толщина [мм] : 20
													Момент затяжки [Нм] : 103
													Тип тормозного диска : с внутренней вентиляцией
													Толщина тормозного диска (мм) : 22
													 Показать больше свойств
										 					
			 | 
			
								 
										
			 |  
		  
				  
			| 
				
									
							 | 
			
				
				
				Тормозной диск
				
				 
												Вес [кг] : 4,4
													Высота [мм] : 45
													Диаметр [мм] : 235
													Диаметр центрирования [мм] : 55
													Количество отверстий : 4
													Минимальная толщина [мм] : 20
													проверочное значение : K.B.A.: 61209
													Сторона установки : Передний мост
													Тип тормозного диска : вентилируемый
													Толщина тормозного диска (мм) : 22
													 Показать больше свойств
										 					
			 | 
			
								 
										
			 |  
		  
				  
			| 
				
									
							 | 
			
				
				
				Тормозной диск
				
				 
												Высота [мм] : 45
													Диаметр [мм] : 257
													Диаметр центрирования [мм] : 55
													для артикула № : 628.1349
													Количество отверстий : 4
													Минимальная толщина [мм] : 20
													Тип тормозного диска : с внутренней вентиляцией
													Толщина тормозного диска (мм) : 22
													 Показать больше свойств
										 					
			 | 
			
								 
										
			 |  
		  
				  
			| 
				
									
							 | 
			
				
				
				Тормозной диск
				
				 
												Диаметр [мм] : 257
													Диаметр центрирования [мм] : 55
													для тормозного диска толщиной [мм] : 22
													Минимальная толщина [мм] : 20
													Общая высота [мм] : 45
													Расположение/число отверстий : 4H
													Тип тормозного диска : вентилируемый
													 Показать больше свойств
										 					
			 | 
			
								 
										
			 |  
		  
				  
			| 
				
									
							 | 
			
				
				
				Тормозной диск
				
				 
												Высота [мм] : 45
													Диаметр [мм] : 257
													Диаметр фаски 2 [мм] : 55
													Количество отверстий : 4
													Минимальная толщина [мм] : 20
													Сторона установки : Передний мост
													Тип тормозного диска : вентилируемый
													Толщина тормозного диска (мм) : 22
													 Показать больше свойств
										 					
			 | 
			
								 
										
			 |  
		  
				  
			| 
				
									
							 | 
			
				
				
				Тормозной диск
				
				 
												Вес [кг] : 5,52
													Высота [мм] : 45
													Диаметр [мм] : 257
													Диаметр центрирования [мм] : 55
													Количественная единица : штука
													Количество отверстий : 4
													Минимальная толщина [мм] : 20
													Сторона установки : Передний мост
													Тип тормозного диска : вентилируемый
													Толщина тормозного диска (мм) : 22
													 Показать больше свойств
										 					
			 | 
			
								 
										
			 |  
		  
				  
			| 
				
									
							 | 
			
				
				
				Тормозной диск
				
				 
												Внутренний диаметр : 124,7
													Высота [мм] : 47
													Диаметр [мм] : 257
													Диаметр фаски 2 [мм] : 100
													Диаметр центрирования [мм] : 55
													Количество отверстий : 4
													Минимальная толщина [мм] : 22
													Размер резьбы : 13
													Тип тормозного диска : с отверстиями
													Толщина тормозного диска (мм) : 24
													 Показать больше свойств
										 					
			 | 
			
								 
										
			 |  
		  
				  
			| 
				
									
							 | 
			
				
				
				Тормозной диск
				
				 
												Высота [мм] : 47
													Диаметр [мм] : 258
													Количество отверстий : 4
													Сторона установки : Передний мост
													Тип тормозного диска : вентилируемый
													Толщина тормозного диска (мм) : 24
													 Показать больше свойств
										 					
			 | 
			
								 
										
			 |  
		  
				  
			| 
				
									
							 | 
			
				
				
				Тормозной диск
				
				 
												Вес [кг] : 5,36
													Высота [мм] : 45
													Диаметр [мм] : 257
													Диаметр центрирования [мм] : 55
													Минимальная толщина [мм] : 20
													Тип тормозного диска : вентилируемый
													Толщина тормозного диска (мм) : 22
													Число отверстий в диске колеса : 4
													 Показать больше свойств
										 					
			 | 
			
								 
										
			 |  
		  
				  
			| 
				
									
							 | 
			
				
				
				Тормозной диск
				
				 
												Вес [кг] : 2,93
													Высота [мм] : 35,2
													Диаметр [мм] : 250,8
													Диаметр центрирования [мм] : 72
													Минимальная толщина [мм] : 8
													Тип тормозного диска : полный
													Толщина тормозного диска (мм) : 9
													Число отверстий в диске колеса : 5
													 Показать больше свойств
										 					
			 | 
			
								 
										
			 |  
		  
				  
			| 
				
									
							 | 
			
				
				
				Тормозной диск
				
				 
												Вес [кг] : 5,19
													Высота [мм] : 45,4
													Высота упаковки [см] : 11
													Диаметр [мм] : 256,8
													Диаметр фаски 2 [мм] : 55
													Длина упаковки [см] : 29
													Минимальная толщина [мм] : 20
													Сторона установки : Передний мост
													Тип тормозного диска : вентилируемый
													Толщина тормозного диска (мм) : 22
													Число отверстий : 4
													Ширина упаковки [см] : 27,5
													 Показать больше свойств
										 					
			 | 
			
								 
										
			 |  
		  
				  
			| 
				
									
							 | 
			
				
				
				Тормозной диск
				
				 
												Вес [кг] : 3,21
													Высота [мм] : 34,9
													Высота упаковки [см] : 13
													Диаметр [мм] : 250,4
													Диаметр фаски 2 [мм] : 72
													Длина упаковки [см] : 26
													Минимальная толщина [мм] : 8
													Сторона установки : Задний мост
													Тип тормозного диска : полный
													Толщина тормозного диска (мм) : 9
													Число отверстий : 5
													Ширина упаковки [см] : 26,5
													 Показать больше свойств
										 					
			 | 
			
								 
										
			 |  
		  
				  
			| 
				
									
							 | 
			
				
				
				Тормозной диск
				
				 
												Высота [мм] : 45
													Диаметр [мм] : 257
													Диаметр центрирования [мм] : 55
													Количество отверстий : 4
													Минимальная толщина [мм] : 20
													Тип тормозного диска : с внутренней вентиляцией
													Толщина тормозного диска (мм) : 22
													 Показать больше свойств
										 					
			 | 
			
								 
										
			 |  
		  
				  
			| 
				
									
							 | 
			
				
				
				Тормозной диск
				
				 
												Внутренний диаметр : 124,7
													Высота [мм] : 45
													Диаметр [мм] : 257
													Диаметр фаски 2 [мм] : 100
													Диаметр центрирования [мм] : 55
													Количество отверстий : 4
													Минимальная толщина [мм] : 20
													Размер резьбы : 13
													Тип тормозного диска : с отверстиями
													Толщина тормозного диска (мм) : 22
													 Показать больше свойств
										 					
			 | 
			
								 
										
			 |  
		  
				  
			| 
				
									
							 | 
			
				
				
				Тормозной диск
				
				 
												Высота [мм] : 45
													Диаметр [мм] : 257
													Диаметр фаски 2 [мм] : 100
													Диаметр центрирования [мм] : 55
													Количество отверстий : 4
													Минимальная толщина [мм] : 20
													Размер резьбы : 13
													Тип тормозного диска : с внутренней вентиляцией
													Толщина тормозного диска (мм) : 22
													 Показать больше свойств
										 					
			 | 
			
								 
										
			 |  
		  
				  
			| 
				
									
							 | 
			
				
				
				Тормозной диск
				
				 
												Высота [мм] : 47
													Диаметр [мм] : 258
													Диаметр фаски 2 [мм] : 100
													Диаметр центрирования [мм] : 55
													Количество отверстий : 4
													Минимальная толщина [мм] : 22
													Размер резьбы : 12,9
													Тип тормозного диска : с внутренней вентиляцией
													Толщина тормозного диска (мм) : 23
													 Показать больше свойств
										 					
			 | 
			
								 
										
			 |  
		  
				  
			| 
				
									
							 | 
			
				
				
				Тормозной диск
				
				 
												Высота [мм] : 34,5
													Диаметр [мм] : 251
													Диаметр фаски 2 [мм] : 114,3
													Диаметр центрирования [мм] : 72
													Количество отверстий : 5
													Минимальная толщина [мм] : 8
													Размер резьбы : 13,0
													Тип тормозного диска : полный
													Толщина тормозного диска (мм) : 9
													 Показать больше свойств
										 					
			 | 
			
								 
										
			 |  
		  
				  
			| 
				
									
							 | 
			
				
				
				Тормозной диск
				
				 
												Вес [кг] : 5,9
													Высота [мм] : 47
													Диаметр [мм] : 257,5
													Диаметр фаски 2 [мм] : 100
													Диаметр центрирования [мм] : 55
													Количество отверстий : 4
													Минимальная толщина [мм] : 22
													Размер резьбы : 13
													Сторона установки : Передний мост
													Тип тормозного диска : вентилируемый
													Толщина тормозного диска (мм) : 24
													 Показать больше свойств
										 					
			 | 
			
								 
										
			 |  
		  
				  
			| 
				
									
							 | 
			
				
				
				Тормозной диск
				
				 
												Внутренний диаметр : 125
													Высота [мм] : 45
													Диаметр [мм] : 257
													Диаметр отверстия [мм] : 13
													Диаметр фаски 2 [мм] : 100
													Диаметр центрирования [мм] : 55
													Количество отверстий : 4
													Минимальная толщина [мм] : 20
													Сторона установки : Передний мост
													Тип тормозного диска : вентилируемый
													Толщина тормозного диска (мм) : 22
													 Показать больше свойств
										 					
			 | 
			
								 
										
			 |  
		  
				  
			| 
				
									
							 | 
			
				
				
				Тормозной диск
				
				 
												Внутренний диаметр : 125
													Высота [мм] : 45
													Диаметр [мм] : 257
													Диаметр отверстия [мм] : 13
													Диаметр фаски 2 [мм] : 100
													Диаметр центрирования [мм] : 55
													Количество отверстий : 4
													Минимальная толщина [мм] : 20
													Сторона установки : Передний мост
													Тип тормозного диска : вентилируемый
													Толщина тормозного диска (мм) : 22
													 Показать больше свойств
										 					
			 | 
			
								 
										
			 |  
		  
				  
			| 
				
									
							 | 
			
				
				
				Тормозной диск
				
				 
												Внутренний диаметр : 125
													Высота [мм] : 45
													Диаметр [мм] : 257
													Диаметр отверстия [мм] : 13
													Диаметр фаски 2 [мм] : 100
													Диаметр центрирования [мм] : 55
													Количество отверстий : 4
													Минимальная толщина [мм] : 20
													Сторона установки : Передний мост
													Тип тормозного диска : вентилируемый
													Толщина тормозного диска (мм) : 22
													 Показать больше свойств
										 					
			 | 
			
								 
										
			 |  
		  
				  
			| 
				
									
							 | 
			
				
				
				Тормозной диск
				
				 
												Внутренний диаметр : 124,7
													Высота [мм] : 47
													Диаметр [мм] : 257
													Диаметр фаски 2 [мм] : 100
													Диаметр центрирования [мм] : 55
													Количество отверстий : 4
													Минимальная толщина [мм] : 22
													Размер резьбы : 13
													Тип тормозного диска : с внутренней вентиляцией
													Толщина тормозного диска (мм) : 24
													 Показать больше свойств
										 					
			 | 
			
								 
										
			 |  
		  
				  
			| 
				
									
							 | 
			
				
				
				Тормозной диск
				
				 
												Внутренний диаметр : 124,7
													Высота [мм] : 45
													Диаметр [мм] : 257
													Диаметр фаски 2 [мм] : 100
													Диаметр центрирования [мм] : 55
													Количество отверстий : 4
													Минимальная толщина [мм] : 20
													Размер резьбы : 13
													Тип тормозного диска : с внутренней вентиляцией
													Толщина тормозного диска (мм) : 22
													 Показать больше свойств
										 					
			 | 
			
								 
										
			 |  
		  
				  
			| 
				
									
							 | 
			
				
				
				Тормозной диск
				
				 
												Диаметр [мм] : 257,5
													Диаметр центрирования [мм] : 55
													для тормозного диска толщиной [мм] : 24
													Минимальная толщина [мм] : 22
													Общая высота [мм] : 47
													Расположение/число отверстий : 4H
													Тип тормозного диска : вентилируемый
													 Показать больше свойств
										 					
			 | 
			
								 
										
			 |  
		  
				  
			| 
				
									
							 | 
			
				
				
				Тормозной диск
				
				 
												Высота [мм] : 32
													Диаметр [мм] : 260
													Сторона установки : Передний мост
													Тип тормозного диска : с внутренней вентиляцией
													 Показать больше свойств
										 					
			 | 
			
								 
										
			 |  
		  
				  
			| 
				
									
							 | 
			
				
				
				Тормозной диск
				
				 
												Вес [кг] : 5,51
													Высота [мм] : 45
													Диаметр [мм] : 257
													Диаметр ступицы 1 [мм] : 55
													Диаметр фаски 2 [мм] : 100
													Минимальная толщина [мм] : 20
													Тип тормозного диска : вентилируемый
													Толщина тормозного диска (мм) : 22
													Число отверстий в диске колеса : 4
													 Показать больше свойств
										 					
			 | 
			
								 
										
			 |  
		  
				  
			| 
				
									
							 | 
			
				
				
				Тормозной диск
				
				 
												Диаметр [мм] : 250
													Диаметр центрирования [мм] : 72
													для тормозного диска толщиной [мм] : 9
													Минимальная толщина [мм] : 8
													Общая высота [мм] : 34,5
													Расположение/число отверстий : 5H
													Тип тормозного диска : полный
													 Показать больше свойств
										 					
			 | 
			
								 
										
			 |  
		  
				  
			| 
				
									
							 | 
			
				
				
				Тормозной диск
				
				 
												Высота [мм] : 45,4
													Диаметр [мм] : 256,8
													Диаметр фаски 2 [мм] : 55
													Минимальная толщина [мм] : 20
													Сторона установки : Передний мост
													Тип тормозного диска : вентилируемый
													Толщина тормозного диска (мм) : 22
													Число отверстий : 4
													 Показать больше свойств
										 					
			 | 
			
								 
										
			 |  
		  
				  
			| 
				
									
							 | 
			
				
				
				Тормозной диск
				
				 
												Высота [мм] : 34,9
													Диаметр [мм] : 250,4
													Диаметр фаски 2 [мм] : 72
													Минимальная толщина [мм] : 8
													Сторона установки : Задний мост
													Тип тормозного диска : полный
													Толщина тормозного диска (мм) : 9
													Число отверстий : 5
													 Показать больше свойств
										 					
			 | 
			
								 
										
			 |  
		  
				  
			| 
				
									
							 | 
			
				
				
				Тормозной диск
				
				 
												Высота [мм] : 47
													Диаметр [мм] : 257
													Диаметр центрирования [мм] : 55
													Количество отверстий : 4
													Материал : Серый чугун
													Минимальная толщина [мм] : 22
													Тип тормозного диска : вентилируемый
													Толщина [мм] : 24
													Толщина тормозного диска (мм) : 24
													 Показать больше свойств
										 					
			 | 
			
								 
										
			 |  
		  
				  
			| 
				
									
							 | 
			
				
				
				Тормозной диск
				
				 
												Внутренний диаметр : 125
													Высота [мм] : 45
													Диаметр [мм] : 257
													Диаметр отверстия [мм] : 13
													Диаметр фаски 2 [мм] : 100
													Диаметр центрирования [мм] : 55
													Количество отверстий : 4
													Минимальная толщина [мм] : 20
													Тип тормозного диска : вентилируемый
													Толщина тормозного диска (мм) : 22
													 Показать больше свойств
										 					
			 | 
			
								 
										
			 |  
		  
				  
			| 
				
									
							 | 
			
				
				
				Тормозной диск
				
				 
												Глубина [мм] : 35
													Диаметр [мм] : 251
													Диаметр центрирования [мм] : 72
													Количество отверстий : 5
													Минимальная толщина [мм] : 8
													Тип сборки : закреплено болтами / шурупами
													Тип тормозного диска : полный
													Толщина тормозного диска (мм) : 9
													 Показать больше свойств
										 					
			 | 
			
								 
										
			 |  
		  
				  
			| 
				
									
							 | 
			
				
				
				Тормозной диск
				
				 
												Диаметр [мм] : 255
													Диаметр фаски 2 [мм] : 55
													Количество отверстий : 4
													Сторона установки : Передний мост
													Тип тормозного диска : с внутренней вентиляцией
													 Показать больше свойств
										 					
			 | 
			
								 
										
			 |  
		  
				  
			| 
				
									
							 | 
			
				
				
				Тормозной диск
				
				 
												Высота [мм] : 34,5
													Диаметр [мм] : 251
													Диаметр фаски 2 [мм] : 114,3
													Диаметр центрирования [мм] : 72
													Количество отверстий : 5
													Минимальная толщина [мм] : 8
													Размер резьбы : 13,0
													Тип тормозного диска : с отверстиями
													Толщина тормозного диска (мм) : 9
													 Показать больше свойств
										 					
			 | 
			
								 
										
			 |  
		  
				  
			| 
				
									
							 | 
			
				
				
				Тормозной диск
				
				 
												Ø фаски 1 [мм] : 100
													Диаметр ступицы 1 [мм] : 55
													Количество отверстий : 4
													Сторона установки : Задний мост
													Тип тормозного диска : вентилируемый
													Толщина тормозного диска (мм) : 24
													 Показать больше свойств
										 					
			 | 
			
								 
										
			 |  
		  
				  
			| 
				
									
							 | 
			
				
				
				Тормозной диск
				
				 
												Высота [мм] : 45
													Диаметр [мм] : 257
													Диаметр центрирования [мм] : 55
													Количество отверстий : 4
													Минимальная толщина [мм] : 20
													Тип тормозного диска : с внутренней вентиляцией
													Толщина тормозного диска (мм) : 22
													 Показать больше свойств
										 					
			 | 
			
								 
										
			 |  
		  
				  
			| 
				
									
							 | 
			
				
				
				Тормозной диск
				
				 
												Диаметр центрирования [мм] : 72
													для тормозного диска диаметром [мм] : 251
													Количество крепежных отверстий : 5
													Минимальная толщина [мм] : 8
													Общая высота [мм] : 34
													Тип тормозного диска : полный
													Толщина тормозного диска (мм) : 9
													 Показать больше свойств
										 					
			 | 
			
								 
										
			 |  
		  
				  
			| 
				
									
							 | 
			
				
				
				Тормозной диск
				
				 
												Диаметр центрирования [мм] : 55
													для тормозного диска диаметром [мм] : 257
													Количество крепежных отверстий : 4
													Минимальная толщина [мм] : 20
													Общая высота [мм] : 45
													Тип тормозного диска : вентилируемый
													Толщина тормозного диска (мм) : 22
													 Показать больше свойств
										 					
			 | 
			
								 
										
			 |  
		  
				  
			| 
				
									
							 | 
			
				
				
				Тормозной диск
				
				 
												Вес [кг] : 5,4
													Высота [мм] : 45
													Диаметр [мм] : 257
													Диаметр фаски 2 [мм] : 100
													Диаметр центрирования [мм] : 55
													Дополнительный артикул / дополнительная информация 2 : без ступицы
													Минимальная толщина [мм] : 20
													Номер технической информации : 50202
													Расположение/число отверстий : 04/05
													Тип тормозного диска : с внутренней вентиляцией
													Толщина тормозного диска (мм) : 22
													 Показать больше свойств
										 					
			 | 
			
								 
										
			 |  
		  
				  
			| 
				
									
							 | 
			
				
				
				Тормозной диск
				
				 
												Высота [мм] : 34,3
													Диаметр [мм] : 251
													Диаметр фаски 2 [мм] : 114,3
													Диаметр центрирования [мм] : 72
													Дополнительный артикул / дополнительная информация 2 : без ступицы
													Минимальная толщина [мм] : 8
													Номер технической информации : 54693
													Расположение/число отверстий : 05/06
													Тип тормозного диска : полный
													Толщина тормозного диска (мм) : 9,3
													 Показать больше свойств
										 					
			 | 
			
								 
										
			 |  
		  
				  
			| 
				
									
							 | 
			
				
				
				Тормозной диск
				
				 
												Высота [мм] : 34,5
													Диаметр [мм] : 251
													Диаметр фаски 2 [мм] : 114,3
													Диаметр центрирования [мм] : 72
													Количество отверстий : 5
													Минимальная толщина [мм] : 8
													Размер резьбы : 13,0
													Тип тормозного диска : полный
													Толщина тормозного диска (мм) : 9
													 Показать больше свойств
										 					
			 | 
			
								 
										
			 |  
		  
				  
			| 
				
									
							 | 
			
				
				
				Тормозной диск
				
				 
												Вес [кг] : 5,41
													Высота [мм] : 45
													Диаметр [мм] : 257
													Диаметр ступицы 1 [мм] : 55
													Минимальная толщина [мм] : 20
													Тип тормозного диска : вентилируемый
													Толщина тормозного диска (мм) : 22
													Число отверстий в диске колеса : 4
													 Показать больше свойств
										 					
			 | 
			
								 
										
			 |  
		  
				  
			| 
				
									
							 | 
			
				
				
				Тормозной диск
				
				 
												Высота [мм] : 45
													Диаметр [мм] : 257
													Диаметр ступицы 1 [мм] : 55
													Диаметр ступицы 2 [мм] : 135
													Диаметр фаски 2 [мм] : 100
													Количество отверстий : 4
													Тип тормозного диска : вентилируемый
													Толщина тормозного диска (мм) : 22
													 Показать больше свойств
										 					
			 | 
			
								 
										
			 |  
		  
				  
			| 
				
									
							 | 
			
				
				
				Тормозной диск
				
				 
												Высота [мм] : 45
													Диаметр [мм] : 256,7
													Диаметр фаски 2 [мм] : 100
													Диаметр центрирования [мм] : 55
													Количество отверстий : 4
													Минимальная толщина [мм] : 20
													Размер резьбы : 13
													Тип тормозного диска : вентилируемый
													Толщина тормозного диска (мм) : 22
													 Показать больше свойств
										 					
			 | 
			
								 
										
			 |  
		  
				  
			| 
				
									
							 | 
			
				
				
				Тормозной диск
				
				 
												Вес [кг] : 5,4
													Высота [мм] : 45
													Диаметр [мм] : 257
													Диаметр фаски 2 [мм] : 100
													Диаметр центрирования [мм] : 55
													Дополнительный артикул / дополнительная информация 2 : без ступицы
													Минимальная толщина [мм] : 20
													Номер технической информации : 50202
													Расположение/число отверстий : 04/05
													Тип тормозного диска : с внутренней вентиляцией
													Толщина тормозного диска (мм) : 22
													 Показать больше свойств
										 					
			 | 
			
								 
										
			 |  
		  
				  
			| 
				
									
							 | 
			
				
				
				Тормозной диск
				
				 
												Внутренний диаметр : 125
													Высота [мм] : 45
													Диаметр [мм] : 257
													Диаметр отверстия [мм] : 13
													Диаметр фаски 2 [мм] : 100
													Диаметр центрирования [мм] : 55
													Количество отверстий : 4
													Минимальная толщина [мм] : 20
													Сторона установки : Передний мост
													Тип тормозного диска : вентилируемый
													Толщина тормозного диска (мм) : 22
													 Показать больше свойств
										 					
			 | 
			
								 
										
			 |  
		  
				  
			| 
				
									
							 | 
			
				
				
				Тормозной диск
				
				 
												Сторона установки : Позиция оси 1
										 					
			 | 
			
								 
										
			 |  
		  
				  
			| 
				
									
							 | 
			
				
				
				Тормозной диск
				
				 
												Сторона установки : Позиция оси 1
										 					
			 | 
			
								 
										
			 |  
		  
				  
			| 
				
									
							 | 
			
				
				
				Тормозной диск
				
				 
												Высота [мм] : 34,5
													Диаметр [мм] : 251
													Диаметр фаски 2 [мм] : 110
													Диаметр центрирования [мм] : 71
													Количество отверстий : 5
													Сторона установки : Задний мост
													Тип тормозного диска : полный
													Толщина тормозного диска (мм) : 9
													 Показать больше свойств
										 					
			 | 
			
								 
										
			 |  
		  
				  
			| 
				
									
							 | 
			
				
				
				Тормозной диск
				
				 
												Высота [мм] : 34,5
													Диаметр [мм] : 250
													Диаметр ступицы 1 [мм] : 72
													Минимальная толщина [мм] : 8
													Сторона установки : Задний мост
													Тип тормозного диска : полный
													Толщина тормозного диска (мм) : 9
													Число отверстий в диске колеса : 5
													 Показать больше свойств
										 					
			 | 
			
								 
										
			 |  
		  
				  
			| 
				
									
							 | 
			
				
				
				Тормозной диск
				
				 
												Высота [мм] : 45
													Диаметр [мм] : 257
													Диаметр ступицы 1 [мм] : 55
													Минимальная толщина [мм] : 20
													ограничение производителя : BREMBO
													Сторона установки : Передний мост
													Тип тормозного диска : вентилируемый
													Толщина тормозного диска (мм) : 22
													Число отверстий в диске колеса : 4
													 Показать больше свойств
										 					
			 | 
			
								 
										
			 |  
		  
				  
			| 
				
									
							 | 
			
				
				
				Тормозной диск
				
				 
												Сторона установки : Задний мост
										 					
			 | 
			
								 
										
			 |  
		  
				  
			| 
				
									
							 | 
			
				
				
				Тормозной диск
				
				 
												Высота [мм] : 34,3
													Диаметр [мм] : 251
													Диаметр фаски 2 [мм] : 114,3
													Диаметр центрирования [мм] : 72
													Дополнительный артикул / дополнительная информация 2 : без ступицы
													Минимальная толщина [мм] : 8
													Номер технической информации : 54693
													Расположение/число отверстий : 05/06
													Тип тормозного диска : полный
													Толщина тормозного диска (мм) : 9,3
													 Показать больше свойств
										 					
			 | 
			
								 
										
			 |  
		  
				  
			| 
				
									
							 | 
			
				
				
				Тормозной диск
				
				 
												Высота [мм] : 34,5
													Диаметр [мм] : 251
													Диаметр центрирования [мм] : 72
													Количество отверстий 1 : 5
													Количество отверстий 2 : 1
													Минимальная толщина [мм] : 8
													Сторона установки : Задний мост
													Тип тормозного диска : полный
													Толщина тормозного диска (мм) : 9
													 Показать больше свойств
										 					
			 | 
			
								 
										
			 |  
		  
				  
			| 
				
									
							 | 
			
				
				
				Тормозной диск
				
				 
												Внутренний диаметр : 125
													Высота [мм] : 45
													Диаметр [мм] : 257
													Диаметр отверстия [мм] : 13
													Диаметр фаски 2 [мм] : 100
													Диаметр центрирования [мм] : 55
													Количество отверстий : 4
													Минимальная толщина [мм] : 20
													Тип тормозного диска : вентилируемый
													Толщина тормозного диска (мм) : 22
													 Показать больше свойств
										 					
			 | 
			
								 
										
			 |  
		  
				  
			| 
				
									
							 | 
			
				
				
				Тормозной диск
				
				 
												Вес [кг] : 5,4
													Высота [мм] : 45
													Диаметр [мм] : 257
													Диаметр фаски 2 [мм] : 100
													Диаметр центрирования [мм] : 55
													Дополнительный артикул / дополнительная информация 2 : без ступицы
													Минимальная толщина [мм] : 20
													Поверхность : с покрытием
													Расположение/число отверстий : 04/05
													Тип тормозного диска : с внутренней вентиляцией
													Толщина тормозного диска (мм) : 22
													 Показать больше свойств
										 					
			 | 
			
								 
										
			 |  
		  
				  
			| 
				
									
							 | 
			
				
				
				Тормозной диск
				
				 
												Высота [мм] : 34,3
													Диаметр [мм] : 251
													Диаметр фаски 2 [мм] : 114,3
													Диаметр центрирования [мм] : 72
													Дополнительный артикул / дополнительная информация 2 : без ступицы
													Минимальная толщина [мм] : 8
													Поверхность : с покрытием
													Расположение/число отверстий : 05/06
													Тип тормозного диска : полный
													Толщина тормозного диска (мм) : 9,3
													 Показать больше свойств
										 					
			 | 
			
								 
										
			 |  
		  
				  
			| 
				
									
							 | 
			
				
				
				Тормозной диск
				
				 
												Высота [мм] : 45
													Диаметр центрирования [мм] : 55
													Количество крепежных отверстий : 1
													Минимальная толщина [мм] : 20
													Наружный диаметр [мм] : 257
													Сторона установки : Передний мост
													Тип тормозного диска : вентилируемый
													Толщина тормозного диска (мм) : 22
													Число отверстий в диске колеса : 4
													 Показать больше свойств
										 					
			 | 
			
								 
										
			 |  
		  
				  
			| 
				
									
							 | 
			
				
				
				Тормозной диск
				
				 
												Высота [мм] : 45
													Диаметр [мм] : 256,5
													Диаметр ступицы колеса [мм] : 55
													Дополнительный артикул / дополнительная информация 2 : без винтов
													Количество отверстий : 4
													Минимальная толщина [мм] : 20
													Тип тормозного диска : с внутренней вентиляцией
													Толщина тормозного диска (мм) : 22
													 Показать больше свойств
										 					
			 | 
			
								 
										
			 |  
		  
				  
			| 
				
									
							 | 
			
				
				
				Тормозной диск
				
				 
												Высота [мм] : 34,5
													Диаметр [мм] : 250,8
													Диаметр ступицы колеса [мм] : 72
													Количество отверстий : 5
													Минимальная толщина [мм] : 8
													Тип тормозного диска : полный
													Толщина тормозного диска (мм) : 9
													 Показать больше свойств
										 					
			 | 
			
								 
										
			 |  
		  
				  
			| 
				
									
							 | 
			
				
				
				Тормозной диск
				
				 
												Вес [кг] : 5,4
													Высота [мм] : 45
													Высота упаковки [см] : 10
													Диаметр [мм] : 257
													Диаметр фаски 2 [мм] : 100
													Диаметр центрирования [мм] : 55
													Длина упаковки [см] : 30
													Дополнительный артикул / дополнительная информация 2 : без ступицы
													Минимальная толщина [мм] : 20
													Номер технической информации : 98200 0616 0 1
													Расположение/число отверстий : 04/05
													Тип тормозного диска : с внутренней вентиляцией
													Толщина тормозного диска (мм) : 22
													Ширина упаковки [см] : 28,5
													 Показать больше свойств
										 					
			 | 
			
								 
										
			 |  
		  
				  
			| 
				
									
							 | 
			
				
				
				Тормозной диск
				
				 
												Высота [мм] : 45
													Диаметр [мм] : 257
													Диаметр центрирования [мм] : 55
													Количество отверстий 1 : 4
													Количество отверстий 2 : 1
													Минимальная толщина [мм] : 20
													Сторона установки : Передний мост
													Тип тормозного диска : вентилируемый
													Толщина тормозного диска (мм) : 22
													 Показать больше свойств
										 					
			 | 
			
								 
										
			 |  
		  
				  
			| 
				
									
							 | 
			
				
				
				Тормозной диск
				
				 
												вариант оснащения : Coated
													Высота [мм] : 45
													Диаметр [мм] : 257
													Диаметр ступицы 1 [мм] : 55
													Диаметр ступицы 2 [мм] : 135
													Диаметр фаски 2 [мм] : 100
													Количество отверстий : 4
													Тип тормозного диска : вентилируемый
													Толщина тормозного диска (мм) : 22
													 Показать больше свойств
										 					
			 | 
			
								 
										
			 |  
		  
				  
			| 
				
									
							 | 
			
				
				
				Тормозной диск
				
				 
												Высота [мм] : 45
													Диаметр [мм] : 257
													Диаметр центрирования [мм] : 55
													Количество отверстий : 4
													Минимальная толщина [мм] : 20
													Сторона установки : Передний мост
													Тип тормозного диска : вентилируемый
													Толщина тормозного диска (мм) : 22
													 Показать больше свойств
										 					
			 | 
			
								 
										
			 |  
		  
				  
			| 
				
									
							 | 
			
				
				
				Тормозной диск
				
				 
												Вес [кг] : 2,960
													Высота [мм] : 34,5
													Диаметр [мм] : 250,8
													Диаметр фаски 2 [мм] : 72
													Количество отверстий : 5
													Минимальная толщина [мм] : 8
													Тип тормозного диска : полный
													Толщина тормозного диска (мм) : 9
													 Показать больше свойств
										 					
			 | 
			
								 
										
			 |  
		  
				  
			| 
				
									
							 | 
			
				
				
				Тормозной диск
				
				 
												Высота [мм] : 47
													Диаметр [мм] : 258
													Диаметр фаски 2 [мм] : 100
													Диаметр центрирования [мм] : 55
													Количество отверстий : 4
													Минимальная толщина [мм] : 22
													Размер резьбы : 12,9
													Тип тормозного диска : вентилируемый
													Толщина тормозного диска (мм) : 23
													 Показать больше свойств
										 					
			 | 
			
								 
										
			 |  
		  
				  
			| 
				
									
							 | 
			
				
				
				Тормозной диск
				
				 
												Высота [мм] : 45
													Диаметр [мм] : 256,7
													Диаметр фаски 2 [мм] : 55
													Количество отверстий : 4
													Тип тормозного диска : вентилируемый
													Толщина тормозного диска (мм) : 22
													 Показать больше свойств
										 					
			 | 
			
								 
										
			 |  
		  
				  
			| 
				
									
							 | 
			
				
				
				Тормозной диск
				
				 
												Вес [кг] : 5,39
													Высота [мм] : 45
													Диаметр [мм] : 257
													Диаметр центрирования [мм] : 55
													для артикула № : HPD 860
													Количество отверстий : 4
													Минимальная толщина [мм] : 20
													Тип тормозного диска : с внутренней вентиляцией
													Толщина тормозного диска (мм) : 22
													 Показать больше свойств
										 					
			 | 
			
								 
										
			 |  
		  
				  
			| 
				
									
							 | 
			
				
				
				Тормозной диск
				
				 
												Высота [мм] : 45
													Диаметр центрирования [мм] : 55
													Номер продукции : S6043632
													Сторона установки : Передний мост
													Толщина тормозного диска (мм) : 22
													 Показать больше свойств
										 					
			 | 
			
								 
										
			 |  
		  
				  
			| 
				
									
							 | 
			
				
				
				Тормозной диск
				
				 
												Вес [кг] : 11,484
													Высота [мм] : 45
													Диаметр [мм] : 257
													Диаметр фаски 2 [мм] : 55
													Количество отверстий : 4
													Минимальная толщина [мм] : 20
													Тип тормозного диска : вентилируемый
													Толщина тормозного диска (мм) : 22
													 Показать больше свойств
										 					
			 | 
			
								 
										
			 |  
		  
				  
			| 
				
									
							 | 
			
				
				
				Тормозной диск
				
				 
												Вес [кг] : 2,960
													Высота [мм] : 34,5
													Диаметр [мм] : 250,8
													Диаметр фаски 2 [мм] : 72
													Количество отверстий : 5
													Минимальная толщина [мм] : 8
													Тип тормозного диска : полный
													Толщина тормозного диска (мм) : 9
													 Показать больше свойств
										 					
			 | 
			
								 
										
			 |  
		  
				  
			| 
				
									
							 | 
			
				
				
				Тормозной диск
				
				 
												Вес [кг] : 11,484
													Высота [мм] : 45
													Диаметр [мм] : 257
													Диаметр фаски 2 [мм] : 55
													Количество отверстий : 4
													Минимальная толщина [мм] : 20
													Тип тормозного диска : вентилируемый
													Толщина тормозного диска (мм) : 22
													 Показать больше свойств
										 					
			 | 
			
								 
										
			 |  
		  
				  
			| 
				
									
							 | 
			
				
				
				Тормозной диск
				
				 
												Высота [мм] : 34,5
													Диаметр [мм] : 251
													Диаметр центрирования [мм] : 72
													для артикула № : M5028P
													Количество отверстий : 5
													Минимальная толщина [мм] : 8
													Тип тормозного диска : полный
													Толщина тормозного диска (мм) : 9
													 Показать больше свойств
										 					
			 | 
			
								 
										
			 |  
		  
				  
			| 
				
									
							 | 
			
				
				
				Тормозной диск
				
				 
												Высота [мм] : 45
													Диаметр [мм] : 256
													Диаметр фаски 2 [мм] : 55
													Количество отверстий : 4
													Минимальная толщина [мм] : 20
													Тип тормозного диска : вентилируемый
													Толщина тормозного диска (мм) : 22
													 Показать больше свойств
										 					
			 | 
			
								 
										
			 |  
		  
				  
			| 
				
									
							 | 
			
				
				
				Тормозной диск
				
				 
												Высота [мм] : 45
													Диаметр [мм] : 257
													Диаметр центрирования [мм] : 55
													для артикула № : M5741V
													Количество отверстий : 4
													Минимальная толщина [мм] : 20
													Тип тормозного диска : с внутренней вентиляцией
													Толщина тормозного диска (мм) : 22
													 Показать больше свойств
										 					
			 | 
			
								 
										
			 |  
		  
				  
			| 
				
									
							 | 
			
				
				
				Тормозной диск
				
				 
												Сторона установки : Задний мост
										 					
			 | 
			
								 
										
			 |  
		  
				  
			| 
				
									
							 | 
			
				
				
				Тормозной диск
				
				 
												Высота [мм] : 45
													Диаметр [мм] : 257
													Диаметр центрирования [мм] : 55
													Количество отверстий : 4
													Минимальная толщина [мм] : 20
													Тип тормозного диска : вентилируемый
													Толщина тормозного диска (мм) : 22
													 Показать больше свойств
										 					
			 | 
			
								 
										
			 |  
		  
				  
			| 
				
									
							 | 
			
				
				
				Тормозной диск
				
				 
												Высота [мм] : 35
													Диаметр [мм] : 250
													Диаметр центрирования [мм] : 55
													Количество отверстий : 4
													Минимальная толщина [мм] : 8
													Тип тормозного диска : полный
													Толщина тормозного диска (мм) : 9
													 Показать больше свойств
										 					
			 | 
			
								 
										
			 |  
		  
				  
			| 
				
									
							 | 
			
				
				
				Тормозной диск
				
				 
												Высота [мм] : 45
													Диаметр [мм] : 256
													Диаметр фаски 2 [мм] : 55
													Количество отверстий : 4
													Минимальная толщина [мм] : 20
													Тип тормозного диска : вентилируемый
													Толщина тормозного диска (мм) : 22
													 Показать больше свойств
										 					
			 | 
			
								 
										
			 |  
		  
				  
			| 
				
									
							 | 
			
				
				
				Тормозной диск
				
				 
												Высота [мм] : 34,5
													Диаметр [мм] : 250,8
													Диаметр фаски 2 [мм] : 72
													Количество отверстий : 5
													Минимальная толщина [мм] : 8
													Поверхность : лакированный
													Сторона установки : Задний мост
													Тип тормозного диска : полный
													Толщина тормозного диска (мм) : 9
													 Показать больше свойств
										 					
			 | 
			
								 
										
			 |  
		  
				  
			| 
				
									
							 | 
			
				
				
				Тормозной диск
				
				 
												Высота [мм] : 34,5
													Диаметр [мм] : 250,8
													Диаметр фаски 2 [мм] : 72
													Количество отверстий : 5
													Минимальная толщина [мм] : 8
													Поверхность : лакированный
													Сторона установки : Задний мост
													Тип тормозного диска : полный
													Толщина тормозного диска (мм) : 9
													 Показать больше свойств
										 					
			 | 
			
								 
										
			 |  
		  
				  
			| 
				
									
							 | 
			
				
				
				Тормозной диск
				
				 
												Высота [мм] : 34,3
													Высота упаковки [см] : 8
													Диаметр [мм] : 251
													Диаметр фаски 2 [мм] : 114,3
													Диаметр центрирования [мм] : 72
													Длина упаковки [см] : 30
													Дополнительный артикул / дополнительная информация 2 : без ступицы
													Минимальная толщина [мм] : 8
													Номер технической информации : 98200 1693 0 1
													Расположение/число отверстий : 05/06
													Тип тормозного диска : полный
													Толщина тормозного диска (мм) : 9,3
													Ширина упаковки [см] : 28,5
													 Показать больше свойств
										 					
			 | 
			
								 
										
			 |  
		  
				  
			| 
				
									
							 | 
			
				
				
				Тормозной диск
				
				 
												Версия : JC
													Высота [мм] : 45
													Диаметр [мм] : 257
													Диаметр центрирования [мм] : 55
													Количество отверстий : 4
													Минимальная толщина [мм] : 20
													Поверхность : с покрытием
													Сторона установки : Передний мост
													Тип тормозного диска : вентилируемый
													Толщина тормозного диска (мм) : 22
													 Показать больше свойств
										 					
			 | 
			
								 
										
			 |  
		  
				  
			| 
				
									
							 | 
			
				
				
				Тормозной диск
				
				 
												Высота [мм] : 45
													Диаметр [мм] : 257
													Диаметр отверстия [мм] : 55
													Количество отверстий : 4
													Минимальная толщина [мм] : 20
													Сторона установки : Передний мост
													Тип тормозного диска : вентилируемый
													Толщина тормозного диска (мм) : 22
													 Показать больше свойств
										 					
			 | 
			
								 
										
			 |  
		  
				  
			| 
				
									
							 | 
			
				
				
				Тормозной диск
				
				 
												Вес [кг] : 5,36
													Высота [мм] : 45
													Диаметр [мм] : 257
													Диаметр центрирования [мм] : 55
													Количество отверстий : 4
													Минимальная толщина [мм] : 20
													проверочное значение : K.B.A.: 61209
													Сторона установки : Передний мост
													Тип тормозного диска : вентилируемый
													Толщина тормозного диска (мм) : 22
													 Показать больше свойств
										 					
			 | 
			
								 
										
			 |  
		  
				  
			| 
				
									
							 | 
			
				
				
				Тормозной диск
				
				 
												Вес [кг] : 2,8
													Диаметр [мм] : 257
													Диаметр фаски 2 [мм] : 100
													Качество : Kreuzschliff
													Количество отверстий : 4
													Сторона установки : Передний мост
													Тип тормозного диска : вентилируемый
													Толщина тормозного диска (мм) : 22
													 Показать больше свойств
										 					
			 | 
			
								 
										
			 |  
		  
				  
			| 
				
									
							 | 
			
				
				
				Тормозной диск
				
				 
												Диаметр [мм] : 251
													Качество : Kreuzschliff
													Количество отверстий : 5
													Сторона установки : Задний мост
													Тип тормозного диска : полный
													Толщина тормозного диска (мм) : 9
													 Показать больше свойств
										 					
			 | 
			
								 
										
			 |  
		  
				  
			| 
				
									
							 | 
			
				
				
				Тормозной диск
				
				 
												Ø отверстия болт крепления колеса [мм] : 13
													Высота [мм] : 45
													Диаметр фаски 2 [мм] : 100
													Диаметр центрирования [мм] : 55
													Количество отверстий : 4
													Минимальная толщина [мм] : 20
													Наружный диаметр [мм] : 257
													Сторона установки : Передний мост
													Тип тормозного диска : вентилируемый
													Толщина тормозного диска (мм) : 22
													 Показать больше свойств
										 					
			 | 
			
								 
										
			 |  
		  
				  
			| 
				
									
							 | 
			
				
				
				Тормозной диск
				
				 
												Высота [мм] : 45
													Диаметр фаски 2 [мм] : 100
													Диаметр центрирования [мм] : 55
													Количество отверстий : 4
													Минимальная толщина [мм] : 20
													Наружный диаметр [мм] : 257
													Поверхность : не хромированное (Cr VI) покрытие
													Сторона установки : Передний мост
													Тип тормозного диска : вентилируемый
													Толщина тормозного диска (мм) : 22
													 Показать больше свойств
										 					
			 | 
			
								 
										
			 |  
		  
				  
			| 
				
									
							 | 
			
				
				
				Тормозной диск
				
				 
												Вес [кг] : 4,4
													Высота [мм] : 45
													Диаметр [мм] : 235
													Диаметр центрирования [мм] : 55
													Количество отверстий : 4
													Минимальная толщина [мм] : 20
													проверочное значение : K.B.A.: 61209
													Сторона установки : Передний мост
													Тип тормозного диска : вентилируемый
													Толщина тормозного диска (мм) : 22
													 Показать больше свойств
										 					
			 | 
			
								 
										
			 |  
		  
				  
			| 
				
									
							 | 
			
				
				
				Тормозной диск
				
				 
												Вес [кг] : 5,36
													Высота [мм] : 45
													Диаметр [мм] : 257
													Диаметр центрирования [мм] : 55
													Количество отверстий : 4
													Минимальная толщина [мм] : 20
													проверочное значение : K.B.A.: 61209
													Сторона установки : Передний мост
													Тип тормозного диска : вентилируемый
													Толщина тормозного диска (мм) : 22
													 Показать больше свойств
										 					
			 | 
			
								 
										
			 |  
		  
				  
			| 
				
									
							 | 
			
				
				
				Тормозной диск
				
				 
												Вес [кг] : 4,4
													Высота [мм] : 45
													Диаметр [мм] : 235
													Диаметр центрирования [мм] : 55
													Количество отверстий : 4
													Минимальная толщина [мм] : 20
													проверочное значение : K.B.A.: 61209
													Сторона установки : Передний мост
													Тип тормозного диска : вентилируемый
													Толщина тормозного диска (мм) : 22
													 Показать больше свойств
										 					
			 | 
			
								 
										
			 |  
		  
				  
			| 
				
									
							 | 
			
				
				
				Тормозной диск
				
				 
												Высота [мм] : 45,4
													Диаметр [мм] : 256,8
													Диаметр фаски 2 [мм] : 55
													Минимальная толщина [мм] : 20
													Сторона установки : Передний мост
													Тип тормозного диска : вентилируемый
													Толщина тормозного диска (мм) : 22
													Число отверстий : 4
													 Показать больше свойств
										 					
			 | 
			
								 
										
			 |  
		  
				  
			| 
				
									
							 | 
			
				
				
				Тормозной диск
				
				 
												Высота [мм] : 45
													Диаметр [мм] : 257
													Диаметр центрирования [мм] : 55
													Минимальная толщина [мм] : 20
													Расположение/число отверстий : 4/5
													Сторона установки : Передний мост
													Тип тормозного диска : вентилируемый
													Толщина тормозного диска (мм) : 22
													 Показать больше свойств
										 					
			 | 
			
								 
										
			 |  
		  
				  
			| 
				
									
							 | 
			
				
				
				Тормозной диск
				
				 
												Высота [мм] : 34,9
													Диаметр [мм] : 250,4
													Диаметр фаски 2 [мм] : 72
													Минимальная толщина [мм] : 8
													Сторона установки : Задний мост
													Тип тормозного диска : полный
													Толщина тормозного диска (мм) : 9
													Число отверстий : 5
													 Показать больше свойств
										 					
			 | 
			
								 
										
			 |  
		  
				  
			| 
				
									
							 | 
			
				
				
				Тормозной диск
				
				 
												Вес [кг] : 11.230
													Высота [мм] : 45
													Диаметр [мм] : 257
													Диаметр ступицы колеса [мм] : 55
													Диаметр фаски 2 [мм] : 100
													Исполнение моста : Front
													Минимальная толщина [мм] : 20
													Номер технической информации : 78BD3256-2
													Расположение/число отверстий : 4
													Тип тормоза : Дисковой механизм
													Тип тормозного диска : вентилируемый
													Толщина [мм] : 22
													 Показать больше свойств
										 					
			 | 
			
								 
										
			 |  
		  
				  
			| 
				
									
							 | 
			
				
				
				Тормозной диск
				
				 
												Высота [мм] : 45
													Диаметр [мм] : 257
													Диаметр фаски 2 [мм] : 100
													Диаметр центрирования [мм] : 55
													Количество отверстий : 4
													Минимальная толщина [мм] : 20
													Поверхность : лакированный
													Размер резьбы : 13
													Тип тормозного диска : вентилируемый
													Толщина тормозного диска (мм) : 22
													Цвет : черный
													 Показать больше свойств
										 					
			 | 
			
								 
										
			 |  
		  
				  
			| 
				
									
							 | 
			
				
				
				Тормозной диск
				
				 
												Высота [мм] : 47
													Диаметр [мм] : 258
													Диаметр фаски 2 [мм] : 100
													Диаметр центрирования [мм] : 55
													Количество отверстий : 4
													Минимальная толщина [мм] : 22
													Поверхность : лакированный
													Размер резьбы : 12,9
													Тип тормозного диска : вентилируемый
													Толщина тормозного диска (мм) : 23
													Цвет : черный
													 Показать больше свойств
										 					
			 | 
			
								 
										
			 |  
		  
				  
			| 
				
									
							 | 
			
				
				
				Тормозной диск
				
				 
												Высота [мм] : 34,5
													Диаметр [мм] : 251
													Диаметр фаски 2 [мм] : 114,3
													Диаметр центрирования [мм] : 72
													Количество отверстий : 5
													Минимальная толщина [мм] : 8
													Поверхность : лакированный
													Размер резьбы : 13,0
													Тип тормозного диска : полный
													Толщина тормозного диска (мм) : 9
													Цвет : черный
													 Показать больше свойств
										 					
			 | 
			
								 
										
			 |  
		  
				  
			| 
				
									
							 | 
			
				
				
				Тормозной диск
				
				 
												Внутренний диаметр : 125
													Высота [мм] : 47
													Диаметр [мм] : 258
													Диаметр отверстия [мм] : 13
													Диаметр фаски 2 [мм] : 100
													Диаметр центрирования [мм] : 55
													Количество отверстий : 4
													Минимальная толщина [мм] : 22
													Тип тормозного диска : вентилируемый
													Толщина тормозного диска (мм) : 24
													 Показать больше свойств
										 					
			 | 
			
								 
										
			 |  
		  
				  
			| 
				
									
							 | 
			
				
				
				Тормозной диск
				
				 
												Высота [мм] : 35
													Диаметр [мм] : 251
													Диаметр отверстия [мм] : 55
													Количество отверстий : 4
													Минимальная толщина [мм] : 7
													Сторона установки : Задний мост
													Тип тормозного диска : полный
													Толщина тормозного диска (мм) : 9
													 Показать больше свойств
										 					
			 | 
			
								 
										
			 |  
		  
				  
			| 
				
									
							 | 
			
				
				
				Тормозной диск
				
				 
												Высота [мм] : 34,5
													Диаметр [мм] : 250,8
													Диаметр центрирования [мм] : 72
													Минимальная толщина [мм] : 8
													Расположение/число отверстий : 5/6
													Сторона установки : Задний мост
													Тип тормозного диска : полный
													Толщина тормозного диска (мм) : 9
													 Показать больше свойств
										 					
			 | 
			
								 
										
			 |  
		  
				  
			| 
				
									
							 | 
			
				
				
				Тормозной диск
				
				 
												Вес [кг] : 2,93
													Высота [мм] : 35,2
													Диаметр [мм] : 250,8
													Диаметр центрирования [мм] : 72
													Минимальная толщина [мм] : 8
													Поверхность : с покрытием
													Тип тормозного диска : полный
													Толщина тормозного диска (мм) : 9
													Число отверстий в диске колеса : 5
													 Показать больше свойств
										 					
			 | 
			
								 
										
			 |  
		  
				  
			| 
				
									
							 | 
			
				
				
				Тормозной диск
				
				 
												Высота [мм] : 45
													Диаметр [мм] : 257
													Диаметр фаски 2 [мм] : 100
													Диаметр центрирования [мм] : 55
													Количество отверстий : 4
													Минимальная толщина [мм] : 20
													Тип тормозного диска : с внутренней вентиляцией
													Толщина тормозного диска (мм) : 22
													 Показать больше свойств
										 					
			 | 
			
								 
										
			 |  
		  
				  
			| 
				
									
							 | 
			
				
				
				Тормозной диск
				
				 
												Высота [мм] : 34,3
													Диаметр [мм] : 251
													Диаметр фаски 2 [мм] : 114,3
													Диаметр центрирования [мм] : 72
													Дополнительный артикул / дополнительная информация 2 : без ступицы
													Минимальная толщина [мм] : 8
													Расположение/число отверстий : 05/06
													Тип тормозного диска : полный
													Толщина тормозного диска (мм) : 9,3
													 Показать больше свойств
										 					
			 | 
			
								 
										
			 |  
		  
				  
			| 
				
									
							 | 
			
				
				
				Тормозной диск
				
				 
												Высота [мм] : 35,2
													Диаметр [мм] : 250,8
													Диаметр фаски 2 [мм] : 114,3
													Диаметр центрирования [мм] : 72
													Количество отверстий : 5
													Минимальная толщина [мм] : 8
													Тип тормозного диска : полный
													Толщина тормозного диска (мм) : 9
													 Показать больше свойств
										 					
			 | 
			
								 
										
			 |  
		  
				  
			| 
				
									
							 | 
			
				
				
				Тормозной диск
				
				 
												Внутренний диаметр : 125
													выполняет нормы ЕЭК : E1 90R-02C0064/0025
													Высота [мм] : 45,3
													Диаметр [мм] : 257
													Диаметр ступицы [мм] : 55,1
													Диаметр фаски 2 [мм] : 100
													Количество отверстий : 4
													Количество отверстий 1 : 1
													Минимальная толщина [мм] : 20
													Поверхность : с покрытием
													Тип тормозного диска : с внутренней вентиляцией
													Толщина тормозного диска (мм) : 22
													 Показать больше свойств
										 					
			 | 
			
								 
										
			 |  
		  
				  
			| 
				
									
							 | 
			
				
				
				Тормозной диск
				
				 
												Ø отверстия ступицы [мм] : 55
													Высота [мм] : 45
													Диаметр [мм] : 235
													Диаметр фаски 2 [мм] : 100
													Количество отверстий : 4
													Минимальная толщина [мм] : 20
													Тип тормозного диска : с внутренней вентиляцией
													Толщина тормозного диска (мм) : 22
													 Показать больше свойств
										 					
			 | 
			
								 
										
			 |  
		  
				  
			| 
				
									
							 | 
			
				
				
				Тормозной диск
				
				 
												Ø отверстия ступицы [мм] : 71
													Высота [мм] : 34,5
													Диаметр [мм] : 250,7
													Количество отверстий : 5
													Минимальная толщина [мм] : 7
													Тип тормозного диска : полный
													Толщина тормозного диска (мм) : 9
													 Показать больше свойств
										 					
			 | 
			
								 
										
			 |  
		  
				  
			| 
				
									
							 | 
			
				
				
				Тормозной диск
				
				 
												Вес [кг] : 11,04
													Высота [мм] : 45
													Диаметр [мм] : 257
													Диаметр фаски 2 [мм] : 0
													Диаметр центрирования [мм] : 55
													Дополнительный артикул / дополнительная информация 2 : без винтов
													Количество отверстий : 4
													Минимальная толщина [мм] : 20
													Момент затяжки [Нм] : 100
													Сторона установки : Передний мост
													Тип тормозного диска : вентилируемый
													Толщина тормозного диска (мм) : 22
													 Показать больше свойств
										 					
			 | 
			
								 
										
			 |  
		  
				  
			| 
				
									
							 | 
			
				
				
				Тормозной диск
				
				 
												Вес [кг] : 5,52
													Высота [мм] : 45
													Диаметр [мм] : 257
													Диаметр центрирования [мм] : 55
													Количественная единица : штука
													Количество отверстий : 4
													Минимальная толщина [мм] : 20
													Сторона установки : Передний мост
													Тип тормозного диска : вентилируемый
													Толщина тормозного диска (мм) : 22
													 Показать больше свойств
										 					
			 | 
			
								 
										
			 |  
		  
				  
			| 
				
									
							 | 
			
				
				
				Тормозной диск
				
				 
												Высота [мм] : 45
													Диаметр [мм] : 257
													Диаметр центрирования [мм] : 55
													для артикула № : 09.6771.14
													Количество отверстий : 4
													Минимальная толщина [мм] : 20
													Момент затяжки [Нм] : 103
													Тип тормозного диска : с внутренней вентиляцией
													Толщина тормозного диска (мм) : 22
													 Показать больше свойств
										 					
			 | 
			
								 
										
			 |  
		  
				  
			| 
				
									
							 | 
			
				
				
				Тормозной диск
				
				 
												Вес [кг] : 5,4
													Высота [мм] : 45
													Диаметр [мм] : 257
													Диаметр фаски 2 [мм] : 100
													Диаметр центрирования [мм] : 55
													Дополнительный артикул / дополнительная информация 2 : без ступицы
													Минимальная толщина [мм] : 20
													Расположение/число отверстий : 04/05
													Тип тормозного диска : с внутренней вентиляцией
													Толщина тормозного диска (мм) : 22
													 Показать больше свойств
										 					
			 | 
			
								 
										
			 |  
		  
				  
			| 
				
									
							 | 
			
				
				
				Тормозной диск
				
				 
												Высота [мм] : 45
													Диаметр [мм] : 257
													Диаметр центрирования [мм] : 55
													Минимальная толщина [мм] : 20
													Поверхность : с покрытием
													Тип тормозного диска : вентилируемый
													Толщина тормозного диска (мм) : 22
													Число отверстий в диске колеса : 4
													 Показать больше свойств
										 					
			 | 
			
								 
										
			 |  
		  
				  
			| 
				
									
							 | 
			
				
				
				Тормозной диск
				
				 
												Глубина [мм] : 45
													Диаметр [мм] : 257
													Диаметр центрирования [мм] : 55
													Количество отверстий : 4
													Минимальная толщина [мм] : 20
													Тип сборки : закреплено болтами / шурупами
													Тип тормозного диска : вентилируемый
													Толщина тормозного диска (мм) : 22
													 Показать больше свойств
										 					
			 | 
			
								 
										
			 |  
		  
				  
			| 
				
									
							 | 
			
				
				
				Тормозной диск
				
				 
												Глубина [мм] : 35
													Диаметр [мм] : 251
													Диаметр центрирования [мм] : 72
													Количество отверстий : 5
													Минимальная толщина [мм] : 8
													Тип сборки : закреплено болтами / шурупами
													Тип тормозного диска : полный
													Толщина тормозного диска (мм) : 9
													 Показать больше свойств
										 					
			 | 
			
								 
										
			 |  
		  
				  
			| 
				
									
							 | 
			
				
				
				Тормозной диск
				
				 
												вариант оснащения : beschichtet
													Высота [мм] : 45
													Диаметр [мм] : 257
													Диаметр центрирования [мм] : 55
													Количество отверстий : 4
													Минимальная толщина [мм] : 20
													Момент затяжки [Нм] : 103
													Тип тормозного диска : с внутренней вентиляцией
													Толщина тормозного диска (мм) : 22
													Число отверстий в диске колеса : 4
													 Показать больше свойств
										 					
			 | 
			
								 
										
			 |  
		  
				  
			| 
				
									
							 | 
			
				
				
				Тормозной диск
				
				 
												Высота [мм] : 45
													Диаметр [мм] : 257
													Диаметр центрирования [мм] : 55
													Количество отверстий : 4
													Минимальная толщина [мм] : 20
													Момент затяжки [Нм] : 103
													Тип тормозного диска : с внутренней вентиляцией
													Толщина тормозного диска (мм) : 22
													Число отверстий в диске колеса : 4
													 Показать больше свойств
										 					
			 | 
			
								 
										
			 |  
		  
				  
			| 
				
									
							 | 
			
				
				
				Тормозной диск
				
				 
												Высота [мм] : 45
													Диаметр [мм] : 257
													Толщина тормозного диска (мм) : 22
										 					
			 | 
			
								 
										
			 |  
		  
				  
			| 
				
									
							 | 
			
				
				
				Тормозной диск
				
				 
												Диаметр [мм] : 257
													Тип тормозного диска : с внутренней вентиляцией
													Толщина тормозного диска (мм) : 22
										 					
			 | 
			
								 
										
			 |  
		  
				  
			| 
				
									
							 | 
			
				
				
				Тормозной диск
				
				 
												Вес [кг] : 5,36
													Высота [мм] : 45
													Диаметр [мм] : 257
													Диаметр центрирования [мм] : 55
													Минимальная толщина [мм] : 20
													Тип тормозного диска : вентилируемый
													Толщина тормозного диска (мм) : 22
													Число отверстий в диске колеса : 4
													 Показать больше свойств
										 					
			 | 
			
								 
										
			 |  
		  
				  
			| 
				
									
							 | 
			
				
				
				Тормозной диск
				
				 
												Вес [кг] : 2,93
													Высота [мм] : 35,2
													Диаметр [мм] : 250,8
													Диаметр центрирования [мм] : 72
													Минимальная толщина [мм] : 8
													Тип тормозного диска : полный
													Толщина тормозного диска (мм) : 9
													Число отверстий в диске колеса : 5
													 Показать больше свойств
										 					
			 | 
			
								 
										
			 |  
		  
				  
			| 
				
									
							 | 
			
				
				
				Тормозной диск
				
				 
												Высота [мм] : 45
													Диаметр [мм] : 257
													Диаметр ступицы колеса [мм] : 55
													Диаметр фаски 2 [мм] : 100
													Исполнение моста : Front
													Минимальная толщина [мм] : 20
													Номер технической информации : 78RBD23256
													Расположение/число отверстий : 4
													Тип тормоза : Дисковой механизм
													Тип тормозного диска : вентилируемый
													Толщина [мм] : 22
													 Показать больше свойств
										 					
			 | 
			
								 
										
			 |