|
Тормозной диск
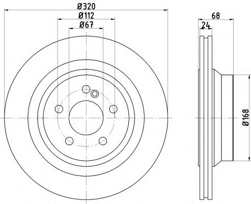
Диаметр [мм] : 300
Диаметр ступицы колеса [мм] : 67
Количество отверстий : 5
Минимальная толщина [мм] : 8,3
Обработка : Высокоуглеродистый
Поверхность : лакированный
Тип тормозного диска : полный
Толщина тормозного диска (мм) : 10
Показать больше свойств
|
Показать еще цены (1)
Скрыть
|
|
Тормозной диск
Высота [мм] : 68,3
Диаметр [мм] : 300
Диаметр барабана : 180
Диаметр фаски 2 [мм] : 112
Диаметр центрирования [мм] : 67
Количество отверстий : 5
Минимальная толщина [мм] : 8,3
Поверхность : лакированный
Размер резьбы : 15,3
Тип тормозного диска : полный
Толщина тормозного диска (мм) : 10
Цвет : черный
Показать больше свойств
|
|
|
Тормозной диск
Внутренний диаметр : 180
Высота [мм] : 68,3
Диаметр [мм] : 300
Диаметр отверстия [мм] : 15,3
Диаметр фаски 2 [мм] : 112
Диаметр центрирования [мм] : 67
Дополнительный артикул / дополнительная информация 2 : с винтами
Количество отверстий : 5
Минимальная толщина [мм] : 8,3
Поверхность : с покрытием
Тип тормозного диска : полный
Толщина тормозного диска (мм) : 10
Показать больше свойств
|
|
|
Тормозной диск
Высота [мм] : 64,5
Диаметр [мм] : 295,2
Диаметр ступицы колеса [мм] : 67
Дополнительный артикул / дополнительная информация 2 : с винтами
Количество отверстий : 5
Минимальная толщина [мм] : 25,4
Обработка : Высокоуглеродистый
Поверхность : лакированный
Тип тормозного диска : с внутренней вентиляцией
Толщина тормозного диска (мм) : 28
Показать больше свойств
|
Показать еще цены (3)
Скрыть
|
|
Тормозной диск
Внутренний диаметр : 154,3
Высота [мм] : 64,5
Диаметр [мм] : 295
Диаметр отверстия [мм] : 15,2
Диаметр фаски 2 [мм] : 112
Диаметр центрирования [мм] : 67
Дополнительный артикул / дополнительная информация 2 : с винтами
Количество отверстий : 5
Минимальная толщина [мм] : 25,4
Обработка : легированный/высокоуглеродистый
Поверхность : с покрытием
Тип тормозного диска : вентилируемый
Толщина тормозного диска (мм) : 28
Показать больше свойств
|
Показать еще цены (1)
Скрыть
|
|
Тормозной диск
Вес [кг] : 10,8
Высота [мм] : 64,3
Высота упаковки [см] : 8
Диаметр [мм] : 322
Диаметр фаски 2 [мм] : 112
Диаметр центрирования [мм] : 67
Длина упаковки [см] : 38
Дополнительный артикул / дополнительная информация 2 : без ступицы
Минимальная толщина [мм] : 29,4
Номер технической информации : 98200 1635 0 1 PRO
Обработка : Высокоуглеродистый
Поверхность : с покрытием
Расположение/число отверстий : 05/06
Тип тормозного диска : с внутренней вентиляцией
Толщина тормозного диска (мм) : 32
Ширина упаковки [см] : 36,5
Показать больше свойств
|
|
|
Тормозной диск
Высота [мм] : 64,4
Диаметр [мм] : 322
Диаметр фаски 2 [мм] : 112
Диаметр центрирования [мм] : 67
Количество отверстий : 5
Минимальная толщина [мм] : 29,4
Поверхность : лакированный
Размер резьбы : 15.5
Размер резьбы 1 : 15,3
Размер резьбы 2 : 9,1
Тип тормозного диска : вентилируемый
Толщина тормозного диска (мм) : 32
Цвет : черный
Показать больше свойств
|
|
|
Тормозной диск
Высота [мм] : 64,5
Диаметр [мм] : 295
Диаметр фаски 2 [мм] : 112
Диаметр центрирования [мм] : 67
Количество отверстий : 5
Минимальная толщина [мм] : 25,4
Обработка : Высокоуглеродистый
Поверхность : лакированный
Размер резьбы : 15,2
Тип тормозного диска : вентилируемый
Толщина тормозного диска (мм) : 28
Цвет : черный
Показать больше свойств
|
|
|
Тормозной диск
Вес [кг] : 10,62
Высота [мм] : 64,5
Высота упаковки [см] : 8
Диаметр [мм] : 322
Диаметр фаски 2 [мм] : 112
Диаметр центрирования [мм] : 67
Длина упаковки [см] : 38
Дополнительный артикул / дополнительная информация 2 : без ступицы
Минимальная толщина [мм] : 30
Номер технической информации : 98200 1634 0 1 PRO
Обработка : Высокоуглеродистый
Поверхность : с покрытием
Расположение/число отверстий : 05/06
Тип тормозного диска : с отверстиями/с внутр. вентиляцией
Толщина тормозного диска (мм) : 32
Ширина упаковки [см] : 36,5
Показать больше свойств
|
|
|
Тормозной диск
Диаметр [мм] : 322
Диаметр ступицы колеса [мм] : 67
Дополнительный артикул / дополнительная информация 2 : с винтами
Количество отверстий : 5
Минимальная толщина [мм] : 30
Обработка : Высокоуглеродистый
Поверхность : лакированный
Тип тормозного диска : с отверстиями
Толщина тормозного диска (мм) : 32
Показать больше свойств
|
Показать еще цены (1)
Скрыть
|
|
Тормозной диск
Высота [мм] : 64,5
Диаметр [мм] : 322
Диаметр фаски 2 [мм] : 112
Диаметр центрирования [мм] : 67
Количество отверстий : 5
Минимальная толщина [мм] : 30
Обработка : Высокоуглеродистый
Поверхность : лакированный
Размер резьбы : 15
Тип тормозного диска : вентилируемый
Толщина тормозного диска (мм) : 32
Цвет : черный
Показать больше свойств
|
|
|
Тормозной диск
Внутренний диаметр : 154,3
Высота [мм] : 64,5
Диаметр [мм] : 322
Диаметр отверстия [мм] : 15,2
Диаметр фаски 2 [мм] : 112
Диаметр центрирования [мм] : 67
Дополнительный артикул / дополнительная информация 2 : с винтами
Количество отверстий : 5
Минимальная толщина [мм] : 30
Обработка : легированный/высокоуглеродистый
Поверхность : с покрытием
Тип тормозного диска : с отверстиями/с внутр. вентиляцией
Толщина тормозного диска (мм) : 32
Показать больше свойств
|
|
|
Тормозной диск
Вес [кг] : 8,5
Высота [мм] : 64,4
Диаметр [мм] : 295
Диаметр ступицы 1 [мм] : 67
Диаметр фаски 2 [мм] : 112
Минимальная толщина [мм] : 25,4
Тип тормозного диска : вентилируемый
Толщина тормозного диска (мм) : 28
Число отверстий в диске колеса : 5
Показать больше свойств
|
|
|
Тормозной диск
Высота [мм] : 64,4
Диаметр [мм] : 322
Диаметр фаски 2 [мм] : 112
Диаметр центрирования [мм] : 67
Количество отверстий : 5
Минимальная толщина [мм] : 29,4
Поверхность : лакированный
Размер резьбы : 15.5
Размер резьбы 1 : 15,3
Размер резьбы 2 : 9,1
Тип тормозного диска : вентилируемый
Толщина тормозного диска (мм) : 32
Цвет : черный
Показать больше свойств
|
|
|
Тормозной диск
Вес [кг] : 8,44
Высота [мм] : 64,4
Диаметр [мм] : 295
Диаметр центрирования [мм] : 67
Минимальная толщина [мм] : 25,4
Поверхность : с покрытием
страна выпуска автомобиля : Китай
Тип тормозного диска : вентилируемый
Толщина тормозного диска (мм) : 28
Число отверстий в диске колеса : 5
Показать больше свойств
|
|
|
Тормозной диск
Вес [кг] : 5,15
Высота [мм] : 68,5
Диаметр [мм] : 300
Диаметр центрирования [мм] : 67,1
для артикула № : 89011661 Bolt
Колесная база : не для длинной базы автомобиля
Минимальная толщина [мм] : 8,3
Тип тормозного диска : полный
Толщина тормозного диска (мм) : 10
Число отверстий в диске колеса : 5
Показать больше свойств
|
|
|
Тормозной диск
Вес [кг] : 10,87
Высота [мм] : 64,3
Диаметр [мм] : 322
Диаметр центрирования [мм] : 67
Минимальная толщина [мм] : 29,4
Тип тормозного диска : вентилируемый
Толщина тормозного диска (мм) : 32
Число отверстий в диске колеса : 5
Показать больше свойств
|
|
|
Тормозной диск
Вес [кг] : 10,62
Высота [мм] : 64,5
Диаметр [мм] : 322
Диаметр центрирования [мм] : 67,1
Минимальная толщина [мм] : 30
Тип тормозного диска : вентилируемый
Толщина тормозного диска (мм) : 32
Число отверстий в диске колеса : 5
Показать больше свойств
|
|
|
Тормозной диск
Вес [кг] : 8,44
Высота [мм] : 64,4
Диаметр [мм] : 295
Диаметр центрирования [мм] : 67
Минимальная толщина [мм] : 25,4
страна выпуска автомобиля : Китай
Тип тормозного диска : вентилируемый
Толщина тормозного диска (мм) : 28
Число отверстий в диске колеса : 5
Показать больше свойств
|
|
|
Тормозной диск
Высота [мм] : 64,5
Диаметр [мм] : 322
Диаметр фаски 2 [мм] : 112
Диаметр центрирования [мм] : 67
Количество отверстий : 5
Минимальная толщина [мм] : 30
Обработка : Высокоуглеродистый
Поверхность : лакированный
Размер резьбы : 15
Тип тормозного диска : вентилируемый
Толщина тормозного диска (мм) : 32
Цвет : черный
Показать больше свойств
|
|
|
Тормозной диск
Высота [мм] : 64,5
Диаметр [мм] : 295
Диаметр фаски 2 [мм] : 112
Диаметр центрирования [мм] : 67
Количество отверстий : 5
Минимальная толщина [мм] : 25,4
Обработка : Высокоуглеродистый
Поверхность : лакированный
Размер резьбы : 15,2
Тип тормозного диска : вентилируемый
Толщина тормозного диска (мм) : 28
Цвет : черный
Показать больше свойств
|
|
|
Тормозной диск
Вес [кг] : 8,93
Высота [мм] : 64,4
Диаметр [мм] : 295
Диаметр ступицы 1 [мм] : 67
Минимальная толщина [мм] : 25,4
Тип тормозного диска : вентилируемый
Толщина тормозного диска (мм) : 28
Число отверстий в диске колеса : 5
Показать больше свойств
|
|
|
Тормозной диск
Высота [мм] : 68,3
Диаметр [мм] : 300
Диаметр барабана : 180
Диаметр фаски 2 [мм] : 112
Диаметр центрирования [мм] : 67
Количество отверстий : 5
Минимальная толщина [мм] : 8,3
Поверхность : лакированный
Размер резьбы : 15,3
Тип тормозного диска : полный
Толщина тормозного диска (мм) : 10
Цвет : черный
Показать больше свойств
|
|
|
Тормозной диск
Вес [кг] : 8,39
Высота [мм] : 64,5
Диаметр [мм] : 295
Диаметр центрирования [мм] : 67
для артикула № : 142.1368
Количество отверстий : 5
Минимальная толщина [мм] : 25,4
Тип тормозного диска : с внутренней вентиляцией
Толщина тормозного диска (мм) : 28
Показать больше свойств
|
|
|
Тормозной диск
Вес [кг] : 10,62
Высота [мм] : 64,5
Диаметр [мм] : 322
Диаметр центрирования [мм] : 67,1
Минимальная толщина [мм] : 30
Поверхность : с покрытием
Тип тормозного диска : вентилируемый
Толщина тормозного диска (мм) : 32
Число отверстий в диске колеса : 5
Показать больше свойств
|
|
|
Тормозной диск
Вес [кг] : 5,24
Высота [мм] : 68
Диаметр [мм] : 300
Диаметр ступицы 1 [мм] : 67
Минимальная толщина [мм] : 9
Тип тормозного диска : полный
Толщина тормозного диска (мм) : 10
Число отверстий в диске колеса : 5
Показать больше свойств
|
|
|
Тормозной диск
Вес [кг] : 5,38
Высота [мм] : 68
Диаметр [мм] : 300
Диаметр ступицы 1 [мм] : 67
Минимальная толщина [мм] : 9
Тип тормозного диска : полный
Толщина тормозного диска (мм) : 10
Число отверстий в диске колеса : 5
Показать больше свойств
|
|
|
Тормозной диск
Вес [кг] : 8,43
Высота [мм] : 68,2
Диаметр [мм] : 320
Диаметр ступицы 1 [мм] : 67
Диаметр фаски 2 [мм] : 112
Минимальная толщина [мм] : 21,4
Тип тормозного диска : вентилируемый
Толщина тормозного диска (мм) : 24
Число отверстий в диске колеса : 5
Показать больше свойств
|
|
|
Тормозной диск
Вес [кг] : 11,5
Высота [мм] : 64,5
Диаметр [мм] : 322
Диаметр ступицы 1 [мм] : 67
Диаметр фаски 2 [мм] : 112
Минимальная толщина [мм] : 30
Тип тормозного диска : вентилируемый
Толщина тормозного диска (мм) : 32
Число отверстий в диске колеса : 5
Показать больше свойств
|
|
|
Тормозной диск
Вес [кг] : 10,88
Высота [мм] : 64,5
Диаметр [мм] : 322
Диаметр ступицы 1 [мм] : 67
Диаметр фаски 2 [мм] : 112
Минимальная толщина [мм] : 30
Тип тормозного диска : вентилируемый
Толщина тормозного диска (мм) : 32
Число отверстий в диске колеса : 5
Показать больше свойств
|
|
|
Тормозной диск
Вес [кг] : 11,35
Высота [мм] : 64,6
Диаметр [мм] : 322
Диаметр ступицы 1 [мм] : 66,8
Минимальная толщина [мм] : 29
Тип тормозного диска : вентилируемый
Толщина тормозного диска (мм) : 32
Число отверстий в диске колеса : 5
Показать больше свойств
|
|
|
Тормозной диск
Вес [кг] : 10,69
Высота [мм] : 64,6
Диаметр [мм] : 322
Диаметр ступицы 1 [мм] : 66,8
Минимальная толщина [мм] : 29
Тип тормозного диска : вентилируемый
Толщина тормозного диска (мм) : 32
Число отверстий в диске колеса : 5
Показать больше свойств
|
|
|
Тормозной диск
Вес [кг] : 8,43
Высота [мм] : 68,2
Диаметр [мм] : 320
Диаметр ступицы 1 [мм] : 67
Минимальная толщина [мм] : 21,4
Тип тормозного диска : вентилируемый
Толщина тормозного диска (мм) : 24
Число отверстий в диске колеса : 5
Показать больше свойств
|
|
|
Тормозной диск
Высота [мм] : 64,5
Диаметр [мм] : 295
Диаметр отверстия [мм] : 15
Диаметр фаски 2 [мм] : 67
для оригинального номера : 2044210712
Дополнительный артикул / дополнительная информация 2 : без валового подшипника
Количество отверстий : 5
Минимальная толщина [мм] : 25,5
Сторона установки : Передний мост
Тип тормозного диска : вентилируемый
Толщина тормозного диска (мм) : 28
Показать больше свойств
|
|
|
Тормозной диск
Вес [кг] : 10,87
Высота [мм] : 64,3
Диаметр [мм] : 322
Диаметр центрирования [мм] : 67
Минимальная толщина [мм] : 29,4
Поверхность : с покрытием
Тип тормозного диска : вентилируемый
Толщина тормозного диска (мм) : 32
Число отверстий в диске колеса : 5
Показать больше свойств
|
|
|
Тормозной диск
Вес [кг] : 10,8
Высота [мм] : 64,3
Диаметр [мм] : 322
Диаметр фаски 2 [мм] : 112
Диаметр центрирования [мм] : 67
Дополнительный артикул / дополнительная информация 2 : без ступицы
Минимальная толщина [мм] : 29,4
Номер технической информации : 54635PRO
Поверхность : с покрытием
Расположение/число отверстий : 05/06
Тип тормозного диска : с внутренней вентиляцией
Толщина тормозного диска (мм) : 32
Показать больше свойств
|
|
|
Тормозной диск
Вес [кг] : 8,8
Высота [мм] : 64,5
Диаметр отверстия [мм] : 15,2
Диаметр фаски 2 [мм] : 112
Диаметр центрирования [мм] : 67
Количество крепежных отверстий : 5
Количество отверстий : 5
Минимальная толщина [мм] : 25,5
Наружный диаметр [мм] : 295
Тип тормозного диска : вентилируемый
Толщина тормозного диска (мм) : 28
Показать больше свойств
|
|
|
Тормозной диск
Вес [кг] : 5,2
Высота [мм] : 65,5
Диаметр отверстия [мм] : 15
Диаметр фаски 2 [мм] : 112
Диаметр центрирования [мм] : 67
Количество крепежных отверстий : 5
Количество отверстий : 5
Минимальная толщина [мм] : 8,3
Наружный диаметр [мм] : 300
Тип тормозного диска : вентилируемый
Толщина тормозного диска (мм) : 10
Показать больше свойств
|
|
|
Тормозной диск
Вес [кг] : 5,15
Высота [мм] : 68,5
Диаметр [мм] : 300
Диаметр центрирования [мм] : 67,1
для артикула № : 89011661 Bolt
Колесная база : не для длинной базы автомобиля
Минимальная толщина [мм] : 8,3
Тип тормозного диска : полный
Толщина тормозного диска (мм) : 10
Число отверстий в диске колеса : 5
Показать больше свойств
|
|
|
Тормозной диск
Вес [кг] : 10,87
Высота [мм] : 64,3
Диаметр [мм] : 322
Диаметр центрирования [мм] : 67
Минимальная толщина [мм] : 29,4
Тип тормозного диска : вентилируемый
Толщина тормозного диска (мм) : 32
Число отверстий в диске колеса : 5
Показать больше свойств
|
|
|
Тормозной диск
Вес [кг] : 10,62
Высота [мм] : 64,5
Диаметр [мм] : 322
Диаметр центрирования [мм] : 67,1
Минимальная толщина [мм] : 30
Тип тормозного диска : вентилируемый
Толщина тормозного диска (мм) : 32
Число отверстий в диске колеса : 5
Показать больше свойств
|
|
|
Тормозной диск
Вес [кг] : 8,44
Высота [мм] : 64,4
Диаметр [мм] : 295
Диаметр центрирования [мм] : 67
Минимальная толщина [мм] : 25,4
страна выпуска автомобиля : Китай
Тип тормозного диска : вентилируемый
Толщина тормозного диска (мм) : 28
Число отверстий в диске колеса : 5
Показать больше свойств
|
|
|
Тормозной диск
Вес [кг] : 10,8
Высота [мм] : 64,3
Диаметр [мм] : 322
Диаметр фаски 2 [мм] : 112
Диаметр центрирования [мм] : 67
Дополнительный артикул / дополнительная информация 2 : без ступицы
Количество болтов : 1
Минимальная толщина [мм] : 29,4
Номер технической информации : 54635PRO_HC_NA
Обработка : Высокоуглеродистый
Поверхность : с покрытием
Расположение/число отверстий : 05/06
Тип тормозного диска : с внутренней вентиляцией
Толщина тормозного диска (мм) : 32
Цвет : серебряный
Показать больше свойств
|
|
|
Тормозной диск
Вес [кг] : 10,62
Высота [мм] : 64,5
Диаметр [мм] : 322
Диаметр фаски 2 [мм] : 112
Диаметр центрирования [мм] : 67
Дополнительный артикул / дополнительная информация 2 : без ступицы
Количество болтов : 1
Минимальная толщина [мм] : 30
Номер технической информации : 54634PRO_HC_NA
Обработка : Высокоуглеродистый
Поверхность : с покрытием
Расположение/число отверстий : 05/06
Тип тормозного диска : с отверстиями/с внутр. вентиляцией
Толщина тормозного диска (мм) : 32
Цвет : серебряный
Показать больше свойств
|
|
|
Тормозной диск
Вес [кг] : 5,2
Высота [мм] : 68,5
Диаметр [мм] : 300
Диаметр фаски 2 [мм] : 112
Диаметр центрирования [мм] : 67
Дополнительный артикул / дополнительная информация 2 : без ступицы
Количество болтов : 1
Минимальная толщина [мм] : 8,3
Номер технической информации : 54154PRO_HC_NA
Обработка : Высокоуглеродистый
Поверхность : с покрытием
Расположение/число отверстий : 05/06
Тип тормозного диска : полный
Толщина тормозного диска (мм) : 10
Цвет : серебряный
Показать больше свойств
|
|
|
Тормозной диск
Вес [кг] : 10,8
Высота [мм] : 64,3
Диаметр [мм] : 322
Диаметр фаски 2 [мм] : 112
Диаметр центрирования [мм] : 67
Дополнительный артикул / дополнительная информация 2 : с винтами
Количество болтов : 1
Минимальная толщина [мм] : 29,4
Номер технической информации : 54635PRO_HC_B
Обработка : Высокоуглеродистый
Поверхность : с покрытием
Расположение/число отверстий : 05/06
Тип тормозного диска : с внутренней вентиляцией
Толщина тормозного диска (мм) : 32
Цвет : черный
Показать больше свойств
|
|
|
Тормозной диск
Вес [кг] : 10,8
Высота [мм] : 64,3
Диаметр [мм] : 322
Диаметр фаски 2 [мм] : 112
Диаметр центрирования [мм] : 67
Дополнительный артикул / дополнительная информация 2 : без ступицы
Минимальная толщина [мм] : 29,4
Номер технической информации : 54635
Расположение/число отверстий : 05/06
Тип тормозного диска : с внутренней вентиляцией
Толщина тормозного диска (мм) : 32
Показать больше свойств
|
|
|
Тормозной диск
Вес [кг] : 5,15
Высота [мм] : 68,5
Диаметр [мм] : 300
Диаметр центрирования [мм] : 67,1
Колесная база : не для длинной базы автомобиля
Минимальная толщина [мм] : 8,3
Поверхность : с покрытием
Тип тормозного диска : полный
Толщина тормозного диска (мм) : 10
Число отверстий в диске колеса : 5
Показать больше свойств
|
|
|
Тормозной диск
Вес [кг] : 10,62
Высота [мм] : 64,5
Диаметр [мм] : 322
Диаметр фаски 2 [мм] : 112
Диаметр центрирования [мм] : 67
Дополнительный артикул / дополнительная информация 2 : без ступицы
Минимальная толщина [мм] : 30
Номер технической информации : 54634
Расположение/число отверстий : 05/06
Тип тормозного диска : с отверстиями/с внутр. вентиляцией
Толщина тормозного диска (мм) : 32
Показать больше свойств
|
|
|
Тормозной диск
Вес [кг] : 8,44
Высота [мм] : 64,5
Диаметр [мм] : 295
Диаметр фаски 2 [мм] : 112
Диаметр центрирования [мм] : 67
Дополнительный артикул / дополнительная информация 2 : без ступицы
Количество болтов : 1
Минимальная толщина [мм] : 25,4
Номер технической информации : 54632PRO_HC_NA
Обработка : Высокоуглеродистый
Поверхность : с покрытием
Расположение/число отверстий : 05/06
Тип тормозного диска : с внутренней вентиляцией
Толщина тормозного диска (мм) : 28
Цвет : серебряный
Показать больше свойств
|
|
|
Тормозной диск
Вес [кг] : 8,44
Высота [мм] : 64,5
Диаметр [мм] : 295
Диаметр фаски 2 [мм] : 112
Диаметр центрирования [мм] : 67
Дополнительный артикул / дополнительная информация 2 : без ступицы
Минимальная толщина [мм] : 25,4
Номер технической информации : 54632PRO
Поверхность : с покрытием
Расположение/число отверстий : 05/06
Тип тормозного диска : с внутренней вентиляцией
Толщина тормозного диска (мм) : 28
Показать больше свойств
|
|
|
Тормозной диск
Вес [кг] : 5,2
Высота [мм] : 68,5
Диаметр [мм] : 300
Диаметр фаски 2 [мм] : 112
Диаметр центрирования [мм] : 67
Дополнительный артикул / дополнительная информация 2 : без ступицы
Минимальная толщина [мм] : 8,3
Номер технической информации : 54154PRO
Обработка : Высокоуглеродистый
Поверхность : с покрытием
Расположение/число отверстий : 05/06
Тип тормозного диска : полный
Толщина тормозного диска (мм) : 10
Показать больше свойств
|
|
|
Тормозной диск
Вес [кг] : 5,2
Высота [мм] : 68,5
Диаметр [мм] : 300
Диаметр фаски 2 [мм] : 112
Диаметр центрирования [мм] : 67
Дополнительный артикул / дополнительная информация 2 : без ступицы
Минимальная толщина [мм] : 8,3
Номер технической информации : 54154
Расположение/число отверстий : 05/06
Тип тормозного диска : полный
Толщина тормозного диска (мм) : 10
Показать больше свойств
|
|
|
Тормозной диск
Внутренний диаметр : 180
Высота [мм] : 68,3
Диаметр [мм] : 300
Диаметр отверстия [мм] : 15,3
Диаметр фаски 2 [мм] : 112
Диаметр центрирования [мм] : 67
Дополнительный артикул / дополнительная информация 2 : с винтами
Количество отверстий : 5
Минимальная толщина [мм] : 8,3
Поверхность : с покрытием
Тип тормозного диска : полный
Толщина тормозного диска (мм) : 10
Показать больше свойств
|
|
|
Тормозной диск
Внутренний диаметр : 180
Высота [мм] : 68,3
Диаметр [мм] : 300
Диаметр отверстия [мм] : 15,3
Диаметр фаски 2 [мм] : 112
Диаметр центрирования [мм] : 67
Количество отверстий : 5
Минимальная толщина [мм] : 8,3
Тип тормозного диска : полный
Толщина тормозного диска (мм) : 10
Показать больше свойств
|
|
|
Тормозной диск
Высота [мм] : 64,5
Диаметр [мм] : 322
Диаметр фаски 2 [мм] : 112
Диаметр центрирования [мм] : 67
Количество отверстий : 5
Минимальная толщина [мм] : 30
Размер резьбы : 15
Тип тормозного диска : вентилируемый
Толщина тормозного диска (мм) : 32
Показать больше свойств
|
|
|
Тормозной диск
Высота [мм] : 64,4
Диаметр [мм] : 322
Диаметр фаски 2 [мм] : 112
Диаметр центрирования [мм] : 67
Количество отверстий : 5
Минимальная толщина [мм] : 29,4
Размер резьбы : 15.5
Размер резьбы 1 : 15,3
Размер резьбы 2 : 9,1
Тип тормозного диска : вентилируемый
Толщина тормозного диска (мм) : 32
Показать больше свойств
|
|
|
Тормозной диск
Высота [мм] : 68,3
Диаметр [мм] : 300
Диаметр барабана : 180
Диаметр фаски 2 [мм] : 112
Диаметр центрирования [мм] : 67
Количество отверстий : 5
Минимальная толщина [мм] : 8,3
Размер резьбы : 15,3
Тип тормозного диска : полный
Толщина тормозного диска (мм) : 10
Показать больше свойств
|
|
|
Тормозной диск
Высота [мм] : 64,5
Диаметр [мм] : 295
Диаметр фаски 2 [мм] : 112
Диаметр центрирования [мм] : 67
Количество отверстий : 5
Минимальная толщина [мм] : 25,4
Размер резьбы : 15,2
Тип тормозного диска : вентилируемый
Толщина тормозного диска (мм) : 28
Показать больше свойств
|
|
|
Тормозной диск
Вес [кг] : 8,44
Высота [мм] : 64,4
Диаметр [мм] : 295
Диаметр центрирования [мм] : 67
Минимальная толщина [мм] : 25,4
Поверхность : с покрытием
страна выпуска автомобиля : Китай
Тип тормозного диска : вентилируемый
Толщина тормозного диска (мм) : 28
Число отверстий в диске колеса : 5
Показать больше свойств
|
|
|
Тормозной диск
Вес [кг] : 5,15
Высота [мм] : 68,5
Диаметр [мм] : 300
Диаметр центрирования [мм] : 67,1
Колесная база : не для длинной базы автомобиля
Минимальная толщина [мм] : 8,3
Поверхность : с покрытием
Тип тормозного диска : полный
Толщина тормозного диска (мм) : 10
Число отверстий в диске колеса : 5
Показать больше свойств
|
|
|
Тормозной диск
Внутренний диаметр : 180
Высота [мм] : 68,3
Диаметр [мм] : 300
Диаметр отверстия [мм] : 15,3
Диаметр фаски 2 [мм] : 112
Диаметр центрирования [мм] : 67
Дополнительный артикул / дополнительная информация 2 : с винтами
Количество отверстий : 5
Минимальная толщина [мм] : 8,3
Поверхность : с покрытием
Тип тормозного диска : полный
Толщина тормозного диска (мм) : 10
Показать больше свойств
|
|
|
Тормозной диск
Вес [кг] : 8,44
Высота [мм] : 64,5
Высота упаковки [см] : 15,5
Диаметр [мм] : 295
Диаметр фаски 2 [мм] : 112
Диаметр центрирования [мм] : 67
Длина упаковки [см] : 33
Дополнительный артикул / дополнительная информация 2 : без ступицы
Минимальная толщина [мм] : 25,4
Номер технической информации : 98200 1632 0 1 PRO
Обработка : Высокоуглеродистый
Поверхность : с покрытием
Расположение/число отверстий : 05/06
Тип тормозного диска : с внутренней вентиляцией
Толщина тормозного диска (мм) : 28
Ширина упаковки [см] : 31,5
Показать больше свойств
|
|
|
Тормозной диск
Вес [кг] : 8,6
Высота [мм] : 64,5
Высота упаковки [см] : 15,5
Диаметр [мм] : 295
Диаметр фаски 2 [мм] : 112
Диаметр центрирования [мм] : 67
Длина упаковки [см] : 33
Дополнительный артикул / дополнительная информация 2 : без ступицы
Минимальная толщина [мм] : 25,4
Номер технической информации : 98200 1632 0 1 PRO
Поверхность : с покрытием
Расположение/число отверстий : 05/06
Тип тормозного диска : с внутренней вентиляцией
Толщина тормозного диска (мм) : 28
Ширина упаковки [см] : 31,5
Показать больше свойств
|
|
|
Тормозной диск
Вес [кг] : 5,2
Высота [мм] : 68,5
Высота упаковки [см] : 15,5
Диаметр [мм] : 300
Диаметр фаски 2 [мм] : 112
Диаметр центрирования [мм] : 67
Длина упаковки [см] : 33
Дополнительный артикул / дополнительная информация 2 : без ступицы
Минимальная толщина [мм] : 8,3
Номер технической информации : 98200 1154 0 1 PRO
Обработка : Высокоуглеродистый
Поверхность : с покрытием
Расположение/число отверстий : 05/06
Тип тормозного диска : полный
Толщина тормозного диска (мм) : 10
Ширина упаковки [см] : 31,5
Показать больше свойств
|
|
|
Тормозной диск
Вес [кг] : 5,2
Высота [мм] : 68,5
Высота упаковки [см] : 15,5
Диаметр [мм] : 300
Диаметр фаски 2 [мм] : 112
Диаметр центрирования [мм] : 67
Длина упаковки [см] : 33
Дополнительный артикул / дополнительная информация 2 : без ступицы
Минимальная толщина [мм] : 8,3
Номер технической информации : 98200 1154 0 1 PRO
Поверхность : с покрытием
Расположение/число отверстий : 05/06
Тип тормозного диска : полный
Толщина тормозного диска (мм) : 10
Ширина упаковки [см] : 31,5
Показать больше свойств
|
|
|
Тормозной диск
Вес [кг] : 8,2
Высота [мм] : 68
Диаметр [мм] : 320
Диаметр фаски 2 [мм] : 112
Диаметр центрирования [мм] : 67
Дополнительный артикул / дополнительная информация 2 : без ступицы
Минимальная толщина [мм] : 21,4
Обработка : Высокоуглеродистый
Поверхность : с покрытием
Расположение/число отверстий : 05/06
Тип тормозного диска : с внутренней вентиляцией
Толщина тормозного диска (мм) : 24
Показать больше свойств
|
|
|
Тормозной диск
Вес [кг] : 10,8
Высота [мм] : 64,3
Диаметр [мм] : 322
Диаметр фаски 2 [мм] : 112
Диаметр центрирования [мм] : 67
Дополнительный артикул / дополнительная информация 2 : без ступицы
Минимальная толщина [мм] : 29,4
Поверхность : с покрытием
Расположение/число отверстий : 05/06
Тип тормозного диска : с внутренней вентиляцией
Толщина тормозного диска (мм) : 32
Показать больше свойств
|
|
|
Тормозной диск
Вес [кг] : 10,62
Высота [мм] : 64,5
Диаметр [мм] : 322
Диаметр фаски 2 [мм] : 112
Диаметр центрирования [мм] : 67
Дополнительный артикул / дополнительная информация 2 : без ступицы
Минимальная толщина [мм] : 30
Поверхность : с покрытием
Расположение/число отверстий : 05/06
Тип тормозного диска : с отверстиями/с внутр. вентиляцией
Толщина тормозного диска (мм) : 32
Показать больше свойств
|
|
|
Тормозной диск
Вес [кг] : 8,44
Высота [мм] : 64,5
Диаметр [мм] : 295
Диаметр фаски 2 [мм] : 112
Диаметр центрирования [мм] : 67
Дополнительный артикул / дополнительная информация 2 : без ступицы
Минимальная толщина [мм] : 25,4
Поверхность : с покрытием
Расположение/число отверстий : 05/06
Тип тормозного диска : с внутренней вентиляцией
Толщина тормозного диска (мм) : 28
Показать больше свойств
|
|
|
Тормозной диск
Вес [кг] : 5,2
Высота [мм] : 68,5
Диаметр [мм] : 300
Диаметр фаски 2 [мм] : 112
Диаметр центрирования [мм] : 67
Дополнительный артикул / дополнительная информация 2 : без ступицы
Минимальная толщина [мм] : 8,3
Поверхность : с покрытием
Расположение/число отверстий : 05/06
Тип тормозного диска : полный
Толщина тормозного диска (мм) : 10
Показать больше свойств
|
|
|
Тормозной диск
Вес [кг] : 10,8
Высота [мм] : 64,3
Диаметр [мм] : 322
Диаметр фаски 2 [мм] : 112
Диаметр центрирования [мм] : 67
Дополнительный артикул / дополнительная информация 2 : без ступицы
Количество болтов : 1
Минимальная толщина [мм] : 29,4
Номер технической информации : 54635PRO_HC_NA
Обработка : Высокоуглеродистый
Поверхность : с покрытием
Расположение/число отверстий : 05/06
Тип тормозного диска : с внутренней вентиляцией
Толщина тормозного диска (мм) : 32
Цвет : серебряный
Показать больше свойств
|
|
|
Тормозной диск
Вес [кг] : 10,9
Высота [мм] : 64,3
Высота упаковки [см] : 8
Диаметр [мм] : 322
Диаметр фаски 2 [мм] : 112
Диаметр центрирования [мм] : 67
Длина упаковки [см] : 38
Дополнительный артикул / дополнительная информация 2 : без ступицы
Минимальная толщина [мм] : 29,4
Номер технической информации : 98200 1635 0 1
Поверхность : с покрытием
Расположение/число отверстий : 05/06
Тип тормозного диска : с внутренней вентиляцией
Толщина тормозного диска (мм) : 32
Ширина упаковки [см] : 36,5
Показать больше свойств
|
|
|
Тормозной диск
Вес [кг] : 10,62
Высота [мм] : 64,5
Диаметр [мм] : 322
Диаметр фаски 2 [мм] : 112
Диаметр центрирования [мм] : 67
Дополнительный артикул / дополнительная информация 2 : без ступицы
Количество болтов : 1
Минимальная толщина [мм] : 30
Номер технической информации : 54634PRO_HC_NA
Обработка : Высокоуглеродистый
Поверхность : с покрытием
Расположение/число отверстий : 05/06
Тип тормозного диска : с отверстиями/с внутр. вентиляцией
Толщина тормозного диска (мм) : 32
Цвет : серебряный
Показать больше свойств
|
|
|
Тормозной диск
Вес [кг] : 5,2
Высота [мм] : 68,5
Диаметр [мм] : 300
Диаметр фаски 2 [мм] : 112
Диаметр центрирования [мм] : 67
Дополнительный артикул / дополнительная информация 2 : без ступицы
Количество болтов : 1
Минимальная толщина [мм] : 8,3
Номер технической информации : 54154PRO_HC_NA
Обработка : Высокоуглеродистый
Поверхность : с покрытием
Расположение/число отверстий : 05/06
Тип тормозного диска : полный
Толщина тормозного диска (мм) : 10
Цвет : серебряный
Показать больше свойств
|
|
|
Тормозной диск
Вес [кг] : 10,8
Высота [мм] : 64,3
Диаметр [мм] : 322
Диаметр фаски 2 [мм] : 112
Диаметр центрирования [мм] : 67
Дополнительный артикул / дополнительная информация 2 : с винтами
Количество болтов : 1
Минимальная толщина [мм] : 29,4
Номер технической информации : 54635PRO_HC_B
Обработка : Высокоуглеродистый
Поверхность : с покрытием
Расположение/число отверстий : 05/06
Тип тормозного диска : с внутренней вентиляцией
Толщина тормозного диска (мм) : 32
Цвет : черный
Показать больше свойств
|
|
|
Тормозной диск
Вес [кг] : 10,8
Высота [мм] : 64,3
Диаметр [мм] : 322
Диаметр фаски 2 [мм] : 112
Диаметр центрирования [мм] : 67
Дополнительный артикул / дополнительная информация 2 : без ступицы
Минимальная толщина [мм] : 29,4
Номер технической информации : 54635PRO
Поверхность : с покрытием
Расположение/число отверстий : 05/06
Тип тормозного диска : с внутренней вентиляцией
Толщина тормозного диска (мм) : 32
Показать больше свойств
|
|
|
Тормозной диск
Вес [кг] : 10,8
Высота [мм] : 64,3
Диаметр [мм] : 322
Диаметр фаски 2 [мм] : 112
Диаметр центрирования [мм] : 67
Дополнительный артикул / дополнительная информация 2 : без ступицы
Минимальная толщина [мм] : 29,4
Номер технической информации : 54635
Расположение/число отверстий : 05/06
Тип тормозного диска : с внутренней вентиляцией
Толщина тормозного диска (мм) : 32
Показать больше свойств
|
|
|
Тормозной диск
Вес [кг] : 10,62
Высота [мм] : 64,5
Диаметр [мм] : 322
Диаметр фаски 2 [мм] : 112
Диаметр центрирования [мм] : 67
Дополнительный артикул / дополнительная информация 2 : без ступицы
Минимальная толщина [мм] : 30
Номер технической информации : 54634
Расположение/число отверстий : 05/06
Тип тормозного диска : с отверстиями/с внутр. вентиляцией
Толщина тормозного диска (мм) : 32
Показать больше свойств
|
|
|
Тормозной диск
Вес [кг] : 8,44
Высота [мм] : 64,5
Диаметр [мм] : 295
Диаметр фаски 2 [мм] : 112
Диаметр центрирования [мм] : 67
Дополнительный артикул / дополнительная информация 2 : без ступицы
Количество болтов : 1
Минимальная толщина [мм] : 25,4
Номер технической информации : 54632PRO_HC_NA
Обработка : Высокоуглеродистый
Поверхность : с покрытием
Расположение/число отверстий : 05/06
Тип тормозного диска : с внутренней вентиляцией
Толщина тормозного диска (мм) : 28
Цвет : серебряный
Показать больше свойств
|
|
|
Тормозной диск
Вес [кг] : 8,44
Высота [мм] : 64,5
Диаметр [мм] : 295
Диаметр фаски 2 [мм] : 112
Диаметр центрирования [мм] : 67
Дополнительный артикул / дополнительная информация 2 : без ступицы
Минимальная толщина [мм] : 25,4
Номер технической информации : 54632PRO
Поверхность : с покрытием
Расположение/число отверстий : 05/06
Тип тормозного диска : с внутренней вентиляцией
Толщина тормозного диска (мм) : 28
Показать больше свойств
|
|
|
Тормозной диск
Вес [кг] : 5,2
Высота [мм] : 68,5
Диаметр [мм] : 300
Диаметр фаски 2 [мм] : 112
Диаметр центрирования [мм] : 67
Дополнительный артикул / дополнительная информация 2 : без ступицы
Минимальная толщина [мм] : 8,3
Номер технической информации : 54154PRO
Обработка : Высокоуглеродистый
Поверхность : с покрытием
Расположение/число отверстий : 05/06
Тип тормозного диска : полный
Толщина тормозного диска (мм) : 10
Показать больше свойств
|
|
|
Тормозной диск
Вес [кг] : 5,2
Высота [мм] : 68,5
Диаметр [мм] : 300
Диаметр фаски 2 [мм] : 112
Диаметр центрирования [мм] : 67
Дополнительный артикул / дополнительная информация 2 : без ступицы
Минимальная толщина [мм] : 8,3
Номер технической информации : 54154
Расположение/число отверстий : 05/06
Тип тормозного диска : полный
Толщина тормозного диска (мм) : 10
Показать больше свойств
|
|
|
Тормозной диск
Вес [кг] : 10,62
Высота [мм] : 64,5
Высота упаковки [см] : 8
Диаметр [мм] : 322
Диаметр фаски 2 [мм] : 112
Диаметр центрирования [мм] : 67
Длина упаковки [см] : 38
Дополнительный артикул / дополнительная информация 2 : без ступицы
Минимальная толщина [мм] : 30
Номер технической информации : 98200 1634 0 1
Поверхность : с покрытием
Расположение/число отверстий : 05/06
Тип тормозного диска : с отверстиями/с внутр. вентиляцией
Толщина тормозного диска (мм) : 32
Ширина упаковки [см] : 36,5
Показать больше свойств
|
|
|
Тормозной диск
Вес [кг] : 8,2
Высота [мм] : 68
Высота упаковки [см] : 15
Диаметр [мм] : 320
Диаметр фаски 2 [мм] : 112
Диаметр центрирования [мм] : 67
Длина упаковки [см] : 35
Дополнительный артикул / дополнительная информация 2 : без ступицы
Минимальная толщина [мм] : 21,4
Номер технической информации : 98200 2337 0 1 PRO
Обработка : Высокоуглеродистый
Поверхность : с покрытием
Расположение/число отверстий : 05/06
Тип тормозного диска : с внутренней вентиляцией
Толщина тормозного диска (мм) : 24
Ширина упаковки [см] : 33,5
Показать больше свойств
|
|
|
Тормозной диск
Вес [кг] : 10,87
Высота [мм] : 64,3
Диаметр [мм] : 322
Диаметр центрирования [мм] : 67
Минимальная толщина [мм] : 29,4
Поверхность : с покрытием
Тип тормозного диска : вентилируемый
Толщина тормозного диска (мм) : 32
Число отверстий в диске колеса : 5
Показать больше свойств
|
|
|
Тормозной диск
Диаметр [мм] : 300
ограничение производителя : ATE
Поверхность : с покрытием
Тип тормозного диска : полный
Толщина тормозного диска (мм) : 10
Показать больше свойств
|
|
|
Тормозной диск
Вес [кг] : 10,62
Высота [мм] : 64,5
Диаметр [мм] : 322
Диаметр центрирования [мм] : 67,1
Минимальная толщина [мм] : 30
Поверхность : с покрытием
Тип тормозного диска : вентилируемый
Толщина тормозного диска (мм) : 32
Число отверстий в диске колеса : 5
Показать больше свойств
|
|
|
Тормозной диск
Вес [кг] : 8,39
Высота [мм] : 64,5
Диаметр [мм] : 295
Диаметр центрирования [мм] : 67
для артикула № : HPD 1368
Количество отверстий : 5
Минимальная толщина [мм] : 25,4
Тип тормозного диска : с внутренней вентиляцией
Толщина тормозного диска (мм) : 28
Показать больше свойств
|
|
|
Тормозной диск
Вес [кг] : 5,15
Высота [мм] : 68,5
Диаметр [мм] : 300
Диаметр центрирования [мм] : 67,1
для артикула № : 89011661 Bolt
Колесная база : не для длинной базы автомобиля
Минимальная толщина [мм] : 8,3
Тип тормозного диска : полный
Толщина тормозного диска (мм) : 10
Число отверстий в диске колеса : 5
Показать больше свойств
|
|
|
Тормозной диск
Вес [кг] : 10,87
Высота [мм] : 64,3
Диаметр [мм] : 322
Диаметр центрирования [мм] : 67
Минимальная толщина [мм] : 29,4
Тип тормозного диска : вентилируемый
Толщина тормозного диска (мм) : 32
Число отверстий в диске колеса : 5
Показать больше свойств
|
|
|
Тормозной диск
Вес [кг] : 10,62
Высота [мм] : 64,5
Диаметр [мм] : 322
Диаметр центрирования [мм] : 67,1
Минимальная толщина [мм] : 30
Тип тормозного диска : вентилируемый
Толщина тормозного диска (мм) : 32
Число отверстий в диске колеса : 5
Показать больше свойств
|
|
|
Тормозной диск
Вес [кг] : 8,44
Высота [мм] : 64,4
Диаметр [мм] : 295
Диаметр центрирования [мм] : 67
Минимальная толщина [мм] : 25,4
страна выпуска автомобиля : Китай
Тип тормозного диска : вентилируемый
Толщина тормозного диска (мм) : 28
Число отверстий в диске колеса : 5
Показать больше свойств
|
|
|
Тормозной диск
вариант оснащения : nicht für Sportpaket
Высота [мм] : 64,5
Диаметр [мм] : 322
Диаметр фаски 2 [мм] : 112
Количество отверстий : 5
Минимальная толщина [мм] : 30
Поверхность : с покрытием
Тип тормозного диска : вентилируемый
Толщина тормозного диска (мм) : 32
Показать больше свойств
|
|
|
Тормозной диск
Высота [мм] : 64,5
Диаметр [мм] : 295
Количество отверстий : 5
Минимальная толщина [мм] : 25,4
Поверхность : с покрытием
Тип тормозного диска : вентилируемый
Толщина тормозного диска (мм) : 28
Показать больше свойств
|
|
|
Тормозной диск
Высота [мм] : 64,5
Диаметр [мм] : 295
Количество отверстий : 5
Минимальная толщина [мм] : 25,4
Тип тормозного диска : вентилируемый
Толщина тормозного диска (мм) : 28
Показать больше свойств
|
|
|
Тормозной диск
Высота [мм] : 68,2
Диаметр [мм] : 320
Количество отверстий : 5
Минимальная толщина [мм] : 21,4
Поверхность : с покрытием
Тип тормозного диска : вентилируемый
Толщина тормозного диска (мм) : 24
Показать больше свойств
|
|
|
Тормозной диск
Высота [мм] : 68,5
Диаметр [мм] : 300
Диаметр центрирования [мм] : 67
Количество отверстий : 5
Минимальная толщина [мм] : 8,3
Сторона установки : Задний мост
Тип тормозного диска : полный
Толщина тормозного диска (мм) : 10
Тормозная система : ATE
Показать больше свойств
|
|
|
Тормозной диск
Высота [мм] : 64,5
Диаметр [мм] : 322
Диаметр фаски 2 [мм] : 112
Количество отверстий : 5
Минимальная толщина [мм] : 30
Поверхность : с покрытием
Тип тормозного диска : вентилируемый
Толщина тормозного диска (мм) : 32
Показать больше свойств
|
|
|
Тормозной диск
Высота [мм] : 64,5
Диаметр [мм] : 322
Диаметр фаски 2 [мм] : 112
Количество отверстий : 5
Минимальная толщина [мм] : 30
Тип тормозного диска : вентилируемый
Толщина тормозного диска (мм) : 32
Показать больше свойств
|
|
|
Тормозной диск
Вес [кг] : 8,2
Высота [мм] : 68
Диаметр [мм] : 320
Диаметр фаски 2 [мм] : 112
Диаметр центрирования [мм] : 67
Дополнительный артикул / дополнительная информация 2 : без ступицы
Минимальная толщина [мм] : 21,4
Расположение/число отверстий : 05/06
Тип тормозного диска : с внутренней вентиляцией
Толщина тормозного диска (мм) : 24
Показать больше свойств
|
|
|
Тормозной диск
Вес [кг] : 10,62
Высота [мм] : 64,5
Диаметр [мм] : 322
Диаметр фаски 2 [мм] : 112
Диаметр центрирования [мм] : 67
Дополнительный артикул / дополнительная информация 2 : без ступицы
Минимальная толщина [мм] : 30
Расположение/число отверстий : 05/06
Тип тормозного диска : с отверстиями/с внутр. вентиляцией
Толщина тормозного диска (мм) : 32
Показать больше свойств
|
|
|
Тормозной диск
Вес [кг] : 10,9
Высота [мм] : 64,3
Диаметр [мм] : 322
Диаметр фаски 2 [мм] : 112
Диаметр центрирования [мм] : 67
Дополнительный артикул / дополнительная информация 2 : без ступицы
Минимальная толщина [мм] : 29,4
Расположение/число отверстий : 05/06
Тип тормозного диска : с внутренней вентиляцией
Толщина тормозного диска (мм) : 32
Показать больше свойств
|
|
|
Тормозной диск
Вес [кг] : 8,6
Высота [мм] : 64,5
Диаметр [мм] : 295
Диаметр фаски 2 [мм] : 112
Диаметр центрирования [мм] : 67
Дополнительный артикул / дополнительная информация 2 : без ступицы
Минимальная толщина [мм] : 25,4
Расположение/число отверстий : 05/06
Тип тормозного диска : с внутренней вентиляцией
Толщина тормозного диска (мм) : 28
Показать больше свойств
|
|
|
Тормозной диск
Вес [кг] : 5,2
Высота [мм] : 68,5
Диаметр [мм] : 300
Диаметр фаски 2 [мм] : 112
Диаметр центрирования [мм] : 67
Дополнительный артикул / дополнительная информация 2 : без ступицы
Минимальная толщина [мм] : 8,3
Расположение/число отверстий : 05/06
Тип тормозного диска : полный
Толщина тормозного диска (мм) : 10
Показать больше свойств
|
|
|
Тормозной диск
Вес [кг] : 5,26
Высота [мм] : 65,5
Диаметр [мм] : 300
Диаметр центрирования [мм] : 67
Дополнительный артикул / дополнительная информация 2 : с винтами
Количественная единица : штука
Количество отверстий : 5
Минимальная толщина [мм] : 9,3
Момент затяжки [Нм] : 150
Поверхность : с покрытием
Сторона установки : Задний мост
Тип тормозного диска : полный
Толщина тормозного диска (мм) : 10
Показать больше свойств
|
|
|
Тормозной диск
Вес [кг] : 10,51
Высота [мм] : 65,5
Диаметр [мм] : 300
Диаметр фаски 2 [мм] : 0
Диаметр центрирования [мм] : 67
Дополнительный артикул / дополнительная информация 2 : с винтами
Количественная единица : комплект
Количество отверстий : 5
Минимальная толщина [мм] : 9,3
Момент затяжки [Нм] : 150
Поверхность : с покрытием
Сторона установки : Задний мост
Тип тормозного диска : полный
Толщина тормозного диска (мм) : 10
Показать больше свойств
|
|
|
Тормозной диск
Версия : JC
Высота [мм] : 68,5
Диаметр [мм] : 300
Диаметр центрирования [мм] : 67
Количество отверстий : 5
Минимальная толщина [мм] : 8,3
Поверхность : с покрытием
Сторона установки : Задний мост
Тип тормозного диска : полный
Толщина тормозного диска (мм) : 10
Тормозная система : ATE
Показать больше свойств
|
|
|
Тормозной диск
Вес [кг] : 11,5
Высота [мм] : 64,5
Диаметр отверстия [мм] : 15,2
Диаметр фаски 2 [мм] : 112
Диаметр центрирования [мм] : 67
Количество крепежных отверстий : 5
Количество отверстий : 5
Минимальная толщина [мм] : 30
Наружный диаметр [мм] : 322
Тип тормозного диска : вентилируемый
Толщина тормозного диска (мм) : 32
Показать больше свойств
|
|