|
Тормозной диск
Высота [мм] : 45
Диаметр [мм] : 236
Диаметр отверстия [мм] : 13
Диаметр фаски 2 [мм] : 100
Диаметр центрирования [мм] : 64
Количество отверстий : 4
Минимальная толщина [мм] : 16,4
Сторона установки : Передний мост
Тип тормозного диска : вентилируемый
Толщина тормозного диска (мм) : 18
Показать больше свойств
|
|
|
Тормозной диск
Высота [мм] : 40,8
Диаметр [мм] : 236
Диаметр отверстия [мм] : 12,6
Диаметр фаски 2 [мм] : 100
Диаметр центрирования [мм] : 64
Количество отверстий : 4
Минимальная толщина [мм] : 8,4
Сторона установки : Задний мост
Тип тормозного диска : полный
Толщина тормозного диска (мм) : 10
Показать больше свойств
|
|
|
Тормозной диск
Диаметр [мм] : 236
Диаметр ступицы колеса [мм] : 64
Количество отверстий : 4
Минимальная толщина [мм] : 16,4
Тип тормозного диска : с внутренней вентиляцией
Толщина тормозного диска (мм) : 18
Показать больше свойств
|
|
|
Тормозной диск
Вес [кг] : 3,05
Высота [мм] : 41
Диаметр [мм] : 236
Диаметр ступицы 1 [мм] : 63,7
Минимальная толщина [мм] : 9
Тип тормозного диска : полный
Толщина тормозного диска (мм) : 10
Число отверстий в диске колеса : 4
Показать больше свойств
|
|
|
Тормозной диск
Высота [мм] : 45,5
Диаметр [мм] : 236
Диаметр ступицы [мм] : 137
Диаметр точек крепления [мм] : 100
Диаметр фаски 2 [мм] : 12,5
Диаметр центрирования [мм] : 64
Количество отверстий 1 : 4
Количество отверстий 2 : 2
Сторона установки : Передний мост
Тип тормозного диска : вентилируемый
Толщина тормозного диска (мм) : 18
Показать больше свойств
|
|
|
Тормозной диск
Высота [мм] : 45
Диаметр фаски 2 [мм] : 100
Диаметр центрирования [мм] : 64
Количество отверстий : 4
Минимальная толщина [мм] : 16
Наружный диаметр [мм] : 236
Сторона установки : Передний мост
Тип тормозного диска : с внутренней вентиляцией
Толщина тормозного диска (мм) : 18
Число отверстий : 2
Показать больше свойств
|
|
|
Тормозной диск
Высота [мм] : 45
Диаметр [мм] : 236
Диаметр фаски 2 [мм] : 100
Диаметр центрирования [мм] : 64
Количество отверстий : 4
Минимальная толщина [мм] : 16,4
Размер резьбы : 12,5
Тип тормозного диска : вентилируемый
Толщина тормозного диска (мм) : 18
Показать больше свойств
|
|
|
Тормозной диск
Ø отверстия болт крепления колеса [мм] : 12,6
Высота [мм] : 45
Диаметр фаски 2 [мм] : 100
Диаметр центрирования [мм] : 64
Количество отверстий : 4
Минимальная толщина [мм] : 16,4
Наружный диаметр [мм] : 236
Сторона установки : Передний мост
Тип тормозного диска : вентилируемый
Толщина тормозного диска (мм) : 18
Показать больше свойств
|
|
|
Тормозной диск
Вес [кг] : 3,5
Диаметр фаски 2 [мм] : 100
Наружный диаметр [мм] : 236
необходимое количество : 2
Сторона установки : Передний мост
Тип тормозного диска : с внутренней вентиляцией
Толщина [мм] : 45,1
Толщина тормозного диска (мм) : 18
Число отверстий в диске колеса : 4
Показать больше свойств
|
|
|
Тормозной диск
Вес [кг] : 3,860
Диаметр фаски 2 [мм] : 100
Диаметр центрирования [мм] : 64
Количество крепежных отверстий : 2
Минимальная толщина [мм] : 16,4
Наружный диаметр [мм] : 236
необходимое количество : 1
Сторона установки : Передний мост
Тип тормозного диска : с внутренней вентиляцией
Толщина [мм] : 46
Толщина тормозного диска (мм) : 18
Число отверстий в диске колеса : 4
Показать больше свойств
|
|
|
Тормозной диск
Вес [кг] : 3,5
Диаметр фаски 2 [мм] : 100
Наружный диаметр [мм] : 236
необходимое количество : 2
Сторона установки : Передний мост
Тип тормозного диска : с внутренней вентиляцией
Толщина [мм] : 45,1
Толщина тормозного диска (мм) : 18
Число отверстий в диске колеса : 4
Показать больше свойств
|
|
|
Тормозной диск
Высота [мм] : 41
Диаметр [мм] : 236
Диаметр фаски 2 [мм] : 100
Диаметр центрирования [мм] : 64
Количество отверстий : 4
Минимальная толщина [мм] : 8,4
Поверхность : лакированный
Размер резьбы : 12,75
Тип тормозного диска : полный
Толщина тормозного диска (мм) : 10
Цвет : черный
Показать больше свойств
|
|
|
Тормозной диск
Высота [мм] : 45
Диаметр [мм] : 236
Диаметр центрирования [мм] : 64
для артикула № : 09.7056.11
Количество отверстий : 4
Минимальная толщина [мм] : 16,4
Момент затяжки [Нм] : 108
Поверхность : с покрытием
Тип тормозного диска : с внутренней вентиляцией
Толщина тормозного диска (мм) : 18
Показать больше свойств
|
|
|
Тормозной диск
Высота [мм] : 45
Диаметр [мм] : 236
Диаметр фаски 2 [мм] : 100
Диаметр центрирования [мм] : 64
Количество отверстий : 4
Минимальная толщина [мм] : 16,4
Поверхность : лакированный
Размер резьбы : 12,5
Тип тормозного диска : вентилируемый
Толщина тормозного диска (мм) : 18
Цвет : черный
Показать больше свойств
|
|
|
Тормозной диск
Вес [кг] : 2,65
Высота [мм] : 41
Диаметр [мм] : 236
Диаметр центрирования [мм] : 64
Минимальная толщина [мм] : 8,4
Тип тормозного диска : полный
Толщина тормозного диска (мм) : 10
Число отверстий в диске колеса : 4
Показать больше свойств
|
|
|
Тормозной диск
Высота [мм] : 34
Диаметр [мм] : 236
Диаметр центрирования [мм] : 86
Минимальная толщина [мм] : 16
Поверхность : с покрытием
Тип тормозного диска : вентилируемый
Толщина тормозного диска (мм) : 18
Число отверстий в диске колеса : 4
Показать больше свойств
|
|
|
Тормозной диск
Вес [кг] : 3,6
Высота [мм] : 45
Диаметр [мм] : 236
Диаметр центрирования [мм] : 64
Минимальная толщина [мм] : 17
Поверхность : с покрытием
Тип тормозного диска : вентилируемый
Толщина тормозного диска (мм) : 18
Число отверстий в диске колеса : 4
Показать больше свойств
|
|
|
Тормозной диск
Вес [кг] : 3,6
Высота [мм] : 45
Диаметр [мм] : 236
Диаметр центрирования [мм] : 64
Минимальная толщина [мм] : 17
Тип тормозного диска : вентилируемый
Толщина тормозного диска (мм) : 18
Число отверстий в диске колеса : 4
Показать больше свойств
|
|
|
Тормозной диск
Вес [кг] : 2,65
Высота [мм] : 41
Диаметр [мм] : 236
Диаметр центрирования [мм] : 64
Минимальная толщина [мм] : 8,4
Поверхность : с покрытием
Тип тормозного диска : полный
Толщина тормозного диска (мм) : 10
Число отверстий в диске колеса : 4
Показать больше свойств
|
|
|
Тормозной диск
Внутренний диаметр : 144
Высота [мм] : 41
Диаметр [мм] : 236
Диаметр отверстия [мм] : 12,6
Диаметр фаски 2 [мм] : 100
Диаметр центрирования [мм] : 64
Количественная единица : штука
Количество отверстий : 4
Минимальная толщина [мм] : 8,4
Сторона установки : Задний мост
Тип тормозного диска : полный
Толщина тормозного диска (мм) : 10
Показать больше свойств
|
|
|
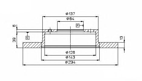
Тормозной диск
Вес [кг] : 3,8
Диаметр фаски 2 [мм] : 100
Диаметр центрирования [мм] : 64
Количество крепежных отверстий : 2
Минимальная толщина [мм] : 11
Наружный диаметр [мм] : 234
необходимое количество : 1
Сторона установки : Передний мост
Тип тормозного диска : полный
Толщина [мм] : 45,5
Толщина тормозного диска (мм) : 13
Число отверстий в диске колеса : 4
Показать больше свойств
|
|
|
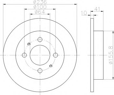
Тормозной диск
Вес [кг] : 3,248
Диаметр фаски 2 [мм] : 100
Диаметр центрирования [мм] : 64
Количество крепежных отверстий : 2
Минимальная толщина [мм] : 8,4
Наружный диаметр [мм] : 236
необходимое количество : 1
Сторона установки : Задний мост
Тип тормозного диска : полный
Толщина [мм] : 41
Толщина тормозного диска (мм) : 10
Число отверстий в диске колеса : 4
Показать больше свойств
|
|
|
Тормозной диск
Внутренний диаметр : 144
Высота [мм] : 41
Диаметр [мм] : 236
Диаметр отверстия [мм] : 12,6
Диаметр фаски 2 [мм] : 100
Диаметр центрирования [мм] : 64
Количественная единица : комплект
Количество отверстий : 4
Минимальная толщина [мм] : 8,4
Сторона установки : Задний мост
Тип тормозного диска : полный
Толщина тормозного диска (мм) : 10
Показать больше свойств
|
|
|
Тормозной диск
Высота [мм] : 45
Диаметр [мм] : 236
Диаметр фаски 2 [мм] : 100
Количественная единица : штука
Количество отверстий : 4
Сторона установки : Передний мост
Тип тормозного диска : вентилируемый
Толщина тормозного диска (мм) : 18
Показать больше свойств
|
|
|
Тормозной диск
Высота [мм] : 45
Диаметр [мм] : 236
Диаметр фаски 2 [мм] : 100
Количественная единица : комплект
Количество отверстий : 4
Сторона установки : Передний мост
Тип тормозного диска : вентилируемый
Толщина тормозного диска (мм) : 18
Показать больше свойств
|
|
|
Тормозной диск
Вес [кг] : 3,6
Высота [мм] : 45
Диаметр [мм] : 236
Диаметр центрирования [мм] : 64
Количество отверстий : 4
Минимальная толщина [мм] : 16,4
проверочное значение : K.B.A.: 61209
Сторона установки : Передний мост
Тип тормозного диска : вентилируемый
Толщина тормозного диска (мм) : 18
Показать больше свойств
|
|
|
Тормозной диск
Вес [кг] : 3
Высота [мм] : 40,8
Диаметр [мм] : 235,2
Диаметр центрирования [мм] : 64
Количество отверстий : 4
Минимальная толщина [мм] : 8,4
проверочное значение : K.B.A.: 61210
Сторона установки : Задний мост
Тип тормозного диска : полный
Толщина тормозного диска (мм) : 10
Показать больше свойств
|
|
|
Тормозной диск
Высота [мм] : 45
Диаметр [мм] : 236
Диаметр фаски 2 [мм] : 100
Диаметр центрирования [мм] : 64
Количество отверстий : 4
Минимальная толщина [мм] : 16,4
Размер резьбы : 12,5
Тип тормозного диска : вентилируемый
Толщина тормозного диска (мм) : 18
Показать больше свойств
|
|
|
Тормозной диск
Высота [мм] : 41
Диаметр [мм] : 236
Диаметр фаски 2 [мм] : 100
Диаметр центрирования [мм] : 64
Количество отверстий : 4
Минимальная толщина [мм] : 8,4
Размер резьбы : 12,75
Тип тормозного диска : полный
Толщина тормозного диска (мм) : 10
Показать больше свойств
|
|
|
Тормозной диск
Внутренний диаметр : 126
Высота [мм] : 45
Диаметр фаски 2 [мм] : 100
Диаметр центрирования [мм] : 64
Количество отверстий : 4
Минимальная толщина [мм] : 16,4
Наружный диаметр [мм] : 236
Сторона установки : Передний мост
Тип тормозного диска : вентилируемый
Толщина [мм] : 18
Показать больше свойств
|
|
|
Тормозной диск
Высота [мм] : 41
Диаметр [мм] : 236
Диаметр ступицы колеса [мм] : 63,7
Минимальная толщина [мм] : 9
Обработка : Высокоуглеродистый
Тип тормозного диска : полный
Толщина тормозного диска (мм) : 10
Число отверстий в диске колеса : 4
Показать больше свойств
|
|
|
Тормозной диск
Вес [кг] : 3,45
Высота [мм] : 34
Диаметр [мм] : 236
Диаметр центрирования [мм] : 86
Минимальная толщина [мм] : 16
Тип тормозного диска : вентилируемый
Толщина тормозного диска (мм) : 18
Число отверстий в диске колеса : 4
Показать больше свойств
|
|
|
Тормозной диск
Высота [мм] : 41
Диаметр [мм] : 236
Диаметр центрирования [мм] : 64
для артикула № : BS 7717
Количество отверстий : 4
Минимальная толщина [мм] : 8,4
Момент затяжки [Нм] : 108
Тип тормозного диска : полный
Толщина тормозного диска (мм) : 10
Показать больше свойств
|
|
|
Тормозной диск
Высота [мм] : 45
Диаметр [мм] : 236
Диаметр центрирования [мм] : 64
для артикула № : BV 8276
Количество отверстий : 4
Минимальная толщина [мм] : 16,4
Момент затяжки [Нм] : 108
Поверхность : с покрытием
Тип тормозного диска : с внутренней вентиляцией
Толщина тормозного диска (мм) : 18
Показать больше свойств
|
|
|
Тормозной диск
Высота [мм] : 40,8
Диаметр [мм] : 236
Диаметр ступицы [мм] : 156
Диаметр фаски 2 [мм] : 100
Диаметр центрирования [мм] : 64
Количество отверстий : 4
Минимальная толщина [мм] : 8,4
Тип тормозного диска : полный
Толщина тормозного диска (мм) : 10
Показать больше свойств
|
|
|
Тормозной диск
Вес [кг] : 3,73
Высота [мм] : 34
Диаметр [мм] : 236
Диаметр ступицы 1 [мм] : 86
Диаметр фаски 2 [мм] : 104
Минимальная толщина [мм] : 16,4
Тип тормозного диска : вентилируемый
Толщина тормозного диска (мм) : 18
Число отверстий в диске колеса : 4
Показать больше свойств
|
|
|
Тормозной диск
Вес [кг] : 3,73
Высота [мм] : 36
Диаметр [мм] : 236
Диаметр ступицы 1 [мм] : 86
Минимальная толщина [мм] : 16,4
Тип тормозного диска : вентилируемый
Толщина тормозного диска (мм) : 18
Число отверстий в диске колеса : 4
Показать больше свойств
|
|
|
Тормозной диск
Вес [кг] : 2,96
Высота [мм] : 41
Диаметр [мм] : 236
Диаметр ступицы 1 [мм] : 63,7
Минимальная толщина [мм] : 9
Тип тормозного диска : полный
Толщина тормозного диска (мм) : 10
Число отверстий в диске колеса : 4
Показать больше свойств
|
|
|
Тормозной диск
Вес [кг] : 3,85
Высота [мм] : 45
Диаметр [мм] : 236
Диаметр ступицы 1 [мм] : 64
Диаметр фаски 2 [мм] : 100
Минимальная толщина [мм] : 16,4
Тип тормозного диска : вентилируемый
Толщина тормозного диска (мм) : 18
Число отверстий в диске колеса : 4
Показать больше свойств
|
|
|
Тормозной диск
Вес [кг] : 3,85
Высота [мм] : 45
Диаметр [мм] : 236
Диаметр ступицы 1 [мм] : 64
Минимальная толщина [мм] : 16,4
Тип тормозного диска : вентилируемый
Толщина тормозного диска (мм) : 18
Число отверстий в диске колеса : 4
Показать больше свойств
|
|
|
Тормозной диск
Вес [кг] : 7,52
Высота [мм] : 34
Диаметр [мм] : 236
Диаметр центрирования [мм] : 86
Количество отверстий : 4
Минимальная толщина [мм] : 16,4
Момент затяжки [Нм] : 100
Сторона установки : Передний мост
Тип тормозного диска : вентилируемый
Толщина тормозного диска (мм) : 18
Показать больше свойств
|
|
|
Тормозной диск
Вес [кг] : 7,89
Высота [мм] : 45
Диаметр [мм] : 236
Диаметр центрирования [мм] : 64
Количество отверстий : 4
Минимальная толщина [мм] : 16,4
Момент затяжки [Нм] : 110
Сторона установки : Передний мост
Тип тормозного диска : вентилируемый
Толщина тормозного диска (мм) : 18
Показать больше свойств
|
|
|
Тормозной диск
Вес [кг] : 2,94
Высота [мм] : 41
Диаметр [мм] : 236
Диаметр центрирования [мм] : 64
для артикула № : 142.271
Количество отверстий : 4
Минимальная толщина [мм] : 8,4
Тип тормозного диска : полный
Толщина тормозного диска (мм) : 10
Показать больше свойств
|
|
|
Тормозной диск
Вес [кг] : 3,7
Высота [мм] : 45
Диаметр [мм] : 236
Диаметр центрирования [мм] : 64
для артикула № : 142.870
Количество отверстий : 4
Минимальная толщина [мм] : 16,4
Тип тормозного диска : с внутренней вентиляцией
Толщина тормозного диска (мм) : 18
Показать больше свойств
|
|
|
Тормозной диск
Высота [мм] : 45
Диаметр [мм] : 236
Диаметр ступицы [мм] : 137
Диаметр фаски 2 [мм] : 100
Диаметр центрирования [мм] : 64
Количество отверстий : 4
Минимальная толщина [мм] : 16,4
Тип тормозного диска : с внутренней вентиляцией
Толщина тормозного диска (мм) : 18
Показать больше свойств
|
|
|
Тормозной диск
Высота [мм] : 45,4
Диаметр [мм] : 235,6
Диаметр фаски 2 [мм] : 64
Минимальная толщина [мм] : 16,4
Сторона установки : Передний мост
Тип тормозного диска : вентилируемый
Толщина тормозного диска (мм) : 18
Число отверстий : 4
Показать больше свойств
|
|
|
Тормозной диск
Высота [мм] : 45
Диаметр [мм] : 236
Диаметр центрирования [мм] : 64
для артикула № : BS 8276
Количество отверстий : 4
Минимальная толщина [мм] : 16,4
Момент затяжки [Нм] : 108
Тип тормозного диска : с внутренней вентиляцией
Толщина тормозного диска (мм) : 18
Показать больше свойств
|
|
|
Тормозной диск
Диаметр [мм] : 236
Расположение/число отверстий : 6/4
Сторона установки : Передний мост
Тип тормозного диска : вентилируемый
Толщина тормозного диска (мм) : 18
Показать больше свойств
|
|
|
Тормозной диск
Диаметр [мм] : 236
Расположение/число отверстий : 6/4
Тип тормозного диска : полный
Толщина тормозного диска (мм) : 10
Показать больше свойств
|
|
|
Тормозной диск
Высота [мм] : 45
Диаметр [мм] : 236
Диаметр фаски 2 [мм] : 100
Диаметр центрирования [мм] : 64
Количество отверстий : 4
Минимальная толщина [мм] : 16,4
Поверхность : лакированный
Размер резьбы : 12,5
Тип тормозного диска : вентилируемый
Толщина тормозного диска (мм) : 18
Цвет : черный
Показать больше свойств
|
|
|
Тормозной диск
Высота [мм] : 41
Диаметр [мм] : 236
Диаметр фаски 2 [мм] : 100
Диаметр центрирования [мм] : 64
Количество отверстий : 4
Минимальная толщина [мм] : 8,4
Поверхность : лакированный
Размер резьбы : 12,75
Тип тормозного диска : полный
Толщина тормозного диска (мм) : 10
Цвет : черный
Показать больше свойств
|
|
|
Тормозной диск
Высота [мм] : 41
Диаметр [мм] : 236
Диаметр центрирования [мм] : 64
для артикула № : 14927
Количество отверстий : 4
Минимальная толщина [мм] : 8,4
Момент затяжки [Нм] : 108
Тип тормозного диска : полный
Толщина тормозного диска (мм) : 10
Показать больше свойств
|
|
|
Тормозной диск
Высота [мм] : 45
Диаметр [мм] : 236
Диаметр центрирования [мм] : 64
для артикула № : 24687
Количество отверстий : 4
Минимальная толщина [мм] : 16,4
Момент затяжки [Нм] : 108
Тип тормозного диска : с внутренней вентиляцией
Толщина тормозного диска (мм) : 18
Показать больше свойств
|
|
|
Тормозной диск
Высота [мм] : 45
Диаметр [мм] : 236
Диаметр центрирования [мм] : 64
для артикула № : 24687 V
Количество отверстий : 4
Минимальная толщина [мм] : 16,4
Момент затяжки [Нм] : 108
Поверхность : с покрытием
Тип тормозного диска : с внутренней вентиляцией
Толщина тормозного диска (мм) : 18
Показать больше свойств
|
|
|
Тормозной диск
Высота [мм] : 45
Диаметр [мм] : 236
Диаметр центрирования [мм] : 64
для артикула № : X 24687
Количество отверстий : 4
Минимальная толщина [мм] : 16,4
Момент затяжки [Нм] : 108
Поверхность : с покрытием
Тип тормозного диска : с внутренней вентиляцией
Толщина тормозного диска (мм) : 18
Показать больше свойств
|
|
|
Тормозной диск
Вес [кг] : 3,6
Высота [мм] : 45
Диаметр [мм] : 236
Диаметр центрирования [мм] : 64
Количество отверстий : 4
Минимальная толщина [мм] : 16,4
проверочное значение : K.B.A.: 61209
Сторона установки : Передний мост
Тип тормозного диска : вентилируемый
Толщина тормозного диска (мм) : 18
Показать больше свойств
|
|
|
Тормозной диск
Вес [кг] : 3
Высота [мм] : 40,8
Диаметр [мм] : 235,2
Диаметр центрирования [мм] : 64
Количество отверстий : 4
Минимальная толщина [мм] : 8,4
проверочное значение : K.B.A.: 61210
Сторона установки : Задний мост
Тип тормозного диска : полный
Толщина тормозного диска (мм) : 10
Показать больше свойств
|
|
|
Тормозной диск
Высота [мм] : 45
Диаметр [мм] : 236
Диаметр ступицы колеса [мм] : 64
Минимальная толщина [мм] : 16,4
Обработка : Высокоуглеродистый
Тип тормозного диска : с внутренней вентиляцией
Толщина тормозного диска (мм) : 18
Число отверстий в диске колеса : 4
Показать больше свойств
|
|
|
Тормозной диск
Сторона установки : Передний мост
|
|
|
Тормозной диск
Высота [мм] : 41
Диаметр фаски 2 [мм] : 100
Диаметр центрирования [мм] : 64
Количество отверстий : 4
Минимальная толщина [мм] : 8,4
Наружный диаметр [мм] : 236
Сторона установки : Задний мост
Тип тормозного диска : полный
Толщина тормозного диска (мм) : 10
Число отверстий : 2
Показать больше свойств
|
|
|
Тормозной диск
Высота [мм] : 34
Диаметр [мм] : 236
Диаметр фаски 2 [мм] : 104
Диаметр центрирования [мм] : 86
Количество отверстий : 4
Минимальная толщина [мм] : 16,4
Размер резьбы : 11
Тип тормозного диска : с внутренней вентиляцией
Толщина тормозного диска (мм) : 18
Показать больше свойств
|
|
|
Тормозной диск
Высота [мм] : 45
Диаметр [мм] : 236
Диаметр центрирования [мм] : 64
Количество отверстий : 4
Минимальная толщина [мм] : 16,4
Сторона установки : Передний мост
Тип тормозного диска : с внутренней вентиляцией
Толщина тормозного диска (мм) : 18
Показать больше свойств
|
|
|
Тормозной диск
Вес [кг] : 3,45
Высота [мм] : 34
Диаметр [мм] : 236
Диаметр центрирования [мм] : 86
Минимальная толщина [мм] : 16
Тип тормозного диска : вентилируемый
Толщина тормозного диска (мм) : 18
Число отверстий в диске колеса : 4
Показать больше свойств
|
|
|
Тормозной диск
Вес [кг] : 3,6
Высота [мм] : 45
Диаметр [мм] : 236
Диаметр центрирования [мм] : 64
Минимальная толщина [мм] : 17
Тип тормозного диска : вентилируемый
Толщина тормозного диска (мм) : 18
Число отверстий в диске колеса : 4
Показать больше свойств
|
|
|
Тормозной диск
Вес [кг] : 2,65
Высота [мм] : 41
Диаметр [мм] : 236
Диаметр центрирования [мм] : 64
Минимальная толщина [мм] : 8,4
Тип тормозного диска : полный
Толщина тормозного диска (мм) : 10
Число отверстий в диске колеса : 4
Показать больше свойств
|
|
|
Тормозной диск
Вес [кг] : 7,34
Высота [мм] : 45,4
Высота упаковки [см] : 11
Диаметр [мм] : 235,6
Диаметр фаски 2 [мм] : 64
Длина упаковки [см] : 29,5
Минимальная толщина [мм] : 16,4
Сторона установки : Передний мост
Тип тормозного диска : вентилируемый
Толщина тормозного диска (мм) : 18
Число отверстий : 4
Ширина упаковки [см] : 28
Показать больше свойств
|
|
|
Тормозной диск
Высота [мм] : 45,2
Диаметр [мм] : 236
Диаметр фаски 2 [мм] : 100
Диаметр центрирования [мм] : 64
Количество отверстий : 6
Минимальная толщина [мм] : 16,4
Сторона установки : Передний мост
Тип тормозного диска : с внутренней вентиляцией
Толщина тормозного диска (мм) : 18
Показать больше свойств
|
|
|
Тормозной диск
Вес [кг] : 3,76
Высота [мм] : 34
Диаметр [мм] : 236
Диаметр центрирования [мм] : 86
Количественная единица : штука
Количество отверстий : 4
Минимальная толщина [мм] : 16,4
Момент затяжки [Нм] : 10
Сторона установки : Передний мост
Тип тормозного диска : вентилируемый
Толщина тормозного диска (мм) : 18
Показать больше свойств
|
|
|
Тормозной диск
Вес [кг] : 3,95
Диаметр [мм] : 236
Количественная единица : штука
Количество отверстий : 4
Минимальная толщина [мм] : 16,4
Момент затяжки [Нм] : 11
Сторона установки : Передний мост
Тип тормозного диска : вентилируемый
Толщина тормозного диска (мм) : 18
Показать больше свойств
|
|
|
Тормозной диск
Вес [кг] : 3,28
Высота [мм] : 41
Диаметр [мм] : 236
Диаметр центрирования [мм] : 64
Количественная единица : штука
Количество отверстий : 4
Минимальная толщина [мм] : 8,4
Сторона установки : Задний мост
Тип тормозного диска : полный
Толщина тормозного диска (мм) : 10
Показать больше свойств
|
|
|
Тормозной диск
Высота [мм] : 45
Диаметр [мм] : 236
Диаметр центрирования [мм] : 64
Количество отверстий : 4
Минимальная толщина [мм] : 16,4
Тип тормозного диска : с внутренней вентиляцией
Толщина тормозного диска (мм) : 18
Показать больше свойств
|
|
|
Тормозной диск
Высота [мм] : 45
Диаметр [мм] : 236
Диаметр фаски 2 [мм] : 100
Диаметр центрирования [мм] : 64
Количество отверстий : 4
Минимальная толщина [мм] : 16,4
Размер резьбы : 12,5
Тип тормозного диска : с внутренней вентиляцией
Толщина тормозного диска (мм) : 18
Показать больше свойств
|
|
|
Тормозной диск
Высота [мм] : 34
Диаметр [мм] : 236
Диаметр фаски 2 [мм] : 104
Диаметр центрирования [мм] : 86
Количество отверстий : 4
Минимальная толщина [мм] : 16,4
Размер резьбы : 11
Тип тормозного диска : с отверстиями
Толщина тормозного диска (мм) : 18
Показать больше свойств
|
|
|
Тормозной диск
Высота [мм] : 41
Диаметр [мм] : 236
Диаметр фаски 2 [мм] : 100
Диаметр центрирования [мм] : 64
Количество отверстий : 4
Минимальная толщина [мм] : 8,4
Размер резьбы : 12,75
Тип тормозного диска : полный
Толщина тормозного диска (мм) : 10
Показать больше свойств
|
|
|
Тормозной диск
Вес [кг] : 3,8
Высота [мм] : 44,9
Диаметр [мм] : 236
Диаметр фаски 2 [мм] : 100
Диаметр центрирования [мм] : 64
Количество отверстий : 4
Минимальная толщина [мм] : 16,4
Сторона установки : Передний мост
Тип тормозного диска : вентилируемый
Толщина тормозного диска (мм) : 18
Показать больше свойств
|
|
|
Тормозной диск
Внутренний диаметр : 126
Высота [мм] : 45
Диаметр [мм] : 236
Диаметр отверстия [мм] : 12,6
Диаметр фаски 2 [мм] : 100
Диаметр центрирования [мм] : 64
Количество отверстий : 4
Минимальная толщина [мм] : 16,4
Сторона установки : Передний мост
Тип тормозного диска : вентилируемый
Толщина тормозного диска (мм) : 18
Показать больше свойств
|
|
|
Тормозной диск
Внутренний диаметр : 126
Высота [мм] : 45
Диаметр [мм] : 236
Диаметр отверстия [мм] : 12,6
Диаметр фаски 2 [мм] : 100
Диаметр центрирования [мм] : 64
Количество отверстий : 4
Минимальная толщина [мм] : 16,4
Сторона установки : Передний мост
Тип тормозного диска : вентилируемый
Толщина тормозного диска (мм) : 18
Показать больше свойств
|
|
|
Тормозной диск
Внутренний диаметр : 126
Высота [мм] : 45
Диаметр [мм] : 236
Диаметр отверстия [мм] : 12,6
Диаметр фаски 2 [мм] : 100
Диаметр центрирования [мм] : 64
Количество отверстий : 4
Минимальная толщина [мм] : 16,4
Сторона установки : Передний мост
Тип тормозного диска : вентилируемый
Толщина тормозного диска (мм) : 18
Показать больше свойств
|
|
|
Тормозной диск
Внутренний диаметр : 126
Высота [мм] : 45
Диаметр [мм] : 236
Диаметр отверстия [мм] : 12,6
Диаметр фаски 2 [мм] : 100
Диаметр центрирования [мм] : 64
Количество отверстий : 4
Минимальная толщина [мм] : 16,4
Сторона установки : Передний мост
Тип тормозного диска : вентилируемый
Толщина тормозного диска (мм) : 18
Показать больше свойств
|
|
|
Тормозной диск
Внутренний диаметр : 144
Высота [мм] : 41
Диаметр [мм] : 236
Диаметр отверстия [мм] : 12,6
Диаметр фаски 2 [мм] : 100
Диаметр центрирования [мм] : 64
Количество отверстий : 4
Минимальная толщина [мм] : 8,4
Сторона установки : Задний мост
Тип тормозного диска : полный
Толщина тормозного диска (мм) : 10
Показать больше свойств
|
|
|
Тормозной диск
Внутренний диаметр : 144
Высота [мм] : 41
Диаметр [мм] : 236
Диаметр отверстия [мм] : 12,6
Диаметр фаски 2 [мм] : 100
Диаметр центрирования [мм] : 64
Количество отверстий : 4
Минимальная толщина [мм] : 8,4
Сторона установки : Задний мост
Тип тормозного диска : полный
Толщина тормозного диска (мм) : 10
Показать больше свойств
|
|
|
Тормозной диск
Внутренний диаметр : 144
Высота [мм] : 41
Диаметр [мм] : 236
Диаметр отверстия [мм] : 12,6
Диаметр фаски 2 [мм] : 100
Диаметр центрирования [мм] : 64
Количество отверстий : 4
Минимальная толщина [мм] : 8,4
Сторона установки : Задний мост
Тип тормозного диска : полный
Толщина тормозного диска (мм) : 10
Показать больше свойств
|
|
|
Тормозной диск
Внутренний диаметр : 144
Высота [мм] : 41
Диаметр [мм] : 236
Диаметр отверстия [мм] : 12,6
Диаметр фаски 2 [мм] : 100
Диаметр центрирования [мм] : 64
Количество отверстий : 4
Минимальная толщина [мм] : 8,4
Сторона установки : Задний мост
Тип тормозного диска : полный
Толщина тормозного диска (мм) : 10
Показать больше свойств
|
|
|
Тормозной диск
Высота [мм] : 41
Диаметр [мм] : 236
Диаметр ступицы колеса [мм] : 64
Диаметр фаски 2 [мм] : 100
Исполнение моста : Rear
Минимальная толщина [мм] : 8,4
Номер технической информации : 78RBD27763
Расположение/число отверстий : 4
Тип тормоза : Дисковой механизм
Тип тормозного диска : полный
Толщина [мм] : 10
Показать больше свойств
|
|
|
Тормозной диск
Высота [мм] : 45
Диаметр [мм] : 236
Диаметр фаски 2 [мм] : 100
Количество отверстий : 4
Сторона установки : Передний мост
Тип тормозного диска : вентилируемый
Толщина тормозного диска (мм) : 18
Показать больше свойств
|
|
|
Тормозной диск
Высота [мм] : 34
Диаметр [мм] : 236
Диаметр фаски 2 [мм] : 104
Диаметр центрирования [мм] : 86
Количество отверстий : 4
Минимальная толщина [мм] : 16,4
Размер резьбы : 11
Тип тормозного диска : с внутренней вентиляцией
Толщина тормозного диска (мм) : 18
Показать больше свойств
|
|
|
Тормозной диск
Высота [мм] : 41
Диаметр [мм] : 236
Диаметр отверстия [мм] : 64
Количество отверстий : 4
Минимальная толщина [мм] : 8,4
Сторона установки : Задний мост
Тип тормозного диска : полный
Толщина тормозного диска (мм) : 10
Показать больше свойств
|
|
|
Тормозной диск
Высота [мм] : 45
Диаметр [мм] : 236
Диаметр центрирования [мм] : 64
Количество отверстий : 4
Материал : Серый чугун
Минимальная толщина [мм] : 16,4
Тип тормозного диска : вентилируемый
Толщина [мм] : 18
Толщина тормозного диска (мм) : 18
Показать больше свойств
|
|
|
Тормозной диск
Вес [кг] : 3,860
Количество крепежных отверстий : 4
Минимальная толщина [мм] : 16,4
Наружный диаметр [мм] : 236
необходимое количество : 1
Сторона установки : Передний мост
Тип тормозного диска : с внутренней вентиляцией
Толщина [мм] : 46
Толщина тормозного диска (мм) : 18
Число отверстий в диске колеса : 2
Показать больше свойств
|
|
|
Тормозной диск
Высота [мм] : 45
Диаметр [мм] : 236
Диаметр ступицы [мм] : 137
Диаметр фаски 2 [мм] : 100
Диаметр центрирования [мм] : 64
Количество отверстий : 4
Минимальная толщина [мм] : 16,4
Тип тормозного диска : с внутренней вентиляцией
Толщина тормозного диска (мм) : 18
Показать больше свойств
|
|
|
Тормозной диск
Вес [кг] : 3,8
Диаметр ступицы [мм] : 64
Количество крепежных отверстий : 4
Минимальная толщина [мм] : 11
Наружный диаметр [мм] : 234
необходимое количество : 1
Сторона установки : Передний мост
Тип тормозного диска : полный
Толщина [мм] : 45,5
Толщина тормозного диска (мм) : 13
Число отверстий в диске колеса : 2
Показать больше свойств
|
|
|
Тормозной диск
Вес [кг] : 3,248
Количество крепежных отверстий : 4
Минимальная толщина [мм] : 8,4
Наружный диаметр [мм] : 236
необходимое количество : 1
Сторона установки : Задний мост
Тип тормозного диска : полный
Толщина [мм] : 41
Толщина тормозного диска (мм) : 10
Число отверстий в диске колеса : 2
Показать больше свойств
|
|
|
Тормозной диск
Высота [мм] : 45
Диаметр [мм] : 236
Диаметр центрирования [мм] : 64
для артикула № : 628.1402
Количество отверстий : 4
Минимальная толщина [мм] : 16,4
Момент затяжки [Нм] : 11
Тип тормозного диска : с внутренней вентиляцией
Толщина тормозного диска (мм) : 18
Показать больше свойств
|
|
|
Тормозной диск
Высота [мм] : 41
Диаметр [мм] : 236
Диаметр центрирования [мм] : 64
для артикула № : 628.2090
Количество отверстий : 4
Минимальная толщина [мм] : 8,4
Тип тормозного диска : полный
Толщина тормозного диска (мм) : 10
Показать больше свойств
|
|
|
Тормозной диск
Высота [мм] : 45
Диаметр [мм] : 236
Диаметр фаски 2 [мм] : 64
Количество отверстий : 4
Минимальная толщина [мм] : 16,4
Сторона установки : Передний мост
Тип тормозного диска : вентилируемый
Толщина тормозного диска (мм) : 18
Показать больше свойств
|
|
|
Тормозной диск
Диаметр [мм] : 236
Диаметр центрирования [мм] : 64
для тормозного диска толщиной [мм] : 18
Минимальная толщина [мм] : 16,4
Общая высота [мм] : 45
Расположение/число отверстий : 4H
Тип тормозного диска : вентилируемый
Показать больше свойств
|
|
|
Тормозной диск
Диаметр [мм] : 236
Диаметр центрирования [мм] : 64
для тормозного диска толщиной [мм] : 10
Минимальная толщина [мм] : 8,4
Общая высота [мм] : 41
Расположение/число отверстий : 4H
Тип тормозного диска : полный
Показать больше свойств
|
|
|
Тормозной диск
Высота [мм] : 45,4
Диаметр [мм] : 235,6
Диаметр фаски 2 [мм] : 64
Минимальная толщина [мм] : 16,4
Сторона установки : Передний мост
Тип тормозного диска : вентилируемый
Толщина тормозного диска (мм) : 18
Число отверстий : 4
Показать больше свойств
|
|
|
Тормозной диск
Внутренний диаметр : 144
Высота [мм] : 41
Диаметр [мм] : 236
Диаметр отверстия [мм] : 12,6
Диаметр фаски 2 [мм] : 100
Диаметр центрирования [мм] : 64
Количество отверстий : 4
Минимальная толщина [мм] : 8,4
Тип тормозного диска : полный
Толщина тормозного диска (мм) : 10
Показать больше свойств
|
|
|
Тормозной диск
Внутренний диаметр : 126
Высота [мм] : 45
Диаметр [мм] : 236
Диаметр фаски 2 [мм] : 100
Диаметр центрирования [мм] : 64,1
Количество отверстий : 4
Минимальная толщина [мм] : 16,4
Размер резьбы : 12,50
Тип тормозного диска : с отверстиями
Толщина тормозного диска (мм) : 18
Показать больше свойств
|
|
|
Тормозной диск
Диаметр [мм] : 236
Диаметр фаски 2 [мм] : 64
Количество отверстий : 4
Сторона установки : Передний мост
Тип тормозного диска : с внутренней вентиляцией
Показать больше свойств
|
|
|
Тормозной диск
Диаметр [мм] : 236
Диаметр фаски 2 [мм] : 64
Количество отверстий : 4
Сторона установки : Задний мост
Тип тормозного диска : полный
Показать больше свойств
|
|
|
Тормозной диск
Ø фаски 1 [мм] : 100
Диаметр ступицы 1 [мм] : 64
Количество отверстий : 4
Сторона установки : Передний мост
Тип тормозного диска : вентилируемый
Толщина тормозного диска (мм) : 18
Показать больше свойств
|
|
|
Тормозной диск
Ø фаски 1 [мм] : 100
Диаметр ступицы 1 [мм] : 64
Количество отверстий : 4
Сторона установки : Задний мост
Тип тормозного диска : полный
Толщина тормозного диска (мм) : 10
Показать больше свойств
|
|
|
Тормозной диск
Высота [мм] : 45
Диаметр [мм] : 236
Диаметр центрирования [мм] : 64
Количество отверстий : 4
Минимальная толщина [мм] : 16,4
Момент затяжки [Нм] : 11
Тип тормозного диска : с внутренней вентиляцией
Толщина тормозного диска (мм) : 18
Показать больше свойств
|
|
|
Тормозной диск
Вес [кг] : 3,9
Высота [мм] : 45
Диаметр [мм] : 236
Диаметр фаски 2 [мм] : 100
Диаметр центрирования [мм] : 64
Дополнительный артикул / дополнительная информация 2 : без ступицы
Минимальная толщина [мм] : 16,4
Номер технической информации : 52218
Расположение/число отверстий : 04/06
Тип тормозного диска : с внутренней вентиляцией
Толщина тормозного диска (мм) : 18
Показать больше свойств
|
|
|
Тормозной диск
Вес [кг] : 2,79
Высота [мм] : 41
Диаметр [мм] : 236
Диаметр фаски 2 [мм] : 100
Диаметр центрирования [мм] : 64
Дополнительный артикул / дополнительная информация 2 : без ступицы
Минимальная толщина [мм] : 8,4
Номер технической информации : 54286
Расположение/число отверстий : 04/06
Тип тормозного диска : полный
Толщина тормозного диска (мм) : 10
Показать больше свойств
|
|
|
Тормозной диск
Высота [мм] : 45
Диаметр [мм] : 236
Диаметр центрирования [мм] : 64
для артикула № : 09.7056.10
Количество отверстий : 4
Минимальная толщина [мм] : 16,4
Момент затяжки [Нм] : 108
Тип тормозного диска : с внутренней вентиляцией
Толщина тормозного диска (мм) : 18
Показать больше свойств
|
|
|
Тормозной диск
Внутренний диаметр : 143,7
Высота [мм] : 40,8
Диаметр [мм] : 235,5
Диаметр фаски 2 [мм] : 100
Диаметр центрирования [мм] : 64
Количество отверстий : 4
Минимальная толщина [мм] : 8,4
Размер резьбы : 12,80
Тип тормозного диска : полный
Толщина тормозного диска (мм) : 10
Показать больше свойств
|
|
|
Тормозной диск
Внутренний диаметр : 143,7
Высота [мм] : 40,8
Диаметр [мм] : 235,5
Диаметр фаски 2 [мм] : 100
Диаметр центрирования [мм] : 64
Количество отверстий : 4
Минимальная толщина [мм] : 8,4
Размер резьбы : 12,80
Тип тормозного диска : с отверстиями
Толщина тормозного диска (мм) : 10
Показать больше свойств
|
|
|
Тормозной диск
Внутренний диаметр : 126
Высота [мм] : 45
Диаметр [мм] : 236
Диаметр фаски 2 [мм] : 100
Диаметр центрирования [мм] : 64,1
Количество отверстий : 4
Минимальная толщина [мм] : 16,4
Размер резьбы : 12,50
Тип тормозного диска : с внутренней вентиляцией
Толщина тормозного диска (мм) : 18
Показать больше свойств
|
|
|
Тормозной диск
Высота [мм] : 46,1
Диаметр [мм] : 256
Диаметр ступицы 1 [мм] : 69
Диаметр ступицы 2 [мм] : 156
Диаметр фаски 2 [мм] : 115
Количество отверстий : 4
Тип тормозного диска : вентилируемый
Толщина тормозного диска (мм) : 24
Показать больше свойств
|
|
|
Тормозной диск
Высота [мм] : 45
Диаметр [мм] : 236
Диаметр центрирования [мм] : 64
для артикула № : 19-9282
Количество отверстий : 4
Минимальная толщина [мм] : 16,4
Тип тормозного диска : вентилируемый
Толщина тормозного диска (мм) : 18
Показать больше свойств
|
|
|
Тормозной диск
Высота [мм] : 45
Диаметр [мм] : 236
Диаметр отверстия [мм] : 64
Количество отверстий : 4
Минимальная толщина [мм] : 17
Сторона установки : Передний мост
Тип тормозного диска : вентилируемый
Толщина тормозного диска (мм) : 18
Показать больше свойств
|
|
|
Тормозной диск
|
|
|
Тормозной диск
Внутренний диаметр : 144
Высота [мм] : 41
Диаметр [мм] : 236
Диаметр отверстия [мм] : 12,6
Диаметр фаски 2 [мм] : 100
Диаметр центрирования [мм] : 64
Количество отверстий : 4
Минимальная толщина [мм] : 8,4
Тип тормозного диска : полный
Толщина тормозного диска (мм) : 10
Показать больше свойств
|
|
|
Тормозной диск
Внутренний диаметр : 126
Высота [мм] : 45
Диаметр [мм] : 236
Диаметр отверстия [мм] : 12,6
Диаметр фаски 2 [мм] : 100
Диаметр центрирования [мм] : 64
Количество отверстий : 4
Минимальная толщина [мм] : 16,4
Поверхность : с покрытием
Тип тормозного диска : вентилируемый
Толщина тормозного диска (мм) : 18
Показать больше свойств
|
|
|
Тормозной диск
Вес [кг] : 3,9
Высота [мм] : 45
Диаметр [мм] : 236
Диаметр фаски 2 [мм] : 100
Диаметр центрирования [мм] : 64
Дополнительный артикул / дополнительная информация 2 : без ступицы
Минимальная толщина [мм] : 16,4
Поверхность : с покрытием
Расположение/число отверстий : 04/06
Тип тормозного диска : с внутренней вентиляцией
Толщина тормозного диска (мм) : 18
Показать больше свойств
|
|
|
Тормозной диск
Вес [кг] : 2,79
Высота [мм] : 41
Диаметр [мм] : 236
Диаметр фаски 2 [мм] : 100
Диаметр центрирования [мм] : 64
Дополнительный артикул / дополнительная информация 2 : без ступицы
Минимальная толщина [мм] : 8,4
Поверхность : с покрытием
Расположение/число отверстий : 04/06
Тип тормозного диска : полный
Толщина тормозного диска (мм) : 10
Показать больше свойств
|
|
|
Тормозной диск
Диаметр [мм] : 235,5
Диаметр ступицы колеса [мм] : 64
Количество отверстий : 4
Минимальная толщина [мм] : 8,4
Тип тормозного диска : полный
Толщина тормозного диска (мм) : 10
Показать больше свойств
|
|
|
Тормозной диск
Диаметр [мм] : 236
Диаметр ступицы колеса [мм] : 64
Количество отверстий : 4
Минимальная толщина [мм] : 16,4
Тип тормозного диска : с внутренней вентиляцией
Толщина тормозного диска (мм) : 18
Показать больше свойств
|
|
|
Тормозной диск
Диаметр [мм] : 236,3
Диаметр ступицы колеса [мм] : 64
Количество отверстий : 4
Минимальная толщина [мм] : 8,4
Тип тормозного диска : полный
Толщина тормозного диска (мм) : 10,2
Показать больше свойств
|
|
|
Тормозной диск
Сторона установки : Передний мост
|
|
|
Тормозной диск
|
|
|
Тормозной диск
Вес [кг] : 3,8
Диаметр [мм] : 236
Диаметр ступицы колеса [мм] : 64
Количество отверстий : 4
Минимальная толщина [мм] : 16,4
Тип тормозного диска : с внутренней вентиляцией
Толщина тормозного диска (мм) : 18
Показать больше свойств
|
|
|
Тормозной диск
Вес [кг] : 4
Диаметр [мм] : 235
Диаметр ступицы колеса [мм] : 64
Количество отверстий : 4
Минимальная толщина [мм] : 16,4
Тип тормозного диска : с внутренней вентиляцией
Толщина тормозного диска (мм) : 18
Показать больше свойств
|
|
|
Тормозной диск
Вес [кг] : 3,9
Высота [мм] : 45
Диаметр [мм] : 236
Диаметр фаски 2 [мм] : 100
Диаметр центрирования [мм] : 64
Дополнительный артикул / дополнительная информация 2 : без ступицы
Минимальная толщина [мм] : 16,4
Номер технической информации : 52218
Расположение/число отверстий : 04/06
Тип тормозного диска : с внутренней вентиляцией
Толщина тормозного диска (мм) : 18
Показать больше свойств
|
|
|
Тормозной диск
Вес [кг] : 3,9
Высота [мм] : 45
Высота упаковки [см] : 10
Диаметр [мм] : 236
Диаметр фаски 2 [мм] : 100
Диаметр центрирования [мм] : 64
Длина упаковки [см] : 27
Дополнительный артикул / дополнительная информация 2 : без ступицы
Минимальная толщина [мм] : 16,4
Номер технической информации : 98200 0894 0 1
Расположение/число отверстий : 04/06
Тип тормозного диска : с внутренней вентиляцией
Толщина тормозного диска (мм) : 18
Ширина упаковки [см] : 25,5
Показать больше свойств
|
|
|
Тормозной диск
Вес [кг] : 2,79
Высота [мм] : 41
Высота упаковки [см] : 10
Диаметр [мм] : 236
Диаметр фаски 2 [мм] : 100
Диаметр центрирования [мм] : 64
Длина упаковки [см] : 27
Дополнительный артикул / дополнительная информация 2 : без ступицы
Минимальная толщина [мм] : 8,4
Номер технической информации : 98200 1286 0 1
Расположение/число отверстий : 04/06
Тип тормозного диска : полный
Толщина тормозного диска (мм) : 10
Ширина упаковки [см] : 25,5
Показать больше свойств
|
|
|
Тормозной диск
Высота [мм] : 34
Диаметр [мм] : 236
Диаметр центрирования [мм] : 86
Количество отверстий : 4
Минимальная толщина [мм] : 16,4
Сторона установки : Передний мост
Тип тормозного диска : вентилируемый
Толщина тормозного диска (мм) : 18
Показать больше свойств
|
|
|
Тормозной диск
Высота [мм] : 45
Диаметр [мм] : 236
Диаметр центрирования [мм] : 64
Количество отверстий : 4
Минимальная толщина [мм] : 17
Сторона установки : Передний мост
Тип тормозного диска : вентилируемый
Толщина тормозного диска (мм) : 18
Показать больше свойств
|
|
|
Тормозной диск
Версия : JC
Высота [мм] : 45
Диаметр [мм] : 236
Диаметр центрирования [мм] : 64
Количество отверстий : 4
Минимальная толщина [мм] : 17
Поверхность : с покрытием
Сторона установки : Передний мост
Тип тормозного диска : вентилируемый
Толщина тормозного диска (мм) : 18
Показать больше свойств
|
|
|
Тормозной диск
Высота [мм] : 41
Диаметр [мм] : 236
Диаметр центрирования [мм] : 64
Количество отверстий : 4
Минимальная толщина [мм] : 8,4
Сторона установки : Задний мост
Тип тормозного диска : полный
Толщина тормозного диска (мм) : 10
Показать больше свойств
|
|
|
Тормозной диск
Версия : JC
Высота [мм] : 41
Диаметр [мм] : 236
Диаметр центрирования [мм] : 64
Количество отверстий : 4
Минимальная толщина [мм] : 8,4
Поверхность : с покрытием
Сторона установки : Задний мост
Тип тормозного диска : полный
Толщина тормозного диска (мм) : 10
Показать больше свойств
|
|
|
Тормозной диск
Высота [мм] : 34
Диаметр [мм] : 236
Диаметр фаски 2 [мм] : 104
Диаметр центрирования [мм] : 86
Количество отверстий : 4
Минимальная толщина [мм] : 16
Тип тормозного диска : с внутренней вентиляцией
Толщина тормозного диска (мм) : 18
Показать больше свойств
|
|
|
Тормозной диск
Высота [мм] : 45
Диаметр [мм] : 236
Диаметр фаски 2 [мм] : 100
Диаметр центрирования [мм] : 64
Количество отверстий : 4
Минимальная толщина [мм] : 17
Тип тормозного диска : с внутренней вентиляцией
Толщина тормозного диска (мм) : 18
Показать больше свойств
|
|
|
Тормозной диск
Высота [мм] : 45
Диаметр [мм] : 236
Диаметр фаски 2 [мм] : 100
Диаметр центрирования [мм] : 64
Количество отверстий : 4
Минимальная толщина [мм] : 17
Поверхность : с покрытием
Тип тормозного диска : с внутренней вентиляцией
Толщина тормозного диска (мм) : 18
Показать больше свойств
|
|
|
Тормозной диск
Вес [кг] : 2,79
Высота [мм] : 41
Диаметр [мм] : 236
Диаметр фаски 2 [мм] : 100
Диаметр центрирования [мм] : 64
Дополнительный артикул / дополнительная информация 2 : без ступицы
Минимальная толщина [мм] : 8,4
Номер технической информации : 54286
Расположение/число отверстий : 04/06
Тип тормозного диска : полный
Толщина тормозного диска (мм) : 10
Показать больше свойств
|
|
|
Тормозной диск
Сторона установки : Задний мост
|
|
|
Тормозной диск
Внутренний диаметр : 126
выполняет нормы ЕЭК : E1 90R-02C0064/0287
Высота [мм] : 44,8
Диаметр [мм] : 236
Диаметр ступицы [мм] : 64
Диаметр фаски 2 [мм] : 100
Количество отверстий : 4
Количество отверстий 1 : 2
Минимальная толщина [мм] : 16,4
Поверхность : с покрытием
Тип тормозного диска : с внутренней вентиляцией
Толщина тормозного диска (мм) : 18
Показать больше свойств
|
|
|
Тормозной диск
Высота [мм] : 45
Диаметр [мм] : 236
Диаметр фаски 2 [мм] : 100
Количество отверстий : 4
Минимальная толщина [мм] : 16,4
Сторона установки : Передний мост
Тип тормозного диска : вентилируемый
Толщина тормозного диска (мм) : 18
Показать больше свойств
|
|
|
Тормозной диск
Высота [мм] : 45
Диаметр [мм] : 236
Диаметр фаски 2 [мм] : 100
Диаметр центрирования [мм] : 64
Количество отверстий : 4
Минимальная толщина [мм] : 16,4
Размер резьбы : 12,5
Тип тормозного диска : вентилируемый
Толщина тормозного диска (мм) : 18
Показать больше свойств
|
|
|
Тормозной диск
Высота [мм] : 41
Диаметр [мм] : 236
Диаметр фаски 2 [мм] : 100
Диаметр центрирования [мм] : 64
Количество отверстий : 4
Минимальная толщина [мм] : 8,4
Размер резьбы : 12,75
Тип тормозного диска : полный
Толщина тормозного диска (мм) : 10
Показать больше свойств
|
|
|
Тормозной диск
Вес [кг] : 3,7
Высота [мм] : 45
Диаметр [мм] : 236
Диаметр центрирования [мм] : 64
для артикула № : HPD 870
Количество отверстий : 4
Минимальная толщина [мм] : 16,4
Тип тормозного диска : с внутренней вентиляцией
Толщина тормозного диска (мм) : 18
Показать больше свойств
|
|
|
Тормозной диск
Высота [мм] : 45
Диаметр центрирования [мм] : 64
Номер продукции : S6044270
Сторона установки : Передний мост
Толщина тормозного диска (мм) : 18
Показать больше свойств
|
|
|
Тормозной диск
Вес [кг] : 6,168
Высота [мм] : 40,8
Диаметр [мм] : 235,2
Диаметр фаски 2 [мм] : 64
Количество отверстий : 4
Минимальная толщина [мм] : 8,4
Сторона установки : Задний мост
Тип тормозного диска : полный
Толщина тормозного диска (мм) : 10
Показать больше свойств
|
|
|
Тормозной диск
Вес [кг] : 6,168
Высота [мм] : 40,8
Диаметр [мм] : 235,2
Диаметр фаски 2 [мм] : 64
Количество отверстий : 4
Минимальная толщина [мм] : 8,4
Сторона установки : Задний мост
Тип тормозного диска : полный
Толщина тормозного диска (мм) : 10
Показать больше свойств
|
|
|
Тормозной диск
Высота [мм] : 41
Диаметр [мм] : 236
Диаметр центрирования [мм] : 64
для артикула № : M1019P
Количество отверстий : 4
Минимальная толщина [мм] : 8,4
Тип тормозного диска : полный
Толщина тормозного диска (мм) : 10
Показать больше свойств
|
|
|
Тормозной диск
Высота [мм] : 45
Диаметр [мм] : 236
Диаметр центрирования [мм] : 64
для артикула № : D1321V
Количество отверстий : 4
Минимальная толщина [мм] : 16,4
Тип тормозного диска : с внутренней вентиляцией
Толщина тормозного диска (мм) : 18
Показать больше свойств
|
|
|
Тормозной диск
Сторона установки : Задний мост
|
|
|
Тормозной диск
Высота [мм] : 40,8
Диаметр [мм] : 235,2
Диаметр фаски 2 [мм] : 64
Количество отверстий : 4
Минимальная толщина [мм] : 8,4
Поверхность : лакированный
Сторона установки : Задний мост
Тип тормозного диска : полный
Толщина тормозного диска (мм) : 10
Показать больше свойств
|
|
|
Тормозной диск
Высота [мм] : 45
Диаметр [мм] : 236
Диаметр фаски 2 [мм] : 64
Количество отверстий : 4
Минимальная толщина [мм] : 16,4
Тип тормозного диска : вентилируемый
Толщина тормозного диска (мм) : 18
Показать больше свойств
|
|
|
Тормозной диск
Высота [мм] : 41
Диаметр [мм] : 236
Диаметр ступицы 1 [мм] : 63,7
Минимальная толщина [мм] : 9
Сторона установки : Задний мост
Тип тормозного диска : полный
Толщина тормозного диска (мм) : 10
Число отверстий в диске колеса : 4
Показать больше свойств
|
|
|
Тормозной диск
Высота [мм] : 45
Диаметр [мм] : 236
Диаметр фаски 2 [мм] : 64
Количество отверстий : 4
Минимальная толщина [мм] : 16,4
Тип тормозного диска : вентилируемый
Толщина тормозного диска (мм) : 18
Показать больше свойств
|
|
|
Тормозной диск
Высота [мм] : 40,8
Диаметр [мм] : 235,2
Диаметр фаски 2 [мм] : 64
Количество отверстий : 4
Минимальная толщина [мм] : 8,4
Поверхность : лакированный
Сторона установки : Задний мост
Тип тормозного диска : полный
Толщина тормозного диска (мм) : 10
Показать больше свойств
|
|
|
Тормозной диск
вариант оснащения : Coated
Высота [мм] : 46,1
Диаметр [мм] : 256
Диаметр ступицы 1 [мм] : 69
Диаметр ступицы 2 [мм] : 156
Диаметр фаски 2 [мм] : 115
Количество отверстий : 4
Тип тормозного диска : вентилируемый
Толщина тормозного диска (мм) : 24
Показать больше свойств
|
|
|
Тормозной диск
вариант оснащения : ventilato
Сторона установки : Позиция оси 1
|
|
|
Тормозной диск
вариант оснащения : ventilato
Сторона установки : Позиция оси 1
|
|
|
Тормозной диск
Сторона установки : Задний мост
|
|
|
Тормозной диск
Высота [мм] : 36
Диаметр [мм] : 236
Диаметр ступицы 1 [мм] : 86
Минимальная толщина [мм] : 16,4
ограничение производителя : BREMBO
Сторона установки : Передний мост
Тип тормозного диска : вентилируемый
Толщина тормозного диска (мм) : 18
Число отверстий в диске колеса : 4
Показать больше свойств
|
|
|
Тормозной диск
Высота [мм] : 45
Диаметр [мм] : 236
Диаметр ступицы 1 [мм] : 64
Минимальная толщина [мм] : 16,4
ограничение производителя : BREMBO
Сторона установки : Передний мост
Тип тормозного диска : вентилируемый
Толщина тормозного диска (мм) : 18
Число отверстий в диске колеса : 4
Показать больше свойств
|
|
|
Тормозной диск
Высота [мм] : 41
Диаметр [мм] : 236
Диаметр ступицы 1 [мм] : 63,7
Минимальная толщина [мм] : 9
ограничение производителя : BREMBO
Сторона установки : Задний мост
Тип тормозного диска : полный
Толщина тормозного диска (мм) : 10
Число отверстий в диске колеса : 4
Показать больше свойств
|
|
|
Тормозной диск
Высота [мм] : 36
Диаметр [мм] : 236
Диаметр ступицы 1 [мм] : 86
Минимальная толщина [мм] : 16,4
Сторона установки : Передний мост
Тип тормозного диска : вентилируемый
Толщина тормозного диска (мм) : 18
Число отверстий в диске колеса : 4
Показать больше свойств
|
|
|
Тормозной диск
Высота [мм] : 45
Диаметр [мм] : 236
Диаметр ступицы 1 [мм] : 64
Диаметр фаски 2 [мм] : 100
Минимальная толщина [мм] : 16,4
Сторона установки : Передний мост
Тип тормозного диска : вентилируемый
Толщина тормозного диска (мм) : 18
Число отверстий в диске колеса : 4
Показать больше свойств
|
|
|
Тормозной диск
Высота [мм] : 41
Диаметр [мм] : 236
Диаметр фаски 2 [мм] : 100
Диаметр центрирования [мм] : 64
Количество отверстий : 4
Минимальная толщина [мм] : 8,4
Тип тормозного диска : полный
Толщина тормозного диска (мм) : 10
Показать больше свойств
|
|
|
Тормозной диск
Внутренний диаметр : 144
выполняет нормы ЕЭК : E1 90R-02C0121/0247
Высота [мм] : 40,7
Диаметр [мм] : 236
Диаметр ступицы [мм] : 64
Диаметр фаски 2 [мм] : 100
Количество отверстий : 4
Количество отверстий 1 : 4
Количество отверстий 2 : 2
Минимальная толщина [мм] : 8,4
Поверхность : с покрытием
Тип тормозного диска : полный
Толщина тормозного диска (мм) : 10
Показать больше свойств
|
|
|
Тормозной диск
Внутренний диаметр : 126
Высота [мм] : 45
Диаметр [мм] : 236
Диаметр отверстия [мм] : 12,6
Диаметр фаски 2 [мм] : 100
Диаметр центрирования [мм] : 64
Количество отверстий : 4
Минимальная толщина [мм] : 16,4
Сторона установки : Передний мост
Тип тормозного диска : вентилируемый
Толщина тормозного диска (мм) : 18
Показать больше свойств
|
|
|
Тормозной диск
Вес [кг] : 1,9
Диаметр [мм] : 236
Диаметр фаски 2 [мм] : 104
Качество : Kreuzschliff
Количество отверстий : 4
Минимальная толщина [мм] : 16,4
Сторона установки : Передний мост
Тип тормозного диска : вентилируемый
Толщина тормозного диска (мм) : 18
Показать больше свойств
|
|
|
Тормозной диск
Вес [кг] : 3,45
Высота [мм] : 34
Диаметр [мм] : 236
Диаметр центрирования [мм] : 86
Минимальная толщина [мм] : 16
Тип тормозного диска : вентилируемый
Толщина тормозного диска (мм) : 18
Число отверстий в диске колеса : 4
Показать больше свойств
|
|
|
Тормозной диск
Вес [кг] : 3,6
Высота [мм] : 45
Диаметр [мм] : 236
Диаметр центрирования [мм] : 64
Минимальная толщина [мм] : 17
Тип тормозного диска : вентилируемый
Толщина тормозного диска (мм) : 18
Число отверстий в диске колеса : 4
Показать больше свойств
|
|
|
Тормозной диск
Вес [кг] : 2,65
Высота [мм] : 41
Диаметр [мм] : 236
Диаметр центрирования [мм] : 64
Минимальная толщина [мм] : 8,4
Тип тормозного диска : полный
Толщина тормозного диска (мм) : 10
Число отверстий в диске колеса : 4
Показать больше свойств
|
|
|
Тормозной диск
Высота [мм] : 34
Диаметр [мм] : 236
Диаметр центрирования [мм] : 86
Минимальная толщина [мм] : 16
Поверхность : с покрытием
Тип тормозного диска : вентилируемый
Толщина тормозного диска (мм) : 18
Число отверстий в диске колеса : 4
Показать больше свойств
|
|
|
Тормозной диск
Вес [кг] : 3,6
Высота [мм] : 45
Диаметр [мм] : 236
Диаметр центрирования [мм] : 64
Минимальная толщина [мм] : 17
Поверхность : с покрытием
Тип тормозного диска : вентилируемый
Толщина тормозного диска (мм) : 18
Число отверстий в диске колеса : 4
Показать больше свойств
|
|
|
Тормозной диск
Вес [кг] : 2,65
Высота [мм] : 41
Диаметр [мм] : 236
Диаметр центрирования [мм] : 64
Минимальная толщина [мм] : 8,4
Поверхность : с покрытием
Тип тормозного диска : полный
Толщина тормозного диска (мм) : 10
Число отверстий в диске колеса : 4
Показать больше свойств
|
|
|
Тормозной диск
Высота [мм] : 45
Диаметр [мм] : 236
Диаметр центрирования [мм] : 64
Минимальная толщина [мм] : 16,4
Расположение/число отверстий : 4/6
Сторона установки : Передний мост
Тип тормозного диска : вентилируемый
Толщина тормозного диска (мм) : 18
Показать больше свойств
|
|
|
Тормозной диск
Высота [мм] : 41
Диаметр [мм] : 236
Диаметр центрирования [мм] : 64
Минимальная толщина [мм] : 8
Расположение/число отверстий : 4/6
Сторона установки : Задний мост
Тип тормозного диска : полный
Толщина тормозного диска (мм) : 10
Показать больше свойств
|
|
|
Тормозной диск
Вес [кг] : 1,75
Диаметр [мм] : 236
Диаметр фаски 2 [мм] : 100
Качество : Kreuzschliff
Количество отверстий : 4
Сторона установки : Передний мост
Тип тормозного диска : вентилируемый
Толщина тормозного диска (мм) : 18
Показать больше свойств
|
|
|
Тормозной диск
Диаметр [мм] : 260
Диаметр фаски 2 [мм] : 114,3
Качество : Kreuzschliff
Количество отверстий : 4
Минимальная толщина [мм] : 8,4
Сторона установки : Задний мост
Тип тормозного диска : полный
Толщина тормозного диска (мм) : 10
Показать больше свойств
|
|
|
Тормозной диск
Диаметр [мм] : 236
Диаметр фаски 2 [мм] : 100
Качество : Kreuzschliff
Количество отверстий : 4
Минимальная толщина [мм] : 8,4
Сторона установки : Задний мост
Тип тормозного диска : полный
Толщина тормозного диска (мм) : 10
Показать больше свойств
|
|
|
Тормозной диск
Диаметр [мм] : 236
Количество отверстий : 4
Тип тормозного диска : вентилируемый
Толщина тормозного диска (мм) : 18
Показать больше свойств
|
|
|
Тормозной диск
Высота [мм] : 45
Диаметр фаски 2 [мм] : 100
Диаметр центрирования [мм] : 64
Количество отверстий : 4
Минимальная толщина [мм] : 16,4
Наружный диаметр [мм] : 236
Поверхность : не хромированное (Cr VI) покрытие
Сторона установки : Передний мост
Тип тормозного диска : вентилируемый
Толщина тормозного диска (мм) : 18
Показать больше свойств
|
|
|
Тормозной диск
Ø отверстия болт крепления колеса [мм] : 12,6
Высота [мм] : 41
Диаметр фаски 2 [мм] : 100
Диаметр центрирования [мм] : 64
Количество отверстий : 4
Минимальная толщина [мм] : 8,4
Наружный диаметр [мм] : 236
Сторона установки : Задний мост
Тип тормозного диска : полный
Толщина тормозного диска (мм) : 10
Показать больше свойств
|
|
|
Тормозной диск
Вес [кг] : 3,6
Высота [мм] : 45
Диаметр [мм] : 236
Диаметр центрирования [мм] : 64
Количество отверстий : 4
Минимальная толщина [мм] : 16,4
проверочное значение : K.B.A.: 61209
Сторона установки : Передний мост
Тип тормозного диска : вентилируемый
Толщина тормозного диска (мм) : 18
Показать больше свойств
|
|
|
Тормозной диск
Вес [кг] : 3
Высота [мм] : 40,8
Диаметр [мм] : 235,2
Диаметр центрирования [мм] : 64
Количество отверстий : 4
Минимальная толщина [мм] : 8,4
проверочное значение : K.B.A.: 61210
Сторона установки : Задний мост
Тип тормозного диска : полный
Толщина тормозного диска (мм) : 10
Показать больше свойств
|
|
|
Тормозной диск
Вес [кг] : 3,6
Высота [мм] : 45
Диаметр [мм] : 236
Диаметр центрирования [мм] : 64
Количество отверстий : 4
Минимальная толщина [мм] : 16,4
проверочное значение : K.B.A.: 61209
Сторона установки : Передний мост
Тип тормозного диска : вентилируемый
Толщина тормозного диска (мм) : 18
Показать больше свойств
|
|
|
Тормозной диск
Вес [кг] : 3
Высота [мм] : 40,8
Диаметр [мм] : 235,2
Диаметр центрирования [мм] : 64
Количество отверстий : 4
Минимальная толщина [мм] : 8,4
проверочное значение : K.B.A.: 61210
Сторона установки : Задний мост
Тип тормозного диска : полный
Толщина тормозного диска (мм) : 10
Показать больше свойств
|
|
|
Тормозной диск
Высота [мм] : 45,4
Диаметр [мм] : 235,6
Диаметр фаски 2 [мм] : 64
Минимальная толщина [мм] : 16,4
Сторона установки : Передний мост
Тип тормозного диска : вентилируемый
Толщина тормозного диска (мм) : 18
Число отверстий : 4
Показать больше свойств
|
|
|
Тормозной диск
Вес [кг] : 6.200
Высота [мм] : 41
Диаметр [мм] : 236
Диаметр ступицы колеса [мм] : 64
Диаметр фаски 2 [мм] : 100
Исполнение моста : Rear
Минимальная толщина [мм] : 8,4
Номер технической информации : 78BD7763-2
Расположение/число отверстий : 4
Тип тормоза : Дисковой механизм
Тип тормозного диска : полный
Толщина [мм] : 10
Показать больше свойств
|
|
|
Тормозной диск
Вес [кг] : 7.940
Высота [мм] : 45
Диаметр [мм] : 236
Диаметр ступицы колеса [мм] : 64
Диаметр фаски 2 [мм] : 100
Исполнение моста : Front
Минимальная толщина [мм] : 16,4
Номер технической информации : 78BD9282-2
Расположение/число отверстий : 4
Тип тормоза : Дисковой механизм
Тип тормозного диска : вентилируемый
Толщина [мм] : 18
Показать больше свойств
|
|
|
Тормозной диск
Высота [мм] : 34
Диаметр [мм] : 236
Диаметр фаски 2 [мм] : 104
Диаметр центрирования [мм] : 86
Количество отверстий : 4
Минимальная толщина [мм] : 16,4
Размер резьбы : 11
Тип тормозного диска : вентилируемый
Толщина тормозного диска (мм) : 18
Показать больше свойств
|
|
|
Тормозной диск
Высота [мм] : 40,8
Диаметр [мм] : 235,2
Диаметр центрирования [мм] : 64
для артикула № : 19-7763
Количество отверстий : 4
Минимальная толщина [мм] : 8,4
Тип тормозного диска : полный
Толщина тормозного диска (мм) : 10
Показать больше свойств
|
|
|
Тормозной диск
Диаметр [мм] : 236
Количество отверстий : 4
Тип тормозного диска : вентилируемый
Толщина тормозного диска (мм) : 18
Показать больше свойств
|
|
|
Тормозной диск
Высота [мм] : 41
Диаметр [мм] : 236
Диаметр фаски 2 [мм] : 64
Количество отверстий : 4
Минимальная толщина [мм] : 8,4
Момент затяжки [Нм] : 108
Толщина тормозного диска (мм) : 10
Показать больше свойств
|
|
|
Тормозной диск
Ø отверстия ступицы [мм] : 64
Высота [мм] : 45
Диаметр [мм] : 236
Количество отверстий : 4
Минимальная толщина [мм] : 16,4
Тип тормозного диска : с внутренней вентиляцией
Толщина тормозного диска (мм) : 18
Показать больше свойств
|
|
|
Тормозной диск
Высота [мм] : 41
Диаметр [мм] : 236
Диаметр центрирования [мм] : 64
для артикула № : 08.A328.10
Количество отверстий : 4
Минимальная толщина [мм] : 8,4
Момент затяжки [Нм] : 108
Тип тормозного диска : полный
Толщина тормозного диска (мм) : 10
Показать больше свойств
|
|
|
Тормозной диск
Ø отверстия ступицы [мм] : 64
Высота [мм] : 45,5
Диаметр [мм] : 234
Диаметр фаски 2 [мм] : 100
Количество отверстий : 4
Минимальная толщина [мм] : 11,4
Тип тормозного диска : полный
Толщина тормозного диска (мм) : 13
Показать больше свойств
|
|
|
Тормозной диск
Ø отверстия ступицы [мм] : 64
Высота [мм] : 41
Диаметр [мм] : 236
Количество отверстий : 4
Минимальная толщина [мм] : 8,4
Тип тормозного диска : полный
Толщина тормозного диска (мм) : 10
Показать больше свойств
|
|
|
Тормозной диск
Вес [кг] : 7,89
Высота [мм] : 45
Диаметр [мм] : 236
Диаметр фаски 2 [мм] : 100
Диаметр центрирования [мм] : 64
Дополнительный артикул / дополнительная информация 2 : без винтов
Количество отверстий : 4
Минимальная толщина [мм] : 16,4
Момент затяжки [Нм] : 110
Сторона установки : Передний мост
Тип тормозного диска : вентилируемый
Толщина тормозного диска (мм) : 18
Показать больше свойств
|
|
|
Тормозной диск
Вес [кг] : 3,95
Высота [мм] : 45
Диаметр [мм] : 236
Диаметр центрирования [мм] : 64
Количественная единица : штука
Количество отверстий : 4
Минимальная толщина [мм] : 16,4
Момент затяжки [Нм] : 110
Сторона установки : Передний мост
Тип тормозного диска : вентилируемый
Толщина тормозного диска (мм) : 18
Показать больше свойств
|
|
|
Тормозной диск
Вес [кг] : 3,95
Высота [мм] : 45
Диаметр [мм] : 236
Диаметр центрирования [мм] : 64
Количественная единица : штука
Количество отверстий : 4
Минимальная толщина [мм] : 16,4
Момент затяжки [Нм] : 110
Поверхность : с покрытием
Сторона установки : Передний мост
Тип тормозного диска : вентилируемый
Толщина тормозного диска (мм) : 18
Показать больше свойств
|
|
|
Тормозной диск
Вес [кг] : 4
Высота [мм] : 45
Диаметр [мм] : 236
Диаметр центрирования [мм] : 64
Количественная единица : штука
Количество отверстий : 4
Минимальная толщина [мм] : 16,4
Момент затяжки [Нм] : 110
Поверхность : с покрытием
Сторона установки : Передний мост
Тип тормозного диска : вентилируемый
Толщина тормозного диска (мм) : 18
Показать больше свойств
|
|
|
Тормозной диск
Вес [кг] : 6,55
Высота [мм] : 41
Диаметр [мм] : 236
Диаметр фаски 2 [мм] : 100
Диаметр центрирования [мм] : 64
Дополнительный артикул / дополнительная информация 2 : без винтов
Количество отверстий : 4
Минимальная толщина [мм] : 8,4
Момент затяжки [Нм] : 100
Сторона установки : Задний мост
Тип тормозного диска : полный
Толщина тормозного диска (мм) : 10
Показать больше свойств
|
|
|
Тормозной диск
Вес [кг] : 3,28
Высота [мм] : 41
Диаметр [мм] : 236
Диаметр центрирования [мм] : 64
Количественная единица : штука
Количество отверстий : 4
Минимальная толщина [мм] : 8,4
Сторона установки : Задний мост
Тип тормозного диска : полный
Толщина тормозного диска (мм) : 10
Показать больше свойств
|
|
|
Тормозной диск
Вес [кг] : 7,52
Высота [мм] : 34
Диаметр [мм] : 236
Диаметр фаски 2 [мм] : 114,3
Диаметр центрирования [мм] : 86
Дополнительный артикул / дополнительная информация 2 : без винтов
Количество отверстий : 4
Минимальная толщина [мм] : 16,4
Момент затяжки [Нм] : 100
Сторона установки : Передний мост
Тип тормозного диска : вентилируемый
Толщина тормозного диска (мм) : 18
Показать больше свойств
|
|
|
Тормозной диск
Вес [кг] : 3,76
Высота [мм] : 34
Диаметр [мм] : 236
Диаметр центрирования [мм] : 86
Количественная единица : штука
Количество отверстий : 4
Минимальная толщина [мм] : 16,4
Момент затяжки [Нм] : 100
Сторона установки : Передний мост
Тип тормозного диска : вентилируемый
Толщина тормозного диска (мм) : 18
Показать больше свойств
|
|
|
Тормозной диск
Высота [мм] : 45
Диаметр [мм] : 236
Диаметр центрирования [мм] : 64
для артикула № : 09.7056.10
Количество отверстий : 4
Минимальная толщина [мм] : 16,4
Момент затяжки [Нм] : 108
Тип тормозного диска : с внутренней вентиляцией
Толщина тормозного диска (мм) : 18
Показать больше свойств
|
|
|
Тормозной диск
Высота [мм] : 45
Диаметр [мм] : 236
Диаметр фаски 2 [мм] : 64
Количество отверстий : 4
Минимальная толщина [мм] : 16,4
Момент затяжки [Нм] : 108
Толщина тормозного диска (мм) : 18
Показать больше свойств
|
|
|
Тормозной диск
Высота [мм] : 45
Диаметр [мм] : 236
Диаметр центрирования [мм] : 64
для артикула № : 09.7056.75
Количество отверстий : 4
Минимальная толщина [мм] : 16,4
Момент затяжки [Нм] : 108
Поверхность : с покрытием
Тип тормозного диска : с внутренней вентиляцией
Толщина тормозного диска (мм) : 18
Показать больше свойств
|
|
|
Тормозной диск
Вес [кг] : 2,79
Высота [мм] : 41
Диаметр [мм] : 236
Диаметр фаски 2 [мм] : 100
Диаметр центрирования [мм] : 64
Дополнительный артикул / дополнительная информация 2 : без ступицы
Минимальная толщина [мм] : 8,4
Расположение/число отверстий : 04/06
Тип тормозного диска : полный
Толщина тормозного диска (мм) : 10
Показать больше свойств
|
|
|
Тормозной диск
Вес [кг] : 3,9
Высота [мм] : 45
Диаметр [мм] : 236
Диаметр фаски 2 [мм] : 100
Диаметр центрирования [мм] : 64
Дополнительный артикул / дополнительная информация 2 : без ступицы
Минимальная толщина [мм] : 16,4
Расположение/число отверстий : 04/06
Тип тормозного диска : с внутренней вентиляцией
Толщина тормозного диска (мм) : 18
Показать больше свойств
|
|
|
Тормозной диск
Ø отверстия ступицы [мм] : 64
Ø фаски 1 [мм] : 100
Вес [кг] : 3,7
Высота [мм] : 45,5
Минимальная толщина [мм] : 16,4
Наружный диаметр [мм] : 236
Поверхность : с покрытием
Расположение/число отверстий : 6/4
Тип тормозного диска : с внутренней вентиляцией
Толщина [мм] : 18
Показать больше свойств
|
|
|
Тормозной диск
Ø отверстия ступицы [мм] : 64
Ø фаски 1 [мм] : 100
Вес [кг] : 3,7
Высота [мм] : 45,5
Минимальная толщина [мм] : 16,4
Наружный диаметр [мм] : 236
Номер ABE : KBA 60872
Поверхность : с покрытием
Расположение/число отверстий : 6/4
Тип тормозного диска : с отверстиями
Толщина [мм] : 18
Показать больше свойств
|
|
|
Тормозной диск
Глубина [мм] : 45
Диаметр [мм] : 236
Диаметр центрирования [мм] : 64
Количество отверстий : 4
Минимальная толщина [мм] : 16,4
Тип сборки : закреплено болтами / шурупами
Тип тормозного диска : вентилируемый
Толщина тормозного диска (мм) : 18
Показать больше свойств
|
|
|
Тормозной диск
вариант оснащения : beschichtet
Высота [мм] : 45,1
Диаметр [мм] : 236
Диаметр центрирования [мм] : 64
Количество отверстий : 4
Минимальная толщина [мм] : 16,4
Момент затяжки [Нм] : 108
Тип тормозного диска : с внутренней вентиляцией
Толщина тормозного диска (мм) : 18
Показать больше свойств
|
|
|
Тормозной диск
вариант оснащения : beschichtet
Высота [мм] : 41
Диаметр [мм] : 235,8
Диаметр центрирования [мм] : 64,02
Количество отверстий : 4
Минимальная толщина [мм] : 8,4
Момент затяжки [Нм] : 108
Тип тормозного диска : полный
Толщина тормозного диска (мм) : 10
Показать больше свойств
|
|
|
Тормозной диск
Высота [мм] : 45
Диаметр [мм] : 236
Диаметр центрирования [мм] : 64
Количество отверстий : 4
Минимальная толщина [мм] : 16,4
Момент затяжки [Нм] : 108
Тип тормозного диска : с внутренней вентиляцией
Толщина тормозного диска (мм) : 18
Показать больше свойств
|
|
|
Тормозной диск
Высота [мм] : 40,8
Диаметр [мм] : 235,2
Диаметр центрирования [мм] : 64
Количество отверстий : 4
Минимальная толщина [мм] : 8,4
Момент затяжки [Нм] : 108
Тип тормозного диска : полный
Толщина тормозного диска (мм) : 10
Показать больше свойств
|
|
|
Тормозной диск
Высота [мм] : 45
Диаметр [мм] : 236
Диаметр фаски 2 [мм] : 64
Количество отверстий : 4
Минимальная толщина [мм] : 16,4
Момент затяжки [Нм] : 11
Толщина тормозного диска (мм) : 18
Показать больше свойств
|
|
|
Тормозной диск
Высота [мм] : 45
Диаметр [мм] : 236
Диаметр ступицы колеса [мм] : 64
Диаметр фаски 2 [мм] : 100
Исполнение моста : Front
Минимальная толщина [мм] : 16,4
Номер технической информации : 78RBD29282
Расположение/число отверстий : 4
Тип тормоза : Дисковой механизм
Тип тормозного диска : вентилируемый
Толщина [мм] : 18
Показать больше свойств
|
|