|
|
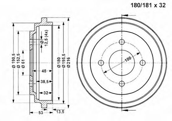
Тормозной барабан
Вес [кг] : 3,86
Внутрен. высота торм. барабана [мм] : 32,5
Внутрен. диаметр торм.барабан [мм] : 180
Высота [мм] : 53
Диаметр ступицы 1 [мм] : 61
Число отверстий в диске колеса : 4
Показать больше свойств
|
|
|
|
Тормозной барабан
Внутрен. высота торм. барабана [мм] : 33
Диаметр барабана : 180
Диаметр фаски 2 [мм] : 100
Количество отверстий : 4
Показать больше свойств
|
|
|
|
Тормозной барабан
Вес [кг] : 3,952
Внутренний диаметр : 180
Диаметр центрирования [мм] : 61
Наружный диаметр [мм] : 216
необходимое количество : 1
Сторона установки : Задний мост
Число отверстий в диске колеса : 4
Ширина (мм) : 33
Показать больше свойств
|
|
|
|
Тормозной барабан
Внутрен. высота торм. барабана [мм] : 32
Диаметр барабана : 180
Диаметр фаски 2 [мм] : 100
Количество отверстий : 4
Макс. размер расточки тормозного барабана [мм] : 180,3
Показать больше свойств
|
|
|
|
Тормозной барабан
Внутрен. высота торм. барабана [мм] : 32,5
Диаметр [мм] : 180
Диаметр фаски 2 [мм] : 61
для артикула № : 7D0295
Количество отверстий 1 : 4
Общ. высота торм. барабана [мм] : 53
Показать больше свойств
|
|
|
|
Тормозной барабан
Внутрен. высота торм. барабана [мм] : 32
Диаметр [мм] : 180
Диаметр фаски 2 [мм] : 61
для артикула № : 7D0311
Количество отверстий 1 : 4
Общ. высота торм. барабана [мм] : 53
Показать больше свойств
|
|
|
|
Тормозной барабан
Внутрен. высота торм. барабана [мм] : 32
Высота [мм] : 53
Диаметр барабана : 180
Диаметр ступицы 1 [мм] : 61
Диаметр фаски 2 [мм] : 100
Количество отверстий : 4
Показать больше свойств
|
|
|
|
Тормозной барабан
Внутрен. высота торм. барабана [мм] : 32,5
Диаметр барабана : 180
Диаметр центрирования [мм] : 61
Количество отверстий : 4
Общ. высота торм. барабана [мм] : 53
Показать больше свойств
|
|
|
|
Тормозной барабан
Внутрен. диаметр торм.барабан [мм] : 180
Внутренний диаметр : 60
Высота [мм] : 53
Дополнительный артикул / дополнительная информация 2 : без ступицы
Макс. размер расточки тормозного барабана [мм] : 181
Число отверстий в диске колеса : 4
Ширина (мм) : 32,5
Показать больше свойств
|
|
|
|
Тормозной барабан
Ø отверстия ступицы [мм] : 60
Внутрен. высота торм. барабана [мм] : 31,5
Внутрен. диаметр торм.барабан [мм] : 180
Сторона установки : Задний мост
Число отверстий : 4
Показать больше свойств
|
|
|
|
Тормозной барабан
Диаметр [мм] : 180
Расположение/число отверстий : 4/4
Сторона установки : Задний мост
|
|
|
|
Тормозной барабан
Внутрен. высота торм. барабана [мм] : 32,5
Диаметр барабана : 180.0
Общ. высота торм. барабана [мм] : 53
Число отверстий в диске колеса : 4
Показать больше свойств
|
|
|
|
Тормозной барабан
Внутрен. высота торм. барабана [мм] : 32,5
Диаметр барабана : 180
Диаметр ступицы [мм] : 61
Количество отверстий : 4
Общ. высота торм. барабана [мм] : 53
Показать больше свойств
|
|
|
|
Тормозной барабан
Внутрен. высота торм. барабана [мм] : 32
Диаметр барабана : 180
Диаметр ступицы [мм] : 61
Количество отверстий : 4
Общ. высота торм. барабана [мм] : 53
Показать больше свойств
|
|
|
|
Тормозной барабан
Внутрен. высота торм. барабана [мм] : 32,5
Диаметр барабана : 180
Диаметр ступицы 1 [мм] : 61
Общ. высота торм. барабана [мм] : 53
Число отверстий : 4
Показать больше свойств
|
|
|
|
Тормозной барабан
Ø отверстия ступицы [мм] : 60
Внутрен. высота торм. барабана [мм] : 31,5
Внутрен. диаметр торм.барабан [мм] : 180
Сторона установки : Задний мост
Число отверстий : 4
Показать больше свойств
|
|
|
|
Тормозной барабан
Внутрен. высота торм. барабана [мм] : 32
Диаметр барабана : 180
Диаметр ступицы 1 [мм] : 61
Общ. высота торм. барабана [мм] : 53
Число отверстий : 4
Показать больше свойств
|
|
|
|
Тормозной барабан
Внутрен. высота торм. барабана [мм] : 33
Диаметр барабана : 180
Диаметр фаски 2 [мм] : 100
Количество отверстий : 4
Макс. размер расточки тормозного барабана [мм] : 180,3
Показать больше свойств
|
|
|
|
Тормозной барабан
Вес [кг] : 3,952
необходимое количество : 1
Сторона установки : Задний мост
|
|
|
|
Тормозной барабан
Диаметр [мм] : 180,1
Диаметр барабана : 180
Наружный диаметр [мм] : 216
Общая высота [мм] : 53
Расположение/число отверстий : 4 H
Ширина (мм) : 32
Показать больше свойств
|
|
|
|
Тормозной барабан
Ø отверстия ступицы [мм] : 60
Внутрен. высота торм. барабана [мм] : 31,5
Внутрен. диаметр торм.барабан [мм] : 180
Сторона установки : Задний мост
Число отверстий : 4
Показать больше свойств
|
|
|
|
Тормозной барабан
|
|
|
|
Тормозной барабан
Внутрен. высота торм. барабана [мм] : 32
Диаметр барабана : 180
Диаметр фаски 2 [мм] : 100
Количество отверстий : 4
Макс. размер расточки тормозного барабана [мм] : 180,3
Показать больше свойств
|
|
|
|
Тормозной барабан
Диаметр [мм] : 180,1
Диаметр барабана : 180
Количество крепежных отверстий : 4
Наружный диаметр [мм] : 216
Общая высота [мм] : 53
Ширина (мм) : 32
Показать больше свойств
|
|
|
|
Тормозной барабан
Внутренний диаметр : 180
Высота [мм] : 53
Глубина [мм] : 32,8
Диаметр центрирования [мм] : 61
Количество отверстий : 4
Показать больше свойств
|
|
|
|
Тормозной барабан
Внутрен. высота торм. барабана [мм] : 32,5
Диаметр барабана : 180
Диаметр фаски 2 [мм] : 100
Количество отверстий : 4
Сторона установки : Задний мост
Показать больше свойств
|
|
|
|
Тормозной барабан
Вес [кг] : 3,6
Внутрен. высота торм. барабана [мм] : 32,5
Диаметр барабана : 180
Диаметр фаски 2 [мм] : 100
Дополнительный артикул / дополнительная информация 2 : без ступицы
Макс. размер расточки тормозного барабана [мм] : 181
Наружн. диаметр торм. барабана (мм) : 216
Номер технической информации : 61245
Общ. высота торм. барабана [мм] : 53
Расположение/число отверстий : 04/04
Показать больше свойств
|
|
|
|
Тормозной барабан
Ø отверстия ступицы [мм] : 60
Вес [кг] : 3,98
Внутрен. высота торм. барабана [мм] : 31,5
Внутрен. диаметр торм.барабан [мм] : 180
Высота упаковки [см] : 11,5
Длина упаковки [см] : 27
Сторона установки : Задний мост
Число отверстий : 4
Ширина упаковки [см] : 29
Показать больше свойств
|
|
|
|
Тормозной барабан
Внутрен. высота торм. барабана [мм] : 33
Диаметр барабана : 180
Диаметр фаски 2 [мм] : 100
Количество отверстий : 4
Макс. размер расточки тормозного барабана [мм] : 180,3
Показать больше свойств
|
|
|
|
Тормозной барабан
Внутрен. высота торм. барабана [мм] : 32,5
Диаметр барабана : 180.0
Общ. высота торм. барабана [мм] : 53
Число отверстий в диске колеса : 4
Показать больше свойств
|
|
|
|
Тормозной барабан
Внутрен. высота торм. барабана [мм] : 33
Диаметр барабана : 180,0
Диаметр крепления [мм] : 61
Диаметр отверстия [мм] : 12,5
Диаметр фаски 2 [мм] : 100
Количество отверстий : 4
Макс. размер расточки тормозного барабана [мм] : 181
Наружн. диаметр торм. барабана (мм) : 216
Общ. высота торм. барабана [мм] : 53
Показать больше свойств
|
|
|
|
Тормозной барабан
Вес [кг] : 3,6
Внутрен. высота торм. барабана [мм] : 32,5
Диаметр барабана : 180
Диаметр фаски 2 [мм] : 100
Дополнительный артикул / дополнительная информация 2 : без ступицы
Макс. размер расточки тормозного барабана [мм] : 181
Наружн. диаметр торм. барабана (мм) : 216
Номер технической информации : 61245
Общ. высота торм. барабана [мм] : 53
Расположение/число отверстий : 04/04
Показать больше свойств
|
|
|
|
Тормозной барабан
Внутрен. диаметр торм.барабан [мм] : 180
для диаметра вала начиная с [мм] : 61
Количество отверстий : 4
Общ. высота торм. барабана [мм] : 53
Тип сборки : закреплено болтами / шурупами
Показать больше свойств
|
|
|
|
Тормозной барабан
Внутрен. высота торм. барабана [мм] : 32
Диаметр барабана : 180.0
Диаметр отверстия [мм] : 61
Количество отверстий : 4
Наружн. диаметр торм. барабана (мм) : 216
Общ. высота торм. барабана [мм] : 53
Сторона установки : Задний мост
Показать больше свойств
|
|
|
|
Тормозной барабан
Внутрен. высота торм. барабана [мм] : 32,5
Высота [мм] : 53
Диаметр барабана : 180
Диаметр центрирования [мм] : 61
Количество отверстий : 4
Сторона установки : Задний мост
Показать больше свойств
|
|
|
|
Тормозной барабан
Внутрен. высота торм. барабана [мм] : 32
Высота [мм] : 53
Диаметр барабана : 180
Диаметр центрирования [мм] : 61
Количество отверстий : 4
Сторона установки : Задний мост
Показать больше свойств
|
|
|
|
Тормозной барабан
Внутрен. высота торм. барабана [мм] : 32,5
Диаметр [мм] : 180
Диаметр фаски 2 [мм] : 61
для артикула № : 7D0295
Количество отверстий 1 : 4
Общ. высота торм. барабана [мм] : 53
Показать больше свойств
|
|
|
|
Тормозной барабан
Внутрен. высота торм. барабана [мм] : 32
Диаметр [мм] : 180
Диаметр фаски 2 [мм] : 61
для артикула № : 7D0311
Количество отверстий 1 : 4
Общ. высота торм. барабана [мм] : 53
Показать больше свойств
|
|
|
|
Тормозной барабан
Внутрен. высота торм. барабана [мм] : 32,5
Высота [мм] : 53
Диаметр барабана : 180
Диаметр центрирования [мм] : 61
Количество отверстий : 4
Сторона установки : Задний мост
Показать больше свойств
|
|
|
|
Тормозной барабан
Внутрен. высота торм. барабана [мм] : 32
Высота [мм] : 53
Диаметр барабана : 180
Диаметр центрирования [мм] : 61
Количество отверстий : 4
Сторона установки : Задний мост
Показать больше свойств
|
|
|
|
Тормозной барабан
Внутрен. высота торм. барабана [мм] : 32,5
Высота [мм] : 53
Диаметр барабана : 180
Диаметр центрирования [мм] : 61
Количество отверстий : 4
Сторона установки : Задний мост
Показать больше свойств
|
|
|
|
Тормозной барабан
Внутрен. высота торм. барабана [мм] : 32
Высота [мм] : 53
Диаметр барабана : 180
Диаметр центрирования [мм] : 61
Количество отверстий : 4
Сторона установки : Задний мост
Показать больше свойств
|
|
|
|
Тормозной барабан
Внутрен. высота торм. барабана [мм] : 32,5
Внутрен. диаметр торм.барабан [мм] : 180
Высота [мм] : 53
Диаметр ступицы 1 [мм] : 61
Сторона установки : Задний мост
Число отверстий в диске колеса : 4
Показать больше свойств
|
|
|
|
Тормозной барабан
Сторона установки : Задний мост
|
|
|
|
Тормозной барабан
Внутрен. высота торм. барабана [мм] : 32
Диаметр барабана : 180,0
Диаметр крепления [мм] : 61
Диаметр отверстия [мм] : 12,5
Диаметр фаски 2 [мм] : 100
Количество отверстий : 4
Макс. размер расточки тормозного барабана [мм] : 181
Наружн. диаметр торм. барабана (мм) : 216
Общ. высота торм. барабана [мм] : 53
Показать больше свойств
|
|
|
|
Тормозной барабан
Внутрен. высота торм. барабана [мм] : 32
Диаметр барабана : 180
Диаметр ступицы [мм] : 61
Количество отверстий : 4
Общ. высота торм. барабана [мм] : 53
Показать больше свойств
|
|
|
|
Тормозной барабан
Внутрен. высота торм. барабана [мм] : 33
Диаметр барабана : 180,0
Диаметр крепления [мм] : 61
Диаметр отверстия [мм] : 12,8
Диаметр фаски 2 [мм] : 100
Количество отверстий : 4
Макс. размер расточки тормозного барабана [мм] : 181
Наружн. диаметр торм. барабана (мм) : 216
Общ. высота торм. барабана [мм] : 53,3
Показать больше свойств
|
|
|
|
Тормозной барабан
Вес [кг] : 3,6
Внутрен. высота торм. барабана [мм] : 32,5
Диаметр барабана : 180
Диаметр фаски 2 [мм] : 100
Дополнительный артикул / дополнительная информация 2 : без ступицы
Макс. размер расточки тормозного барабана [мм] : 181
Наружн. диаметр торм. барабана (мм) : 216
Общ. высота торм. барабана [мм] : 53
Расположение/число отверстий : 04/04
Показать больше свойств
|
|
|
|
Тормозной барабан
Внутрен. высота торм. барабана [мм] : 53
Диаметр барабана : 180
Количество отверстий : 4
|
|
|
|
Тормозной барабан
Внутрен. высота торм. барабана [мм] : 32
Диаметр барабана : 180
Количество отверстий : 4
|
|
|
|
Тормозной барабан
Вес [кг] : 3,6
Внутрен. высота торм. барабана [мм] : 32,5
Диаметр барабана : 180
Диаметр фаски 2 [мм] : 100
Дополнительный артикул / дополнительная информация 2 : без ступицы
Макс. размер расточки тормозного барабана [мм] : 181
Наружн. диаметр торм. барабана (мм) : 216
Номер технической информации : 98100 0245 0 1
Общ. высота торм. барабана [мм] : 53
Расположение/число отверстий : 04/04
Показать больше свойств
|
|
|
|
Тормозной барабан
Вес [кг] : 4
Внутрен. высота торм. барабана [мм] : 32,8
Диаметр барабана : 180
Диаметр отверстия [мм] : 61
Диаметр отверстия фланца [мм] : 61
Диаметр фаски 2 [мм] : 100
Дополнительный артикул / дополнительная информация 2 : без кольца сенсора ABS
Количество отверстий : 4
Макс. размер расточки тормозного барабана [мм] : 181
Наружн. диаметр торм. барабана (мм) : 216
Общ. высота торм. барабана [мм] : 53,1
Сторона установки : Задний мост
Показать больше свойств
|
|
|
|
Тормозной барабан
Высота [мм] : 53,5
Диаметр барабана : 180
Диаметр ступицы [мм] : 61
Диаметр фаски 2 [мм] : 100
Количество отверстий : 4
Показать больше свойств
|
|
|
|
Тормозной барабан
Высота [мм] : 53
Диаметр барабана : 180
Диаметр ступицы [мм] : 61
Диаметр фаски 2 [мм] : 100
Количество отверстий : 4
Показать больше свойств
|
|
|
|
Тормозной барабан
Внутрен. высота торм. барабана [мм] : 32,5
Высота [мм] : 53
Диаметр барабана : 181
Количество отверстий : 4
Показать больше свойств
|
|
|
|
Тормозной барабан
Вес [кг] : 4
Внутрен. высота торм. барабана [мм] : 32,8
Диаметр барабана : 180
Диаметр отверстия [мм] : 61
Диаметр отверстия фланца [мм] : 61
Диаметр фаски 2 [мм] : 100
Дополнительный артикул / дополнительная информация 2 : без кольца сенсора ABS
Количество отверстий : 4
Макс. размер расточки тормозного барабана [мм] : 181
Наружн. диаметр торм. барабана (мм) : 216
Общ. высота торм. барабана [мм] : 53,1
Сторона установки : Задний мост
Показать больше свойств
|
|
|
|
Тормозной барабан
Вес [кг] : 3,6
Внутрен. высота торм. барабана [мм] : 32,5
Диаметр барабана : 180
Диаметр фаски 2 [мм] : 100
Дополнительный артикул / дополнительная информация 2 : без ступицы
Макс. размер расточки тормозного барабана [мм] : 181
Наружн. диаметр торм. барабана (мм) : 216
Общ. высота торм. барабана [мм] : 53
Расположение/число отверстий : 04/04
Показать больше свойств
|
|
|
|
Тормозной барабан
Внутрен. диаметр торм.барабан [мм] : 180
для диаметра вала начиная с [мм] : 61
Количество отверстий : 4
Общ. высота торм. барабана [мм] : 53
Тип сборки : закреплено болтами / шурупами
Показать больше свойств
|
|
|
|
Тормозной барабан
Внутрен. высота торм. барабана [мм] : 32,5
Диаметр барабана : 180
Диаметр ступицы [мм] : 61
Количество отверстий : 4
Общ. высота торм. барабана [мм] : 53
Показать больше свойств
|
|
|
|
Тормозной барабан
Вес [кг] : 3,9
Внутрен. высота торм. барабана [мм] : 33
Внутрен. диаметр торм.барабан [мм] : 180
Диаметр [мм] : 216
Диаметр фаски 2 [мм] : 100
Диаметр центрирования [мм] : 61
Количество отверстий : 4
Макс. размер расточки тормозного барабана [мм] : 180,3
Общ. высота торм. барабана [мм] : 53
Сторона установки : Задний мост
Показать больше свойств
|
|