|
|
Тормозной барабан
Внутрен. высота торм. барабана [мм] : 37,5
Диаметр [мм] : 180
Диаметр фаски 2 [мм] : 68
Количество отверстий 1 : 4
Количество отверстий 2 : 2
Общ. высота торм. барабана [мм] : 57,5
Показать больше свойств
|
|
|
|
Тормозной барабан
Внутрен. высота торм. барабана [мм] : 54,5
Диаметр [мм] : 228,5
Диаметр фаски 2 [мм] : 68
для артикула № : 7D0129
Количество отверстий 1 : 4
Количество отверстий 2 : 2
Общ. высота торм. барабана [мм] : 62,5
Показать больше свойств
|
|
|
|
Тормозной барабан
Внутрен. высота торм. барабана [мм] : 37,5
Диаметр барабана : 180
Диаметр фаски 2 [мм] : 100
Количество отверстий : 4
Показать больше свойств
|
|
|
|
Тормозной барабан
Внутрен. высота торм. барабана [мм] : 54,5
Диаметр барабана : 228,5
Диаметр фаски 2 [мм] : 100
Количество отверстий : 4
Макс. размер расточки тормозного барабана [мм] : 230
Показать больше свойств
|
|
|
|
Тормозной барабан
Высота [мм] : 75
Диаметр [мм] : 254
Диаметр ступицы [мм] : 68
Количество отверстий 1 : 5
Показать больше свойств
|
|
|
|
Тормозной барабан
|
|
|
|
Тормозной барабан
Ø отверстия ступицы [мм] : 68
Внутрен. высота торм. барабана [мм] : 38
Внутрен. диаметр торм.барабан [мм] : 180
Сторона установки : Задний мост
Число отверстий : 4
Показать больше свойств
|
|
|
|
Тормозной барабан
Внутрен. высота торм. барабана [мм] : 37,5
Диаметр барабана : 180
Диаметр центрирования [мм] : 68
Количество отверстий : 4
Общ. высота торм. барабана [мм] : 57,5
Показать больше свойств
|
|
|
|
Тормозной барабан
Внутрен. высота торм. барабана [мм] : 54,5
Диаметр барабана : 228,5
Диаметр фаски 2 [мм] : 100
Количество отверстий : 4
Макс. размер расточки тормозного барабана [мм] : 230
Показать больше свойств
|
|
|
|
Тормозной барабан
Ø отверстия ступицы [мм] : 68
Внутрен. высота торм. барабана [мм] : 38
Внутрен. диаметр торм.барабан [мм] : 180
Сторона установки : Задний мост
Число отверстий : 4
Показать больше свойств
|
|
|
|
Тормозной барабан
Внутрен. высота торм. барабана [мм] : 37,5
Диаметр барабана : 180
Диаметр центрирования [мм] : 68
Количество отверстий : 4
Общ. высота торм. барабана [мм] : 57,5
Показать больше свойств
|
|
|
|
Тормозной барабан
Вес [кг] : 4,47
Внутрен. высота торм. барабана [мм] : 54,5
Внутрен. диаметр торм.барабан [мм] : 228
Высота [мм] : 62,5
Диаметр ступицы 1 [мм] : 68
Число отверстий в диске колеса : 4
Показать больше свойств
|
|
|
|
Тормозной барабан
Внутрен. высота торм. барабана [мм] : 54,5
Высота [мм] : 62,5
Диаметр барабана : 228.6
Диаметр ступицы 1 [мм] : 68
Диаметр фаски 2 [мм] : 100
Количество отверстий : 4
Показать больше свойств
|
|
|
|
Тормозной барабан
Внутрен. высота торм. барабана [мм] : 37,5
Высота [мм] : 57,5
Диаметр барабана : 180
Диаметр ступицы 1 [мм] : 68
Диаметр фаски 2 [мм] : 100
Количество отверстий : 4
Показать больше свойств
|
|
|
|
Тормозной барабан
Ø отверстия ступицы [мм] : 68
Внутрен. высота торм. барабана [мм] : 38
Внутрен. диаметр торм.барабан [мм] : 180
Сторона установки : Задний мост
Число отверстий : 4
Показать больше свойств
|
|
|
|
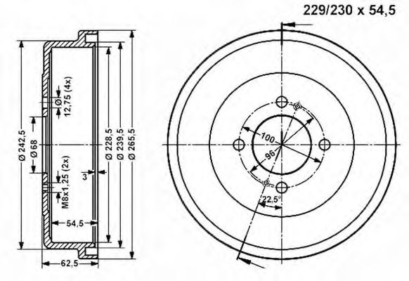
Тормозной барабан
Внутрен. высота торм. барабана [мм] : 55
Диаметр барабана : 229,0
Диаметр крепления [мм] : 68
Диаметр отверстия [мм] : 12,8
Диаметр фаски 2 [мм] : 100
Количество отверстий : 4
Макс. размер расточки тормозного барабана [мм] : 230
Наружн. диаметр торм. барабана (мм) : 265,5
Общ. высота торм. барабана [мм] : 62,5
Показать больше свойств
|
|
|
|
Тормозной барабан
Внутрен. диаметр торм.барабан [мм] : 180
для диаметра вала начиная с [мм] : 68
Количество отверстий : 4
Общ. высота торм. барабана [мм] : 57,5
Тип сборки : закреплено болтами / шурупами
Показать больше свойств
|
|
|
|
Тормозной барабан
Вес [кг] : 3,5
Внутрен. высота торм. барабана [мм] : 37,5
Диаметр барабана : 180,0
Диаметр фаски 2 [мм] : 100
Дополнительный артикул / дополнительная информация 2 : без ступицы
Макс. размер расточки тормозного барабана [мм] : 181
Наружн. диаметр торм. барабана (мм) : 220
Общ. высота торм. барабана [мм] : 57,5
Расположение/число отверстий : 04/06
Показать больше свойств
|
|
|
|
Тормозной барабан
Внутрен. высота торм. барабана [мм] : 54,5
Высота [мм] : 62,5
Диаметр барабана : 230.5
Количество отверстий : 4
Показать больше свойств
|
|
|
|
Тормозной барабан
Внутрен. высота торм. барабана [мм] : 54,5
Диаметр барабана : 228.5
Количество отверстий : 4
Сторона установки : Задний мост
Показать больше свойств
|
|
|
|
Тормозной барабан
Внутрен. высота торм. барабана [мм] : 37,5
Диаметр барабана : 180
Диаметр отверстия фланца [мм] : 68
Диаметр фаски 2 [мм] : 100
Количество отверстий : 4
Макс. размер расточки тормозного барабана [мм] : 181
Общ. высота торм. барабана [мм] : 57,5
Сторона установки : Задний мост
Показать больше свойств
|
|
|
|
Тормозной барабан
Вес [кг] : 3,5
Внутрен. высота торм. барабана [мм] : 37,5
Диаметр барабана : 180,0
Диаметр фаски 2 [мм] : 100
Дополнительный артикул / дополнительная информация 2 : без ступицы
Макс. размер расточки тормозного барабана [мм] : 181
Наружн. диаметр торм. барабана (мм) : 220
Номер технической информации : 98100 0209 0 1
Общ. высота торм. барабана [мм] : 57,5
Расположение/число отверстий : 04/06
Показать больше свойств
|
|
|
|
Тормозной барабан
Внутрен. высота торм. барабана [мм] : 55
Диаметр барабана : 228,5
Количество отверстий : 4
|
|
|
|
Тормозной барабан
Вес [кг] : 3,5
Внутрен. высота торм. барабана [мм] : 37,5
Диаметр барабана : 180,0
Диаметр фаски 2 [мм] : 100
Дополнительный артикул / дополнительная информация 2 : без ступицы
Макс. размер расточки тормозного барабана [мм] : 181
Наружн. диаметр торм. барабана (мм) : 220
Общ. высота торм. барабана [мм] : 57,5
Расположение/число отверстий : 04/06
Показать больше свойств
|
|
|
|
Тормозной барабан
Внутрен. высота торм. барабана [мм] : 54,5
Диаметр барабана : 229,0
Диаметр крепления [мм] : 68
Диаметр отверстия [мм] : 12,8
Диаметр фаски 2 [мм] : 100
Количество отверстий : 4
Макс. размер расточки тормозного барабана [мм] : 230
Наружн. диаметр торм. барабана (мм) : 265,5
Общ. высота торм. барабана [мм] : 62,5
Показать больше свойств
|
|
|
|
Тормозной барабан
Вес [кг] : 3,5
Внутрен. высота торм. барабана [мм] : 37,5
Диаметр барабана : 180,0
Диаметр фаски 2 [мм] : 100
Дополнительный артикул / дополнительная информация 2 : без ступицы
Макс. размер расточки тормозного барабана [мм] : 181
Наружн. диаметр торм. барабана (мм) : 220
Номер технической информации : 62924
Общ. высота торм. барабана [мм] : 57,5
Расположение/число отверстий : 04/06
Показать больше свойств
|
|
|
|
Тормозной барабан
Внутрен. высота торм. барабана [мм] : 54,5
Внутрен. диаметр торм.барабан [мм] : 228
Высота [мм] : 62,5
Диаметр ступицы 1 [мм] : 68
Сторона установки : Задний мост
Число отверстий в диске колеса : 4
Показать больше свойств
|
|
|
|
Тормозной барабан
Внутрен. высота торм. барабана [мм] : 54,5
Диаметр [мм] : 228,5
Диаметр фаски 2 [мм] : 68
для артикула № : 7D0129
Количество отверстий 1 : 4
Количество отверстий 2 : 2
Общ. высота торм. барабана [мм] : 62,5
Показать больше свойств
|
|
|
|
Тормозной барабан
Вес [кг] : 3,5
Внутрен. высота торм. барабана [мм] : 37,5
Диаметр барабана : 180,0
Диаметр фаски 2 [мм] : 100
Дополнительный артикул / дополнительная информация 2 : без ступицы
Макс. размер расточки тормозного барабана [мм] : 181
Наружн. диаметр торм. барабана (мм) : 220
Номер технической информации : 62924
Общ. высота торм. барабана [мм] : 57,5
Расположение/число отверстий : 04/06
Показать больше свойств
|
|