|
Тормозной диск
Высота [мм] : 41
Диаметр [мм] : 259
Диаметр фаски 2 [мм] : 100
Диаметр центрирования [мм] : 61
Дополнительный артикул / дополнительная информация 2 : с винтами
Количество отверстий : 4
Минимальная толщина [мм] : 17,7
Размер резьбы : 13
Тип тормозного диска : вентилируемый
Толщина тормозного диска (мм) : 20,6
Показать больше свойств
|
|
|
Тормозной диск
Высота [мм] : 44
Диаметр [мм] : 280
Диаметр центрирования [мм] : 61
Количество отверстий : 5
Минимальная толщина [мм] : 22
Сторона установки : Передний мост
Тип тормозного диска : вентилируемый
Толщина тормозного диска (мм) : 24
Показать больше свойств
|
|
|
Тормозной диск
Высота [мм] : 44
Диаметр фаски 2 [мм] : 100
Диаметр центрирования [мм] : 61
Количество отверстий : 4
Минимальная толщина [мм] : 19,8
Наружный диаметр [мм] : 257
Сторона установки : Передний мост
Тип тормозного диска : с внутренней вентиляцией
Толщина тормозного диска (мм) : 22
Число отверстий : 2
Показать больше свойств
|
|
|
Тормозной диск
Высота [мм] : 44
Диаметр [мм] : 280
Диаметр центрирования [мм] : 61
для артикула № : R1039V
Количество отверстий : 5
Минимальная толщина [мм] : 21,8
Тип тормозного диска : с внутренней вентиляцией
Толщина тормозного диска (мм) : 24
Показать больше свойств
|
|
|
Тормозной диск
Вес [кг] : 11,35
Высота [мм] : 43,9
Диаметр [мм] : 258
Диаметр фаски 2 [мм] : 61
Количество отверстий : 4
Минимальная толщина [мм] : 19,8
Тип тормозного диска : вентилируемый
Толщина тормозного диска (мм) : 22
Показать больше свойств
|
|
|
Тормозной диск
Вес [кг] : 5,5
Диаметр фаски 2 [мм] : 100
Диаметр центрирования [мм] : 61,1
Количество крепежных отверстий : 2
Минимальная толщина [мм] : 19,9
Наружный диаметр [мм] : 257,8
необходимое количество : 1
Сторона установки : Передний мост
Тип тормозного диска : с внутренней вентиляцией
Толщина [мм] : 43,8
Толщина тормозного диска (мм) : 21,9
Число отверстий в диске колеса : 4
Показать больше свойств
|
|
|
Тормозной диск
Высота [мм] : 43,9
Диаметр [мм] : 258
Диаметр центрирования [мм] : 61
для артикула № : 09.9078.20
Дополнительный артикул / дополнительная информация 2 : с винтами
Количество отверстий : 4
Минимальная толщина [мм] : 19,8
Тип тормозного диска : с внутренней вентиляцией
Толщина тормозного диска (мм) : 22
Показать больше свойств
|
Показать еще цены (4)
Скрыть
|
|
Тормозной диск
Вес [кг] : 5,48
Высота [мм] : 43,9
Диаметр [мм] : 257,8
Диаметр ступицы колеса [мм] : 61
Количество отверстий : 4
Минимальная толщина [мм] : 19,8
Тип тормозного диска : с внутренней вентиляцией
Толщина тормозного диска (мм) : 22
Показать больше свойств
|
|
|
Тормозной диск
Ø отверстия болт крепления колеса [мм] : 13,5
Высота [мм] : 44
Диаметр фаски 2 [мм] : 100
Диаметр центрирования [мм] : 61
Количество отверстий : 4
Минимальная толщина [мм] : 19,8
Наружный диаметр [мм] : 258
Сторона установки : Передний мост
Тип тормозного диска : вентилируемый
Толщина тормозного диска (мм) : 22
Показать больше свойств
|
|
|
Тормозной диск
Высота [мм] : 90
Диаметр [мм] : 275
Диаметр фаски 2 [мм] : 52,2
Количество отверстий : 5
Минимальная толщина [мм] : 9,5
Сторона установки : Задний мост
Тип тормозного диска : полный
Толщина тормозного диска (мм) : 11
Показать больше свойств
|
|
|
Тормозной диск
Вес [кг] : 6,660
Высота [мм] : 43,9
Диаметр [мм] : 279,9
Диаметр фаски 2 [мм] : 61
Количество отверстий : 5
Минимальная толщина [мм] : 21,8
Поверхность : лакированный
Тип тормозного диска : вентилируемый
Толщина тормозного диска (мм) : 24
Показать больше свойств
|
|
|
Тормозной диск
Высота [мм] : 43,9
Диаметр [мм] : 280
Диаметр фаски 2 [мм] : 108
Диаметр центрирования [мм] : 61
Количество отверстий : 5
Минимальная толщина [мм] : 21,8
Поверхность : лакированный
Размер резьбы : 15,7
Тип тормозного диска : вентилируемый
Толщина тормозного диска (мм) : 24
Цвет : черный
Показать больше свойств
|
Показать еще цены (2)
Скрыть
|
|
Тормозной диск
Вес [кг] : 6,66
Высота [мм] : 43,9
Диаметр [мм] : 279,9
Диаметр ступицы колеса [мм] : 61
Количество отверстий : 5
Минимальная толщина [мм] : 21,8
Тип тормозного диска : с внутренней вентиляцией
Толщина тормозного диска (мм) : 24
Показать больше свойств
|
|
|
Тормозной диск
Диаметр [мм] : 258
Диаметр ступицы колеса [мм] : 61
Дополнительный артикул / дополнительная информация 2 : с винтами
Количество отверстий : 4
Минимальная толщина [мм] : 19,8
Обработка : Высокоуглеродистый
Тип тормозного диска : с внутренней вентиляцией
Толщина тормозного диска (мм) : 22
Показать больше свойств
|
|
|
Тормозной диск
Диаметр [мм] : 274
Диаметр ступицы колеса [мм] : 52,3
Дополнительный артикул / дополнительная информация 2 : без кольца сенсора ABS
Количество отверстий : 5
Минимальная толщина [мм] : 9,5
Тип тормозного диска : полный
Толщина тормозного диска (мм) : 11
Показать больше свойств
|
|
|
Тормозной диск
Диаметр [мм] : 258
Диаметр ступицы колеса [мм] : 61
Дополнительный артикул / дополнительная информация 2 : с винтами
Количество отверстий : 4
Минимальная толщина [мм] : 19,8
Обработка : Высокоуглеродистый
Поверхность : лакированный
Тип тормозного диска : с внутренней вентиляцией
Толщина тормозного диска (мм) : 22
Показать больше свойств
|
|
|
Тормозной диск
Высота [мм] : 43,9
Диаметр [мм] : 258
Диаметр фаски 2 [мм] : 100
Диаметр центрирования [мм] : 61
Количество отверстий : 4
Минимальная толщина [мм] : 19,8
Поверхность : лакированный
Размер резьбы 1 : 13,5
Тип тормозного диска : вентилируемый
Толщина тормозного диска (мм) : 22
Цвет : черный
Показать больше свойств
|
|
|
Тормозной диск
Диаметр [мм] : 280
Диаметр ступицы колеса [мм] : 61
Дополнительный артикул / дополнительная информация 2 : с винтами
Количество отверстий : 5
Минимальная толщина [мм] : 21,8
Обработка : Высокоуглеродистый
Тип тормозного диска : с внутренней вентиляцией
Толщина тормозного диска (мм) : 24
Показать больше свойств
|
|
|
Тормозной диск
Высота [мм] : 43,9
Диаметр [мм] : 258
Диаметр центрирования [мм] : 61
для артикула № : 09.9078.21
Дополнительный артикул / дополнительная информация 2 : с винтами
Количество отверстий : 4
Минимальная толщина [мм] : 19,8
Поверхность : с покрытием
Тип тормозного диска : с внутренней вентиляцией
Толщина тормозного диска (мм) : 22
Показать больше свойств
|
|
|
Тормозной диск
Высота [мм] : 44
Диаметр [мм] : 280
Диаметр центрирования [мм] : 61
для артикула № : 09.A727.21
Дополнительный артикул / дополнительная информация 2 : с винтами
Количество отверстий : 5
Минимальная толщина [мм] : 21,8
Момент затяжки [Нм] : 105
Обработка : Высокоуглеродистый
Поверхность : с покрытием
Тип тормозного диска : с внутренней вентиляцией
Толщина тормозного диска (мм) : 24
Показать больше свойств
|
|
|
Тормозной диск
Ø отверстия ступицы 1 [мм] : 61
Ø фаски 1 [мм] : 108
Вес [кг] : 6,7
Высота [мм] : 44
Минимальная толщина [мм] : 21,8
Наружный диаметр [мм] : 280
Поверхность : с покрытием
Расположение/число отверстий : 7/5
Тип тормозного диска : с внешней вентиляцией
Толщина [мм] : 24
Показать больше свойств
|
|
|
Тормозной диск
Высота [мм] : 88,2
Диаметр [мм] : 274
Диаметр центрирования [мм] : 52,3
для артикула № : R1070PCA
Дополнительный артикул / дополнительная информация 2 : с комплектом колесного подшипника
Количество отверстий : 5
Минимальная толщина [мм] : 9,5
Тип тормозного диска : полный
Толщина тормозного диска (мм) : 11
Показать больше свойств
|
|
|
Тормозной диск
Высота [мм] : 90
Диаметр [мм] : 274
Диаметр центрирования [мм] : 52,2
для артикула № : R1033PCA
Дополнительный артикул / дополнительная информация 2 : с комплектом колесного подшипника
Количество отверстий : 5
Минимальная толщина [мм] : 9,5
Тип тормозного диска : полный
Толщина тормозного диска (мм) : 11
Показать больше свойств
|
|
|
Тормозной диск
Высота [мм] : 90
Диаметр [мм] : 274
Диаметр центрирования [мм] : 52,2
для артикула № : R1033PRCA
Дополнительный артикул / дополнительная информация 2 : с комплектом колесного подшипника
Количество отверстий : 5
Минимальная толщина [мм] : 9,5
Поверхность : с покрытием
Тип тормозного диска : полный
Толщина тормозного диска (мм) : 11
Показать больше свойств
|
|
|
Тормозной диск
Вес [кг] : 5.452
Высота [мм] : 43,9
Диаметр [мм] : 258
Диаметр центрирования [мм] : 61
Минимальная толщина [мм] : 19,8
Тип тормозного диска : вентилируемый
Толщина тормозного диска (мм) : 22
Число отверстий в диске колеса : 4
Показать больше свойств
|
|
|
Тормозной диск
Высота [мм] : 88,2
Диаметр [мм] : 274
Диаметр центрирования [мм] : 30
для артикула № : 08.B395.17
Дополнительный артикул / дополнительная информация 2 : с комплектом колесного подшипника
Количество отверстий : 5
Минимальная толщина [мм] : 9,5
Тип тормозного диска : полный
Толщина тормозного диска (мм) : 11
Показать больше свойств
|
|
|
Тормозной диск
Высота [мм] : 88,2
Диаметр фаски 2 [мм] : 108
Диаметр центрирования [мм] : 52,3
Дополнительный артикул / дополнительная информация 2 : с подшипником
Количество отверстий : 5
Минимальная толщина [мм] : 9,5
Наружный диаметр [мм] : 274
Поверхность : с покрытием
Сторона установки : Задний мост
Тип тормозного диска : полный
Толщина тормозного диска (мм) : 11
Показать больше свойств
|
|
|
Тормозной диск
Высота [мм] : 88,2
Диаметр [мм] : 274
Диаметр центрирования [мм] : 52,3
для артикула № : R1070PRCA
Дополнительный артикул / дополнительная информация 2 : с комплектом колесного подшипника
Количество отверстий : 5
Минимальная толщина [мм] : 9,5
Поверхность : с покрытием
Тип тормозного диска : полный
Толщина тормозного диска (мм) : 11
Показать больше свойств
|
|
|
Тормозной диск
Вес [кг] : 7,75
Высота [мм] : 88,1
Диаметр [мм] : 274
Диаметр фаски 2 [мм] : 61,9
Дополнительный артикул / дополнительная информация 2 : с комплектом колесного подшипника
Количество отверстий : 5
Минимальная толщина [мм] : 9,5
Тип тормозного диска : полный
Толщина тормозного диска (мм) : 11
Показать больше свойств
|
|
|
Тормозной диск
Вес [кг] : 7,000
Внутренний диаметр : 30
Диаметр фаски 2 [мм] : 61,9
Минимальная толщина [мм] : 9,5
Наружный диаметр [мм] : 274
необходимое количество : 2
Сторона установки : Задний мост
Тип тормозного диска : полный
Толщина [мм] : 88,2
Толщина тормозного диска (мм) : 11
Показать больше свойств
|
|
|
Тормозной диск
Высота [мм] : 88,2
Диаметр [мм] : 274
Диаметр фаски 2 [мм] : 60
Дополнительный артикул / дополнительная информация 2 : с колесным подшипником
Количество отверстий : 5
Минимальная толщина [мм] : 9,5
Сторона установки : Задний мост
Тип тормозного диска : полный
Толщина тормозного диска (мм) : 11
Показать больше свойств
|
|
|
Тормозной диск
Ø фаски 1 [мм] : 108
Вес [кг] : 7,3
Высота [мм] : 90
Диаметр осевой цапфы [мм] : 30
Дополнительный артикул / дополнительная информация 2 : с кольцом сенсора ABS
Минимальная толщина [мм] : 9,5
Наружный диаметр [мм] : 274
Расположение/число отверстий : 5/5
Тип тормозного диска : полный
Толщина [мм] : 11
Показать больше свойств
|
|
|
Тормозной диск
Высота [мм] : 44
Диаметр [мм] : 280
Диаметр центрирования [мм] : 61
для артикула № : 25264 V
Дополнительный артикул / дополнительная информация 2 : с винтами
Количество отверстий : 5
Минимальная толщина [мм] : 21,8
Момент затяжки [Нм] : 105
Обработка : Высокоуглеродистый
Поверхность : с покрытием
Тип тормозного диска : с внутренней вентиляцией
Толщина тормозного диска (мм) : 24
Показать больше свойств
|
|
|
Тормозной диск
Высота [мм] : 44
Диаметр [мм] : 280
Диаметр центрирования [мм] : 61
для артикула № : 25264
Дополнительный артикул / дополнительная информация 2 : с винтами
Количество отверстий : 5
Минимальная толщина [мм] : 21,8
Момент затяжки [Нм] : 105
Обработка : Высокоуглеродистый
Тип тормозного диска : с внутренней вентиляцией
Толщина тормозного диска (мм) : 24
Показать больше свойств
|
|
|
Тормозной диск
Высота [мм] : 43,9
Диаметр [мм] : 258
Диаметр центрирования [мм] : 61
для артикула № : BS 8952
Дополнительный артикул / дополнительная информация 2 : с винтами
Количество отверстий : 4
Минимальная толщина [мм] : 19,8
Тип тормозного диска : с внутренней вентиляцией
Толщина тормозного диска (мм) : 22
Показать больше свойств
|
|
|
Тормозной диск
Высота [мм] : 43,9
Диаметр [мм] : 258
Диаметр центрирования [мм] : 61
для артикула № : 25342
Дополнительный артикул / дополнительная информация 2 : с винтами
Количество отверстий : 4
Минимальная толщина [мм] : 19,8
Тип тормозного диска : с внутренней вентиляцией
Толщина тормозного диска (мм) : 22
Показать больше свойств
|
|
|
Тормозной диск
Высота [мм] : 43,9
Диаметр [мм] : 258
Диаметр центрирования [мм] : 61
для артикула № : 25342 V
Дополнительный артикул / дополнительная информация 2 : с винтами
Количество отверстий : 4
Минимальная толщина [мм] : 19,8
Поверхность : с покрытием
Тип тормозного диска : с внутренней вентиляцией
Толщина тормозного диска (мм) : 22
Показать больше свойств
|
|
|
Тормозной диск
Вес [кг] : 6,66
Высота [мм] : 44
Диаметр [мм] : 280
Диаметр центрирования [мм] : 61
Количество отверстий : 5
Минимальная толщина [мм] : 22
Сторона установки : Передний мост
Тип тормозного диска : вентилируемый
Толщина тормозного диска (мм) : 24
Показать больше свойств
|
|
|
Тормозной диск
Вес [кг] : 5,48
Высота [мм] : 43,9
Диаметр [мм] : 257,8
Диаметр центрирования [мм] : 61
Количество отверстий : 4
Минимальная толщина [мм] : 19,8
Сторона установки : Передний мост
Тип тормозного диска : вентилируемый
Толщина тормозного диска (мм) : 22
Показать больше свойств
|
|
|
Тормозной диск
Высота [мм] : 44
Диаметр [мм] : 280
Диаметр центрирования [мм] : 61
для артикула № : BS 8874
Дополнительный артикул / дополнительная информация 2 : с винтами
Количество отверстий : 5
Минимальная толщина [мм] : 21,8
Момент затяжки [Нм] : 105
Обработка : Высокоуглеродистый
Тип тормозного диска : с внутренней вентиляцией
Толщина тормозного диска (мм) : 24
Показать больше свойств
|
|
|
Тормозной диск
Высота [мм] : 88,1
Диаметр [мм] : 274
Диаметр фаски 2 [мм] : 61,9
Количество отверстий : 5
Минимальная толщина [мм] : 9,5
Тип тормозного диска : полный
Толщина тормозного диска (мм) : 11
Показать больше свойств
|
|
|
Тормозной диск
Высота [мм] : 44
Диаметр [мм] : 280
Диаметр центрирования [мм] : 61
для артикула № : BV 8874
Дополнительный артикул / дополнительная информация 2 : с винтами
Количество отверстий : 5
Минимальная толщина [мм] : 21,8
Момент затяжки [Нм] : 105
Обработка : Высокоуглеродистый
Поверхность : с покрытием
Тип тормозного диска : с внутренней вентиляцией
Толщина тормозного диска (мм) : 24
Показать больше свойств
|
|
|
Тормозной диск
Высота [мм] : 43,9
Диаметр [мм] : 258
Диаметр центрирования [мм] : 61
для артикула № : BV 8952
Дополнительный артикул / дополнительная информация 2 : с винтами
Количество отверстий : 4
Минимальная толщина [мм] : 19,8
Поверхность : с покрытием
Тип тормозного диска : с внутренней вентиляцией
Толщина тормозного диска (мм) : 22
Показать больше свойств
|
|
|
Тормозной диск
Высота [мм] : 88,2
Диаметр [мм] : 274
Диаметр центрирования [мм] : 30
для артикула № : BY 6023
Дополнительный артикул / дополнительная информация 2 : с комплектом колесного подшипника
Количество отверстий : 5
Минимальная толщина [мм] : 9,5
Тип тормозного диска : полный
Толщина тормозного диска (мм) : 11
Показать больше свойств
|
|
|
Тормозной диск
Вес [кг] : 6,66
Высота [мм] : 43,9
Диаметр [мм] : 280
Диаметр центрирования [мм] : 61
Минимальная толщина [мм] : 22
Тип тормозного диска : вентилируемый
Толщина тормозного диска (мм) : 24
Число отверстий в диске колеса : 5
Показать больше свойств
|
|
|
Тормозной диск
Вес [кг] : 5.452
Высота [мм] : 43,9
Диаметр [мм] : 258
Диаметр центрирования [мм] : 61
Минимальная толщина [мм] : 19,8
Тип тормозного диска : вентилируемый
Толщина тормозного диска (мм) : 22
Число отверстий в диске колеса : 4
Показать больше свойств
|
|
|
Тормозной диск
Вес [кг] : 6,66
Высота [мм] : 43,9
Диаметр [мм] : 280
Диаметр центрирования [мм] : 61
Минимальная толщина [мм] : 22
Поверхность : с покрытием
Тип тормозного диска : вентилируемый
Толщина тормозного диска (мм) : 24
Число отверстий в диске колеса : 5
Показать больше свойств
|
|
|
Тормозной диск
Вес [кг] : 7,3
Высота [мм] : 99,25
Диаметр [мм] : 274
Диаметр центрирования [мм] : 30
Дополнительный артикул / дополнительная информация 2 : с колесным подшипником
Минимальная толщина [мм] : 9,5
Поверхность : с покрытием
Тип тормозного диска : полный
Толщина тормозного диска (мм) : 11
Число отверстий в диске колеса : 5
Показать больше свойств
|
|
|
Тормозной диск
Вес [кг] : 5.452
Высота [мм] : 43,9
Диаметр [мм] : 258
Диаметр центрирования [мм] : 61
Минимальная толщина [мм] : 19,8
Поверхность : с покрытием
Тип тормозного диска : вентилируемый
Толщина тормозного диска (мм) : 22
Число отверстий в диске колеса : 4
Показать больше свойств
|
|
|
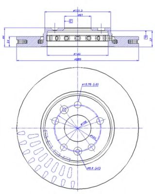
Тормозной диск
Ø отверстия ступицы [мм] : 61
Высота [мм] : 44
Диаметр ступицы [мм] : 151,1
Диаметр фаски 2 [мм] : 108
Наружный диаметр [мм] : 280
Поверхность : с покрытием
Сторона установки : Передний мост
Тип тормозного диска : вентилируемый
Толщина тормозного диска (мм) : 24
Число отверстий в диске колеса : 5
Показать больше свойств
|
|
|
Тормозной диск
Вес [кг] : 7,000
Внутренний диаметр : 30
Диаметр фаски 2 [мм] : 61,9
Минимальная толщина [мм] : 9,5
Наружный диаметр [мм] : 274
необходимое количество : 2
Сторона установки : Задний мост
Тип тормозного диска : полный
Толщина [мм] : 88,2
Толщина тормозного диска (мм) : 11
Показать больше свойств
|
|
|
Тормозной диск
Ø отверстия болт крепления колеса [мм] : 15,8
Высота [мм] : 44
Диаметр фаски 2 [мм] : 108
Диаметр центрирования [мм] : 61
Дополнительный артикул / дополнительная информация 2 : с винтами
Количество отверстий : 5
Минимальная толщина [мм] : 21,8
Наружный диаметр [мм] : 280
Поверхность : не хромированное (Cr VI) покрытие
Сторона установки : Передний мост
Тип тормозного диска : вентилируемый
Толщина тормозного диска (мм) : 24
Показать больше свойств
|
|
|
Тормозной диск
Ø отверстия болт крепления колеса [мм] : 15,8
Высота [мм] : 44
Диаметр фаски 2 [мм] : 108
Диаметр центрирования [мм] : 61
Количество отверстий : 5
Минимальная толщина [мм] : 21,8
Наружный диаметр [мм] : 280
Сторона установки : Передний мост
Тип тормозного диска : вентилируемый
Толщина тормозного диска (мм) : 24
Показать больше свойств
|
|
|
Тормозной диск
Вес [кг] : 7,28
Высота [мм] : 99,25
Диаметр [мм] : 274
Диаметр центрирования [мм] : 30
Дополнительный артикул / дополнительная информация 2 : с колесным подшипником
Минимальная толщина [мм] : 9,5
Тип тормозного диска : полный
Толщина тормозного диска (мм) : 11
Число отверстий в диске колеса : 5
Показать больше свойств
|
|
|
Тормозной диск
Вес [кг] : 6,66
Высота [мм] : 44
Диаметр [мм] : 280
Диаметр центрирования [мм] : 61
Количество отверстий : 5
Минимальная толщина [мм] : 22
Сторона установки : Передний мост
Тип тормозного диска : вентилируемый
Толщина тормозного диска (мм) : 24
Показать больше свойств
|
|
|
Тормозной диск
Высота [мм] : 88,2
Диаметр [мм] : 274
Диаметр центрирования [мм] : 30
для артикула № : 15031 Y
Дополнительный артикул / дополнительная информация 2 : с комплектом колесного подшипника
Количество отверстий : 5
Минимальная толщина [мм] : 9,5
Тип тормозного диска : полный
Толщина тормозного диска (мм) : 11
Показать больше свойств
|
|
|
Тормозной диск
Вес [кг] : 5,44
Высота [мм] : 44
Диаметр [мм] : 258
Диаметр ступицы 1 [мм] : 61
Минимальная толщина [мм] : 20
Тип тормозного диска : вентилируемый
Толщина тормозного диска (мм) : 22
Число отверстий в диске колеса : 4
Показать больше свойств
|
|
|
Тормозной диск
Высота [мм] : 44
Диаметр [мм] : 280
Диаметр отверстия [мм] : 61
Диаметр фаски 2 [мм] : 108
Количество отверстий : 5
Минимальная толщина [мм] : 21,8
Сторона установки : Передний мост
Тип тормозного диска : вентилируемый
Толщина тормозного диска (мм) : 24
Показать больше свойств
|
|
|
Тормозной диск
Высота [мм] : 88,2
Диаметр [мм] : 274
Диаметр отверстия [мм] : 30
Диаметр фаски 2 [мм] : 108
Количество отверстий : 5
Минимальная толщина [мм] : 9,5
Сторона установки : Задний мост
Тип тормозного диска : полный
Толщина тормозного диска (мм) : 11
Показать больше свойств
|
|
|
Тормозной диск
Высота [мм] : 90
Диаметр [мм] : 274
Дополнительный артикул / дополнительная информация 2 : с интегрированным колесным подшипником
Тип тормозного диска : полный
Число отверстий в диске колеса : 5
Показать больше свойств
|
|
|
Тормозной диск
Высота [мм] : 90
Диаметр [мм] : 275
Диаметр фаски 2 [мм] : 108
Дополнительный артикул / дополнительная информация 2 : с кольцом сенсора ABS
Количество отверстий : 5
Минимальная толщина [мм] : 9,5
Тип тормозного диска : полный
Толщина тормозного диска (мм) : 11
Показать больше свойств
|
|
|
Тормозной диск
Внутренний диаметр : 30
Высота [мм] : 88,2
Диаметр [мм] : 274
Дополнительный артикул / дополнительная информация 2 : с интегрированным колесным подшипником
Наружный диаметр [мм] : 62
Тип тормозного диска : полный
Толщина тормозного диска (мм) : 11
Ширина (мм) : 48
Показать больше свойств
|
|
|
Тормозной диск
Вес [кг] : 6,75
Высота [мм] : 44,2
Диаметр [мм] : 280
Диаметр ступицы 1 [мм] : 61
Диаметр фаски 2 [мм] : 108
Минимальная толщина [мм] : 22
Тип тормозного диска : вентилируемый
Толщина тормозного диска (мм) : 24
Число отверстий в диске колеса : 5
Показать больше свойств
|
|
|
Тормозной диск
Вес [кг] : 6,95
Высота [мм] : 44,2
Диаметр [мм] : 280
Диаметр ступицы 1 [мм] : 61
Диаметр фаски 2 [мм] : 108
Минимальная толщина [мм] : 22
Тип тормозного диска : вентилируемый
Толщина тормозного диска (мм) : 24
Число отверстий в диске колеса : 5
Показать больше свойств
|
|
|
Тормозной диск
Вес [кг] : 0,01
Высота [мм] : 88
Диаметр [мм] : 275
Диаметр ступицы 1 [мм] : 52
Минимальная толщина [мм] : 9
Тип тормозного диска : полный
Толщина тормозного диска (мм) : 11
Число отверстий в диске колеса : 5
Показать больше свойств
|
|
|
Тормозной диск
Вес [кг] : 7,78
Высота [мм] : 90
Диаметр [мм] : 274
Диаметр ступицы 1 [мм] : 30
Дополнительный артикул / дополнительная информация 2 : с интегрированным колесным подшипником
Минимальная толщина [мм] : 9
Тип тормозного диска : полный
Толщина тормозного диска (мм) : 11
Число отверстий в диске колеса : 5
Показать больше свойств
|
|
|
Тормозной диск
Вес [кг] : 5,44
Высота [мм] : 44
Диаметр [мм] : 258
Диаметр ступицы 1 [мм] : 61
Минимальная толщина [мм] : 20
Тип тормозного диска : вентилируемый
Толщина тормозного диска (мм) : 22
Число отверстий в диске колеса : 4
Показать больше свойств
|
|
|
Тормозной диск
Вес [кг] : 6,57
Высота [мм] : 44
Диаметр [мм] : 280
Диаметр центрирования [мм] : 61
для артикула № : 142.1497
Количество отверстий : 5
Минимальная толщина [мм] : 21,8
Тип тормозного диска : с внутренней вентиляцией
Толщина тормозного диска (мм) : 24
Показать больше свойств
|
|
|
Тормозной диск
Высота [мм] : 43,9
Диаметр [мм] : 258
Диаметр фаски 2 [мм] : 100
Диаметр центрирования [мм] : 61
Количество отверстий : 4
Минимальная толщина [мм] : 19,8
Поверхность : лакированный
Размер резьбы 1 : 13,5
Тип тормозного диска : вентилируемый
Толщина тормозного диска (мм) : 22
Цвет : черный
Показать больше свойств
|
|
|
Тормозной диск
Вес [кг] : 5,48
Высота [мм] : 43,9
Диаметр [мм] : 257,8
Диаметр центрирования [мм] : 61
Количество отверстий : 4
Минимальная толщина [мм] : 19,8
Сторона установки : Передний мост
Тип тормозного диска : вентилируемый
Толщина тормозного диска (мм) : 22
Показать больше свойств
|
|
|
Тормозной диск
Высота [мм] : 44
Диаметр центрирования [мм] : 61
Количество крепежных отверстий : 2
Минимальная толщина [мм] : 21,8
Наружный диаметр [мм] : 280
Тип тормозного диска : вентилируемый
Толщина тормозного диска (мм) : 24
Число отверстий в диске колеса : 5
Показать больше свойств
|
|
|
Тормозной диск
Высота [мм] : 88,2
Дополнительный артикул / дополнительная информация 2 : с интегрированным колесным подшипником
Минимальная толщина [мм] : 9,5
Момент затяжки [Нм] : 280
Наружный диаметр [мм] : 274
Тип тормозного диска : полный
Толщина тормозного диска (мм) : 11
Число отверстий в диске колеса : 5
Показать больше свойств
|
|
|
Тормозной диск
Диаметр [мм] : 280
Расположение/число отверстий : 7/5
Сторона установки : Передний мост
Тип тормозного диска : вентилируемый
Толщина тормозного диска (мм) : 24
Показать больше свойств
|
|
|
Тормозной диск
Вес [кг] : 6,66
Высота [мм] : 44
Диаметр [мм] : 280
Диаметр центрирования [мм] : 61
Количество отверстий : 5
Минимальная толщина [мм] : 22
Сторона установки : Передний мост
Тип тормозного диска : вентилируемый
Толщина тормозного диска (мм) : 24
Показать больше свойств
|
|
|
Тормозной диск
Вес [кг] : 5,48
Высота [мм] : 43,9
Диаметр [мм] : 257,8
Диаметр центрирования [мм] : 61
Количество отверстий : 4
Минимальная толщина [мм] : 19,8
Сторона установки : Передний мост
Тип тормозного диска : вентилируемый
Толщина тормозного диска (мм) : 22
Показать больше свойств
|
|
|
Тормозной диск
Внутренний диаметр : 140
Высота [мм] : 44
Диаметр [мм] : 280
Диаметр отверстия [мм] : 15,8
Диаметр фаски 2 [мм] : 108
Диаметр центрирования [мм] : 61
Количество отверстий : 5
Минимальная толщина [мм] : 21,8
Тип тормозного диска : вентилируемый
Толщина тормозного диска (мм) : 24
Показать больше свойств
|
|
|
Тормозной диск
Вес [кг] : 5,420
Диаметр фаски 2 [мм] : 100
Минимальная толщина [мм] : 19,8
Наружный диаметр [мм] : 258
необходимое количество : 2
Сторона установки : Передний мост
Тип тормозного диска : вентилируемый
Толщина [мм] : 44
Толщина тормозного диска (мм) : 22
Число отверстий в диске колеса : 4
Показать больше свойств
|
|
|
Тормозной диск
Высота [мм] : 90
Диаметр [мм] : 275
Диаметр фаски 2 [мм] : 108
Дополнительный артикул / дополнительная информация 2 : с кольцом сенсора ABS
Количество отверстий : 5
Минимальная толщина [мм] : 9,5
Тип тормозного диска : полный
Толщина тормозного диска (мм) : 11
Показать больше свойств
|
|
|
Тормозной диск
Высота [мм] : 43,9
Диаметр [мм] : 280
Диаметр фаски 2 [мм] : 108
Диаметр центрирования [мм] : 61
Количество отверстий : 5
Минимальная толщина [мм] : 21,8
Поверхность : лакированный
Размер резьбы : 15,7
Тип тормозного диска : вентилируемый
Толщина тормозного диска (мм) : 24
Цвет : черный
Показать больше свойств
|
|
|
Тормозной диск
Вес [кг] : 5,31
Высота [мм] : 44
Диаметр [мм] : 258
Диаметр центрирования [мм] : 61
для артикула № : 142.1688
Количество отверстий : 4
Минимальная толщина [мм] : 19,8
Тип тормозного диска : с внутренней вентиляцией
Толщина тормозного диска (мм) : 22
Показать больше свойств
|
|
|
Тормозной диск
Высота [мм] : 88
Диаметр [мм] : 274
Диаметр отверстия [мм] : 12
для оригинального номера : 8200381148
Дополнительный артикул / дополнительная информация 2 : с валовым подшипником
Количество отверстий : 5
Минимальная толщина [мм] : 9,5
Сторона установки : Задний мост
Тип тормозного диска : полный
Толщина тормозного диска (мм) : 11
Показать больше свойств
|
|
|
Тормозной диск
Ø отверстия ступицы [мм] : 61
Высота [мм] : 44
Диаметр ступицы [мм] : 135,8
Диаметр фаски 2 [мм] : 100
Наружный диаметр [мм] : 258
Поверхность : с покрытием
Сторона установки : Передний мост
Тип тормозного диска : вентилируемый
Толщина тормозного диска (мм) : 22
Число отверстий в диске колеса : 4
Показать больше свойств
|
|
|
Тормозной диск
Высота [мм] : 44
Диаметр [мм] : 280
Диаметр центрирования [мм] : 61
Количество отверстий : 5
Минимальная толщина [мм] : 21,8
Тип тормозного диска : с внутренней вентиляцией
Толщина тормозного диска (мм) : 24
Показать больше свойств
|
|
|
Тормозной диск
Вес [кг] : 7,27
Высота [мм] : 99,25
Диаметр [мм] : 274
Диаметр центрирования [мм] : 30
Дополнительный артикул / дополнительная информация 2 : с колесным подшипником
Минимальная толщина [мм] : 9,5
Тип тормозного диска : полный
Толщина тормозного диска (мм) : 11
Число отверстий в диске колеса : 5
Показать больше свойств
|
|
|
Тормозной диск
Вес [кг] : 6,66
Высота [мм] : 43,9
Диаметр [мм] : 280
Диаметр центрирования [мм] : 61
Минимальная толщина [мм] : 22
Поверхность : с покрытием
Тип тормозного диска : вентилируемый
Толщина тормозного диска (мм) : 24
Число отверстий в диске колеса : 5
Показать больше свойств
|
|
|
Тормозной диск
Внутренний диаметр : 140
Высота [мм] : 44
Диаметр [мм] : 280
Диаметр отверстия [мм] : 15,8
Диаметр фаски 2 [мм] : 108
Диаметр центрирования [мм] : 61
Количество отверстий : 5
Количество отверстий 1 : 2
Минимальная толщина [мм] : 21,8
Размер резьбы : 15,80
Расстояние между отверст. 1 [мм] : 105
Тип тормозного диска : с внутренней вентиляцией
Толщина тормозного диска (мм) : 24
Показать больше свойств
|
|
|
Тормозной диск
Внутренний диаметр : 140
Высота [мм] : 44
Диаметр [мм] : 280
Диаметр отверстия [мм] : 15,8
Диаметр фаски 2 [мм] : 108
Диаметр центрирования [мм] : 61
Количество отверстий : 5
Количество отверстий 1 : 2
Минимальная толщина [мм] : 21,8
Размер резьбы : 15,80
Расстояние между отверст. 1 [мм] : 105
Тип тормозного диска : с отверстиями
Толщина тормозного диска (мм) : 24
Показать больше свойств
|
|
|
Тормозной диск
Высота [мм] : 88,2
Диаметр [мм] : 274,2
Диаметр центрирования [мм] : 52,3
Количество отверстий : 5
Минимальная толщина [мм] : 9
Тип тормозного диска : полный
Толщина тормозного диска (мм) : 11
Показать больше свойств
|
|
|
Тормозной диск
Высота [мм] : 88,2
Диаметр [мм] : 274,2
Диаметр центрирования [мм] : 52,3
Количество отверстий : 5
Минимальная толщина [мм] : 9
Тип тормозного диска : с отверстиями
Толщина тормозного диска (мм) : 11
Показать больше свойств
|
|
|
Тормозной диск
Высота [мм] : 88,2
Диаметр [мм] : 274,2
Диаметр центрирования [мм] : 52,3
Дополнительный артикул / дополнительная информация 2 : с кольцом сенсора ABS
Количество отверстий : 5
Минимальная толщина [мм] : 9
Тип тормозного диска : полный
Толщина тормозного диска (мм) : 11
Показать больше свойств
|
|
|
Тормозной диск
Высота [мм] : 88,2
Диаметр [мм] : 274,2
Диаметр центрирования [мм] : 52,3
Дополнительный артикул / дополнительная информация 2 : с кольцом сенсора ABS
Количество отверстий : 5
Минимальная толщина [мм] : 9
Тип тормозного диска : с отверстиями
Толщина тормозного диска (мм) : 11
Показать больше свойств
|
|
|
Тормозной диск
Вес [кг] : 6,66
Высота [мм] : 43,9
Диаметр [мм] : 280
Диаметр центрирования [мм] : 61
Минимальная толщина [мм] : 22
Тип тормозного диска : вентилируемый
Толщина тормозного диска (мм) : 24
Число отверстий в диске колеса : 5
Показать больше свойств
|
|
|
Тормозной диск
Вес [кг] : 7,28
Высота [мм] : 99,25
Диаметр [мм] : 274
Диаметр центрирования [мм] : 30
Дополнительный артикул / дополнительная информация 2 : с колесным подшипником
Минимальная толщина [мм] : 9,5
Тип тормозного диска : полный
Толщина тормозного диска (мм) : 11
Число отверстий в диске колеса : 5
Показать больше свойств
|
|
|
Тормозной диск
Вес [кг] : 5.452
Высота [мм] : 43,9
Диаметр [мм] : 258
Диаметр центрирования [мм] : 61
Минимальная толщина [мм] : 19,8
Тип тормозного диска : вентилируемый
Толщина тормозного диска (мм) : 22
Число отверстий в диске колеса : 4
Показать больше свойств
|
|
|
Тормозной диск
Вес [кг] : 7,07
Высота [мм] : 44,2
Диаметр [мм] : 280
Диаметр центрирования [мм] : 61
Количественная единица : штука
Количество отверстий : 5
Минимальная толщина [мм] : 21,8
Сторона установки : Передний мост
Тип тормозного диска : вентилируемый
Толщина тормозного диска (мм) : 24
Показать больше свойств
|
|
|
Тормозной диск
Высота [мм] : 90
Диаметр [мм] : 274
Диаметр центрирования [мм] : 52,2
Дополнительный артикул / дополнительная информация 2 : с комплектом колесного подшипника
Количество отверстий : 5
Минимальная толщина [мм] : 9,5
Тип тормозного диска : полный
Толщина тормозного диска (мм) : 11
Показать больше свойств
|
|
|
Тормозной диск
Внутренний диаметр : 30
Диаметр [мм] : 274
Диаметр фаски 2 [мм] : 30
Дополнительный артикул / дополнительная информация 2 : с интегрированным колесным подшипником
Количество отверстий : 5
Минимальная толщина [мм] : 9,5
Сторона установки : Задний мост
Тип тормозного диска : с внутренней вентиляцией
Толщина тормозного диска (мм) : 11
Ширина (мм) : 32
Показать больше свойств
|
|
|
Тормозной диск
Дополнительный артикул / дополнительная информация 2 : с кольцом сенсора ABS
Тип тормозного диска : полный
|
|
|
Тормозной диск
Вес [кг] : 5,74
Высота [мм] : 45,5
Диаметр [мм] : 256
Диаметр фаски 2 [мм] : 100
Диаметр центрирования [мм] : 60
Количество отверстий : 4
Минимальная толщина [мм] : 21
Сторона установки : Передний мост
Тип тормозного диска : вентилируемый
Толщина тормозного диска (мм) : 24
Показать больше свойств
|
|
|
Тормозной диск
Высота [мм] : 90
Диаметр [мм] : 275
Количество отверстий : 5
Минимальная толщина [мм] : 9
Сторона установки : Задний мост
Тип тормозного диска : полный
Толщина тормозного диска (мм) : 11
Показать больше свойств
|
|
|
Тормозной диск
Высота [мм] : 90
Диаметр [мм] : 275
Количество отверстий : 5
Минимальная толщина [мм] : 9
Сторона установки : Задний мост
Тип тормозного диска : полный
Толщина тормозного диска (мм) : 11
Показать больше свойств
|
|
|
Тормозной диск
Высота [мм] : 90
Диаметр [мм] : 275
Количество отверстий : 5
Минимальная толщина [мм] : 9
Сторона установки : Задний мост
Тип тормозного диска : полный
Толщина тормозного диска (мм) : 11
Показать больше свойств
|
|
|
Тормозной диск
Высота [мм] : 90
Диаметр [мм] : 275
Количество отверстий : 5
Минимальная толщина [мм] : 9
Сторона установки : Задний мост
Тип тормозного диска : полный
Толщина тормозного диска (мм) : 11
Показать больше свойств
|
|
|
Тормозной диск
Внутренний диаметр : 140
Высота [мм] : 44
Диаметр [мм] : 280
Диаметр отверстия [мм] : 15,8
Диаметр фаски 2 [мм] : 108
Диаметр центрирования [мм] : 61
Количество отверстий : 5
Минимальная толщина [мм] : 21,8
Сторона установки : Передний мост
Тип тормозного диска : вентилируемый
Толщина тормозного диска (мм) : 24
Показать больше свойств
|
|
|
Тормозной диск
Внутренний диаметр : 140
Высота [мм] : 44
Диаметр [мм] : 280
Диаметр отверстия [мм] : 15,8
Диаметр фаски 2 [мм] : 108
Диаметр центрирования [мм] : 61
Количество отверстий : 5
Минимальная толщина [мм] : 21,8
Сторона установки : Передний мост
Тип тормозного диска : вентилируемый
Толщина тормозного диска (мм) : 24
Показать больше свойств
|
|
|
Тормозной диск
Внутренний диаметр : 140
Высота [мм] : 44
Диаметр [мм] : 280
Диаметр отверстия [мм] : 15,8
Диаметр фаски 2 [мм] : 108
Диаметр центрирования [мм] : 61
Количество отверстий : 5
Минимальная толщина [мм] : 21,8
Сторона установки : Передний мост
Тип тормозного диска : вентилируемый
Толщина тормозного диска (мм) : 24
Показать больше свойств
|
|
|
Тормозной диск
Внутренний диаметр : 140
Высота [мм] : 44
Диаметр [мм] : 280
Диаметр отверстия [мм] : 15,8
Диаметр фаски 2 [мм] : 108
Диаметр центрирования [мм] : 61
Количество отверстий : 5
Минимальная толщина [мм] : 21,8
Сторона установки : Передний мост
Тип тормозного диска : вентилируемый
Толщина тормозного диска (мм) : 24
Показать больше свойств
|
|
|
Тормозной диск
Вес [кг] : 5,7
Высота [мм] : 43,9
Диаметр центрирования [мм] : 61
Количество крепежных отверстий : 4
Количество отверстий : 4
Минимальная толщина [мм] : 19,8
Наружный диаметр [мм] : 257,8
Тип тормозного диска : вентилируемый
Толщина тормозного диска (мм) : 22
Показать больше свойств
|
|
|
Тормозной диск
Вес [кг] : 6,7
Высота [мм] : 44
Диаметр отверстия [мм] : 15,8
Диаметр фаски 2 [мм] : 108
Диаметр центрирования [мм] : 61
Количество крепежных отверстий : 5
Количество отверстий : 5
Минимальная толщина [мм] : 21,8
Наружный диаметр [мм] : 280
Тип тормозного диска : вентилируемый
Толщина тормозного диска (мм) : 24
Показать больше свойств
|
|
|
Тормозной диск
Вес [кг] : 7,84
Высота [мм] : 88
Диаметр фаски 2 [мм] : 108
Диаметр центрирования [мм] : 52
Количество крепежных отверстий : 5
Количество отверстий : 5
Минимальная толщина [мм] : 9,5
Наружный диаметр [мм] : 274
Тип тормоза : Тормозной диск с подшипником
Тип тормозного диска : полный
Толщина тормозного диска (мм) : 11
Показать больше свойств
|
|
|
Тормозной диск
Вес [кг] : 8,08
Диаметр [мм] : 274
Диаметр фаски 2 [мм] : 0
Дополнительный артикул / дополнительная информация 2 : с кольцом сенсора ABS
Количество отверстий : 5
Сторона установки : Задний мост
Тип тормозного диска : полный
Толщина тормозного диска (мм) : 11
Показать больше свойств
|
|
|
Тормозной диск
Вес [кг] : 7,4
Высота [мм] : 90,4
Диаметр [мм] : 274
Диаметр фаски 2 [мм] : 108
Диаметр центрирования [мм] : 30
Дополнительный артикул / дополнительная информация 2 : с кольцом сенсора ABS
Минимальная толщина [мм] : 9,5
Номер технической информации : 54962
Расположение/число отверстий : 05/05
Тип тормозного диска : полный
Толщина тормозного диска (мм) : 11
Показать больше свойств
|
|
|
Тормозной диск
Версия : COATED
Вес [кг] : 6,66
Высота [мм] : 43,9
Диаметр [мм] : 280
Диаметр центрирования [мм] : 61
Минимальная толщина [мм] : 22
Сторона установки : Передний мост
Тип тормозного диска : вентилируемый
Толщина тормозного диска (мм) : 24
Число отверстий в диске колеса : 5
Показать больше свойств
|
|
|
Тормозной диск
Высота [мм] : 43,9
Диаметр [мм] : 280
Диаметр фаски 2 [мм] : 108
Диаметр центрирования [мм] : 61
Количество отверстий : 5
Минимальная толщина [мм] : 21,8
Размер резьбы : 15,7
Тип тормозного диска : вентилируемый
Толщина тормозного диска (мм) : 24
Показать больше свойств
|
|
|
Тормозной диск
Вес [кг] : 7,79
Диаметр фаски 2 [мм] : 108
Диаметр центрирования [мм] : 61,92
Дополнительный артикул / дополнительная информация 2 : с колесным подшипником
Минимальная толщина [мм] : 9,5
Наружный диаметр [мм] : 274,2
необходимое количество : 1
Сторона установки : Задний мост
Тип тормозного диска : полный
Толщина [мм] : 88,2
Толщина тормозного диска (мм) : 11
Число отверстий в диске колеса : 5
Показать больше свойств
|
|
|
Тормозной диск
Вес [кг] : 6,73
Диаметр фаски 2 [мм] : 108
Диаметр центрирования [мм] : 60
Количество крепежных отверстий : 2
Минимальная толщина [мм] : 22,5
Наружный диаметр [мм] : 279
необходимое количество : 1
Сторона установки : Передний мост
Тип тормозного диска : с внутренней вентиляцией
Толщина [мм] : 43,9
Толщина тормозного диска (мм) : 24
Число отверстий в диске колеса : 5
Показать больше свойств
|
|
|
Тормозной диск
Внутренний диаметр : 62
Диаметр [мм] : 274
Диаметр фаски 2 [мм] : 108
Диаметр центрирования [мм] : 52
Дополнительный артикул / дополнительная информация 2 : с комплектом колесного подшипника
Качество : Kreuzschliff
Количество отверстий : 5
Сторона установки : Задний мост
Тип тормозного диска : полный
Толщина тормозного диска (мм) : 11
Показать больше свойств
|
|
|
Тормозной диск
Высота [мм] : 90
Диаметр [мм] : 275
Количественная единица : штука
Количество отверстий : 5
Сторона установки : Задний мост
Тип тормозного диска : полный
Толщина тормозного диска (мм) : 11
Показать больше свойств
|
|
|
Тормозной диск
Высота [мм] : 90
Диаметр [мм] : 275
Количественная единица : комплект
Количество отверстий : 5
Сторона установки : Задний мост
Тип тормозного диска : полный
Толщина тормозного диска (мм) : 11
Показать больше свойств
|
|
|
Тормозной диск
Высота [мм] : 90
Диаметр [мм] : 275
Количественная единица : штука
Количество отверстий : 5
Сторона установки : Задний мост
Тип тормозного диска : полный
Толщина тормозного диска (мм) : 11
Показать больше свойств
|
|
|
Тормозной диск
Высота [мм] : 90
Диаметр [мм] : 275
Количественная единица : комплект
Количество отверстий : 5
Сторона установки : Задний мост
Тип тормозного диска : полный
Толщина тормозного диска (мм) : 11
Показать больше свойств
|
|
|
Тормозной диск
Вес [кг] : 6,66
Высота [мм] : 44
Диаметр [мм] : 280
Диаметр центрирования [мм] : 61
Количество отверстий : 5
Минимальная толщина [мм] : 22
Сторона установки : Передний мост
Тип тормозного диска : вентилируемый
Толщина тормозного диска (мм) : 24
Показать больше свойств
|
|
|
Тормозной диск
Вес [кг] : 5,48
Высота [мм] : 43,9
Диаметр [мм] : 257,8
Диаметр центрирования [мм] : 61
Количество отверстий : 4
Минимальная толщина [мм] : 19,8
Сторона установки : Передний мост
Тип тормозного диска : вентилируемый
Толщина тормозного диска (мм) : 22
Показать больше свойств
|
|
|
Тормозной диск
Высота [мм] : 88,2
Диаметр [мм] : 274,2
Диаметр центрирования [мм] : 52,3
Дополнительный артикул / дополнительная информация 2 : с колесным подшипником
Количество отверстий : 5
Минимальная толщина [мм] : 9,5
Толщина тормозного диска (мм) : 11
Показать больше свойств
|
|
|
Тормозной диск
Высота [мм] : 43,9
Диаметр [мм] : 279,9
Диаметр центрирования [мм] : 61
Дополнительный артикул / дополнительная информация 2 : с винтами
Количество отверстий : 5
Минимальная толщина [мм] : 21,8
Тип тормозного диска : вентилируемый
Толщина тормозного диска (мм) : 24
Показать больше свойств
|
|
|
Тормозной диск
Высота [мм] : 43,9
Диаметр [мм] : 257,8
Диаметр центрирования [мм] : 61
Дополнительный артикул / дополнительная информация 2 : с винтами
Количество отверстий : 4
Тип тормозного диска : вентилируемый
Толщина тормозного диска (мм) : 22
Показать больше свойств
|
|
|
Тормозной диск
Высота [мм] : 88
Диаметр [мм] : 274
Диаметр центрирования [мм] : 52
Дополнительный артикул / дополнительная информация 2 : без кольца сенсора ABS
Количество отверстий : 5
Минимальная толщина [мм] : 9,5
Тип тормозного диска : полный
Толщина тормозного диска (мм) : 11
Показать больше свойств
|
|
|
Тормозной диск
Вес [кг] : 5,5
Высота [мм] : 43,9
Диаметр [мм] : 258
Диаметр фаски 2 [мм] : 100
Диаметр центрирования [мм] : 61
Дополнительный артикул / дополнительная информация 2 : без ступицы
Минимальная толщина [мм] : 19,8
Номер технической информации : 55415PRO
Поверхность : с покрытием
Расположение/число отверстий : 04/06
Тип тормозного диска : с внешней вентиляцией
Толщина тормозного диска (мм) : 22
Показать больше свойств
|
|
|
Тормозной диск
Высота [мм] : 90
Диаметр [мм] : 275
Диаметр фаски 2 [мм] : 108
Дополнительный артикул / дополнительная информация 2 : с кольцом сенсора ABS
Количество отверстий : 5
Минимальная толщина [мм] : 9,5
Тип тормозного диска : полный
Толщина тормозного диска (мм) : 11
Показать больше свойств
|
|
|
Тормозной диск
Высота [мм] : 44
Диаметр [мм] : 257
Диаметр центрирования [мм] : 61
Количество отверстий : 4
Минимальная толщина [мм] : 20
Тип тормозного диска : вентилируемый
Толщина тормозного диска (мм) : 22
Показать больше свойств
|
|
|
Тормозной диск
Высота [мм] : 44,2
Диаметр фаски 2 [мм] : 108
Диаметр центрирования [мм] : 61
Количество отверстий : 5
Минимальная толщина [мм] : 21,8
Наружный диаметр [мм] : 280
Сторона установки : Передний мост
Тип тормозного диска : с внутренней вентиляцией
Толщина тормозного диска (мм) : 24
Число отверстий : 2
Показать больше свойств
|
|
|
Тормозной диск
Диаметр [мм] : 274
Диаметр центрирования [мм] : 52,3
для тормозного диска толщиной [мм] : 11
Минимальная толщина [мм] : 9,5
Общая высота [мм] : 88,2
Расположение/число отверстий : 5H
Тип тормозного диска : полный
Показать больше свойств
|
|
|
Тормозной диск
Внутренний диаметр : 140
Высота [мм] : 44
Диаметр [мм] : 280
Диаметр отверстия [мм] : 15,8
Диаметр фаски 2 [мм] : 108
Диаметр центрирования [мм] : 61
Дополнительный артикул / дополнительная информация 2 : с винтами
Количество отверстий : 5
Минимальная толщина [мм] : 21,8
Обработка : Высокоуглеродистый
Поверхность : с покрытием
Тип тормозного диска : вентилируемый
Толщина тормозного диска (мм) : 24
Показать больше свойств
|
|
|
Тормозной диск
Высота [мм] : 43,9
Диаметр [мм] : 279,9
Диаметр центрирования [мм] : 61
Количество отверстий : 5
Минимальная толщина [мм] : 21,8
Толщина тормозного диска (мм) : 24
Показать больше свойств
|
|
|
Тормозной диск
Высота [мм] : 44
Диаметр [мм] : 258
Диаметр центрирования [мм] : 61
Количество отверстий : 4
Сторона установки : Передний мост
Тип тормозного диска : вентилируемый
Толщина тормозного диска (мм) : 22
Показать больше свойств
|
|
|
Тормозной диск
Высота [мм] : 90
Диаметр [мм] : 274
Диаметр ступицы 1 [мм] : 30
Диаметр ступицы 2 [мм] : 52,3
Дополнительный артикул / дополнительная информация 2 : с интегрированным колесным подшипником
Минимальная толщина [мм] : 9
Толщина тормозного диска (мм) : 11
Число отверстий в диске колеса : 5
Показать больше свойств
|
|
|
Тормозной диск
Вес [кг] : 14,14
Высота [мм] : 44,2
Диаметр [мм] : 280
Диаметр центрирования [мм] : 61
Дополнительный артикул / дополнительная информация 2 : без винтов
Количество отверстий : 5
Минимальная толщина [мм] : 21,8
Сторона установки : Передний мост
Тип тормозного диска : вентилируемый
Толщина тормозного диска (мм) : 24
Показать больше свойств
|
|
|
Тормозной диск
Высота [мм] : 43,9
Диаметр [мм] : 257,8
Диаметр центрирования [мм] : 61
Количество отверстий : 4
Минимальная толщина [мм] : 19,8
Сторона установки : Передний мост
Тип тормозного диска : вентилируемый
Толщина тормозного диска (мм) : 22
Показать больше свойств
|
|
|
Тормозной диск
Вес [кг] : 5
Высота [мм] : 41
Диаметр [мм] : 259
Диаметр центрирования [мм] : 61
Количество отверстий : 4
Минимальная толщина [мм] : 17,7
проверочное значение : K.B.A.: 61209
Сторона установки : Передний мост
Тип тормозного диска : вентилируемый
Толщина тормозного диска (мм) : 20,6
Показать больше свойств
|
|
|
Тормозной диск
Вес [кг] : 6,66
Высота [мм] : 44
Диаметр [мм] : 280
Диаметр центрирования [мм] : 61
Количество отверстий : 5
Минимальная толщина [мм] : 22
Сторона установки : Передний мост
Тип тормозного диска : вентилируемый
Толщина тормозного диска (мм) : 24
Показать больше свойств
|
|
|
Тормозной диск
Вес [кг] : 6,660
Высота [мм] : 44
Диаметр [мм] : 280
Диаметр фаски 2 [мм] : 108
Диаметр центрирования [мм] : 61
Дополнительный артикул / дополнительная информация 2 : без ступицы
Минимальная толщина [мм] : 22
Номер технической информации : 55024
Расположение/число отверстий : 05/07
Тип тормозного диска : с внешней вентиляцией
Толщина тормозного диска (мм) : 24
Показать больше свойств
|
|
|
Тормозной диск
Высота [мм] : 44
Диаметр [мм] : 280
Качество : Kreuzschliff
Количество отверстий : 5
Минимальная толщина [мм] : 22
Сторона установки : Передний мост
Тип тормозного диска : вентилируемый
Толщина тормозного диска (мм) : 24
Показать больше свойств
|
|
|
Тормозной диск
Высота [мм] : 44
Диаметр [мм] : 280
Количество отверстий : 5
Минимальная толщина [мм] : 22
Поверхность : с покрытием
Тип тормозного диска : вентилируемый
Толщина тормозного диска (мм) : 24
Показать больше свойств
|
|
|
Тормозной диск
Высота [мм] : 44
Диаметр [мм] : 258
Диаметр центрирования [мм] : 61
Минимальная толщина [мм] : 20
Расположение/число отверстий : 4/6
Сторона установки : Передний мост
Тип тормозного диска : с внутренней вентиляцией
Толщина тормозного диска (мм) : 22
Показать больше свойств
|
|
|
Тормозной диск
Диаметр [мм] : 280
Диаметр ступицы колеса [мм] : 61
Дополнительный артикул / дополнительная информация 2 : с винтами
Минимальная толщина [мм] : 21,8
Тип тормозного диска : с внутренней вентиляцией
Толщина тормозного диска (мм) : 24
Число отверстий : 5
Показать больше свойств
|
|
|
Тормозной диск
Высота [мм] : 90
Диаметр [мм] : 274
Дополнительный артикул / дополнительная информация 2 : с интегрированным колесным подшипником
Минимальная толщина [мм] : 9
Обработка : Высокоуглеродистый
Тип тормозного диска : полный
Толщина тормозного диска (мм) : 11
Число отверстий в диске колеса : 5
Показать больше свойств
|
|
|
Тормозной диск
Ø отверстия ступицы [мм] : 61
Высота [мм] : 44
Диаметр [мм] : 280
Количество отверстий : 5
Минимальная толщина [мм] : 21,8
Тип тормозного диска : с внутренней вентиляцией
Толщина тормозного диска (мм) : 24
Показать больше свойств
|
|
|
Тормозной диск
Ø отверстия ступицы [мм] : 52,3
Высота [мм] : 88,2
Диаметр [мм] : 274
Дополнительный артикул / дополнительная информация 2 : с интегрированным колесным подшипником
Количество отверстий : 5
Минимальная толщина [мм] : 9,5
Тип тормозного диска : полный
Толщина тормозного диска (мм) : 11
Показать больше свойств
|
|
|
Тормозной диск
Высота [мм] : 43,8
Диаметр [мм] : 258
Диаметр центрирования [мм] : 61
Дополнительный артикул / дополнительная информация 2 : без винтов
Количество отверстий : 4
Минимальная толщина [мм] : 20
Сторона установки : Передний мост
Тип тормозного диска : вентилируемый
Толщина тормозного диска (мм) : 22
Показать больше свойств
|
|
|
Тормозной диск
Вес [кг] : 14,14
Высота [мм] : 44,2
Диаметр [мм] : 280
Диаметр центрирования [мм] : 61
Дополнительный артикул / дополнительная информация 2 : без винтов
Количество отверстий : 5
Минимальная толщина [мм] : 21,8
Сторона установки : Передний мост
Тип тормозного диска : вентилируемый
Толщина тормозного диска (мм) : 24
Показать больше свойств
|
|
|
Тормозной диск
Высота [мм] : 90
Диаметр [мм] : 275
Диаметр фаски 2 [мм] : 52,2
Дополнительный артикул / дополнительная информация 2 : с кольцом сенсора ABS
Количество отверстий : 5
Минимальная толщина [мм] : 9,5
Сторона установки : Задний мост
Тип тормозного диска : полный
Толщина тормозного диска (мм) : 11
Показать больше свойств
|
|
|
Тормозной диск
Высота [мм] : 88,2
Диаметр [мм] : 274
Количество отверстий : 5
Минимальная толщина [мм] : 9,5
Сторона установки : Задний мост
Тип тормозного диска : полный
Толщина тормозного диска (мм) : 11
Показать больше свойств
|
|
|
Тормозной диск
Высота [мм] : 44
Диаметр [мм] : 280
Диаметр центрирования [мм] : 61
Количество отверстий 1 : 5
Количество отверстий 2 : 2
Минимальная толщина [мм] : 21,8
Сторона установки : Передний мост
Тип тормозного диска : вентилируемый
Толщина тормозного диска (мм) : 24
Показать больше свойств
|
|
|
Тормозной диск
Высота [мм] : 44
Диаметр [мм] : 258
Диаметр центрирования [мм] : 61
Колесная база : короткая колесная база
Количество отверстий 1 : 4
Количество отверстий 2 : 2
Минимальная толщина [мм] : 19,8
Сторона установки : Передний мост
Тип тормозного диска : вентилируемый
Толщина тормозного диска (мм) : 22
Показать больше свойств
|
|
|
Тормозной диск
Диаметр [мм] : 274
Диаметр ступицы колеса [мм] : 52,3
Минимальная толщина [мм] : 9,5
Тип тормозного диска : полный
Толщина тормозного диска (мм) : 11
Число отверстий : 5
Показать больше свойств
|
|
|
Тормозной диск
Диаметр [мм] : 258
Диаметр ступицы колеса [мм] : 61
Дополнительный артикул / дополнительная информация 2 : с винтами
Минимальная толщина [мм] : 19,8
Тип тормозного диска : с внутренней вентиляцией
Толщина тормозного диска (мм) : 22
Число отверстий : 4
Показать больше свойств
|
|
|
Тормозной диск
Высота [мм] : 90
Диаметр [мм] : 275
Дополнительный артикул / дополнительная информация 2 : с кольцом сенсора ABS
Количество отверстий : 5
Минимальная толщина [мм] : 9
Тип тормозного диска : полный
Толщина тормозного диска (мм) : 11
Показать больше свойств
|
|
|
Тормозной диск
Ø фланца [мм] : 274
Вес [г] : 7300
Внутренняя резьба 2(мм) : M 12X1,5
Высота [мм] : 88
Диаметр барабана : 153
Диаметр ступицы колеса [мм] : 60
для подшипника ступицы колеса диаметром [мм] : 30
Количество отверстий : 5
Сторона установки : справа
Показать больше свойств
|
|
|
Тормозной диск
Высота [мм] : 88,2
Диаметр [мм] : 274
Диаметр фаски 2 [мм] : 60
Дополнительный артикул / дополнительная информация 2 : с колесным подшипником
Количество отверстий : 5
Минимальная толщина [мм] : 9,5
Сторона установки : Задний мост
Тип тормозного диска : полный
Толщина тормозного диска (мм) : 11
Показать больше свойств
|
|
|
Тормозной диск
Высота [мм] : 90
Диаметр [мм] : 275
Дополнительный артикул / дополнительная информация 2 : с комплектом колесного подшипника
Количество отверстий : 5
Минимальная толщина [мм] : 9
Тип тормозного диска : полный
Толщина тормозного диска (мм) : 11
Показать больше свойств
|
|
|
Тормозной диск
Высота [мм] : 43,9
Диаметр [мм] : 280
Диаметр фаски 2 [мм] : 5
Диаметр центрирования [мм] : 61
Минимальная толщина [мм] : 21,8
Обработка : Высокоуглеродистый
Тип тормозного диска : вентилируемый
Толщина тормозного диска (мм) : 24
Показать больше свойств
|
|
|
Тормозной диск
Высота [мм] : 90
Диаметр [мм] : 275
Диаметр фаски 2 [мм] : 52,2
Дополнительный артикул / дополнительная информация 2 : с кольцом сенсора ABS
Количество отверстий : 5
Минимальная толщина [мм] : 9,5
Сторона установки : Задний мост
Тип тормозного диска : полный
Толщина тормозного диска (мм) : 11
Показать больше свойств
|
|
|
Тормозной диск
Высота [мм] : 90
Диаметр [мм] : 275
Диаметр фаски 2 [мм] : 52,2
Дополнительный артикул / дополнительная информация 2 : с кольцом сенсора ABS
Количество отверстий : 5
Минимальная толщина [мм] : 9,5
Сторона установки : Задний мост
Тип тормозного диска : полный
Толщина тормозного диска (мм) : 11
Показать больше свойств
|
|
|
Тормозной диск
вариант оснащения : pieno
Сторона установки : Позиция оси 1
|
|
|
Тормозной диск
Высота [мм] : 90
Диаметр [мм] : 275
Диаметр фаски 2 [мм] : 52,2
Дополнительный артикул / дополнительная информация 2 : с кольцом сенсора ABS
Количество отверстий : 5
Минимальная толщина [мм] : 9,5
Сторона установки : Задний мост
Тип тормозного диска : полный
Толщина тормозного диска (мм) : 11
Показать больше свойств
|
|
|
Тормозной диск
Высота [мм] : 90
Диаметр [мм] : 274
Диаметр ступицы 1 [мм] : 30
Диаметр ступицы 2 [мм] : 52,3
Дополнительный артикул / дополнительная информация 2 : с встроенным магнитным сенсорным кольцом
Минимальная толщина [мм] : 9
Сторона установки : Передний мост
Тип тормозного диска : полный
Толщина тормозного диска (мм) : 11
Число отверстий в диске колеса : 5
Показать больше свойств
|
|
|
Тормозной диск
Внутренний диаметр : 30
Дополнительный артикул / дополнительная информация 2 : с интегрированным колесным подшипником
Минимальная толщина [мм] : 9,5
Наружный диаметр [мм] : 274
Размер резьбы : M12x1.5
Расположение/число отверстий : 5/5
Расст. между отверст. 1 / Расст между отв. 2 : 5x108
Сторона установки : справа
Тип тормозного диска : полный
Толщина тормозного диска (мм) : 11
Ширина (мм) : 88,1
Показать больше свойств
|
|
|
Тормозной диск
Вес [кг] : 6,660
Высота [мм] : 44
Диаметр [мм] : 280
Диаметр фаски 2 [мм] : 108
Диаметр центрирования [мм] : 61
Дополнительный артикул / дополнительная информация 2 : без ступицы
Минимальная толщина [мм] : 22
Номер технической информации : 55024
Расположение/число отверстий : 05/07
Тип тормозного диска : с внешней вентиляцией
Толщина тормозного диска (мм) : 24
Показать больше свойств
|
|
|
Тормозной диск
Вес [кг] : 5,5
Высота [мм] : 43,9
Диаметр [мм] : 258
Диаметр фаски 2 [мм] : 100
Диаметр центрирования [мм] : 61
Дополнительный артикул / дополнительная информация 2 : без ступицы
Минимальная толщина [мм] : 19,8
Номер технической информации : 55415PRO
Поверхность : с покрытием
Расположение/число отверстий : 04/06
Тип тормозного диска : с внешней вентиляцией
Толщина тормозного диска (мм) : 22
Показать больше свойств
|
|
|
Тормозной диск
Вес [кг] : 7,4
Высота [мм] : 90,4
Диаметр [мм] : 274
Диаметр фаски 2 [мм] : 108
Диаметр центрирования [мм] : 30
Дополнительный артикул / дополнительная информация 2 : с кольцом сенсора ABS
Минимальная толщина [мм] : 9,5
Номер технической информации : 54962
Расположение/число отверстий : 05/05
Тип тормозного диска : полный
Толщина тормозного диска (мм) : 11
Показать больше свойств
|
|
|
Тормозной диск
Внутренний диаметр : 62
Высота [мм] : 88,2
Диаметр [мм] : 274
Диаметр крепления [мм] : 30
Диаметр фаски 2 [мм] : 108
Диаметр центрирования [мм] : 52
Дополнительный артикул / дополнительная информация 2 : с подшипником
Количество отверстий : 5
Минимальная толщина [мм] : 9,5
Поверхность : с покрытием
Размер резьбы : M12x1,5
Тип тормозного диска : полный
Толщина тормозного диска (мм) : 11
Показать больше свойств
|
|
|
Тормозной диск
Высота [мм] : 44
Диаметр [мм] : 280
Диаметр фаски 2 [мм] : 61
Минимальная толщина [мм] : 22
Обработка : Высокоуглеродистый
Сторона установки : Передний мост
Тип тормозного диска : с внутренней вентиляцией
Толщина тормозного диска (мм) : 24
Число отверстий в диске колеса : 5
Показать больше свойств
|
|
|
Тормозной диск
Высота [мм] : 44
Диаметр [мм] : 280
Диаметр фаски 2 [мм] : 61
Количество отверстий : 5
Минимальная толщина [мм] : 22
Поверхность : лакированный
Сторона установки : Передний мост
Тип тормозного диска : вентилируемый
Толщина тормозного диска (мм) : 24
Показать больше свойств
|
|
|
Тормозной диск
Внутренний диаметр : 140
Высота [мм] : 44
Диаметр [мм] : 280
Диаметр отверстия [мм] : 15,8
Диаметр фаски 2 [мм] : 108
Диаметр центрирования [мм] : 61
Дополнительный артикул / дополнительная информация 2 : с винтами
Количество отверстий : 5
Минимальная толщина [мм] : 21,8
Обработка : Высокоуглеродистый
Поверхность : с покрытием
Тип тормозного диска : вентилируемый
Толщина тормозного диска (мм) : 24
Показать больше свойств
|
|
|
Тормозной диск
Высота [мм] : 43,8
Диаметр [мм] : 258
Диаметр центрирования [мм] : 61
Количественная единица : штука
Количество отверстий : 4
Минимальная толщина [мм] : 20
Сторона установки : Передний мост
Тип тормозного диска : вентилируемый
Толщина тормозного диска (мм) : 22
Показать больше свойств
|
|
|
Тормозной диск
Высота [мм] : 90
Диаметр [мм] : 270
Диаметр отверстия [мм] : 12
для оригинального номера : 402024076R
Дополнительный артикул / дополнительная информация 2 : с валовым подшипником
Количество отверстий : 5
Минимальная толщина [мм] : 9,5
Сторона установки : Задний мост
Тип тормозного диска : полный
Толщина тормозного диска (мм) : 11
Показать больше свойств
|
|
|
Тормозной диск
Высота [мм] : 90
Диаметр [мм] : 274
Диаметр центрирования [мм] : 52,2
для артикула № : 19-2509
Количество отверстий : 5
Минимальная толщина [мм] : 9,5
Тип тормозного диска : полный
Толщина тормозного диска (мм) : 11
Показать больше свойств
|
|
|
Тормозной диск
Высота [мм] : 44
Диаметр [мм] : 280
Диаметр центрирования [мм] : 61
для артикула № : 19-4306
Количество отверстий : 5
Минимальная толщина [мм] : 22
Тип тормозного диска : вентилируемый
Толщина тормозного диска (мм) : 24
Показать больше свойств
|
|
|
Тормозной диск
Диаметр [мм] : 280
Диаметр фаски 2 [мм] : 108
Минимальная толщина [мм] : 21,8
Сторона установки : Передний мост
Тип тормозного диска : вентилируемый
Толщина [мм] : 24
Число отверстий : 5
Показать больше свойств
|
|
|
Тормозной диск
Высота [мм] : 90
Диаметр [мм] : 275
Дополнительный артикул / дополнительная информация 2 : с кольцом сенсора ABS
Количество отверстий : 5
Минимальная толщина [мм] : 9
Тип тормозного диска : полный
Толщина тормозного диска (мм) : 11
Показать больше свойств
|
|
|
Тормозной диск
Внутренний диаметр : 125,3
Высота [мм] : 44
Диаметр [мм] : 258
Диаметр отверстия [мм] : 13,5
Диаметр фаски 2 [мм] : 100
Диаметр центрирования [мм] : 61
Дополнительный артикул / дополнительная информация 2 : с винтами
Количество отверстий : 4
Минимальная толщина [мм] : 19,8
Поверхность : с покрытием
Тип тормозного диска : вентилируемый
Толщина тормозного диска (мм) : 22
Показать больше свойств
|
|
|
Тормозной диск
Высота [мм] : 88,1
Диаметр [мм] : 274
Диаметр фаски 2 [мм] : 52,2
Количество отверстий : 5
Тип тормозного диска : полный
Толщина тормозного диска (мм) : 11
Показать больше свойств
|
|
|
Тормозной диск
Высота [мм] : 43,9
Диаметр [мм] : 280
Диаметр фаски 2 [мм] : 61
Количество отверстий : 5
Тип тормозного диска : вентилируемый
Толщина тормозного диска (мм) : 24
Показать больше свойств
|
|
|
Тормозной диск
Вес [кг] : 0
Высота [мм] : 90
Диаметр [мм] : 274
Диаметр центрирования [мм] : 52,2
для артикула № : 142.1498
Количество отверстий : 5
Минимальная толщина [мм] : 9,5
Тип тормозного диска : полный
Толщина тормозного диска (мм) : 11
Показать больше свойств
|
|
|
Тормозной диск
Вес [кг] : 15,6
Высота [мм] : 90
Диаметр [мм] : 274
Диаметр центрирования [мм] : 52,2
для артикула № : 142.1499
Количество отверстий : 5
Минимальная толщина [мм] : 9,5
Тип тормоза : Тормозной диск с подшипником
Тип тормозного диска : полный
Толщина тормозного диска (мм) : 11
Показать больше свойств
|
|
|
Тормозной диск
Вес [кг] : 6,57
Высота [мм] : 44
Диаметр [мм] : 280
Диаметр центрирования [мм] : 61
для артикула № : HPD 1497
Количество отверстий : 5
Минимальная толщина [мм] : 21,8
Тип тормозного диска : с внутренней вентиляцией
Толщина тормозного диска (мм) : 24
Показать больше свойств
|
|
|
Тормозной диск
Наружный диаметр [мм] : 274
необходимое количество : 2
Сторона установки : Задний мост
Тип тормозного диска : полный
Толщина тормозного диска (мм) : 11
Число отверстий в диске колеса : 4
Показать больше свойств
|
|
|
Тормозной диск
Дополнительный артикул / дополнительная информация 2 : с интегрированным колесным подшипником
|
|
|
Тормозной диск
Высота [мм] : 44
Диаметр [мм] : 280
Диаметр фаски 2 [мм] : 61
Количество отверстий : 5
Минимальная толщина [мм] : 22
Поверхность : лакированный
Сторона установки : Передний мост
Тип тормозного диска : вентилируемый
Толщина тормозного диска (мм) : 24
Показать больше свойств
|
|
|
Тормозной диск
Внутренний диаметр 1(мм) : 30
Дополнительный артикул / дополнительная информация 2 : с интегрированным колесным подшипником
Количество отверстий : 5
Минимальная толщина [мм] : 9,5
Момент затяжки [Нм] : 300
Наружный диаметр 1 [мм] : 274
Толщина [мм] : 11
Ширина 1 [мм] : 88,2
Показать больше свойств
|
|
|
Тормозной диск
Вес [кг] : 7,000
Высота [мм] : 88,1
Диаметр [мм] : 274
Диаметр фаски 2 [мм] : 61,9
Количество отверстий : 5
Минимальная толщина [мм] : 9,5
Тип тормозного диска : полный
Толщина тормозного диска (мм) : 11
Показать больше свойств
|
|
|
Тормозной диск
Вес [кг] : 11,35
Высота [мм] : 43,9
Диаметр [мм] : 258
Диаметр фаски 2 [мм] : 61
Количество отверстий : 4
Минимальная толщина [мм] : 19,8
Тип тормозного диска : вентилируемый
Толщина тормозного диска (мм) : 22
Показать больше свойств
|
|
|
Тормозной диск
Вес [кг] : 7,75
Высота [мм] : 88,1
Диаметр [мм] : 274
Диаметр фаски 2 [мм] : 61,9
Дополнительный артикул / дополнительная информация 2 : с комплектом колесного подшипника
Количество отверстий : 5
Минимальная толщина [мм] : 9,5
Тип тормозного диска : полный
Толщина тормозного диска (мм) : 11
Показать больше свойств
|
|
|
Тормозной диск
Вес [кг] : 6,660
Высота [мм] : 43,9
Диаметр [мм] : 279,9
Диаметр фаски 2 [мм] : 61
Количество отверстий : 5
Минимальная толщина [мм] : 21,8
Поверхность : лакированный
Тип тормозного диска : вентилируемый
Толщина тормозного диска (мм) : 24
Показать больше свойств
|
|
|
Тормозной диск
Высота [мм] : 44
Диаметр [мм] : 258
Диаметр центрирования [мм] : 61
Количество отверстий : 4
Минимальная толщина [мм] : 20
Поверхность : с покрытием
Тип тормозного диска : вентилируемый
Толщина тормозного диска (мм) : 22
Показать больше свойств
|
|
|
Тормозной диск
Внутренний диаметр : 30
Высота [мм] : 88
Диаметр [мм] : 274
Диаметр центрирования [мм] : 52
Дополнительный артикул / дополнительная информация 2 : с интегрированным датчиком ABS
Количество отверстий : 5
Минимальная толщина [мм] : 9,5
Тип тормоза : Тормозной диск с подшипником
Тип тормозного диска : полный
Толщина тормозного диска (мм) : 11
Показать больше свойств
|
|
|
Тормозной диск
Дополнительный артикул / дополнительная информация 2 : с интегрированным колесным подшипником
|
|
|
Тормозной диск
Внутренний диаметр 1(мм) : 30
Дополнительный артикул / дополнительная информация 2 : с интегрированным колесным подшипником
Количество отверстий : 5
Минимальная толщина [мм] : 9,5
Момент затяжки [Нм] : 300
Наружный диаметр 1 [мм] : 274
Толщина [мм] : 11
Ширина 1 [мм] : 88,2
Показать больше свойств
|
|
|
Тормозной диск
Диаметр [мм] : 274
Диаметр ступицы колеса [мм] : 52,3
Количество отверстий : 5
Тип тормозного диска : полный
Толщина тормозного диска (мм) : 11
Показать больше свойств
|
|
|
Тормозной диск
Диаметр [мм] : 274
Диаметр фаски 2 [мм] : 108
Количественная единица : штука
Количество отверстий : 5
Сторона установки : Задний мост
Тип тормозного диска : полный
Толщина тормозного диска (мм) : 11
Показать больше свойств
|
|
|
Тормозной диск
Диаметр [мм] : 274
Диаметр фаски 2 [мм] : 108
Количественная единица : комплект
Количество отверстий : 5
Сторона установки : Задний мост
Тип тормозного диска : полный
Толщина тормозного диска (мм) : 11
Показать больше свойств
|
|
|
Тормозной диск
Внутренний диаметр : 62
Высота [мм] : 88,2
Диаметр [мм] : 274
Диаметр крепления [мм] : 30
Диаметр фаски 2 [мм] : 108
Диаметр центрирования [мм] : 52
Дополнительный артикул / дополнительная информация 2 : с подшипником
Количество отверстий : 5
Минимальная толщина [мм] : 9,5
Поверхность : с покрытием
Размер резьбы : M12x1,5
Тип тормозного диска : полный
Толщина тормозного диска (мм) : 11
Показать больше свойств
|
|
|
Тормозной диск
Вес [кг] : 7,4
Высота [мм] : 90,4
Диаметр [мм] : 274
Диаметр фаски 2 [мм] : 108
Диаметр центрирования [мм] : 30
Дополнительный артикул / дополнительная информация 2 : с кольцом сенсора ABS
Минимальная толщина [мм] : 9,5
Расположение/число отверстий : 05/05
Тип тормозного диска : полный
Толщина тормозного диска (мм) : 11
Показать больше свойств
|
|
|
Тормозной диск
Высота [мм] : 43,9
Диаметр [мм] : 280
Диаметр центрирования [мм] : 61
Расположение/число отверстий : 5/7
Сторона установки : Передний мост
Тип тормозного диска : вентилируемый
Толщина тормозного диска (мм) : 24
Показать больше свойств
|
|
|
Тормозной диск
Высота [мм] : 43,9
Диаметр [мм] : 257,8
Диаметр центрирования [мм] : 61
Количество отверстий : 4
Минимальная толщина [мм] : 19,8
Тип тормозного диска : с внутренней вентиляцией
Толщина тормозного диска (мм) : 22
Показать больше свойств
|
|
|
Тормозной диск
Вес [кг] : 7,4
Высота [мм] : 90,4
Диаметр [мм] : 274
Диаметр фаски 2 [мм] : 108
Диаметр центрирования [мм] : 30
Дополнительный артикул / дополнительная информация 2 : с кольцом сенсора ABS
Минимальная толщина [мм] : 9,5
Расположение/число отверстий : 05/05
Тип тормозного диска : полный
Толщина тормозного диска (мм) : 11
Показать больше свойств
|
|
|
Тормозной диск
Ø отверстия ступицы 1 [мм] : 61
Ø фаски 1 [мм] : 100
Вес [кг] : 5,4
Высота [мм] : 44
Минимальная толщина [мм] : 19,8
Наружный диаметр [мм] : 258
Поверхность : с покрытием
Расположение/число отверстий : 6/4
Тип тормозного диска : с внешней вентиляцией
Толщина [мм] : 22
Показать больше свойств
|
|
|
Тормозной диск
Ø отверстия ступицы 1 [мм] : 61
Ø фаски 1 [мм] : 108
Вес [кг] : 7,8
Высота [мм] : 45
Минимальная толщина [мм] : 23,8
Наружный диаметр [мм] : 280
Поверхность : с покрытием
Расположение/число отверстий : 7/5
Тип тормозного диска : с внешней вентиляцией
Толщина [мм] : 26
Показать больше свойств
|
|
|
Тормозной диск
Глубина [мм] : 43,9
Диаметр [мм] : 280
Диаметр центрирования [мм] : 61
Количество отверстий : 5
Минимальная толщина [мм] : 21,8
Обработка : Высокоуглеродистый
Тип сборки : закреплено болтами / шурупами
Тип тормозного диска : вентилируемый
Толщина тормозного диска (мм) : 24
Показать больше свойств
|
|
|
Тормозной диск
Глубина [мм] : 43,9
Диаметр [мм] : 280
Диаметр центрирования [мм] : 61
Количество отверстий : 5
Минимальная толщина [мм] : 21,8
Обработка : Высокоуглеродистый
Поверхность : лакированный
Тип сборки : закреплено болтами / шурупами
Тип тормозного диска : вентилируемый
Толщина тормозного диска (мм) : 24
Показать больше свойств
|
|
|
Тормозной диск
Глубина [мм] : 44
Диаметр [мм] : 258
Диаметр центрирования [мм] : 61
Количество отверстий : 4
Минимальная толщина [мм] : 19,8
Тип сборки : закреплено болтами / шурупами
Тип тормозного диска : вентилируемый
Толщина тормозного диска (мм) : 22
Показать больше свойств
|
|
|
Тормозной диск
Глубина [мм] : 44
Диаметр [мм] : 258
Диаметр центрирования [мм] : 61
Количество отверстий : 4
Минимальная толщина [мм] : 19,8
Поверхность : лакированный
Тип сборки : закреплено болтами / шурупами
Тип тормозного диска : вентилируемый
Толщина тормозного диска (мм) : 22
Показать больше свойств
|
|
|
Тормозной диск
Глубина [мм] : 90,4
Диаметр [мм] : 274
Диаметр центрирования [мм] : 30
Дополнительный артикул / дополнительная информация 2 : cо ступицей
Количество отверстий : 5
Минимальная толщина [мм] : 9,5
Тип сборки : закреплено болтами / шурупами
Тип тормозного диска : полный
Толщина тормозного диска (мм) : 11
Показать больше свойств
|
|
|
Тормозной диск
Глубина [мм] : 90,4
Диаметр [мм] : 274
Диаметр центрирования [мм] : 30
Дополнительный артикул / дополнительная информация 2 : cо ступицей
Количество отверстий : 5
Минимальная толщина [мм] : 9,5
Поверхность : лакированный
Тип сборки : закреплено болтами / шурупами
Тип тормозного диска : полный
Толщина тормозного диска (мм) : 11
Показать больше свойств
|
|
|
Тормозной диск
Высота [мм] : 43,9
Диаметр [мм] : 279,8
Диаметр фаски 2 [мм] : 108
Диаметр центрирования [мм] : 61
Количество отверстий : 5
Минимальная толщина [мм] : 21,8
Тип тормозного диска : с внутренней вентиляцией
Толщина тормозного диска (мм) : 24
Показать больше свойств
|
|
|
Тормозной диск
Внутренний диаметр : 30
Диаметр [мм] : 275
Дополнительный артикул / дополнительная информация 2 : с колесным подшипником
Тип тормозного диска : полный
Толщина тормозного диска (мм) : 11
Показать больше свойств
|
|
|
Тормозной диск
вариант оснащения : beschichtet
Высота [мм] : 43,8
Диаметр [мм] : 257,8
Диаметр центрирования [мм] : 61,1
Количество отверстий : 4
Минимальная толщина [мм] : 19,8
Тип тормозного диска : с внутренней вентиляцией
Толщина тормозного диска (мм) : 21,9
Показать больше свойств
|
|
|
Тормозной диск
Высота [мм] : 44
Диаметр [мм] : 280
Диаметр фаски 2 [мм] : 61
Количество отверстий : 5
Минимальная толщина [мм] : 21,8
Момент затяжки [Нм] : 105
Обработка : Высокоуглеродистый
Поверхность : без покрытия
Толщина тормозного диска (мм) : 24
Показать больше свойств
|
|
|
Тормозной диск
Вес [кг] : 6,660
Высота [мм] : 44
Диаметр [мм] : 280
Диаметр фаски 2 [мм] : 108
Диаметр центрирования [мм] : 61
Дополнительный артикул / дополнительная информация 2 : без ступицы
Минимальная толщина [мм] : 22
Расположение/число отверстий : 05/07
Тип тормозного диска : с внешней вентиляцией
Толщина тормозного диска (мм) : 24
Показать больше свойств
|
|
|
Тормозной диск
Вес [кг] : 5,420
Диаметр фаски 2 [мм] : 100
Минимальная толщина [мм] : 19,8
Наружный диаметр [мм] : 258
необходимое количество : 2
Сторона установки : Передний мост
Тип тормозного диска : вентилируемый
Толщина [мм] : 44
Толщина тормозного диска (мм) : 22
Число отверстий в диске колеса : 4
Показать больше свойств
|
|
|
Тормозной диск
Высота [мм] : 44
Диаметр [мм] : 258
Диаметр центрирования [мм] : 61
Количество отверстий : 4
Минимальная толщина [мм] : 20
Тип тормозного диска : вентилируемый
Толщина тормозного диска (мм) : 22
Показать больше свойств
|
|
|
Тормозной диск
Высота [мм] : 44
Диаметр [мм] : 280
Количество отверстий : 5
Минимальная толщина [мм] : 22
Тип тормозного диска : вентилируемый
Толщина тормозного диска (мм) : 24
Показать больше свойств
|
|
|
Тормозной диск
Высота [мм] : 44
Диаметр [мм] : 280
Диаметр отверстия [мм] : 15,5
Диаметр фаски 2 [мм] : 61
для оригинального номера : 7701209839
Дополнительный артикул / дополнительная информация 2 : без валового подшипника
Количество отверстий : 5
Минимальная толщина [мм] : 22
Сторона установки : Передний мост
Тип тормозного диска : вентилируемый
Толщина тормозного диска (мм) : 24
Показать больше свойств
|
|
|
Тормозной диск
Внутренний диаметр : 30
Высота [мм] : 88
Диаметр [мм] : 274
Диаметр центрирования [мм] : 52
Дополнительный артикул / дополнительная информация 2 : с интегрированным датчиком ABS
Количество отверстий : 5
Минимальная толщина [мм] : 9,5
Тип тормоза : Тормозной диск с подшипником
Тип тормозного диска : полный
Толщина тормозного диска (мм) : 11
Показать больше свойств
|
|
|
Тормозной диск
Вес [г] : 8000
Внутренний диаметр 1(мм) : 30
Дополнительный артикул / дополнительная информация 2 : с интегрированным колесным подшипником
Количество отверстий : 5
Минимальная толщина [мм] : 9,5
Момент затяжки [Нм] : 300
Наружный диаметр 1 [мм] : 274
Толщина [мм] : 11
Ширина 1 [мм] : 88,2
Показать больше свойств
|
|
|
Тормозной диск
Вес [кг] : 6,66
Высота [мм] : 43,9
Диаметр [мм] : 280
Диаметр центрирования [мм] : 61
Минимальная толщина [мм] : 22
Тип тормозного диска : вентилируемый
Толщина тормозного диска (мм) : 24
Число отверстий в диске колеса : 5
Показать больше свойств
|
|
|
Тормозной диск
Вес [кг] : 7,28
Высота [мм] : 99,25
Диаметр [мм] : 274
Диаметр центрирования [мм] : 30
Дополнительный артикул / дополнительная информация 2 : с колесным подшипником
Минимальная толщина [мм] : 9,5
Тип тормозного диска : полный
Толщина тормозного диска (мм) : 11
Число отверстий в диске колеса : 5
Показать больше свойств
|
|
|
Тормозной диск
Вес [кг] : 6,66
Высота [мм] : 43,9
Диаметр [мм] : 280
Диаметр центрирования [мм] : 61
Минимальная толщина [мм] : 22
Поверхность : с покрытием
Тип тормозного диска : вентилируемый
Толщина тормозного диска (мм) : 24
Число отверстий в диске колеса : 5
Показать больше свойств
|
|
|
Тормозной диск
Вес [кг] : 7,3
Высота [мм] : 99,25
Диаметр [мм] : 274
Диаметр центрирования [мм] : 30
Дополнительный артикул / дополнительная информация 2 : с колесным подшипником
Минимальная толщина [мм] : 9,5
Поверхность : с покрытием
Тип тормозного диска : полный
Толщина тормозного диска (мм) : 11
Число отверстий в диске колеса : 5
Показать больше свойств
|
|
|
Тормозной диск
Вес [кг] : 5.452
Высота [мм] : 43,9
Диаметр [мм] : 258
Диаметр центрирования [мм] : 61
Минимальная толщина [мм] : 19,8
Поверхность : с покрытием
Тип тормозного диска : вентилируемый
Толщина тормозного диска (мм) : 22
Число отверстий в диске колеса : 4
Показать больше свойств
|
|
|
Тормозной диск
Внутренний диаметр : 30
Дополнительный артикул / дополнительная информация 2 : с интегрированным колесным подшипником
Минимальная толщина [мм] : 9,5
Наружный диаметр [мм] : 274
Размер резьбы : M12x1.5
Расположение/число отверстий : 5/5
Расст. между отверст. 1 / Расст между отв. 2 : 5x108
Сторона установки : справа
Тип тормозного диска : полный
Толщина тормозного диска (мм) : 11
Ширина (мм) : 88,1
Показать больше свойств
|
|
|
Тормозной диск
Вес [кг] : 5,5
Высота [мм] : 43,9
Диаметр [мм] : 258
Диаметр фаски 2 [мм] : 100
Диаметр центрирования [мм] : 61
Дополнительный артикул / дополнительная информация 2 : без ступицы
Минимальная толщина [мм] : 19,8
Расположение/число отверстий : 04/06
Тип тормозного диска : с внешней вентиляцией
Толщина тормозного диска (мм) : 22
Показать больше свойств
|
|
|
Тормозной диск
Высота [мм] : 44
Диаметр [мм] : 280
Диаметр центрирования [мм] : 61
для артикула № : 09.A727.20
Дополнительный артикул / дополнительная информация 2 : с винтами
Количество отверстий : 5
Минимальная толщина [мм] : 21,8
Момент затяжки [Нм] : 105
Обработка : Высокоуглеродистый
Тип тормозного диска : с внутренней вентиляцией
Толщина тормозного диска (мм) : 24
Показать больше свойств
|
|
|
Тормозной диск
Вес [кг] : 6,660
Высота [мм] : 44
Диаметр [мм] : 280
Диаметр фаски 2 [мм] : 108
Диаметр центрирования [мм] : 61
Дополнительный артикул / дополнительная информация 2 : без ступицы
Минимальная толщина [мм] : 22
Поверхность : с покрытием
Расположение/число отверстий : 05/07
Тип тормозного диска : с внешней вентиляцией
Толщина тормозного диска (мм) : 24
Показать больше свойств
|
|
|
Тормозной диск
Версия : JC
Высота [мм] : 43,9
Диаметр [мм] : 279,9
Диаметр центрирования [мм] : 61
Количество отверстий : 5
Минимальная толщина [мм] : 22
Поверхность : с покрытием
Расположение/число отверстий : 5+2
Сторона установки : Передний мост
Тип тормозного диска : вентилируемый
Толщина тормозного диска (мм) : 24
Показать больше свойств
|
|
|
Тормозной диск
Вес [кг] : 5,5
Высота [мм] : 43,9
Диаметр [мм] : 258
Диаметр фаски 2 [мм] : 100
Диаметр центрирования [мм] : 61
Дополнительный артикул / дополнительная информация 2 : без ступицы
Минимальная толщина [мм] : 19,8
Поверхность : с покрытием
Расположение/число отверстий : 04/06
Тип тормозного диска : с внешней вентиляцией
Толщина тормозного диска (мм) : 22
Показать больше свойств
|
|
|
Тормозной диск
Высота [мм] : 44
Диаметр центрирования [мм] : 61
Количество крепежных отверстий : 2
Минимальная толщина [мм] : 21,8
Наружный диаметр [мм] : 280
Сторона установки : Передний мост
Тип тормозного диска : вентилируемый
Толщина тормозного диска (мм) : 24
Число отверстий в диске колеса : 5
Показать больше свойств
|
|
|
Тормозной диск
Высота [мм] : 47,3
Диаметр центрирования [мм] : 69
Количество крепежных отверстий : 2
Минимальная толщина [мм] : 24,4
Наружный диаметр [мм] : 280
Сторона установки : Передний мост
Тип тормозного диска : вентилируемый
Толщина тормозного диска (мм) : 26
Число отверстий в диске колеса : 5
Показать больше свойств
|
|
|
Тормозной диск
Высота [мм] : 90
Диаметр [мм] : 274
Дополнительный артикул / дополнительная информация 2 : с интегрированным колесным подшипником
Тип тормозного диска : полный
Число отверстий в диске колеса : 5
Показать больше свойств
|
|
|
Тормозной диск
выполняет нормы ЕЭК : E1 90R-02C0310/0078
Высота [мм] : 90,4
Диаметр [мм] : 274
Диаметр ступицы колеса [мм] : 30
Дополнительный артикул / дополнительная информация 2 : с кольцом сенсора ABS
Количество отверстий : 5
Минимальная толщина [мм] : 9,5
Тип тормозного диска : полный
Толщина тормозного диска (мм) : 11
Показать больше свойств
|
|
|
Тормозной диск
Вес [кг] : 7,4
Высота [мм] : 90,4
Высота упаковки [см] : 10
Диаметр [мм] : 274
Диаметр фаски 2 [мм] : 108
Диаметр центрирования [мм] : 30
Длина упаковки [см] : 31,5
Дополнительный артикул / дополнительная информация 2 : с кольцом сенсора ABS
Минимальная толщина [мм] : 9,5
Номер технической информации : 98200 1962 0 1
Расположение/число отверстий : 05/05
Тип тормозного диска : полный
Толщина тормозного диска (мм) : 11
Ширина упаковки [см] : 30
Показать больше свойств
|
|
|
Тормозной диск
Вес [кг] : 7,4
Высота [мм] : 90,4
Высота упаковки [см] : 10
Диаметр [мм] : 274
Диаметр фаски 2 [мм] : 108
Диаметр центрирования [мм] : 30
Длина упаковки [см] : 31,5
Дополнительный артикул / дополнительная информация 2 : с кольцом сенсора ABS
Минимальная толщина [мм] : 9,5
Номер технической информации : 98200 1962 0 1 PRO
Поверхность : с покрытием
Расположение/число отверстий : 05/05
Тип тормозного диска : полный
Толщина тормозного диска (мм) : 11
Ширина упаковки [см] : 30
Показать больше свойств
|
|
|
Тормозной диск
Вес [кг] : 6,660
Высота [мм] : 44
Высота упаковки [см] : 10
Диаметр [мм] : 280
Диаметр фаски 2 [мм] : 108
Диаметр центрирования [мм] : 61
Длина упаковки [см] : 31,5
Дополнительный артикул / дополнительная информация 2 : без ступицы
Минимальная толщина [мм] : 22
Номер технической информации : 98200 2024 0 1
Расположение/число отверстий : 05/07
Тип тормозного диска : с внешней вентиляцией
Толщина тормозного диска (мм) : 24
Ширина упаковки [см] : 30
Показать больше свойств
|
|
|
Тормозной диск
Вес [кг] : 6,660
Высота [мм] : 44
Высота упаковки [см] : 10
Диаметр [мм] : 280
Диаметр фаски 2 [мм] : 108
Диаметр центрирования [мм] : 61
Длина упаковки [см] : 31,5
Дополнительный артикул / дополнительная информация 2 : без ступицы
Минимальная толщина [мм] : 22
Номер технической информации : 98200 2024 0 1 PRO
Поверхность : с покрытием
Расположение/число отверстий : 05/07
Тип тормозного диска : с внешней вентиляцией
Толщина тормозного диска (мм) : 24
Ширина упаковки [см] : 30
Показать больше свойств
|
|
|
Тормозной диск
Вес [кг] : 5,5
Высота [мм] : 43,9
Высота упаковки [см] : 10
Диаметр [мм] : 258
Диаметр фаски 2 [мм] : 100
Диаметр центрирования [мм] : 61
Длина упаковки [см] : 30
Дополнительный артикул / дополнительная информация 2 : без ступицы
Минимальная толщина [мм] : 19,8
Номер технической информации : 98200 2415 0 1 PRO
Поверхность : с покрытием
Расположение/число отверстий : 04/06
Тип тормозного диска : с внешней вентиляцией
Толщина тормозного диска (мм) : 22
Ширина упаковки [см] : 28,5
Показать больше свойств
|
|
|
Тормозной диск
Высота [мм] : 90
Диаметр [мм] : 274
Диаметр центрирования [мм] : 30
Количество отверстий : 5
Минимальная толщина [мм] : 9,5
Сторона установки : Задний мост
Тип тормозного диска : полный
Толщина тормозного диска (мм) : 11
Показать больше свойств
|
|
|
Тормозной диск
Версия : JC
Высота [мм] : 43,9
Диаметр [мм] : 257,8
Диаметр центрирования [мм] : 61
Количество отверстий : 4
Минимальная толщина [мм] : 19,8
Поверхность : с покрытием
Расположение/число отверстий : 4+2
Сторона установки : Передний мост
Тип тормозного диска : вентилируемый
Толщина тормозного диска (мм) : 22
Показать больше свойств
|
|
|
Тормозной диск
Внутренний диаметр : 30
Высота [мм] : 88,2
Диаметр [мм] : 274
Дополнительный артикул / дополнительная информация 2 : с интегрированным колесным подшипником
Наружный диаметр [мм] : 62
Тип тормозного диска : полный
Толщина тормозного диска (мм) : 11
Число отверстий в диске колеса : 5
Ширина (мм) : 48
Показать больше свойств
|
|
|
Тормозной диск
Высота [мм] : 43,8
Диаметр [мм] : 258
Диаметр центрирования [мм] : 61
Количественная единица : штука
Количество отверстий : 4
Минимальная толщина [мм] : 20
Сторона установки : Передний мост
Тип тормозного диска : вентилируемый
Толщина тормозного диска (мм) : 22
Показать больше свойств
|
|
|
Тормозной диск
Высота [мм] : 43,9
Диаметр [мм] : 280
Диаметр фаски 2 [мм] : 108
Диаметр центрирования [мм] : 61
Количество отверстий : 5
Минимальная толщина [мм] : 22
Тип тормозного диска : с внутренней вентиляцией
Толщина тормозного диска (мм) : 24
Показать больше свойств
|
|
|
Тормозной диск
Высота [мм] : 43,9
Диаметр [мм] : 280
Диаметр фаски 2 [мм] : 108
Диаметр центрирования [мм] : 61
Количество отверстий : 5
Минимальная толщина [мм] : 22
Поверхность : с покрытием
Тип тормозного диска : с внутренней вентиляцией
Толщина тормозного диска (мм) : 24
Показать больше свойств
|
|
|
Тормозной диск
Высота [мм] : 88,1
Диаметр [мм] : 274
Диаметр фаски 2 [мм] : 108
Диаметр центрирования [мм] : 52,2
Дополнительный артикул / дополнительная информация 2 : с колесным подшипником
Количество отверстий : 5
Минимальная толщина [мм] : 9,5
Тип тормозного диска : полный
Толщина тормозного диска (мм) : 11
Показать больше свойств
|
|
|
Тормозной диск
Высота [мм] : 43,8
Диаметр [мм] : 258
Диаметр фаски 2 [мм] : 100
Диаметр центрирования [мм] : 61
Количество отверстий : 4
Минимальная толщина [мм] : 19,8
Тип тормозного диска : с внутренней вентиляцией
Толщина тормозного диска (мм) : 22
Показать больше свойств
|
|
|
Тормозной диск
Диаметр [мм] : 258
Диаметр фаски 2 [мм] : 100
Количество отверстий : 4
Минимальная толщина [мм] : 19,8
Поверхность : с покрытием
Тип тормозного диска : с внутренней вентиляцией
Толщина тормозного диска (мм) : 22
Показать больше свойств
|
|
|
Тормозной диск
Вес [кг] : 14,14
Высота [мм] : 44,2
Диаметр [мм] : 280
Диаметр фаски 2 [мм] : 108
Диаметр центрирования [мм] : 61
Дополнительный артикул / дополнительная информация 2 : без винтов
Количество отверстий : 5
Минимальная толщина [мм] : 21,8
Момент затяжки [Нм] : 100
Сторона установки : Передний мост
Тип тормозного диска : вентилируемый
Толщина тормозного диска (мм) : 24
Показать больше свойств
|
|
|
Тормозной диск
Вес [кг] : 7,07
Высота [мм] : 44,2
Диаметр [мм] : 280
Диаметр центрирования [мм] : 61
Количественная единица : штука
Количество отверстий : 5
Минимальная толщина [мм] : 21,8
Сторона установки : Передний мост
Тип тормозного диска : вентилируемый
Толщина тормозного диска (мм) : 24
Показать больше свойств
|
|
|
Тормозной диск
Вес [кг] : 7,07
Высота [мм] : 44,2
Диаметр [мм] : 280
Диаметр центрирования [мм] : 61
Количественная единица : штука
Количество отверстий : 5
Минимальная толщина [мм] : 21,8
Поверхность : с покрытием
Сторона установки : Передний мост
Тип тормозного диска : вентилируемый
Толщина тормозного диска (мм) : 24
Показать больше свойств
|
|
|
Тормозной диск
Высота [мм] : 44,2
Диаметр [мм] : 280
Диаметр центрирования [мм] : 61
Количественная единица : штука
Количество отверстий : 5
Минимальная толщина [мм] : 21,8
Поверхность : с покрытием
Сторона установки : Передний мост
Тип тормозного диска : вентилируемый
Толщина тормозного диска (мм) : 24
Показать больше свойств
|
|
|
Тормозной диск
Вес [кг] : 15,6
Высота [мм] : 90
Диаметр [мм] : 274
Диаметр отверстия [мм] : 52,2
Диаметр фаски 2 [мм] : 0
Диаметр центрирования [мм] : 52,2
Дополнительный артикул / дополнительная информация 2 : с кольцом сенсора ABS
Количественная единица : комплект
Количество отверстий : 5
Минимальная толщина [мм] : 9,5
Момент затяжки [Нм] : 100
Сторона установки : Задний мост
Тип тормоза : Тормозной диск с подшипником
Тип тормозного диска : полный
Толщина тормозного диска (мм) : 11
Показать больше свойств
|
|
|
Тормозной диск
Вес [кг] : 15,6
Высота [мм] : 90
Диаметр [мм] : 274
Диаметр отверстия [мм] : 52,2
Дополнительный артикул / дополнительная информация 2 : с кольцом сенсора ABS
Количество отверстий : 5
Минимальная толщина [мм] : 9,5
Момент затяжки [Нм] : 12
Поверхность : с покрытием
Сторона установки : Задний мост
Тип тормоза : Тормозной диск с подшипником
Тип тормозного диска : полный
Толщина тормозного диска (мм) : 11
Показать больше свойств
|
|
|
Тормозной диск
Высота [мм] : 43,8
Диаметр [мм] : 258
Диаметр фаски 2 [мм] : 100
Диаметр центрирования [мм] : 61
Дополнительный артикул / дополнительная информация 2 : без винтов
Количество отверстий : 4
Минимальная толщина [мм] : 20
Момент затяжки [Нм] : 100
Сторона установки : Передний мост
Тип тормозного диска : вентилируемый
Толщина тормозного диска (мм) : 22
Показать больше свойств
|
|
|
Тормозной диск
Глубина [мм] : 43,9
Диаметр [мм] : 279,9
Диаметр центрирования [мм] : 61
Количество отверстий : 5
Минимальная толщина [мм] : 21,8
Обработка : Высокоуглеродистый
Поверхность : лакированный
Тип сборки : закреплено болтами / шурупами
Тип тормозного диска : вентилируемый
Толщина тормозного диска (мм) : 24
Показать больше свойств
|
|