|
Тормозной диск
Вес [кг] : 6,820
Диаметр фаски 2 [мм] : 139,7
Диаметр центрирования [мм] : 108
Количество крепежных отверстий : 2
Минимальная толщина [мм] : 23
Наружный диаметр [мм] : 297
необходимое количество : 2
Сторона установки : Передний мост
Тип тормозного диска : с внутренней вентиляцией
Толщина [мм] : 67,3
Толщина тормозного диска (мм) : 25
Число отверстий в диске колеса : 6
Показать больше свойств
|
|
|
Тормозной диск
Высота [мм] : 58,6
Диаметр [мм] : 257
Диаметр центрирования [мм] : 62
Количество отверстий : 5
Минимальная толщина [мм] : 26
Тип тормозного диска : вентилируемый
Толщина тормозного диска (мм) : 28
Показать больше свойств
|
|
|
Тормозной диск
Вес [кг] : 5,98
Высота [мм] : 58,6
Диаметр [мм] : 257
Диаметр центрирования [мм] : 62
Колесная база : для длинной базы автомобиля
Минимальная толщина [мм] : 26
Поверхность : с покрытием
Тип тормозного диска : вентилируемый
Толщина тормозного диска (мм) : 28
Число отверстий в диске колеса : 5
Показать больше свойств
|
|
|
Тормозной диск
Вес [кг] : 5,79
Высота [мм] : 58,6
Диаметр [мм] : 255
Диаметр центрирования [мм] : 62
Колесная база : не для длинной базы автомобиля
Минимальная толщина [мм] : 26
Тип тормозного диска : вентилируемый
Толщина тормозного диска (мм) : 28
Число отверстий в диске колеса : 5
Показать больше свойств
|
|
|
Тормозной диск
Вес [кг] : 6
Высота [мм] : 58,5
Диаметр [мм] : 257
Диаметр фаски 2 [мм] : 114,3
Диаметр центрирования [мм] : 62
Дополнительный артикул / дополнительная информация 2 : без ступицы
Минимальная толщина [мм] : 26
Номер технической информации : 55360PRO
Поверхность : с покрытием
Расположение/число отверстий : 05/07
Тип тормозного диска : с внутренней вентиляцией
Толщина тормозного диска (мм) : 28
Показать больше свойств
|
|
|
Тормозной диск
Высота [мм] : 67,4
Диаметр [мм] : 297,2
Диаметр центрирования [мм] : 108
Количество отверстий : 6
Минимальная толщина [мм] : 23
Сторона установки : Передний мост
Тип тормозного диска : вентилируемый
Толщина тормозного диска (мм) : 25
Показать больше свойств
|
|
|
Тормозной диск
Вес [кг] : 6,820
Диаметр ступицы [мм] : 108
Количество крепежных отверстий : 6
Минимальная толщина [мм] : 23
Наружный диаметр [мм] : 297
необходимое количество : 2
Сторона установки : Передний мост
Тип тормозного диска : с внутренней вентиляцией
Толщина [мм] : 67,3
Толщина тормозного диска (мм) : 25
Число отверстий в диске колеса : 2
Показать больше свойств
|
|
|
Тормозной диск
Высота [мм] : 58,2
Диаметр фаски 2 [мм] : 114,3
Диаметр центрирования [мм] : 62
Количество отверстий : 5
Минимальная толщина [мм] : 26
Наружный диаметр [мм] : 257
Сторона установки : Передний мост
Тип тормозного диска : с внутренней вентиляцией
Толщина тормозного диска (мм) : 28
Число отверстий : 2
Показать больше свойств
|
|
|
Тормозной диск
Вес [кг] : 5,98
Высота [мм] : 58,6
Диаметр [мм] : 257
Диаметр центрирования [мм] : 62
Колесная база : для длинной базы автомобиля
Минимальная толщина [мм] : 26
Поверхность : с покрытием
Тип тормозного диска : вентилируемый
Толщина тормозного диска (мм) : 28
Число отверстий в диске колеса : 5
Показать больше свойств
|
|
|
Тормозной диск
Вес [кг] : 5,98
Высота [мм] : 58,6
Диаметр [мм] : 257
Диаметр центрирования [мм] : 62
Колесная база : для длинной базы автомобиля
Минимальная толщина [мм] : 26
Тип тормозного диска : вентилируемый
Толщина тормозного диска (мм) : 28
Число отверстий в диске колеса : 5
Показать больше свойств
|
|
|
Тормозной диск
Вес [кг] : 5,79
Высота [мм] : 58,6
Диаметр [мм] : 255
Диаметр центрирования [мм] : 62
Колесная база : не для длинной базы автомобиля
Минимальная толщина [мм] : 26
Тип тормозного диска : вентилируемый
Толщина тормозного диска (мм) : 28
Число отверстий в диске колеса : 5
Показать больше свойств
|
|
|
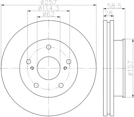
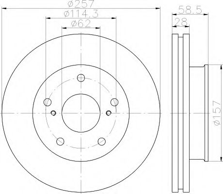
Тормозной диск
Высота [мм] : 58,2
Диаметр [мм] : 257
Диаметр ступицы [мм] : 157
Диаметр фаски 2 [мм] : 114,3
Диаметр центрирования [мм] : 62
Количество отверстий : 5
Минимальная толщина [мм] : 26
Тип тормозного диска : с внутренней вентиляцией
Толщина тормозного диска (мм) : 28
Показать больше свойств
|
|
|
Тормозной диск
Высота [мм] : 67,3
Диаметр [мм] : 297
Диаметр ступицы [мм] : 180
Диаметр фаски 2 [мм] : 139,7
Диаметр центрирования [мм] : 108
Количество отверстий : 6
Минимальная толщина [мм] : 23
Тип тормозного диска : с внутренней вентиляцией
Толщина тормозного диска (мм) : 25
Показать больше свойств
|
|
|
Тормозной диск
Вес [кг] : 6,2
Высота [мм] : 59
Диаметр [мм] : 255
Диаметр ступицы 1 [мм] : 62
Диаметр фаски 2 [мм] : 114,3
Минимальная толщина [мм] : 26
Тип тормозного диска : вентилируемый
Толщина тормозного диска (мм) : 28
Число отверстий в диске колеса : 5
Показать больше свойств
|
|
|
Тормозной диск
Вес [кг] : 5,98
Высота [мм] : 58,6
Диаметр [мм] : 257
Диаметр центрирования [мм] : 62
Колесная база : для длинной базы автомобиля
Минимальная толщина [мм] : 26
Тип тормозного диска : вентилируемый
Толщина тормозного диска (мм) : 28
Число отверстий в диске колеса : 5
Показать больше свойств
|
|
|
Тормозной диск
Диаметр [мм] : 297
Количество отверстий : 6
Тип тормозного диска : с внутренней вентиляцией
Толщина тормозного диска (мм) : 25
Показать больше свойств
|
|
|
Тормозной диск
Вес [кг] : 5,79
Высота [мм] : 58,6
Диаметр [мм] : 255
Диаметр центрирования [мм] : 62
Колесная база : не для длинной базы автомобиля
Минимальная толщина [мм] : 26
Тип тормозного диска : вентилируемый
Толщина тормозного диска (мм) : 28
Число отверстий в диске колеса : 5
Показать больше свойств
|
|
|
Тормозной диск
Высота [мм] : 58,6
Диаметр [мм] : 255
Диаметр центрирования [мм] : 62
Количество отверстий : 5
Минимальная толщина [мм] : 26
Тип тормозного диска : вентилируемый
Толщина тормозного диска (мм) : 28
Показать больше свойств
|
|
|
Тормозной диск
Высота [мм] : 58,6
Диаметр [мм] : 257
Диаметр центрирования [мм] : 62
Количество отверстий : 5
Минимальная толщина [мм] : 26
Тип тормозного диска : вентилируемый
Толщина тормозного диска (мм) : 28
Показать больше свойств
|
|
|
Тормозной диск
Вес [кг] : 6,2
Высота [мм] : 58,5
Диаметр [мм] : 257
Диаметр фаски 2 [мм] : 114,3
Диаметр центрирования [мм] : 62
Дополнительный артикул / дополнительная информация 2 : без ступицы
Минимальная толщина [мм] : 26
Расположение/число отверстий : 05/07
Тип тормозного диска : с внутренней вентиляцией
Толщина тормозного диска (мм) : 28
Показать больше свойств
|
|
|
Тормозной диск
Вес [кг] : 12,4
Высота [мм] : 58,6
Диаметр [мм] : 255
Диаметр отверстия [мм] : 62
Дополнительный артикул / дополнительная информация 2 : без винтов
Количество отверстий : 5
Минимальная толщина [мм] : 26
Момент затяжки [Нм] : 12
Поверхность : с покрытием
Сторона установки : Передний мост
Тип тормозного диска : вентилируемый
Толщина тормозного диска (мм) : 28
Показать больше свойств
|
|
|
Тормозной диск
Вес [кг] : 12,4
Высота [мм] : 58,6
Диаметр [мм] : 255
Диаметр отверстия [мм] : 62
Диаметр фаски 2 [мм] : 0
Дополнительный артикул / дополнительная информация 2 : без винтов
Количественная единица : комплект
Количество отверстий : 5
Минимальная толщина [мм] : 26
Момент затяжки [Нм] : 100
Поверхность : с покрытием
Сторона установки : Передний мост
Тип тормозного диска : вентилируемый
Толщина тормозного диска (мм) : 28
Показать больше свойств
|
|
|
Тормозной диск
Внутренний диаметр : 154,94
выполняет нормы ЕЭК : E1 90R-02C0064/0122
Высота [мм] : 64,4
Диаметр [мм] : 289
Диаметр ступицы [мм] : 100
Диаметр фаски 2 [мм] : 127
Количество отверстий : 6
Минимальная толщина [мм] : 18
Поверхность : с покрытием
Тип тормозного диска : с внутренней вентиляцией
Толщина тормозного диска (мм) : 20
Показать больше свойств
|
|
|
Тормозной диск
Версия : JC
Высота [мм] : 58,6
Диаметр [мм] : 255
Диаметр центрирования [мм] : 62
Количество отверстий : 5
Минимальная толщина [мм] : 26
Поверхность : с покрытием
Расположение/число отверстий : 5+2
Сторона установки : Передний мост
Тип тормозного диска : вентилируемый
Толщина тормозного диска (мм) : 28
Показать больше свойств
|
|
|
Тормозной диск
Вес [кг] : 6,2
Высота [мм] : 58,5
Высота упаковки [см] : 15
Диаметр [мм] : 257
Диаметр фаски 2 [мм] : 114,3
Диаметр центрирования [мм] : 62
Длина упаковки [см] : 30
Дополнительный артикул / дополнительная информация 2 : без ступицы
Минимальная толщина [мм] : 26
Номер технической информации : 98200 2360 0 1 PRO
Поверхность : с покрытием
Расположение/число отверстий : 05/07
Тип тормозного диска : с внутренней вентиляцией
Толщина тормозного диска (мм) : 28
Ширина упаковки [см] : 28,5
Показать больше свойств
|
|
|
Тормозной диск
Вес [кг] : 6
Высота [мм] : 58,6
Диаметр [мм] : 255
Диаметр фаски 2 [мм] : 114,3
Диаметр центрирования [мм] : 62
Дополнительный артикул / дополнительная информация 2 : без ступицы
Минимальная толщина [мм] : 26
Номер технической информации : 98200 2252 0 1
Расположение/число отверстий : 05/07
Тип тормозного диска : с внутренней вентиляцией
Толщина тормозного диска (мм) : 28
Показать больше свойств
|
|
|
Тормозной диск
Вес [кг] : 6
Высота [мм] : 58,5
Диаметр [мм] : 257
Диаметр фаски 2 [мм] : 114,3
Диаметр центрирования [мм] : 62
Дополнительный артикул / дополнительная информация 2 : без ступицы
Минимальная толщина [мм] : 26
Поверхность : с покрытием
Расположение/число отверстий : 05/07
Тип тормозного диска : с внутренней вентиляцией
Толщина тормозного диска (мм) : 28
Показать больше свойств
|
|
|
Тормозной диск
Вес [кг] : 6
Высота [мм] : 58,6
Диаметр [мм] : 255
Диаметр фаски 2 [мм] : 114,3
Диаметр центрирования [мм] : 62
Дополнительный артикул / дополнительная информация 2 : без ступицы
Минимальная толщина [мм] : 26
Поверхность : с покрытием
Расположение/число отверстий : 05/07
Тип тормозного диска : с внутренней вентиляцией
Толщина тормозного диска (мм) : 28
Показать больше свойств
|
|
|
Тормозной диск
Вес [кг] : 6
Высота [мм] : 58,5
Диаметр [мм] : 257
Диаметр фаски 2 [мм] : 114,3
Диаметр центрирования [мм] : 62
Дополнительный артикул / дополнительная информация 2 : без ступицы
Минимальная толщина [мм] : 26
Номер технической информации : 55360PRO
Поверхность : с покрытием
Расположение/число отверстий : 05/07
Тип тормозного диска : с внутренней вентиляцией
Толщина тормозного диска (мм) : 28
Показать больше свойств
|
|
|
Тормозной диск
Вес [кг] : 5,98
Высота [мм] : 58,6
Диаметр [мм] : 257
Диаметр центрирования [мм] : 62
Колесная база : для длинной базы автомобиля
Минимальная толщина [мм] : 26
Тип тормозного диска : вентилируемый
Толщина тормозного диска (мм) : 28
Число отверстий в диске колеса : 5
Показать больше свойств
|
|