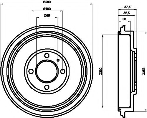
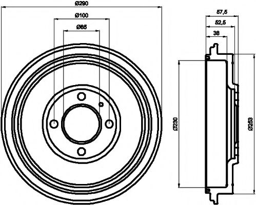
Тормозной барабан
Внутрен. высота торм. барабана [мм] : 39,7
Диаметр барабана : 230
Диаметр фаски 2 [мм] : 100
Количество отверстий : 4
Сторона установки : Задний мост
Показать больше свойств
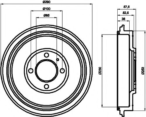
Тормозной барабан
Внутрен. высота торм. барабана [мм] : 39
Диаметр [мм] : 230
Диаметр фаски 2 [мм] : 65
Количество отверстий 1 : 4
Количество отверстий 2 : 1
Общ. высота торм. барабана [мм] : 57,5
Показать больше свойств
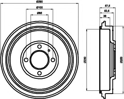
Тормозной барабан
Вес [кг] : 6,4
Внутрен. высота торм. барабана [мм] : 32
Внутрен. диаметр торм.барабан [мм] : 230
Высота [мм] : 57,5
Диаметр ступицы 1 [мм] : 65
Число отверстий в диске колеса : 4
Показать больше свойств
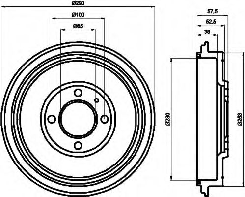
Тормозной барабан
Внутрен. высота торм. барабана [мм] : 39
Диаметр [мм] : 230
Диаметр фаски 2 [мм] : 65
для артикула № : 7D0621
Количество отверстий 1 : 4
Количество отверстий 2 : 1
Общ. высота торм. барабана [мм] : 57,5
Показать больше свойств
Тормозной барабан
Внутрен. высота торм. барабана [мм] : 51
Диаметр барабана : 230
Диаметр фаски 2 [мм] : 100
Количество отверстий : 4
Сторона установки : Задний мост
Тормозная динамика / динамика движения : для автомобилей без ABS
Показать больше свойств
Тормозной барабан
Внутрен. высота торм. барабана [мм] : 51
Внутрен. диаметр торм.барабан [мм] : 230
Диаметр фаски 2 [мм] : 45
Количество отверстий : 4
Сторона установки : Задний мост
Показать больше свойств
Тормозной барабан
Внутрен. высота торм. барабана [мм] : 51
Диаметр [мм] : 230
для артикула № : 7D0431
для диаметра вала начиная с [мм] : 45
до диаметра вала [мм] : 50,2
Количество отверстий 1 : 4
Общ. высота торм. барабана [мм] : 90
Показать больше свойств
Тормозной барабан
Внутрен. высота торм. барабана [мм] : 39
Диаметр барабана : 230
Диаметр фаски 2 [мм] : 100
Количество отверстий : 4
Макс. размер расточки тормозного барабана [мм] : 231,5
Показать больше свойств
Тормозной барабан
Вес [кг] : 8,36
Внутрен. высота торм. барабана [мм] : 51
Внутрен. диаметр торм.барабан [мм] : 230
Высота [мм] : 90
Диаметр ступицы 1 [мм] : 45,2
Число отверстий в диске колеса : 4
Показать больше свойств
Запросить цену
Тормозной барабан
Внутрен. высота торм. барабана [мм] : 39,7
Диаметр барабана : 230,0
Общ. высота торм. барабана [мм] : 57,8
Число отверстий в диске колеса : 4
Показать больше свойств
Запросить цену
Тормозной барабан
Внутрен. высота торм. барабана [мм] : 51
Диаметр барабана : 230,0
Общ. высота торм. барабана [мм] : 90
Число отверстий в диске колеса : 4
Показать больше свойств
Запросить цену
Тормозной барабан
Внутрен. высота торм. барабана [мм] : 51
Диаметр барабана : 230,0
Общ. высота торм. барабана [мм] : 90
Число отверстий в диске колеса : 4
Показать больше свойств
Запросить цену
Тормозной барабан
Внутрен. высота торм. барабана [мм] : 51
Диаметр барабана : 230,0
Общ. высота торм. барабана [мм] : 90
Число отверстий в диске колеса : 4
Показать больше свойств
Запросить цену
Тормозной барабан
Диаметр [мм] : 230
Расположение/число отверстий : 4/4
Сторона установки : Задний мост
Запросить цену
Тормозной барабан
Внутрен. диаметр торм.барабан [мм] : 230
Внутренний диаметр 1(мм) : 45,2
Внутренний диаметр 2 (мм) : 50,2
Высота [мм] : 90
Дополнительный артикул / дополнительная информация 2 : без кольца сенсора ABS
Макс. размер расточки тормозного барабана [мм] : 231
Число отверстий в диске колеса : 4
Ширина (мм) : 51
Показать больше свойств
Запросить цену
Тормозной барабан
Внутрен. диаметр торм.барабан [мм] : 230
Внутренний диаметр : 65
Высота [мм] : 57,5
Дополнительный артикул / дополнительная информация 2 : без ступицы
Макс. размер расточки тормозного барабана [мм] : 231
Число отверстий в диске колеса : 4
Ширина (мм) : 39
Показать больше свойств
Запросить цену
Тормозной барабан
Внутрен. высота торм. барабана [мм] : 51
Диаметр барабана : 230
Диаметр фаски 2 [мм] : 100
Количество отверстий : 4
Показать больше свойств
Запросить цену
Тормозной барабан
Вес [кг] : 8,4
Внутрен. высота торм. барабана [мм] : 51
Внутрен. диаметр торм.барабан [мм] : 230
Высота [мм] : 90
Диаметр ступицы 1 [мм] : 45
Число отверстий в диске колеса : 4
Показать больше свойств
Запросить цену
Тормозной барабан
Внутрен. высота торм. барабана [мм] : 51
Диаметр [мм] : 230
для артикула № : 7D0634
для диаметра вала начиная с [мм] : 45,2
до диаметра вала [мм] : 50,2
Количество отверстий 1 : 4
Общ. высота торм. барабана [мм] : 90
Показать больше свойств
Запросить цену
Тормозной барабан
Внутрен. высота торм. барабана [мм] : 40
Внутрен. диаметр торм.барабан [мм] : 230
Диаметр фаски 2 [мм] : 100
Сторона установки : Задний мост
Число отверстий в диске колеса : 4
Показать больше свойств
Запросить цену
Тормозной барабан
Внутрен. высота торм. барабана [мм] : 51
Диаметр [мм] : 230
для артикула № : 7D0431C
для диаметра вала начиная с [мм] : 45
до диаметра вала [мм] : 50,2
Количество отверстий 1 : 4
Общ. высота торм. барабана [мм] : 90
Тип тормоза : Тормозной барабан с подшипником
Показать больше свойств
Запросить цену
Тормозной барабан
Внутрен. высота торм. барабана [мм] : 39
Диаметр барабана : 230,0
Диаметр крепления [мм] : 65
Диаметр отверстия [мм] : 13,8
Диаметр фаски 2 [мм] : 100
Количество отверстий : 4
Макс. размер расточки тормозного барабана [мм] : 231,5
Наружн. диаметр торм. барабана (мм) : 290
Общ. высота торм. барабана [мм] : 57,5
Сторона установки : Задний мост
Показать больше свойств
Запросить цену
Тормозной барабан
Внутрен. высота торм. барабана [мм] : 51
Внутренний диаметр 2 (мм) : 45,3
Диаметр барабана : 230,0
Диаметр крепления [мм] : 52
Диаметр фаски 2 [мм] : 100
Дополнительный артикул / дополнительная информация 2 : без колесного подшипника
Количество отверстий : 4
Макс. размер расточки тормозного барабана [мм] : 231
Наружн. диаметр торм. барабана (мм) : 275
Общ. высота торм. барабана [мм] : 90
Размер резьбы : M 12x1,5
Сторона установки : Задний мост
Показать больше свойств
Запросить цену
Тормозной барабан
Внутрен. высота торм. барабана [мм] : 55
Диаметр барабана : 230
Диаметр фаски 2 [мм] : 100
Дополнительный артикул / дополнительная информация 2 : с кольцом сенсора ABS
Количество отверстий : 4
Макс. размер расточки тормозного барабана [мм] : 231
Показать больше свойств
Запросить цену
Тормозной барабан
Внутрен. высота торм. барабана [мм] : 55
Диаметр барабана : 230
Диаметр фаски 2 [мм] : 100
Количество отверстий : 4
Макс. размер расточки тормозного барабана [мм] : 231
Показать больше свойств
Запросить цену
Тормозной барабан
Внутрен. высота торм. барабана [мм] : 51
Внутрен. диаметр торм.барабан [мм] : 230
Диаметр фаски 2 [мм] : 100
Диаметр центрирования [мм] : 52
Количество отверстий : 4
Макс. размер расточки тормозного барабана [мм] : 231
Наружн. диаметр торм. барабана (мм) : 275
Общ. высота торм. барабана [мм] : 90
Сторона установки : Задний мост
Показать больше свойств
Запросить цену
Тормозной барабан
Внутрен. высота торм. барабана [мм] : 51
Внутрен. диаметр торм.барабан [мм] : 230
Высота [мм] : 90
Диаметр барабана : 275
Диаметр отверстия [мм] : 12
Диаметр фаски 2 [мм] : 100
Диаметр центрирования [мм] : 45
Макс. размер расточки тормозного барабана [мм] : 231
Расположение/число отверстий : 4/4
Сторона установки : Задний мост
Показать больше свойств
Запросить цену
Тормозной барабан
Внутрен. высота торм. барабана [мм] : 51
Диаметр барабана : 230,0
Общ. высота торм. барабана [мм] : 90
Число отверстий в диске колеса : 4
Показать больше свойств
Запросить цену
Тормозной барабан
Внутрен. высота торм. барабана [мм] : 51
Диаметр барабана : 230
Диаметр ступицы [мм] : 50,2
Дополнительный артикул / Дополнительная информация : с аксессуарами
Дополнительный артикул / дополнительная информация 2 : с колесным подшипником
Количество отверстий : 4
Общ. высота торм. барабана [мм] : 90
Показать больше свойств
Запросить цену
Тормозной барабан
Внутрен. высота торм. барабана [мм] : 32
Внутрен. диаметр торм.барабан [мм] : 230
Диаметр фаски 2 [мм] : 100
Сторона установки : Задний мост
Число отверстий в диске колеса : 4
Показать больше свойств
Запросить цену
Тормозной барабан
Внутрен. высота торм. барабана [мм] : 39
Диаметр барабана : 230
Количество отверстий : 4
Макс. размер расточки тормозного барабана [мм] : 231,5
Монтажный диаметр [мм] : 65
Общ. высота торм. барабана [мм] : 57,5
Показать больше свойств
Запросить цену
Тормозной барабан
Внутрен. высота торм. барабана [мм] : 39
Диаметр барабана : 230
Количество отверстий : 4
Макс. размер расточки тормозного барабана [мм] : 231,5
Монтажный диаметр [мм] : 65
Общ. высота торм. барабана [мм] : 57,5
Сторона установки : Задний мост
Показать больше свойств
Запросить цену
Тормозной барабан
Внутрен. высота торм. барабана [мм] : 51
Диаметр барабана : 230
Количество отверстий : 4
Макс. размер расточки тормозного барабана [мм] : 231
Монтажн. диаметр 1/монтажн. диаметр 2 [мм] : 45-50,3
Общ. высота торм. барабана [мм] : 90
Сторона установки : Задний мост
Показать больше свойств
Запросить цену
Тормозной барабан
Внутрен. высота торм. барабана [мм] : 39
Внутренний диаметр : 230
Высота [мм] : 57,5
Диаметр фаски 2 [мм] : 100
Диаметр центрирования [мм] : 65
Количество отверстий : 4
Количество отверстий 1 : 1
Макс. размер расточки тормозного барабана [мм] : 231,5
Наружн. диаметр торм. барабана (мм) : 290
Размер резьбы : 13,70
Расстояние между отверст. 1 [мм] : 100
Показать больше свойств
Запросить цену
Тормозной барабан
Внутрен. высота торм. барабана [мм] : 55
Внутренний диаметр : 230
Высота [мм] : 89,8
Диаметр фаски 2 [мм] : 100
Диаметр центрирования [мм] : 45,16
Количество отверстий : 4
Макс. размер расточки тормозного барабана [мм] : 231
Наружн. диаметр торм. барабана (мм) : 274,9
Показать больше свойств
Запросить цену
Тормозной барабан
Вес [кг] : 7,9
Внутрен. высота торм. барабана [мм] : 51
Диаметр барабана : 230,0
Диаметр фаски 2 [мм] : 100
Дополнительный артикул / дополнительная информация 2 : без колесной крепящей оси
Макс. размер расточки тормозного барабана [мм] : 231
Наружн. диаметр торм. барабана (мм) : 275
Номер технической информации : 62911
Общ. высота торм. барабана [мм] : 90
Расположение/число отверстий : 04/04
Показать больше свойств
Запросить цену
Тормозной барабан
Вес [кг] : 6,05
Внутрен. высота торм. барабана [мм] : 39
Диаметр барабана : 230
Диаметр фаски 2 [мм] : 100
Дополнительный артикул / дополнительная информация 2 : без ступицы
Макс. размер расточки тормозного барабана [мм] : 231,5
Наружн. диаметр торм. барабана (мм) : 290
Номер технической информации : 61295
Общ. высота торм. барабана [мм] : 57,5
Расположение/число отверстий : 04/05
Показать больше свойств
Запросить цену
Тормозной барабан
Внутренний диаметр : 229
Высота [мм] : 89
Глубина [мм] : 55
Диаметр центрирования [мм] : 50
Количество отверстий : 4
Показать больше свойств
Запросить цену
Тормозной барабан
Диаметр [мм] : 231,5
Диаметр барабана : 230
Количество крепежных отверстий : 4
Наружный диаметр [мм] : 290
Общая высота [мм] : 57,5
Ширина (мм) : 39
Показать больше свойств
Запросить цену
Тормозной барабан
Диаметр [мм] : 231
Диаметр барабана : 230
Количество крепежных отверстий : 4
Наружный диаметр [мм] : 275
Общая высота [мм] : 90
Ширина (мм) : 51
Показать больше свойств
Запросить цену
Тормозной барабан
Диаметр [мм] : 201
Диаметр барабана : 200
Количество крепежных отверстий : 4
Наружный диаметр [мм] : 240
Общая высота [мм] : 81
Ширина (мм) : 49,5
Показать больше свойств
Запросить цену
Тормозной барабан
Внутрен. высота торм. барабана [мм] : 39
Диаметр [мм] : 230
Диаметр фаски 2 [мм] : 65
Количество отверстий 1 : 4
Наружн. диаметр торм. барабана (мм) : 289,9
Общ. высота торм. барабана [мм] : 57,5
Показать больше свойств
Запросить цену
Тормозной барабан
Внутрен. высота торм. барабана [мм] : 51
Диаметр барабана : 230
Диаметр ступицы [мм] : 50,2
Количество отверстий : 4
Общ. высота торм. барабана [мм] : 90
Показать больше свойств
Запросить цену
Тормозной барабан
Внутрен. высота торм. барабана [мм] : 51
Высота [мм] : 90
Диаметр [мм] : 230
Диаметр барабана : 230
Диаметр фаски 2 [мм] : 45
Диаметр центрирования [мм] : 90
Количество отверстий : 4
Макс. размер расточки тормозного барабана [мм] : 231
Минимальная толщина [мм] : 51
Сторона установки : Задний мост
Толщина [мм] : 231
Число отверстий в диске колеса : 4
Показать больше свойств
Запросить цену
Тормозной барабан
Запросить цену
Тормозной барабан
Сторона установки : Задний мост
Запросить цену
Тормозной барабан
Диаметр [мм] : 232
Диаметр барабана : 230
Наружный диаметр [мм] : 275
Общая высота [мм] : 90
Расположение/число отверстий : 4H
Ширина (мм) : 55
Показать больше свойств
Запросить цену
Тормозной барабан
Диаметр [мм] : 231,5
Диаметр барабана : 230
Наружный диаметр [мм] : 290
Общая высота [мм] : 57,5
Расположение/число отверстий : 4 H
Ширина (мм) : 39
Показать больше свойств
Запросить цену
Тормозной барабан
Внутрен. высота торм. барабана [мм] : 39
Диаметр барабана : 230
Диаметр фаски 2 [мм] : 100
Количество отверстий : 4
Макс. размер расточки тормозного барабана [мм] : 231,5
Показать больше свойств
Запросить цену
Тормозной барабан
Внутрен. высота торм. барабана [мм] : 55
Диаметр барабана : 230
Диаметр фаски 2 [мм] : 100
Количество отверстий : 4
Макс. размер расточки тормозного барабана [мм] : 231
Показать больше свойств
Запросить цену
Тормозной барабан
Внутрен. высота торм. барабана [мм] : 39
Диаметр барабана : 230
Диаметр ступицы [мм] : 65
Количество отверстий : 4
Общ. высота торм. барабана [мм] : 57,5
Сторона установки : Задний мост
Показать больше свойств
Запросить цену
Тормозной барабан
Внутрен. высота торм. барабана [мм] : 49,5
Диаметр барабана : 200
Диаметр ступицы [мм] : 50,2
Дополнительный артикул / Дополнительная информация : с аксессуарами
Дополнительный артикул / дополнительная информация 2 : с колесным подшипником
Количество отверстий : 4
Общ. высота торм. барабана [мм] : 81
Показать больше свойств
Запросить цену
Тормозной барабан
Внутрен. высота торм. барабана [мм] : 49,5
Диаметр барабана : 200
Диаметр ступицы [мм] : 50,2
Количество отверстий : 4
Общ. высота торм. барабана [мм] : 81
Показать больше свойств
Запросить цену
Тормозной барабан
Внутрен. высота торм. барабана [мм] : 39,7
Диаметр барабана : 230,0
Общ. высота торм. барабана [мм] : 57,8
Число отверстий в диске колеса : 4
Показать больше свойств
Запросить цену
Тормозной барабан
Внутрен. высота торм. барабана [мм] : 51
Диаметр барабана : 230,0
Общ. высота торм. барабана [мм] : 90
Число отверстий в диске колеса : 4
Показать больше свойств
Запросить цену
Тормозной барабан
Внутрен. высота торм. барабана [мм] : 51
Диаметр барабана : 230,0
Общ. высота торм. барабана [мм] : 90
Число отверстий в диске колеса : 4
Показать больше свойств
Запросить цену
Тормозной барабан
Внутрен. высота торм. барабана [мм] : 39
Диаметр барабана : 230
Диаметр фаски 2 [мм] : 100
Количество отверстий : 4
Макс. размер расточки тормозного барабана [мм] : 231,5
Показать больше свойств
Запросить цену
Тормозной барабан
Внутрен. высота торм. барабана [мм] : 51
Внутрен. диаметр торм.барабан [мм] : 230
Высота [мм] : 90
Диаметр ступицы 1 [мм] : 45
Сторона установки : Задний мост
Число отверстий в диске колеса : 4
Показать больше свойств
Запросить цену
Тормозной барабан
Сторона установки : Задний мост
Запросить цену
Тормозной барабан
Сторона установки : Задний мост
Запросить цену
Тормозной барабан
Вес [кг] : 7,9
Внутрен. высота торм. барабана [мм] : 51
Диаметр барабана : 230,0
Диаметр фаски 2 [мм] : 100
Дополнительный артикул / дополнительная информация 2 : без колесной крепящей оси
Макс. размер расточки тормозного барабана [мм] : 231
Наружн. диаметр торм. барабана (мм) : 275
Общ. высота торм. барабана [мм] : 90
Расположение/число отверстий : 04/04
Показать больше свойств
Запросить цену
Тормозной барабан
Вес [кг] : 6,05
Внутрен. высота торм. барабана [мм] : 39
Диаметр барабана : 230
Макс. размер расточки тормозного барабана [мм] : 231,5
Наружн. диаметр торм. барабана (мм) : 290
Общ. высота торм. барабана [мм] : 57,5
Расположение/число отверстий : 04/05
Показать больше свойств
Запросить цену
Тормозной барабан
Внутрен. высота торм. барабана [мм] : 39,7
Диаметр барабана : 230,0
Диаметр крепления [мм] : 65
Диаметр отверстия [мм] : 13,7
Диаметр фаски 2 [мм] : 100
Количество отверстий : 4
Макс. размер расточки тормозного барабана [мм] : 231,5
Наружн. диаметр торм. барабана (мм) : 290
Общ. высота торм. барабана [мм] : 57,6
Показать больше свойств
Запросить цену
Тормозной барабан
Внутрен. высота торм. барабана [мм] : 51
Диаметр барабана : 230,0
Диаметр крепления [мм] : 50,3
Диаметр фаски 2 [мм] : 100
Дополнительный артикул / дополнительная информация 2 : с кольцом сенсора ABS
Количество отверстий : 4
Макс. размер расточки тормозного барабана [мм] : 231
Наружн. диаметр торм. барабана (мм) : 275
Общ. высота торм. барабана [мм] : 51
Размер резьбы : M12x1,5
Показать больше свойств
Запросить цену
Тормозной барабан
Внутрен. высота торм. барабана [мм] : 51
Внутренний диаметр 2 (мм) : 45,3
Диаметр барабана : 230,0
Диаметр крепления [мм] : 52
Диаметр фаски 2 [мм] : 100
Дополнительный артикул / дополнительная информация 2 : без колесного подшипника
Количество отверстий : 4
Макс. размер расточки тормозного барабана [мм] : 231
Наружн. диаметр торм. барабана (мм) : 275
Общ. высота торм. барабана [мм] : 90
Размер резьбы : M12x1,5
Показать больше свойств
Запросить цену
Тормозной барабан
Вес [кг] : 7,9
Внутрен. высота торм. барабана [мм] : 51
Диаметр барабана : 230,0
Диаметр фаски 2 [мм] : 100
Дополнительный артикул / дополнительная информация 2 : без колесной крепящей оси
Макс. размер расточки тормозного барабана [мм] : 231
Наружн. диаметр торм. барабана (мм) : 275
Номер технической информации : 62911
Общ. высота торм. барабана [мм] : 90
Расположение/число отверстий : 04/04
Показать больше свойств
Запросить цену
Тормозной барабан
Вес [кг] : 6,05
Внутрен. высота торм. барабана [мм] : 39
Диаметр барабана : 230
Диаметр фаски 2 [мм] : 100
Дополнительный артикул / дополнительная информация 2 : без ступицы
Макс. размер расточки тормозного барабана [мм] : 231,5
Наружн. диаметр торм. барабана (мм) : 290
Номер технической информации : 61295
Общ. высота торм. барабана [мм] : 57,5
Расположение/число отверстий : 04/05
Показать больше свойств
Запросить цену
Тормозной барабан
Внутрен. высота торм. барабана [мм] : 32
Внутрен. диаметр торм.барабан [мм] : 230
Высота [мм] : 57,5
Диаметр ступицы 1 [мм] : 65
Сторона установки : Задний мост
Число отверстий в диске колеса : 4
Показать больше свойств
Запросить цену
Тормозной барабан
Внутрен. высота торм. барабана [мм] : 51
Внутрен. диаметр торм.барабан [мм] : 230
Высота [мм] : 90
Диаметр ступицы 1 [мм] : 45,2
Сторона установки : Задний мост
Число отверстий в диске колеса : 4
Показать больше свойств
Запросить цену
Тормозной барабан
Запросить цену
Тормозной барабан
Внутрен. высота торм. барабана [мм] : 51
Диаметр барабана : 230
Дополнительный артикул / дополнительная информация 2 : с подшипником
Количество отверстий : 4
Показать больше свойств
Запросить цену
Тормозной барабан
Внутрен. высота торм. барабана [мм] : 51
Диаметр [мм] : 230
для артикула № : 7D0634
для диаметра вала начиная с [мм] : 45,2
до диаметра вала [мм] : 50,2
Количество отверстий 1 : 4
Общ. высота торм. барабана [мм] : 90
Показать больше свойств
Запросить цену
Тормозной барабан
Внутрен. высота торм. барабана [мм] : 39
Диаметр [мм] : 230
Диаметр фаски 2 [мм] : 65
для артикула № : 7D0621
Количество отверстий 1 : 4
Количество отверстий 2 : 1
Общ. высота торм. барабана [мм] : 57,5
Показать больше свойств
Запросить цену
Тормозной барабан
Внутрен. высота торм. барабана [мм] : 51
Диаметр [мм] : 230
для артикула № : 7D0431C
для диаметра вала начиная с [мм] : 45
до диаметра вала [мм] : 50,2
Количество отверстий 1 : 4
Общ. высота торм. барабана [мм] : 90
Тип тормоза : Тормозной барабан с подшипником
Показать больше свойств
Запросить цену
Тормозной барабан
Внутрен. высота торм. барабана [мм] : 51
Диаметр [мм] : 230
для артикула № : 7D0431
для диаметра вала начиная с [мм] : 45
до диаметра вала [мм] : 50,2
Количество отверстий 1 : 4
Общ. высота торм. барабана [мм] : 90
Показать больше свойств
Запросить цену
Тормозной барабан
Внутрен. высота торм. барабана [мм] : 39
Диаметр барабана : 230,0
Диаметр крепления [мм] : 65
Диаметр отверстия [мм] : 13,8
Диаметр фаски 2 [мм] : 100
Количество отверстий : 4
Макс. размер расточки тормозного барабана [мм] : 231,5
Наружн. диаметр торм. барабана (мм) : 290
Общ. высота торм. барабана [мм] : 57,5
Показать больше свойств
Запросить цену
Тормозной барабан
Внутрен. высота торм. барабана [мм] : 39
Диаметр барабана : 230
Диаметр фаски 2 [мм] : 100
Количество отверстий : 4
Сторона установки : Задний мост
Показать больше свойств
Запросить цену
Тормозной барабан
Внутрен. высота торм. барабана [мм] : 55
Диаметр барабана : 230.0
Диаметр отверстия [мм] : 45
Количество отверстий : 4
Наружн. диаметр торм. барабана (мм) : 275
Общ. высота торм. барабана [мм] : 89,5
Сторона установки : Задний мост
Показать больше свойств
Запросить цену
Тормозной барабан
Внутрен. высота торм. барабана [мм] : 51
Диаметр барабана : 230
Диаметр фаски 2 [мм] : 100
Дополнительный артикул / дополнительная информация 2 : с колесным подшипником
Количество отверстий : 4
Общ. высота торм. барабана [мм] : 51
Сторона установки : Задний мост
Тормозная динамика / динамика движения : для автомобилей с ABS
Показать больше свойств
Запросить цену
Тормозной барабан
Внутрен. диаметр торм.барабан [мм] : 230
для диаметра вала начиная с [мм] : 45,25
Количество отверстий : 4
Общ. высота торм. барабана [мм] : 90
Тип сборки : закреплено болтами / шурупами
Показать больше свойств
Запросить цену
Тормозной барабан
Внутрен. высота торм. барабана [мм] : 51
Диаметр барабана : 230
Количество отверстий : 4
Общая высота [мм] : 90
Показать больше свойств
Запросить цену
Тормозной барабан
Вес [кг] : 8,46
Внутрен. высота торм. барабана [мм] : 51,2
Диаметр барабана : 230
Диаметр отверстия [мм] : 50.215
Диаметр фаски 2 [мм] : 100
Дополнительный артикул / Дополнительная информация : с аксессуарами
Дополнительный артикул / дополнительная информация 2 : без кольца сенсора ABS
Количество отверстий : 4
Макс. размер расточки тормозного барабана [мм] : 231
Наружн. диаметр торм. барабана (мм) : 274,9
Общ. высота торм. барабана [мм] : 90,1
Сторона установки : Задний мост
Тормозная динамика / динамика движения : для автомобилей без ABS
Показать больше свойств
Запросить цену
Тормозной барабан
Внутрен. высота торм. барабана [мм] : 51
Диаметр барабана : 230
Дополнительный артикул / дополнительная информация 2 : без подшипника
Количество отверстий : 4
Показать больше свойств
Запросить цену
Тормозной барабан
Внутрен. высота торм. барабана [мм] : 39
Диаметр барабана : 230
Количество отверстий : 4
Запросить цену
Тормозной барабан
Внутрен. высота торм. барабана [мм] : 51
Диаметр барабана : 230,0
Общ. высота торм. барабана [мм] : 90
Число отверстий в диске колеса : 4
Показать больше свойств
Запросить цену
Тормозной барабан
Внутрен. диаметр торм.барабан [мм] : 230
для диаметра вала начиная с [мм] : 65
Количество отверстий : 5
Общ. высота торм. барабана [мм] : 57,5
Тип сборки : закреплено болтами / шурупами
Показать больше свойств
Запросить цену
Тормозной барабан
Внутрен. высота торм. барабана [мм] : 51
Диаметр барабана : 230,0
Общ. высота торм. барабана [мм] : 90
Число отверстий в диске колеса : 4
Показать больше свойств
Запросить цену
Тормозной барабан
Внутрен. высота торм. барабана [мм] : 39
Диаметр барабана : 230
Диаметр ступицы [мм] : 65
Количество отверстий : 4
Общ. высота торм. барабана [мм] : 57,5
Сторона установки : Задний мост
Показать больше свойств
Запросить цену
Тормозной барабан
Внутрен. высота торм. барабана [мм] : 49,5
Диаметр барабана : 200
Диаметр ступицы [мм] : 50,2
Дополнительный артикул / Дополнительная информация : с аксессуарами
Дополнительный артикул / дополнительная информация 2 : с колесным подшипником
Количество отверстий : 4
Общ. высота торм. барабана [мм] : 81
Показать больше свойств
Запросить цену
Тормозной барабан
Внутрен. высота торм. барабана [мм] : 49,5
Диаметр барабана : 200
Диаметр ступицы [мм] : 50,2
Количество отверстий : 4
Общ. высота торм. барабана [мм] : 81
Показать больше свойств
Запросить цену
Тормозной барабан
Внутрен. высота торм. барабана [мм] : 51
Диаметр барабана : 230
Диаметр ступицы [мм] : 50,2
Дополнительный артикул / Дополнительная информация : с аксессуарами
Дополнительный артикул / дополнительная информация 2 : с колесным подшипником
Количество отверстий : 4
Общ. высота торм. барабана [мм] : 90
Показать больше свойств
Запросить цену
Тормозной барабан
Внутрен. высота торм. барабана [мм] : 51
Диаметр барабана : 230
Диаметр ступицы [мм] : 50,2
Количество отверстий : 4
Общ. высота торм. барабана [мм] : 90
Показать больше свойств
Запросить цену
Тормозной барабан
Внутрен. высота торм. барабана [мм] : 39,7
Диаметр барабана : 230
Количество отверстий : 4
Общая высота [мм] : 57,8
Показать больше свойств
Запросить цену
Тормозной барабан
Внутрен. высота торм. барабана [мм] : 51
Диаметр барабана : 230
Количество отверстий : 4
Общая высота [мм] : 90
Показать больше свойств
Запросить цену
Тормозной барабан
Внутрен. высота торм. барабана [мм] : 51
Диаметр барабана : 230
Дополнительный артикул / дополнительная информация 2 : без колесного подшипника
Количество отверстий : 4
Общ. высота торм. барабана [мм] : 90
Сторона установки : Задний мост
Показать больше свойств
Запросить цену
Тормозной барабан
Диаметр барабана : 230
Дополнительный артикул / дополнительная информация 2 : без колесного подшипника
Количество отверстий : 4
Сторона установки : Задний мост
Показать больше свойств
Запросить цену
Тормозной барабан
Внутрен. диаметр торм.барабан [мм] : 230
для диаметра вала начиная с [мм] : 45
до диаметра вала [мм] : 50,2
Дополнительный артикул / дополнительная информация 2 : cо ступицей
Количество отверстий : 4
Общ. высота торм. барабана [мм] : 90
Тип сборки : закреплено болтами / шурупами
Показать больше свойств
Запросить цену
Тормозной барабан
Ø отверстия ступицы [мм] : 65
Ø фаски 1 [мм] : 100
Вес [кг] : 6
Высота [мм] : 57,5
Минимальная толщина [мм] : 231,5
Наружный диаметр [мм] : 290
Поверхность : с покрытием
Расположение/число отверстий : 5/4
Толщина [мм] : 230
Показать больше свойств
Запросить цену
Тормозной барабан
Внутрен. высота торм. барабана [мм] : 51
Диаметр барабана : 230
Количество отверстий : 4
Запросить цену
Тормозной барабан
Вес [кг] : 6,05
Внутрен. высота торм. барабана [мм] : 39
Диаметр барабана : 230
Диаметр фаски 2 [мм] : 100
Дополнительный артикул / дополнительная информация 2 : без ступицы
Макс. размер расточки тормозного барабана [мм] : 231,5
Наружн. диаметр торм. барабана (мм) : 290
Общ. высота торм. барабана [мм] : 57,5
Расположение/число отверстий : 04/05
Показать больше свойств
Запросить цену
Тормозной барабан
Вес [кг] : 7,9
Внутрен. высота торм. барабана [мм] : 51
Диаметр барабана : 230,0
Диаметр фаски 2 [мм] : 100
Дополнительный артикул / дополнительная информация 2 : без колесной крепящей оси
Макс. размер расточки тормозного барабана [мм] : 231
Наружн. диаметр торм. барабана (мм) : 275
Общ. высота торм. барабана [мм] : 90
Расположение/число отверстий : 04/04
Показать больше свойств
Запросить цену
Тормозной барабан
Внутрен. высота торм. барабана [мм] : 39
Диаметр барабана : 230
для артикула № : 14.9386.20
Количество отверстий : 4
Макс. размер расточки тормозного барабана [мм] : 231,5
Монтажный диаметр [мм] : 65
Общ. высота торм. барабана [мм] : 57,5
Показать больше свойств
Запросить цену
Тормозной барабан
Внутрен. высота торм. барабана [мм] : 51
Диаметр барабана : 230
для артикула № : 14.7243.10
Количество отверстий : 4
Макс. размер расточки тормозного барабана [мм] : 231
Монтажн. диаметр 1/монтажн. диаметр 2 [мм] : 45-50,3
Общ. высота торм. барабана [мм] : 90
Показать больше свойств
Запросить цену
Тормозной барабан
Вес [кг] : 6,5
Внутрен. высота торм. барабана [мм] : 39,3
Диаметр барабана : 230
Диаметр отверстия [мм] : 65
Диаметр фаски 2 [мм] : 100
Дополнительный артикул / дополнительная информация 2 : без кольца сенсора ABS
Макс. размер расточки тормозного барабана [мм] : 231,5
Наружн. диаметр торм. барабана (мм) : 290
Общ. высота торм. барабана [мм] : 57,6
Сторона установки : Задний мост
Показать больше свойств
Запросить цену
Тормозной барабан
Внутрен. высота торм. барабана [мм] : 51
Высота [мм] : 90
Диаметр барабана : 230
Диаметр фаски 2 [мм] : 100
Количество отверстий : 4
Показать больше свойств
Запросить цену
Тормозной барабан
Вес [кг] : 8,46
Внутрен. высота торм. барабана [мм] : 51,2
Диаметр барабана : 230
Диаметр отверстия [мм] : 50.215
Диаметр отверстия фланца [мм] : 50.215
Диаметр фаски 2 [мм] : 100
Дополнительный артикул / Дополнительная информация : с аксессуарами
Дополнительный артикул / дополнительная информация 2 : без кольца сенсора ABS
Количество отверстий : 4
Макс. размер расточки тормозного барабана [мм] : 231
Наружн. диаметр торм. барабана (мм) : 274,9
Общ. высота торм. барабана [мм] : 90,1
Сторона установки : Задний мост
Тормозная динамика / динамика движения : для автомобилей без ABS
Показать больше свойств
Запросить цену
Тормозной барабан
Вес [кг] : 6,5
Внутрен. высота торм. барабана [мм] : 39,3
Диаметр барабана : 230
Диаметр отверстия [мм] : 65
Диаметр отверстия фланца [мм] : 65
Диаметр фаски 2 [мм] : 100
Дополнительный артикул / дополнительная информация 2 : без кольца сенсора ABS
Макс. размер расточки тормозного барабана [мм] : 231,5
Наружн. диаметр торм. барабана (мм) : 289,9
Общ. высота торм. барабана [мм] : 57,6
Сторона установки : Задний мост
Показать больше свойств
Запросить цену
Тормозной барабан
Внутрен. высота торм. барабана [мм] : 52
Диаметр 1/диаметр 2 [мм] : 45.2/50.2
Диаметр барабана : 230
Диаметр фаски 2 [мм] : 100
Количество отверстий : 4
Макс. размер расточки тормозного барабана [мм] : 231
Общ. высота торм. барабана [мм] : 90
Сторона установки : Задний мост
Показать больше свойств
Запросить цену
Тормозной барабан
Вес [кг] : 6,05
Внутрен. высота торм. барабана [мм] : 39
Диаметр барабана : 230
Диаметр фаски 2 [мм] : 100
Дополнительный артикул / дополнительная информация 2 : без ступицы
Макс. размер расточки тормозного барабана [мм] : 231,5
Наружн. диаметр торм. барабана (мм) : 290
Номер технической информации : 98100 0295 0 1
Общ. высота торм. барабана [мм] : 57,5
Расположение/число отверстий : 04/05
Показать больше свойств
Запросить цену
Тормозной барабан
Вес [кг] : 7,9
Внутрен. высота торм. барабана [мм] : 51
Диаметр барабана : 230,0
Диаметр фаски 2 [мм] : 100
Дополнительный артикул / дополнительная информация 2 : без колесной крепящей оси
Макс. размер расточки тормозного барабана [мм] : 231
Наружн. диаметр торм. барабана (мм) : 275
Номер технической информации : 98100 0189 0 1
Общ. высота торм. барабана [мм] : 90
Расположение/число отверстий : 04/04
Показать больше свойств
Запросить цену
Тормозной барабан
Внутрен. диаметр торм.барабан [мм] : 200
необходимое количество : 2
Сторона установки : Задний мост
Толщина [мм] : 40
Показать больше свойств
Запросить цену